150247 (598862)
Текст из файла
ЗМІСТ
Вступ.
1. Обертальний момент, діючий на контур із струмом в магнітному полі.
2. Принцип суперпозиції магнітних полів. Закон Біо-Савара-Лапласа.
Висновки.
НАОЧНІ ПОСІБНИКИ І ПРИЛАДИ
-
Прилад для демонстрації сили Ампера.
-
Магнітна стрілка. Круговий струм в магнітному полі.
-
Діафільми “Электромагнетизм”, “Магнитное поле тока”.
-
Кінофільм “Магнитное поле движущихся зарядов”.
-
Лектор-2000.
ОРГАНІЗАЦІЙНО-МЕТОДИЧНІ ВКАЗІВКИ ДО ПРОВЕДЕННЯ ЛЕКЦІЇ
Відомо, що в природі існує єдине змінне електромагнітне поле. Як окремий випадок існує електростатичне поле і магнітне поле. Основні характеристики електростатичного поля вже вивчені курсантами, а основні характеристики магнітного поля вивчатимуться на даному занятті. При цьому слід виділити, що аналога електричному заряду в магнітному полі не існує, тому магнітне поле вивчається за допомогою рамки з струмом, яка подібна магнітній стрілці і кількісно характеризується магнітним моментом
. Необхідно також при вивченні магнітного поля проводити аналогію між електричним та магнітним полями, це сприяє кращому засвоєнню матеріалу і поглибленню знань з фізики.
ВСТУП
Магнітне поле є складовою частиною загального змінного електромагнітного поля, яке широко використовується на практиці в зв’язку – електромагнітні хвилі, в різного типу трансформаторах, генераторах, перетворювачах і ін. Тому вивчення основних характеристик і законів магнітного поля має важливе не тільки теоретичне, а й практичне значення для майбутніх офіцерів-зв’язківців. На занятті поглиблено будуть вивчатись характеристика магнітного поля – індукція та напруженість, метод графічного зображення поля за допомогою силових ліній, а також важливі закони-Ампера та Біо-Савара-Лапласа. Крім цього буде розглянуто принцип роботи двигунів та генераторів електричного струму.
1. Магнітне поле. Закон Ампера
Досліди показують, що, подібно тому, як в просторі навколо електричного заряду існує електричне поле, в просторі навколо електричних струмів існує силове поле яке називають магнітним полем.
Магнітне поле виникає також при існуванні змінного в часі електричного поля. Тобто змінні електричне і магнітне поля існують одночасно. Вони зв’язані нероздільно і створюють єдине електромагнітне поле. Тому магнітне (як і електростатичне) поле необхідно розглядати як окремий випадок загального змінного електромагнітного поля, коли постійний магніт нерухомий, або коли нерухомий провідник з постійним струмом.
В електростатиці для вивчення характеристик електричного поля використовують точковий заряд. Аналогії заряду в магнітному полі не існує. Тому для вивчення властивостей магнітного поля використовують дію поля на плоский контур зі струмом (рамку з струмом). При цьому розміри контура зі струмом повинні бути малими порівнюючи з відстанню до провідника зі струмом, магнітне поле яких вивчається. Досліди показують, що рамка з струмом в магнітному полі повертається певним чином, тобто магнітне поле оказує на рамку орієнтуючу дію. А це значить, що на рамку з струмом в магнітному полі діє пара сил, причому момент цієї пари М (як показують досліди) в залежності від орієнтації рамки змінюються від нуля до максимального значення. Ця орієнтуюча дія магнітного поля на рамку з струмом і дозволяє використати її для визначення величини і напрямку магнітного поля.
Подібно до того, як електростатичне поле характеризується силовою характеристикою – напруженістю поля Е, магнітне поле характеризується магнітною індукцією В – це силова характеристика магнітного поля, вона показує з якою силою діє магнітне поле на розміщений в полі провідник зі струмом. Таким чином, магнітне поле, як і електростатичне існує об’єктивно і його легко виявити. Крім цього, магнітне поле, як і електростатичне, матеріально, воно являє собою одну із форм існування матерії.
Магнітне поле, подібно до електричного, можна зображати графічно за допомогою силових ліній – ліній індукції магнітного поля. Лінією індукції магнітного поля називають таку лінію, дотична до якої в кожній точці співпадає з напрямком вектора індукції поля в цій точці (рис. 1).
Рис. 1
Так як індукція поля в будь-якій точці має одне єдине значення
, то через одну точку поля можна провести тільки одну силову лінію і отже силові лінії магнітного поля, як і електричного, не перетинаються.
За допомогою ліній індукції можна графічно зобразити і величину індукції магнітного поля. Для цього домовились, через одиничну площину, перпендикулярну до ліній індукції, провести стільки силових ліній, щоб їх число було рівне В, тобто:
,
де N - число силових ліній, що перетинає площину S, яка перпендикулярна силовим лініям. При цьому вважається, що
в межах S. Магнітне поле буде однорідним, якщо у всіх точках поля
(силові лінії поля паралельні і однакова їх густина).
На провідник із струмом в магнітному полі діє сила. Ампер показав, що сила
, з якою магнітне поле діє на елемент провідника
зі струмом I, що знаходиться в магнітному полі прямо пропорційна силі струму в провіднику і векторному добутку елемента довжини
провідника на магнітну індукцію
.
( 1 )
або
( 2 )
де - кут між напрямком струму І індуціє магнітного поля.
Напрям сили Ампера
визначається по правилу векторного добутку, або по правилу лівої руки. Якщо ліву руку розмістити так, щоб лінії індукції магнітного поля входили в долоню, а чотири випрямлені пальці збігались з напрямком струму в провіднику, то поставлений під прямим кутом великий палець вказує напрям сили Ампера. Закон Ампера широко використовується на практиці – в електровимірних приладах, електродвигунах та ін.
Магнітна індукція і напруженість магнітного поля. Магнітна проникність.
Оскільки магнітне поле вивчається за допомогою рамки із струмом- по орієнтуючій дії магнітного поля на рамку, то домовились визначати положення рамки в просторі з допомогою вектора
, перпендикулярного до площини рамки (нормаль до рамки).
За додатній напрямок нормалі до рамки приймають нормаль, зв’язану зі струмом правилом свердлика (рис.2).
Рис. 2
Для визначення напрямку магнітного поля рамки розміщують в полі і дають їй можливість вільно повертатись і зайняти в просторі таке положення, при якому обертальний момент дорівнює нулю і рамка знаходитиметься в положенні стійкої рівноваги. Тоді напрям нормалі до рамки
співпадає з напрямком магнітного поля (
).
Обертальний момент пари сил, що діє на рамку з струмом в магнітному полі дозволяє використати її для кількісної характеристики поля. Розглянемо, які властивості рамки впливають на обертальний момент.
Досліди показують, що обертальний момент М має максимальне значення, якщо нормаль рамки перпендикулярна до магнітного поля. Крім цього обертальний момент М пропорційний силі струму в рамці І , та площі рамки S, тобто
Величину Pm=I·S називають магнітним моментом рамки із струмом. Отже
М~Pm
Магнітний момент рамки із струмом – величина векторна. Напрям вектора
співпадає з напрямком нормалі
(рис.2).
Основною характеристикою магнітного поля є вектор магнітної індукції
. За напрямок вектора магнітної індукції приймають напрям додатньої нормалі до рамки, яка знаходиться в положенні стійкої рівноваги в магнітному полі.
Досліди показують, що якщо в одну і ту ж точку поля розміщати одинаково орієнтовані рамки з магнітними моментами
- то на них будуть діяти різні обертальні моменти М1; М2; М3 , але відношення
буде сталим, тобто
Це відношення і визначає величину вектора індукції магнітного поля.
Векттором індукції магнітного потля називають вектор, чисельно рівний максимаьному обертальному моменту, який діє на одиничну рамки із струмом (Pm=1) в магнітному полі і направлений вздовж нормалі до рамки, коли вона знаходиться в стійкій рівновазі.
( 3 )
І якщо
, то
.
Відзначимо, що напрям вектора магнітної індукції
можна визначити також за допомогою магнітної стрілки. Якщо безмежно мала стрілка зайняла положення стійкої рівноваги, то вектор
паралельний вісі стрілки і направлений від південного полюса до північного.
Розмірність індукції в системі СІ можна визначити на основі формули (3).
.
Індукція магнітного поля залежить від властивостей речовини. Магнітні властивості речовини характеризуються відносною магнітною проникністю, яка показує, в скільки раз індукція магнітного поля в речовині
більша або менша індукції поля в вакуумі. Тобто, відносна магнітна проникність речовини дорівнює відношенню індукції магнітного поля в речовині до індукції магнітного поля в вакуумі:
( 4 )
Крім індукції магнітного поля, яка залежить від властивостей речовини, магнітне поле характеризується напруженістю магнітного поля
- це також силова характеристика поля, але вона не залежить від властивостей речовини, причому для вакууму
( 5 )
де
- магнітна стала.
Напруженість магнітного поля визначається тільки струмом і не залежить від властивостей речовини. Вона являється аналогом вектора електричної індукції
.
Враховуючи (4) і (5)
, або
( 6 )
де
- абсолютна магнітна проникність. В системі СІ індукція магнітного поля вимірюється в теслах (Тл), а напруженість магнітного поля – А/м.
1. ОБЕРТАЛЬНИЙ МОМЕНТ, ЩО ДІЄ НА КОНТУР ІЗ СТРУМОМ В МАГНІТНОМУ ПОЛІ
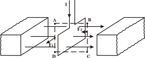
Велике значення має дія магнітного поля на замкнений провідник (рамку) зі струмом, так як ця дія широко використовується в сучасних електродвигунах і багатьох електровимірювальних приладах. Розглянемо рамку з струмом в однорідному магнітному полі (рис.3)
Рис.3
Нехай площа рамки паралельна індукції магнітного поля (положення рамки зображено пунктиром). Знайдемо сили, що діють на сторони рамки. Оскільки сторони АВ і СD паралельні силовим лініям магнітного поля, то на них сила Ампера не діє. Сила Ампера діє на сторони АД і ВС – F1 I F2 і ці сили створюють пару сил, і якщо рамка може повертатись, то вона повертається і становиться так, що вектор індукції
буде перпендикулярний до площини рамки. Момент пари сил буде рівний:
, а так як
то
,
де - кут між нормаллю до рамки і індукцією магнітного поля, S – площа рамки.
Величина
- магнітний момент рамки, величина векторна. Вектор
співпадає з напрямком додатньої нормалі до рамки.
Отже:
, або в векторній формі:
.
Таким чином: обертальний момент, що діє на рамку із струмом в магнітному полі дорівнює добутку магнітного моменту рамки, індуція поля і Sin. Якщо
, то М = 0 – положення стійкої рівноваги, якщо ж = /2, то
Характеристики
Тип файла документ
Документы такого типа открываются такими программами, как Microsoft Office Word на компьютерах Windows, Apple Pages на компьютерах Mac, Open Office - бесплатная альтернатива на различных платформах, в том числе Linux. Наиболее простым и современным решением будут Google документы, так как открываются онлайн без скачивания прямо в браузере на любой платформе. Существуют российские качественные аналоги, например от Яндекса.
Будьте внимательны на мобильных устройствах, так как там используются упрощённый функционал даже в официальном приложении от Microsoft, поэтому для просмотра скачивайте PDF-версию. А если нужно редактировать файл, то используйте оригинальный файл.
Файлы такого типа обычно разбиты на страницы, а текст может быть форматированным (жирный, курсив, выбор шрифта, таблицы и т.п.), а также в него можно добавлять изображения. Формат идеально подходит для рефератов, докладов и РПЗ курсовых проектов, которые необходимо распечатать. Кстати перед печатью также сохраняйте файл в PDF, так как принтер может начудить со шрифтами.















