150216 (598860), страница 66
Текст из файла (страница 66)
Б.4.4 Нагревательное устройство, обладающее свойством самоограничения
Если испытуемый образец представляет собой кабель или ленту, то образец длиной 3-4 м плотно сворачивают в спираль и помещают вовнутрь оболочки из термоизолирующего материала, способного выдерживать развиваемую температуру.
Оболочка должна быть адиабатной. Для измерения максимальной температуры поверхности испытуемого образца к нему крепят термопары. Затем при начальной температуре образца, равной (20±3) °С, на него подают напряжение, составляющее 110% от номинального. После достижения состояния теплового равновесия следует определить максимальную температуру поверхности испытуемого образца.
Другие типы резистивных нагревательных устройств, которым также присуще свойство самоограничения, следует испытывать аналогично в соответствующей оболочке.
ПРИЛОЖЕНИЕ В
(справочное)
Тепловая защита короткозамкнутых машин
B.1 В данном приложении приведена дополнительная информация для потребителя, помогающая при выборе защитных устройств и, в частности, даются рекомендации по их выбору и применению, отличающиеся от общепринятых промышленных методов или дополняющие их.
В.2 При обслуживании для выполнения требований 4.8.4 можно использовать защитное устройство от перегрузки с обратным отсчетом времени запаздывания (например, стартер для прямого пуска с реле от тепловой перегрузки), но при условии, что защитное устройство отвечает рекомендации В.3.
В.3 Защитное устройство от перегрузки с обратным отсчетом времени запаздывания должно обеспечивать не только контроль тока электродвигателя, но и отключение электродвигателя с заторможенным ротором в течение времени tE.
В распоряжении пользователя должны быть графики зависимости “ток-время” с указанием времени запаздывания срабатывания реле от перегрузки как функции отношения IA/IN. График должен отражать времена запаздывания, начиная со значений времени запаздывания для электродвигателя при температуре окружающей среды 20 °С и заканчивая временами запаздывания для не менее чем 3-8 отношений IA/IN.
Время отключения электродвигателя от сети защитным устройством не должно отличаться более чем на ±20% от найденного времени запаздывания.
В.4 Для постоянно обслуживаемых электродвигателей, эксплуатирующихся без перегрузок, не часто запускаемых и не нагревающихся, дополнительно приемлема защита от перегрузки с помощью устройства с обратным отсчетом времени запаздывания.
Электродвигатели с жесткими пусковыми условиями и частыми пусками используют только при наличии соответствующих защитных устройств, предотвращающих превышение предельной температуры.
Пусковые условия считают жесткими в том случае, когда защитное устройство от перегрузки с обратным отсчетом времени запаздывания, выбранное согласно В.3, отключает электродвигатель до того, как он достигает номинальной скорости. Как правило, это происходит, если общее время пуска превышает в 1,7 раза время tE.
ПРИЛОЖЕНИЕ Г
(обязательное)
Дополнительная электрическая защита резистивных нагревательных устройств и блоков
Г.1 Цель
Дополнительной защитой от сверхтока в электротехническом изделии является ограничение эффекта нагрева и исключение возможного дугового пробоя за счет неправильного заземления и токов утечки при заземлении.
Г.2 Метод защиты
Метод защиты зависит от типа системы заземления (см. ГОСТ 30331.2/ГОСТ Р 50571.2).
а) В системах заземления типов ТТ и TN следует использовать защитное устройство, работающее от остаточного тока и имеющее номинальный остаточный рабочий ток не более 300 мА.
Предпочтение следует отдавать защитным устройствам с номинальным остаточным рабочим током, равным 30 мА. У такого защитного устройства максимальное время отключения от сети не превышает 5 с при номинальном остаточном рабочем токе и не превышает 0,15 с при пятикратном номинальном рабочем токе.
Примечания
1 В типовом случае эта система будет прерывать все незаземленные фазы при токе отключения от сети, равном или больше 30 мА.
2 Дополнительная информация о защитных устройствах, работающих от остаточного тока, приведена в ГОСТ Р 50807.
б) В системе заземления типа IT устройство контроля изоляции используют для прерывания питания в случае, когда сопротивление изоляции не более 50 Ом/В номинального напряжения.
ПРИЛОЖЕНИЕ Д
(справочное)
Сведения по определению комбинаций выводов и проводов для соединений общего назначения и соединительных коробок
Д.1 Общие положения
В большинстве типов электрооборудования источником тепла является четко определенная часть электрооборудования.
В соединениях общего назначения и соединительных коробках основным источником тепла, как правило, являются кабели, подсоединяемые к выводам, а не сами выводы. Этот факт следует учитывать при установлении соответствующего температурного класса соединений общего назначения и соединительных коробок.
Максимальное повышение температуры внутри корпуса такой коробки зависит от двух факторов: повышения температуры отдельных выводов и проводов и общего количества выводов и проводов внутри корпуса, что ведет к повышению температуры в корпусе и температуры отдельных выводов выше допустимой. Из всех выводов, расположенных в корпусе, для иллюстрации выбраны: “наихудший вывод”* (см. 6.7), соответствующий провод с максимальными номинальными характеристиками и наибольшее повышение температуры выше допустимой для конкретного соединения.
________________
* Наихудший вывод - это вывод, на котором возникает наибольшее увеличение температуры. К этому выводу подсоединяют провода максимального сечения.
Д.2 Метод определения максимальной рассеиваемой мощности
Максимальную номинальную рассеиваемую мощность определяют согласно 6.7 на “наихудшем выводе”*. Для соответствующего температурного класса корпус может содержать любое, вплоть до максимального количество выводов, допускаемое физическими размерами корпуса, при условии, что не происходит превышения допускаемого предела максимальной рассеиваемой мощности. При этом “наихудший вывод”* может входить или не входить в число этих выводов.
________________
* Наихудший вывод - это вывод, на котором возникает наибольшее увеличение температуры. К этому выводу подсоединяют провода максимального сечения.
Для каждого вывода рассеиваемую мощность рассчитывают по максимальному току, проходящему через него, и по сопротивлению при температуре 20 °С для вывода и соответствующего провода или проводов. Предполагается, что длина каждого провода от кабельного ввода до вывода равна половине максимального внутреннего линейного размера корпуса (утроенная длина диагонали корпуса), т. е. принимаемая во внимание длина провода от кабельного ввода до вывода составляет половину расстояния от вывода до провода вывода, используемого в 6.7.
Сумма рассеиваемых на отдельных выводах мощностей представляет общую рассеиваемую мощность для данной конфигурации и данных условий цепи. Общая рассеиваемая мощность не должна превышать допускаемый предел максимальной рассеиваемой мощности.
Примечание - Для упрощения расчетов изготовитель должен представить таблицу значений сопротивлений при температуре 20 °С для всех выводов и кабелей, используемых внутри корпуса.
Д.3 В качестве альтернативы, максимальную рассеиваемую мощность можно определять для каждого размера вывода по допустимому количеству проводов, сечению провода и по максимальному току. При наличии ряда сочетаний этих величин их удобнее представить в виде таблицы.
ПРИЛОЖЕНИЕ Е
(справочное)
Публикации, используемые при расчете температуры заторможенного ротора
J.H.Dymond, “Stal Time, Acceleration Time, Frequency of Starting: The Myths and the Facts”, IEEE Transactions Industrial Applications, IA-29, no. 1, pp.42-51, January/February 1993
J.H.Dymond, “Время остановки, время ускорения, частота пуска: мифы и факты”, Труды института инженеров электриков и электронщиков. Промышленное применение, IA-29, N 1, с.42-51, январь/февраль 1993
J.Bredthauer, N.Struck, “Starting of Large Medium Voltage Motors - Design, Protection and Safety Aspects”, in Conf Rec 1994 41 st Annual Meeting IEEE Ind. Applications Society Petroleum and Chemical Industries Conference, IA-31, pp.141-151, September/October 1995
J.Bredthauer, N.Struck, “Запуск крупногабаритных электродвигателей со средним напряжением - конструкция защита и безопасность”, Отчет о конференции. - 1994, 41 ежегодное совещание. Конференция по нефтяной и химической промышленности института инженеров электриков и электронщиков, IA-31, с.141-151, сентябрь/октябрь 1995
ПРИЛОЖЕНИЕ Ж
(справочное)
Стандартное поперечное сечение медных проводов
В таблице Ж.1 дано сравнение поперечных сечений медных проводов по американскому проволочному калибру (AWG) с сечениями, установленными международным стандартом ИСО и метрической системой.
Таблица Ж.1 - Сравнение размеров AWG/kcmil и метрических размеров
| Сечение по стандарту ИСО, мм2 | Сечение по калибру, AWG/kcmil | Эквивалентное сечение в метрической системе, мм2 |
| 0,20 | 24 | 0,205 |
| - | 22 | 0,324 |
| 0,50 | 20 | 0,519 |
| 0,75 | 18 | 0,820 |
| 1,00 | - | - |
| 1,50 | 16 | 1,300 |
| 2,50 | 14 | 2,100 |
| 4,00 | 12 | 3,300 |
| 6,00 | 10 | 5,300 |
| 10,00 | 8 | 8,400 |
| 16,00 | 6 | 13,300 |
| 25,00 | 4 | 21,200 |
| 35,00 | 2 | 33,600 |
| 50,00 | 0 | 53,500 |
| 70,00 | 00 | 67,400 |
| 95,00 | 000 | 85,000 |
| - | 0000 | 107,200 |
| 120,00 | 250 kcmil | 127,000 |
| 150,00 | 300 kcmil | 152,000 |
| 185,00 | 350 kcmil | 177,000 |
| 240,00 | 500 kcmil | 253,000 |
| 300,00 | 600 kcmil | 304,000 |
| 350,00 | 700 kcmil | 355,000 |
| 380,00 | 750 kcmil | 380,000 |
| 400,00 | 800 kcmil | 405,000 |
| 450,00 | 900 kcmil | 456,000 |
| 500,00 | 1000 kcmil | 507,000 |
| 630,00 | 1250 kcmil | 634,000 |
| 750,00 | 1500 kcmil | 760,000 |
| 890,00 | 1750 kcmil | 887,000 |
| 1000,00 | 2000 kcmil | 1014,000 |
| Примечание - 1 kcmil=506,71·10-3 мм2. | ||
ПРИЛОЖЕНИЕ И
(обязательное)
Одноштырьковые патроны типа Fa6*
________________
* Извлечение из дополнения 12 (МЭК 61-1М-89) к стандарту МЭК 61-1-69 “Цоколи и патроны ламп со средствами контроля взаимозаменяемости и безопасности. Часть 1. Цоколи ламп”.
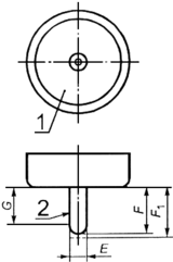
И.1 В готовых изделиях расстояние поверхностного пробоя над изоляцией между неизолированными компонентами и металлической оболочкой должно быть не менее 6 мм. Контактный штырь и металлический корпус должны быть покрыты никелем или соответствующим образом защищены от коррозии. Верхняя часть запаянного штыря должна быть полукруглой.
И.2 На рисунке И.1 и в таблице И.1 приведены размеры важные для взаимозаменяемости одноштырьковых патронов люминесцентных ламп типа Fa6.
1 - изоляционный материал (вид произвольный);
2 - полированная поверхность для припаивания
Рисунок И.1 - Одноштырьковый патрон типа Fa6
Таблица И.1 - Размеры одноштырькового патрона типа Fa6
| Обозначение размера | Значения размеров, мм | |
| Мин. | Макс. | |
| E | 5,92 | 6,00 |
| F | 17,50 | 18,00 |
| F1 (с припоем) | - | 18,50 |
| G | 14,5 | |
| Примечания | ||
| 1 Размер G устанавливает минимальную длину, на которой выдерживается размер E. | ||
| 2 Все размеры, кроме максимальных размеров F и G, проверяют калибром. | ||
ГОСТ Р 51379-99
УДК 621.004:002:006.354
Группа Е01
ГОСУДАРСТВЕННЫЙ СТАНДАРТ РОССИЙСКОЙ ФЕДЕРАЦИИ















