150216 (598860), страница 63
Текст из файла (страница 63)
- выходная тепловая мощность;
- температура среды, окружающей резистивное устройство, - газа и жидкости;
- характеристики теплообмена между резистивным устройством и окружающей его средой.
Необходимая информация об этих зависимостях приводится изготовителем в нормативно-технической документации, предусмотренной ГОСТ Р 51330.0.
5.9.12 Защита с помощью защитной системы обеспечивается:
- измерением температуры резистивного нагревательного устройства или среды, непосредственно окружающей его, или
- путем измерения, помимо температуры, двух или более других параметров.
Примечание - В качестве таких параметров можно назвать: уровень, расход, ток, ток утечки, потребляемую мощность.
Специальные условия безопасной эксплуатации регламентируются соответствующими инструкциями (см. также 27.2 ГОСТ Р 51330.0). Например, если резистивный нагревательный блок поставляется с неполной защитной системой, все средства обработки сигнала (например, средства, обеспечивающие совместимость датчика с приемным устройством) должны быть указаны в нормативно-технической документации.
Защитная система должна обеспечивать прерывание цепи электропитания резистивного нагревательного устройства или блока. После восстановления первоначально заданных условий конструкция защитного устройства должна предусматривать возможность повторного включения только вручную, за исключением случая непрерывного контроля данных от защитной системы.
При неисправности датчика нагревательное устройство следует обесточить до того, как достигнута предельная температура. Повторное включение или замену защитной системы, регулируемой вручную, производят только специальным инструментом. Параметры настройки защитных устройств должны быть заблокированы таким образом, чтобы в дальнейшем в процессе эксплуатации их нельзя было изменить.
Примечание - Плавкие предохранители следует заменять только изделиями, указанными изготовителем.
Защитная система должна срабатывать в ненормальном режиме работы и дополнять функционально независимое регулирующее устройство, используемое в нормальном режиме.
5.9.13 Резистивные нагревательные устройства и блоки должны отвечать требованиям 6.8, а также раздела 7.
5.10 Другое электрооборудование
Другое электрооборудование, не указанное в 5.2-5.9, должно отвечать требованиям раздела 4 и дополнительным требованиям раздела 5.
6 ФУНКЦИОНАЛЬНЫЕ ИСПЫТАНИЯ
Данные требования дополняют требования раздела 23 ГОСТ Р 51330.0, которые также распространяются, если нет других указаний, на электрооборудование с защитой вида e.
6.1 Электрическая прочность изоляции
Электрическая прочность диэлектрика может проверяться одним из следующих методов:
а) испытаниями, указанными в стандарте на конкретные компоненты электрооборудования;
б) или испытаниями при подаче испытательных напряжений U1, U2 или U3 в течение 1 мин.
1) Для электрооборудования, на которое подают напряжение не более 90 В, действующее значение испытательного напряжения U1 равно 500 В.
2) Для резистивных нагревательных устройств и блоков, к которым предъявляют дополнительные требования в соответствии с 5.9, действующее значение испытательного напряжения U2 равно (1000+2Un), где Un - номинальное напряжение, В. Допускается отклонение испытательного напряжения плюс 5%.
3) Для другого электрооборудования, в котором напряжение превышает 90 В, действующее значение испытательного напряжения U3 равно (1000+2U) или 1500 В, в зависимости от того, что больше, где U - рабочее напряжение, В. Допускается отклонение испытательного напряжения плюс 5%.
Как альтернатива указанному напряжению переменного тока можно использовать напряжение постоянного тока, которое:
- для изолированных обмоток должно составлять 170% от указанного действующего значения испытательного напряжения переменного тока или
- для случаев, когда воздушные зазоры или путь утечки выполняют роль изолирующей среды, должно составлять 140% от указанного действующего значения испытательного напряжения переменного тока.
В электрооборудовании с гальванически изолированными частями испытание проводят на каждой части по отдельности при соответствующем напряжении.
6.2 Вращающиеся электрические машины
6.2.1 Испытания электродвигателя с короткозамкнутым ротором для определения отношения IA/IN и времени tE проводят в режиме короткого замыкания. Как альтернатива, если испытание электродвигателя признано нецелесообразным, изготовитель с согласия испытательной организации может представить расчетные данные времени tE и повышения температуры в номинальном режиме работы, а также в режиме короткого замыкания. Желательно, чтобы метод расчета лишь дополнял метод испытания. Методы испытания и расчетов электродвигателя представлены в приложении А, а в приложении Е приведены публикации по расчету температуры заторможенного ротора.
6.2.2 Если условия испытания полностью отражают условия эксплуатации, то испытание электродвигателей можно проводить только при горизонтальном положении оси электродвигателя даже тогда, когда эксплуатация предполагается с другим положением его оси.
6.2.3 Дополнительные испытания электродвигателей на напряжение св. 1 кВ
6.2.3.1 Система изоляции обмотки статора
6.2.3.1.1 Испытания проводят на:
- собранном статоре или
- статоре в корпусе электродвигателя, или
- электродвигателе, или
- статоре с неполной обмоткой, или
- группе катушек.
Во всех случаях испытуемая модель должна представлять собой собранный статор с противокоронной защитой (если требуется), с маркировкой механической нагрузки, с уплотнением и креплением, с пропиткой и проводящими частями, например с сердечником статора. Все открытые проводящие части следует заземлить.
6.2.3.1.2 Кабель, предназначенный для подсоединения к статору, испытывают вместе с ним.
Особое внимание следует уделить размещению кабеля относительно находящихся рядом проводящих частей. Все открытые проводящие части следует заземлить.
6.2.3.1.3 Системы изоляции и соединительные кабели следует испытать в течение 3 мин синусоидальным напряжением промышленной частоты, в 1,5 раза превышающим номинальное действующее значение напряжения сети, во взрывоопасной водородо-воздушной смеси, объемная доля водорода в которой составляет (21±5)%. Максимальная скорость повышения напряжения должна составлять 0,5 кВ/с. Напряжение следует подавать между одной фазой и землей, все другие фазы должны быть заземлены. При этом не должно произойти взрыва.
6.2.3.1.4 Системы изоляции и подсоединяемые кабели следует испытать во взрывоопасной водородо-воздушной смеси, объемная доля водорода в которой составляет (12±5)%, путем подачи 10 импульсов напряжения, амплитуда которых в три раза выше амплитуды фазного напряжения с допуском ±3%. Время повышения напряжения варьируется между 0,2 и 0,5 мкс, а время спада напряжения составляет не менее 20 мкс, но не более 30 мкс. Импульсы следует подавать пофазно и отдельно от фазы к земле. Взрыва не должно произойти.
Примечание - Это нестандартная форма волны. Однако предполагается, что для инициирования разряда нужно использовать короткое время повышения напряжения, а длительность импульса должна быть достаточной для получения энергии воспламенения.
6.2.3.2 Испытание ротора короткозамкнутой машины
6.2.3.2.1 Испытание проводят на электродвигателе, полностью укомплектованном согласно конструкторской документации на него. В испытуемом образце должны быть проходы, центрирующие кольца, кольцевые прокладки под короткозамыкающими кольцами и, если необходимо, уравновешивающие кольца.
6.2.3.2.2 Ротор короткозамкнутой машины следует испытать на износ, для чего проводят как минимум пять испытаний ротора в заторможенном состоянии. Максимальная температура ротора короткозамкнутой машины должна колебаться в пределах между максимальной расчетной температурой и температурой менее 70 °С. Подаваемое напряжение должно составлять не менее 50% от номинального значения.
6.2.3.2.3 После испытания на износ (см. 6.2.3.2.2) электродвигатель следует заполнить или погрузить во взрывоопасную газовую водородо-воздушную смесь, объемная доля водорода в которой составляет (21±5)%. Затем следует провести десять прямых пусков от сети неподсоединенного к нагрузке электродвигателя или провести испытание при заторможенном роторе. Длительность этих испытаний должна составлять не менее 1 с. Взрыва не должно произойти.
6.2.3.2.4 Во время испытаний напряжение на выводах машины не должно быть ниже 90% от номинального. Концентрацию водорода следует проверять после каждого испытания.
6.3 Устройства освещения с питанием от сети
6.3.1 Механические испытания ламповых патронов, кроме патрона типа Е10
Для патронов типов Е14, Е27 и Е40 испытуемый цоколь лампы с размерами согласно ГОСТ 2746 полностью вставляют в патрон с усилием, определенным таблицей 11.
Таблица 11 - Поворотное усилие для завинчивания и минимальное поворотное усилие для вывинчивания лампы
| Тип цоколя лампы | Поворотное завинчивающее усилие, Н·м ±0,1 | Минимальное вывинчивающее усилие, Н·м |
| Е14/Е13 | 1,0 | 0,3 |
| Е27/Е26 | 1,5 | 0,5 |
| Е40/Е39 | 3,0 | 1,0 |
Для патронов типов Е13, Е26 и Е39 следует провести эквивалентное испытание исходя из требований, предъявляемых к различным типам цоколя и указанных в ГОСТ 2746, с учетом различий между цоколями ламп.
Испытуемый цоколь лампы частично вывинчивают поворотом на 15°, и прилагаемое затем поворотное усилие для полного вывинчивания лампы не должно быть меньше минимального усилия, приведенного в таблице 11.
6.3.2 Тепловое испытание осветительных устройств с люминесцентными трубками
Последовательно к лампе подсоединяют диод и на лампу подают напряжение, равное 110% от номинального.
В конце испытания температура не должна превышать указанную в ГОСТ Р 51330.0 для соответствующего температурного класса. Затем при подсоединенном диоде на лампу подают номинальное напряжение, при этом не должно произойти превышения предельной температуры, указанной в таблице 3 (пункт 1б, измерение термометром сопротивления).
6.3.3 Испытание ламповых двухштырьковых цоколей на воздействие диоксида серы
Контакты и соединения ламповых двухштырьковых цоколей на воздействие диоксида серы испытывают по ГОСТ 28226 в течение 21 сут. Контакты при этом должны быть полностью собраны. После испытания сопротивление контакта не должно возрасти более чем на 50 % от первоначального значения.
Штыри представительного образца лампового цоколя должны быть выполнены из латуни с последующим шлифованием до шероховатости поверхности не менее 0,001 мм и химическим осветлением. Сами штыри и их расположение должны соответствовать требованиям, предъявляемым к их размерам по ГОСТ 9806.
6.3.4 Испытание на вибрацию осветительных устройств с двухштырьковыми цоколями
Испытания проводят согласно ГОСТ 28203. Собранный образец лампы крепят на жестком испытательном стенде и подвергают воздействию частоты от 1 до 100 Гц.
При частоте от 1 до 9 Гц амплитуда должна составлять 1,5 мм, а при частоте от 9 до 100 Гц испытуемый образец подвергают ускорению 0,5 g. Скорость качания частоты должна составлять 1 октава/мин при воздействии 20 циклов в каждой из ортогональных плоскостей.
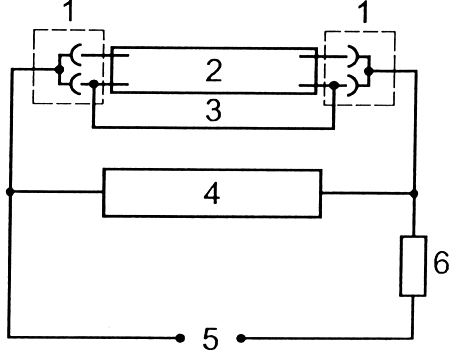
После воздействия вибрации не должно быть видимых механических повреждений ни в одной из частей лампы. Далее, последовательно через каждую группу контактов лампы пропускают ток от источника постоянного тока, как показано на рисунке 4.
1 - ламповый патрон; 2 - лампа; 3 - соединение; 4 - осциллограф;
5 - источник постоянного тока на 24 В; 6 – резистор
Рисунок 4 - Схема испытания осветительного устройства на вибрацию
Если контакты лампового патрона механически различны, то испытание следует повторить с реверсированными контактами под напряжением.
Специальную лампу для испытаний получают путем пробоя катодов током высокого напряжения и установки легкого по массе соединения в лампе. Ток во время испытания должен быть равен номинальному действующему значению тока лампы.
Во время испытания не должно быть прерывания тока или изменения напряжения контактов.
6.4 Измерительные приборы и измерительные трансформаторы
6.4.1 Повышение температуры трансформаторов тока с накоротко замкнутой вторичной обмоткой, а также токоведущих частей измерительных приборов при токе Ith, пропускаемом в течение 1 с, можно определить при помощи испытаний или расчетов. При расчетах следует учитывать температурный коэффициент сопротивления, а тепловыми потерями можно пренебречь.
6.4.2 Динамическую прочность токоведущих частей определяют испытанием. Трансформаторы тока подвергают испытанию при замкнутой накоротко вторичной обмотке. Длительность динамического испытания должна составлять не менее 0,01 с, при этом максимальное амплитудное значение тока первичной обмотки должно быть не меньше Idyn. Длительность теплового испытания составляет не менее 1 с при действующем значении тока первичной обмотки не менее чем Ith.
Динамическое испытание можно объединить с тепловым испытанием при условии, что:
- основной первичный максимальный ток испытания не меньше динамического тока Idyn и
- испытание проводят при токе I в течение времени t таким образом, что числовое значение I2·t не было бы меньше числового значения
, и при условии, что t принимает значения от 0,5 до 5 с.
6.4.3 Испытание на перенапряжение между витками следует проводить на трансформаторах тока методом, указанным в [3], при этом действующее значение тока первичной обмотки должно в 1,2 раза превышать номинальный ток первичной обмотки.
6.5 Трансформаторы, кроме измерительных
Повышение температуры трансформаторов определяют испытанием, предусматривающим подсоединение к указанной изготовителем нагрузке. К цепи подсоединяют встроенное или другое защитное устройство, характеристики которого указаны изготовителем в нормативно-технической документации.
Если указанная изготовителем нагрузка не является частью устройства, отвечающего требованиям настоящего стандарта, то трансформатор следует испытывать в наиболее неблагоприятных условиях, включая короткое замыкание вторичной обмотки. При этом к цепи следует подсоединить встроенное или другое защитное устройство, характеристики которого указаны в нормативно-технической документации.















