150216 (598860), страница 13
Текст из файла (страница 13)
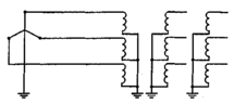
Рисунок Б.3 — Схема включения однофазных заземляемых и трехфазных заземляемых двухобмоточных трансформаторов в трехфазных электрических сетях с изолированной нейтралью и напряжением 3 - 35 кВ
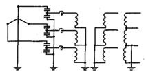
Рисунок Б.4 — Схема включения трехфазных трехобмоточных трансформаторов в трехфазных электрических сетях с изолированной нейтралью и напряжением 3 — 35 кВ
Рисунок Б.5 — Схема включения трехфазных трехобмоточных трансформаторов в трехфазных электрических сетях с изолированной нейтралью и напряжением 3 — 35 кВ
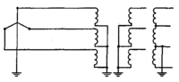
Рисунок Б.6 — Схема включения однофазных заземляемых и трехфазных заземляемых трехобмоточных трансформаторов с двумя основными вторичными обмотками в трехфазных электрических сетях с изолированной нейтралью и напряжением 3 — 35 кВ
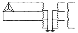
Рисунок Б.7 — Схема включения однофазных заземляемых трехобмоточных трансформаторов с двумя основными вторичными обмотками в трехфазных электрических сетях с заземленной нейтралью и напряжением 110 кВ и выше
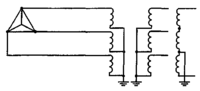
Рисунок Б.8 — Схема включения однофазных заземляемых трехобмоточных трансформаторов в трехфазных электрических сетях с изолированной нейтралью и напряжением 3 — 35 кВ
Рисунок Б.9 — Схема включения однофазных заземляемых трехобмоточных трансформаторов в трехфазных электрических сетях с заземленной нейтралью и напряжением 110 кВ и выше
Рисунок Б. 10 — Схема включения однофазных емкостных трансформаторов напряжения в трехфазных электрических сетях с заземленной нейтралью и напряжением 110 кВ и выше
Допускается заземлять непосредственно один из линейных концов вторичных обмоток вместо заземления нейтрали вторичных основных обмоток трансформаторов, соединенных по схемам, изображенным на рисунках Б.2, Б.4, Б.6 — Б.10. На схемах, изображенных на рисунках Б.8 — Б.10, допускается любое чередование фаз вторичных дополнительных обмоток, соединенных по схеме разомкнутый треугольник.
Схема включения трехобмоточных трансформаторов класса напряжения 110 кВ, предназначенных для работы в сетях с изолированной нейтралью, должна соответствовать изображенной на рисунке Б.8.
ГОСТ 6570-96
Группа П32
МЕЖГОСУДАРСТВЕННЫЙ СТАНДАРТ
СЧЕТЧИКИ ЭЛЕКТРИЧЕСКИЕ АКТИВНОЙ
И РЕАКТИВНОЙ ЭНЕРГИИ ИНДУКЦИОННЫЕ
Общие технические условия
Electrical induction active and reactive energy meters.
General specifications
ОКС 17.220
ОКП 42 2820, 42 2830, 42 2840
Дата введения 1997-07-01
Предисловие
1 РАЗРАБОТАН Акционерным Обществом "Ленинградский электромеханический завод" (АО "ЛЭМЗ")
2 ВНЕСЕН Госстандартом России
ПРИНЯТ Межгосударственным Советом по стандартизации, метрологии и сертификации (протокол N 10 от 4 октября 1996 г.)
За принятие проголосовали:
| Наименование государства | Наименование национального органа стандартизации |
| Азербайджанская Республика | Азгосстандарт |
| Республика Армения | Армгосстандарт |
| Республика Белоруссия | Белстандарт |
| Республика Казахстан | Госстандарт Республики Казахстан |
| Киргизская Республика | Киргизстандарт |
| Республика Молдова | Молдовастандарт |
| Российская Федерация | Госстандарт России |
| Республика Таджикистан | Таджикский государственный центр по стандартизации, метрологии и сертификации |
| Туркменистан | Туркменглавгосинспекция |
| Республика Узбекистан | Узгосстандарт |
| Украина | Госстандарт Украины |
Настоящий стандарт соответствует МЭК 145-63 "Счетчики вар-часов (реактивной энергии)" и МЭК 521-88 "Счетчики активной энергии переменного тока классов 0,5; 1 и 2"
3 Постановлением Государственного Комитета Российской Федерации по стандартизации, метрологии и сертификации от 31 марта 1997 г. N 118 межгосударственный стандарт ГОСТ 6570-96 введен в действие непосредственно в качестве государственного стандарта Российской Федерации с 1 июля 1997 г.
4 ВЗАМЕН ГОСТ 6570-75
1 ОБЛАСТЬ ПРИМЕНЕНИЯ
1.1 Настоящий стандарт распространяется на стационарные однофазные и трехфазные счетчики электрической энергии индукционные (далее - счетчики) однотарифные и многотарифные (за исключением устройства переключения тарифов, требования к которым устанавливаются в технических условиях), применяемые для учета активной и реактивной энергии переменного тока частотой от 45 до 65 Гц в условиях умеренного и тропического климата в закрытых помещениях при отсутствии в воздухе этих помещений агрессивных паров и газов.
Допускается для счетчиков реактивной энергии класса точности 3,0 диапазон частот переменного тока 40-60 Гц.
Стандарт применяется для счетчика в комплекте с вспомогательным оборудованием, включая трансформаторы тока, если они заключены в корпус прибора.
Стандарт не распространяется на образцовые счетчики, счетчики с предварительной оплатой, счетчики с указателем максимума нагрузки, счетчики с датчиком импульсов.
1.2 Требования 5.1; 5.3-5.5; 6.2-6.17; 6.21-6.39; 6.48; 6.49; 9.2 е); раздела 7 являются обязательными при определении качества счетчиков.
Требования к качеству счетчиков, обеспечивающие безопасность для жизни, здоровья и имущества населения, охраны окружающей среды, изложены в 5.3-5.5; 6.2; 6.3; 6.11; 6.21-6.25; 6.27; 6.30; 6.32; 6.34; 6.49.1; 6.49.9; разделе 7.
2. НОРМАТИВНЫЕ ССЫЛКИ
В настоящем стандарте использованы ссылки на следующие стандарты:
ГОСТ 2.601-95 ЕСКД. Эксплуатационные документы
ГОСТ 8.259-77 ГСИ. Счетчики электрические активной и реактивной энергии индукционные. Методы и средства поверки
ГОСТ 8.401-80 ГСИ. Классы точности средств измерений.Общие требования
ГОСТ 8.417-81 ГСИ. Единицы физических величин
ГОСТ 9.048-89 ЕСЗКС. Изделия технические. Методы лабораторных испытаний на стойкость к воздействию плесневых грибов
ГОСТ 12.1.026-80 ССБТ. Шум. Определение шумовых характеристик источников шума в свободном звуковом поле над звукоотражающей плоскостью. Технический метод
ГОСТ 20.57.406-81 Комплексная система контроля качества. Изделия электронной техники, квантовой электроники и электротехнические. Методы испытаний
ГОСТ 26.008-85 Шрифты для надписей, наносимых методом гравирования. Исполнительные размеры
ГОСТ 26.020-80 Шрифты для средств измерений и автоматизации. Начертания и основные размеры
ГОСТ 27.410-87 Надежность в технике. Методы контроля показателей надежности и планы контрольных испытаний на надежность
ГОСТ 2930-62 Приборы измерительные. Шрифты и знаки
ГОСТ 9181-74 Приборы электроизмерительные. Упаковка, маркировка, транспортирование и хранение
ГОСТ 14192-77 Маркировка грузов
ГОСТ 15150-69 Машины, приборы и другие технические изделия. Исполнения для различных климатических районов. Категории, условия эксплуатации, хранения и транспортирования в части воздействия климатических факторов внешней среды
ГОСТ 15151-69 Машины, приборы и другие технические изделия для районов с тропическим климатом. Общие технические условия
ГОСТ 22261-94 Средства измерений электрических и магнитных величин. Общие технические условия
ГОСТ 25372-95 Счетчики электрической энергии. Условные обозначения
ГОСТ 26828-86 Изделия машиностроения и приборостроения. Маркировка
ГОСТ 27483-87 Испытания на пожароопасность. Методы испытаний. Испытания нагретой проволокой
ГОСТ 27570.0-87 Безопасность бытовых и аналогичных электрических приборов. Общие требования и методы испытаний
3. ЕДИНИЦЫ ИЗМЕРЕНИЯ
Единицы измерения, используемые в настоящем стандарте, соответствуют принятым Международной электротехнической комиссией (ГОСТ 8.417)*.
__________________
* Для потребностей экономики страны.
4. ОПРЕДЕЛЕНИЯ
4.1 Счетчик ватт-часов (счетчик активной энергии) - прибор, предназначенный для измерения активной энергии путем интегрирования активной мощности в зависимости от времени.
4.2 Счетчик вар-часов (счетчик реактивной энергии) - интегрирующий прибор, который измеряет реактивную энергию* в вар-часах или кратных им единицах.
_________________
* Термина "реактивная энергия" нет в МЭС и отсутствуют общие определения реактивной мощности и энергиии для случаев, когда переменные величины несинусоидальные.
По этим причинам настоящий стандарт основывается на следующих применяемых на практике определениях, которые строго подходят только для синусоидальных напряжений, но которые для практических целей являются действительными, когда напряжения и токи близки к синусоидальным.
Реактивная энергия в однофазной цепи - величина, измеряемая идеальным счетчиком ватт-часов, по цепи тока которого проходит ток однофазной цепи, а приложенное напряжение равно по абсолютной величине напряжению на концах однофазной цепи, но со сдвигом на 90 °.
Реактивная энергия в многофазной цепи - алгебраическая сумма реактивных энергий фаз.
Так как применяемые определения реактивной энергии предполагают синусоидальные величины, то индуктивный или емкостной сдвиг в цепи в настоящем стандарте характеризуется коэффициентом "sin".
4.3 Индукционный счетчик - счетчик, в котором токи, циркулирующие в неподвижных катушках, воздействуют на токи, индуцируемые в подвижном элементе, обычно диске(ах), что и приводит его (их) в движение.
4.4 Многотарифный счетчик - счетчик, снабженный несколькими счетными механизмами, приводимыми в движение в течение строго определенных интервалов времени, которым соответствуют различные тарифы.
4.5 Стационарный счетчик - счетчик, предназначенный для эксплуатации в стационарных условиях на осветительных щитках и подстанциях без механических воздействий вибрации и тряски.
4.6 Трансформаторный счетчик - счетчик, предназначенный для включения через измерительный или измерительные трансформаторы.
4.7 Подвижная часть (ротор) - подвижный элемент счетчика, на который воздействуют магнитные потоки неподвижных катушек и тормозных элементов и который приводит в действие счетный механизм.
4.8 Вращающий элемент - часть счетчика, которая создает вращающий момент, воздействуя своими магнитными потоками на токи, индуцируемые в подвижной части. Вращающий элемент обычно состоит из электромагнитов с устройствами их регулирования.
4.9 Тормозной элемент - часть счетчика, которая создает тормозной момент, воздействуя своим магнитным потоком на токи, индуцируемые во вращающейся подвижной части. Она состоит из одного или нескольких магнитов с устройствами для их регулирования.
4.10 Счетный механизм - элемент счетчика, позволяющий определить значение измеренной величины.
4.11 Емкость учета счетного механизма - время, в течение которого счетный механизм (исходя из нулевого положения) способен считать измеренную энергию при максимальном токе, номинальном напряжении и коэффициенте мощности, равном единице, без повторного прохождения через нулевое положение.
4.12 Цоколь - задняя часть счетчика, служащая для его крепления, на которой установлены стойка, зажимы или зажимная коробка (плата) и кожух.
Для счетчиков, устанавливаемых впотай (утопленно), цоколь может включать также боковые стороны кожуха.















