150216 (598860), страница 12
Текст из файла (страница 12)
9.13 Методы и виды испытаний трансформаторов на устойчивость к климатическим внешним воздействующим факторам по ГОСТ 16962.1 и механическим внешним воздействующим факторам по ГОСТ 16962.2 должны быть указаны в стандартах на трансформаторы конкретных типов в зависимости от исполнения и конструктивных особенностей трансформаторов.
При испытаниях трансформаторов категории размещения 1 на воздействие нагрузок от ветра, гололеда и тяжения проводов основание трансформатора жестко закрепляют, а к середине вывода его первичной обмотки прикладывают нагрузку, установленную в 6.8.3. Указанную нагрузку прикладывают поочередно в трех взаимно перпендикулярных направлениях: в горизонтальной плоскости по оси вывода в сторону от трансформатора, в горизонтальной плоскости в направлении, перпендикулярном к оси вывода, и в вертикальной плоскости по направлению к основанию.
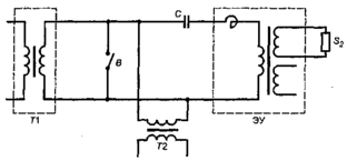
Т1 — питающий трансформатор; С — конденсатор отбора мощности емкостного трансформатора; Т2 — трансформатор напряжения для осциллографирования; ЭУ— электромагнитное устройство емкостного трансформатора; В — высоковольтный короткозамыкатель; S2 — нагрузка основной вторичной обмотки
Рисунок 2
Для стержневых вводов и выводов, расположенных вертикально, нагрузку прикладывают поочередно в двух направлениях: вертикально вверх и горизонтально в любом направлении.
В каждом направлении время выдержки нагрузки — 1 мин.
Трансформатор считают выдержавшим испытание, если во время и после его проведения не отмечено повреждений трансформатора или вывода, течи масла у маслонаполненных и увеличение утечки газа у газонаполненных трансформаторов.
9.14 Определение количественной утечки газа газонаполненных трансформаторов
Испытание по определению утечки газа проводят при температуре окружающей среды (25±10)°С.
Испытуемый трансформатор, заполненный газом до номинального рабочего давления, помещают в замкнутый объем (камеру, чехол из полимерной пленки), который не должен превышать наружный объем испытуемого трансформатора более чем в 3 раза.
Внутри объема должен располагаться вентилятор, способствующий перемешиванию смеси воздуха и газа, заполняющего трансформатор.
После установки трансформатора в замкнутый объем в последний вводят щуп чувствительного прибора (течеискателя), реагирующего на малые концентрации газа, которым заполнен испытуемый трансформатор, и фиксируют показания прибора. Через определенный промежуток времени выдержки трансформатора в замкнутом объеме (например 1 ч) операцию повторяют.
Годовую утечку газа q, % массы газа в испытуемом трансформаторе, определяют по формуле
,
| где С | — разность концентрации газа в замкнутом объеме за время выдержки, г/л; |
| Р0 | = 1 кгс/см2; |
| V | — разность между замкнутым и наружным объемом испытуемого трансформатора, л; |
| Рном | — номинальное давление газа (абсолютное) в трансформаторе, кгс/см2; |
| Vгт | — объем газа в трансформаторе, л; |
| d | — плотность газа в трансформаторе; |
| t | — время между измерениями, ч. |
Для трансформатора, заполненного элегазом, годовую утечку газа определяют по формуле
.
Примечания
1 Значения объемов, необходимых для вычисления утечки, должны быть определены с погрешностью, не превышающей 20 %.
2 Если шкала прибора для определения утечки не калибрована непосредственно в значениях концентрации газа, г/л, эти значения находят по зависимости С = f(н) (где н — показания прибора в единицах шкалы), приложенной к свидетельству об аттестации (калибровке), проводимой в установленном порядке.
9.15 Испытание на прочность при транспортировании
9.15.1 Методы испытания на прочность при транспортировании по ГОСТ 23216 должны быть указаны в стандартах на трансформаторы конкретных типов.
9.15.2 После испытания трансформаторы распаковывают, проводят внешний осмотр трансформаторов, тары, креплений, а также проверяют параметры, установленные в стандартах на трансформаторы конкретных типов.
9.15.3 Трансформатор и его упаковку считают выдержавшими испытание, если:
а) при внешнем осмотре упаковки не обнаружены механические повреждения тары, ведущие к потере защитных свойств, а также нарушения креплений упакованных изделий в таре. Допускается ослабление креплений изделия в таре, если это не привело к повреждению трансформатора в процессе испытания;
б) при внешнем осмотре трансформатора не обнаружены повреждения, препятствующие его работе, а результаты повторных испытаний на электрическую прочность изоляции и определение погрешностей — положительные.
9.15.4 При упаковке нескольких трансформаторов в один ящик допускается проводить проверку параметров выборочно. Число подлежащих испытанию трансформаторов должно быть указано в стандартах на трансформаторы конкретных типов.
9.15.5 Для крупногабаритных трансформаторов испытание допускается не проводить, а способность трансформаторов и упаковки противостоять разрушающему воздействию механических нагрузок при транспортировании оценивают по результатам транспортирования этих или аналогичных изделий потребителю.
9.16 Испытание упаковки трансформатора на сбрасывание
9.16.1 Методы испытания упаковки трансформаторов на сбрасывание по ГОСТ 18425 должны быть указаны в стандартах на трансформаторы конкретных типов.
9.16.2 Испытанию подвергают упаковку суммарной массой (вместе с упакованным трансформатором) до 200 кг. Упаковку суммарной массой более 200 кг, а также упаковку, маркированную знаком «Хрупкое. Осторожно», испытанию на прочность при сбрасывании не подвергают.
9.16.3 Ящик (упаковку) с находящимся в нем трансформатором (трансформаторами) или макетом, имитирующим упакованные трансформаторы, сбрасывают один раз на площадку по ГОСТ 18425 на его торцевую сторону с высоты:
0,5 м — при суммарной массе (трансформатора и упаковки) до 100 кг включительно;
0,3 м — при суммарной массе (трансформатора и упаковки) свыше 100 до 200 кг включительно.
9.16.4 По окончании испытания проводят внешний осмотр упаковки.
9.16.5 Упаковку считают выдержавшей испытание, если при внешнем осмотре не обнаружены повреждения, ведущие к потере ее защитных свойств. Допускается ослабление отдельных креплений.
9.17 Уровень частичных разрядов определяют по ГОСТ 1516.3 и ГОСТ 20074. Метод измерения тангенса угла диэлектрических потерь маслонаполненных трансформаторов должен быть указан в стандартах на трансформаторы конкретных типов.
9.18 Подтверждение средней наработки до отказа проводят на основании сбора у потребителей и обработки информации о работе трансформаторов или их прототипов по методике, указанной в стандарте на трансформатор конкретного типа.
9.19 Испытания на герметичность — по ГОСТ 3484.5.
9.20 Длину пути утечки внешней изоляции трансформаторов на соответствие требованиям 6.9.1.4 проверяют по ГОСТ 9920.
9.21 Измерение сопротивления обмоток постоянному току проверяют по ГОСТ 3484.1.
9.22 Методы испытания газонаполненных трансформаторов на взрывобезопасность должны быть указаны в стандартах на трансформаторы конкретных типов.
10 Транспортирование и хранение
10.1 Транспортирование
10.1.1 Транспортирование упакованных трансформаторов осуществляют транспортом любого вида. Требования к транспортированию в части воздействия механических факторов по ГОСТ 23216 и климатических факторов внешней среды по ГОСТ 15150 должны быть указаны в стандартах на трансформаторы конкретных типов.
При транспортировании в транспортных контейнерах трансформаторы без индивидуальной упаковки должны быть надежно закреплены и предохранены от механических повреждений.
Допускается транспортирование трансформаторов в пределах одного города без упаковки при условии принятия необходимых мер, исключающих возможность их повреждения.
10.2 Хранение
10.2.1 Требования к хранению трансформаторов в части воздействия климатических факторов внешней среды по ГОСТ 15150 должны быть указаны в стандартах на трансформаторы конкретных типов.
11 Указания по эксплуатации
При вводе в эксплуатацию, а также в процессе эксплуатации трансформаторов следует соблюдать требования, установленные в стандартах на трансформаторы конкретных типов. Эти требования указывают в эксплуатационной документации.
12 Гарантии изготовителя
12.1 Изготовитель гарантирует соответствие трансформаторов требованиям настоящего стандарта при соблюдении условий применения, эксплуатации, хранения и транспортирования, установленных настоящим стандартом.
Гарантийный срок эксплуатации трансформаторов — три года с момента ввода в эксплуатацию, но не более трех с половиной лет со дня отгрузки трансформатора с предприятия-изготовителя.
12.2 Для трансформаторов, предназначенных для экспорта, гарантийный срок эксплуатации устанавливается в соответствии с нормами, принятыми в стране-изготовителе.
ПРИЛОЖЕНИЕ А
(рекомендуемое)
Выбор номинальных мощностей для трансформаторов
различных классов точности
Номинальные мощности для трансформаторов различных классов точности, выбираемые по 5.2, определяют, исходя из установленных предельных значений погрешностей напряжения для этих классов точности.
На рисунке А.1 приведены рекомендуемые характеристики процентного изменения вторичного напряжения трансформатора, соответствующие коэффициенту мощности вторичной нагрузки 0,8 при активно-индуктивной нагрузке.
f — погрешность напряжения, %; sном — номинальная мощность
для высшего класса точности, ВА
Верхняя характеристика соответствует приложенному первичному напряжению 0,8 Uном; нижняя — напряжению 1,2 Uном. Характеристики позволяют определять коэффициенты кратности номинальных мощностей для более низких классов точности по выбранной номинальной мощности для высшего класса точности. Характеристики приведены для трансформатора, имеющего высший класс точности 0,2.
Выбор кратности номинальных мощностей для классов точности 1 и 3 допускается осуществлять по рисунку А.1 по выбранной номинальной мощности для класса точности 0,5.
Класс точности 0,5 для данного трансформатора — высший. Коэффициенты кратности мощностей приблизительно равны 1,5 и 3,5.
Выбор мощностей осуществляют по рисунку А.1 так, чтобы характеристика погрешности трансформатора имела бы определенный запас, составляющий примерно 20 % предельного значения погрешности вторичного напряжения или 5 % с учетом результатов климатических испытаний, проведенных при верхнем и нижнем значениях рабочих температур окружающей среды по ГОСТ 15150 и ГОСТ 15543.1.
На рисунке А.1 прямоугольник ABCD характеризует предельно допускаемую зону погрешности напряжения трансформатора при изменении вторичной нагрузки от 0,25 до номинального значения.
Погрешность напряжения f, %, определяют по формуле
(А.1)
| где Кном | — номинальный коэффициент трансформации; |
| U1 | — значение первичного напряжения, В; |
| U2 | — значение вторичного напряжения, соответствующее приложенному напряжению U1 при данных условиях измерения, В. |
ПРИЛОЖЕНИЕ Б
(справочное)
Структурные электрические схемы включения трансформаторов
Схемы включения трансформаторов должны соответствовать изображенным на рисунках Б.1—Б.10.
Рисунок Б.1 — Схема включения однофазных незаземляемых
двухобмоточных трансформаторов в трехфазных электрических сетях
с изолированной нейтралью и напряжением 3 — 35 кВ
Рисунок Б.2 — Схема включения однофазных заземляемых и трехфазных заземляемых двухобмоточных трансформаторов в трехфазных электрических сетях с изолированной нейтралью и напряжением 3 - 35 кВ















