150216 (598860), страница 105
Текст из файла (страница 105)
Пример 1 Одножильный кабель, сечение токопроводящей жилы 70 мм2, наружный диаметр 17 мм, объем неметаллических материалов в 1 м длины образца кабеля — 0,2 л.
Максимальная ширина образца — 600 мм. Для получения 7 л/м требуется 35 отрезков общей шириной: 35 х 17 мм + 34 х 8,5 мм = 884 мм.
Этот кабель не соответствует требованиям по выбору образца. Поэтому для проведения испытаний между изготовителем и потребителем или испытательной лабораторией должны быть согласованы условия размещения образца.
Пример 2 Трехжильный кабель, сечение токопроводящих жил 3 х 50 мм2, наружный диаметр 29 мм, объем неметаллических материалов в 1 м длины образца кабеля — 0,55 л.
Максимальная ширина образца — 600 мм. Для получения 7 л/м требуется 12,7 отрезков. 13 отрезков составляют общую ширину: 13 х 29 мм + 12 х 14,5 = 551 мм.
Этот кабель соответствует требованиям по выбору образца.
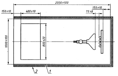
1 — впускное отверстие для воздуха (800±20)х(400±10);
2 — выпускное отверстие для дыма (300±30)х(1000±100);
3 — установка приподнята над поверхностью
Рисунок 1 — Испытательная установка
1— стальной лист толщиной 1,5—2,0 мм; 2— термоизоляция из асбестовой ваты толщиной около 65 мм с внешним покрытием, обеспечивающая коэффициент теплопередачи около 0,7 Вт/ (м2 ·К)
Рисунок 1а — Термоизоляция задней и боковых стенок испытательной камеры
Рисунок 2 — Стандартная трубчатая лестница для испытания кабеля.
Число перекладин — 9
Рисунок 2а — Широкая трубчатая лестница для испытания кабеля.
Число перекладин — 9
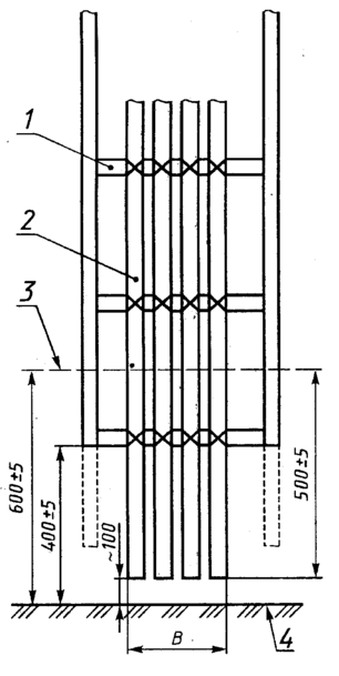
1 — круглые стальные перекладины: 2 — крепление металлической проволокой; 3 — центральная линия горелки; 4 — пол; В — максимальная ширина образца
Рисунок 3 — Расположение образца на лестнице
Рисунок За — Несоприкасающиеся кабели, закрепленные на передней стороне стандартной лестницы
Рисунок 3б — Несоприкасающиеся кабели, закрепленные на передней стороне широкой лестницы (A (F) > 35 мм2)
Рисунок Зв — Несоприкасающиеся кабели, закрепленные на общих сторонах стандартной лестницы (A (F/R) > 35 мм2)
Рисунок Зг — Кабели небольшого диаметра, закрепленные на передней стороне стандартной лестницы (сформированные в пучки, кодовое обозначение A (F))
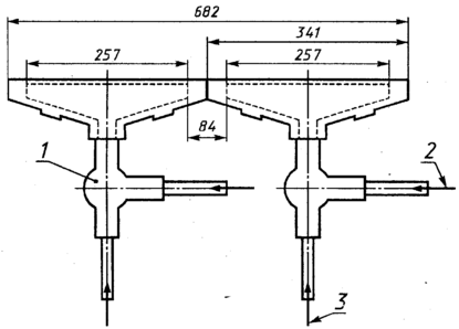
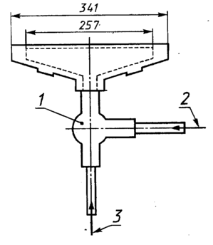
1 — смеситель Вентури для воздуха и газа; 2 — вход пропана;
3 — вход сжатого воздуха
Рисунок 4 — Горелка
Примечание — Рабочая часть горелки имеет 242 отверстия диаметром 1,32 мм на расстоянии 3,2 мм друг от друга, расположенные ступенчато в три ряда, по 81, 80 и 81 в каждом. Значения приближенные.
1 — смеситель Вентури для воздуха и газа; 2 — вход пропана;
3 — вход сжатого воздуха
Рисунок 4а — Сдвоенная горелка
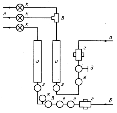
а — впуск пропана; б — впуск воздуха; в — редукционный Т -образный клапан; г — открывающий/закрывающий клапан; д — регулятор давления; е — фильтр; ж — манометр, з — контрольный клапан, и — расходомер (ротаметр); к — клапан соленоидного типа; л — контрольная линия (допускается не применять).
Рисунок — 5 Типовая система контроля расхода газа
Примечание — Наружный диаметр трубок, подсоединяемых к расходомеру и горелке контрольной линии, должен быть 8 мм или 1/4 дюйма. Наружный диаметр трубок для воздуха и пропана, подсоединяемых к горелке, должен быть 15 мм. В комплект входят также источник воспламенения и предохранительный выключатель для клапана соленоидного типа.
ПРИЛОЖЕНИЕ А
(справочное)
МЕТОД ОПРЕДЕЛЕНИЯ КИСЛОРОДНОГО ИНДЕКСА НЕМЕТАЛЛИЧЕСКИХ МАТЕРИАЛОВ КАБЕЛЕЙ
А.1 Область распространения
Данный метод позволяет проводить сравнительную оценку возгораемости неметаллических материалов, отобранных от кабелей или используемых в них, путем измерения минимальной концентрации кислорода в смеси кислорода и азота, при которой поддерживается горение пламени. Этот метод используется ограниченно, так как некоторые испытуемые образцы физически недостаточно жестки.
А. 2 Определение
Кислородный индекс (КИ) — это минимальная концентрация кислорода, в кислородно-азотной смеси, выраженная в объемных процентах, при которой будет поддерживаться горение материала в условиях, установленных данным методом.
А.3 Принцип метода
Минимальная концентрация кислорода в смеси кислорода и азота, при которой будет поддерживаться горение, измеряется в условиях равновесия «свечеподобного» горения. При этом устанавливается равновесие между теплом, выделяемым при сгорании образца, и теплом, теряемым в окружающей среде.
А. 4 Аппаратура
А.4.1 Испытательная колонка, которая состоит из жаропрочной стеклянной трубки одного из типов, указанных в таблице А1. Низ колонки или основание, к которому прикрепляется трубка, должен содержать негорючий материал, чтобы смешать и равномерно распределить газовую смесь, поступающую в это основание. Над негорючим материалом помещают проволочную сетку, чтобы задерживать падающие частицы, которые не должны попадать на основание колонки.
Должно быть установлено устройство для проверки или обеспечения того, чтобы температура газовой смеси, входящей в трубку, была (23 ±2) °С. Если устройство имеет внутренний зонд, его положение и конструкция должны быть такими, чтобы свести к минимуму турбулентность в трубке.
А.4.2 Секундомер для отсчета времени не менее 10 мин с точностью до 1 с.
А.4.3 Держатель образца
Может быть использовано любое небольшое устройство, в котором вертикально закрепляют образец у его основания в центре колонки.
Таблица А1
В миллиметрах
| Тип колонки | Минимальный внутренний | Высота | Диаметр входного открытого конца | ||
| диаметр | минимальная | максимальная | минимальный | максимальный | |
| А | 75 | 450 | — | 75 | — |
| Б | 95 | 210 | 310 | 40 | 50 |
А.4.4 Источники газа
Газовую смесь, необходимую для испытания, приготовляют с использованием кислорода и/или азота торгового сорта (лучше чистотой нс менее 98 %) и/или очищенного воздуха (с концентрацией кислорода 20,9 % объемных).
Содержание влаги в газовой смеси, поступающей в испытательную трубку, должно быть менее 0,1 % по массе.
Примечание — Нет гарантий того, что кислород или азот в баллонах будет всегда содержать воды менее 0,1 % по массе, хотя, как правило, содержание влаги составляет 0,003—0,01 % по массе. Если баллон заряжен при неблагоприятных условиях, газ поступающий из последних 10 % содержимого баллона, может содержать 0,1—0,5 % поды по массе, так как давление газа уменьшается относительно давления водяного пара при температуре окружающей среды Поэтому система подачи газа должна иметь сушильное устройство или должно проводиться измерение содержания влаги.
А.4.5 Измерение концентрации кислорода
Концентрацию кислорода измеряют одним из следующих методов. В спорных случаях используют метод а).
а) Концентрацию кислорода в смешанных газах определяют измерением парамагнетизма кислорода.
б) Используют приборы измерения и контроля состава газа, которые позволяют измерять и контролировать состав смеси газа в испытательной трубке так, чтобы концентрация кислорода в смеси газа была определена с точностью до ±0,5 % по объему смеси.
А.4.6 Источник пламени
Источником зажигания является бутановая горелка (рисунок А.1). Длина пламени от края сопла при измерении на воздухе должна быть около 30 мм.
А.4.7 Вытяжной вентилятор
Для удаления дыма, сажи и вредных выделений аппаратуру размещают в зоне, оборудованной эффективными вытяжными устройствами, при этом они не должны влиять на результаты испытании.
А.5 Образец
А.5.1 Образцы для испытания — это плоские прямоугольные полосы со следующими размерами:
длина 70—150 мм;
ширина (6,5±0,5) мм;
толщина (3,0±0,5) мм
А.5.2 Образцы получают путем формовки, резки или механической обработки из предназначенных для испытания материалов, отобранных с кабеля.
Если такой возможности нет, как, например, для кабеля, содержащего вулканизированный материал, используют формованную и вулканизированную пластину, изготовленную из материала, отобранного во время переработки данной производственной партии.
А. 5.3 Края образцов должны быть гладкими, образцы не должны иметь мелких выступов или заусенцев от механической обработки или краевых подтеков, полученных при формовке.
А. 6 Проведение испытания
А.6.1 Каждый образец маркируют двумя линиями на расстоянии 8 и 58 мм от верха. Для лучшего обзора каждую линию проводят по двум соседним поверхностям. Для белых и цветных образцов можно использовать обычную шариковую ручку. Для черных образцов используют контрастные чернила. Перед испытанием чернила должны высохнуть. Образец зажимают в держателе вертикально приблизительно в центре колонки так, чтобы верх образца был не менее чем на 100 мм ниже верха открытого конца колонки. Если используют колонку с уменьшенным отверстием (А.4.1), то верх образца должен быть не менее чем на 40 мм ниже края отверстия.
А. 6.2 Испытание проводят при температуре (23 ±2) °С, и образцы должны быть предварительно выдержаны при температуре (23±2) °С и относительной влажности (50±5) % в течение 24 ч.
А. 6.3 Устанавливают требуемую начальную концентрацию кислорода, проходящего через колонку. Скорость потока газа в колонке должна быть (40±10) мм/с, которая рассчитывается по общему потоку газа в кубических миллиметрах в секунду, деленных на площадь сечения колонки в квадратных миллиметрах.
А.6.4 Газ пропускают не менее 30 с, чтобы продуть систему.
А.6.5 Источник пламени подводят так, чтобы пламя на длине около 6 мм касалось верха образца. При горении образца источник пламени опускают, чтобы касание пламени удерживалось на длине около 6 мм. После загорания образца концентрацию кислорода не изменяют.















