145011 (598822), страница 3
Текст из файла (страница 3)
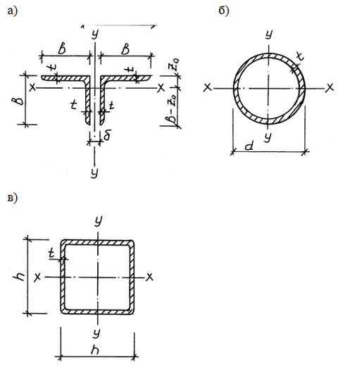
Підбір треба виконувати виходячи із забезпечення нормативних вимог [2]. Загальний вигляд поперечних перерізів різних типів стержнів наведений на рис.4.1.
Рис.4.1 Типи (види) поперечних перерізів стержнів ферми.
Через центри ваги перерізів проведені головні осі інерції Х-Х і У-У. Тип перерізу треба обирати у відповідності із завданням на курсовий проект.
Переріз з двох рівнополичних кутиків (рис.4.1а) позначають: 2L b × t,
де b,мм – ширина полиці
t,мм – товщина полиці.
Наприклад: 2L 100 × 8.
Переріз з круглих труб (рис.4.1б) позначають: Тр. D × t,
де D,мм – зовнішній діаметр
t,мм – товщина стінки.
Наприклад: Тр. 83 × 3.
Переріз з квадратних ГЗП (рис.4.1в) позначають: ڤ h × t,
де h,мм – висота (ширина) профілю
t,мм – товщина стінки.
Наприклад: ڤ 80 × 5.
В фермах, прольотом 18 і 24м пояси можна прийняти постійного перерізу за всією довжиною.
При прольоті L=18м за схемами №1 і №5 (див.рис.3.1) переріз верхнього поясу підбирається по поздовжній силі N у стержні В3, а нижнього поясу по поздовжній силі N у стержні Н2.
При прольоті L=24м за схемою №2 переріз верхнього і нижнього поясів підбирається по поздовжнім силам N відповідно у стержнях В4 і Н2.
При прольоті L=24м за схемою №6 переріз верхнього і нижнього поясів підбирається по поздовжнім силам N відповідно у стержнях В4 і Н3.
В фермах, прольотом 30 і 36м переріз поясів за довжиною доцільно змінювати.
При прольоті L=30м за схемами №3 і №7
- переріз стержнів верхнього поясу В4 і В5 можна підбирати по поздовжній силі N у стержні В5
- переріз стержнів верхнього поясу В1,В2 і В3 можна підбирати по поздовжній силі N у стержні В3
- переріз стержнів нижнього поясу Н2 і Н3 можна підбирати по поздовжній силі N у стержні Н3
- переріз стержня нижнього поясу Н1 треба підбирати по зусиллю, що у ньому діє.
При прольоті L=36м за схемою №4:
- переріз стержнів верхнього поясу В4, В5 і В6 можна підбирати по поздовжній силі N у стержні В6
- переріз стержнів верхнього поясу В1,В2 і В3 можна підбирати по поздовжній силі N у стержні В3
- переріз стержнів нижнього поясу Н1 і Н2 можна підбирати по поздовжній силі N у стержні Н2
- переріз стержня нижнього поясу Н3 треба підбирати по зусиллю, що у ньому діє.
При прольоті L=36м за схемою №8:
- переріз стержнів верхнього поясу В4, В5 і В6 можна підбирати по поздовжній силі N у стержні В6
- переріз стержнів верхнього поясу В1,В2 і В3 можна підбирати по поздовжній силі N у стержні В3
- переріз стержнів нижнього поясу Н2 і Н3 можна підбирати по поздовжній силі N у стержні Н3
- переріз стержнів нижнього поясу Н1 і Н4 треба підбирати по зусиллям, що діють у них.
Для усіх схем поперечний переріз опорного розкосу Р1 можна прийняти таким, як і у стержня верхнього поясу В2 (якщо буде забезпечена стійкість розкосу). Стійки (С1,С2...) можна прийняти одного поперечного перерізу. Підбирати його треба по поздовжній силі N у стержні С2.
Усі розкоси, що працюють на розтяг, доцільно виконати однаковими. Для підбору їх поперечного перерізу необхідно у таблиці 3.2 знайти розкос, у якому діє максимальна поздовжня сила з позначкою “+”. По цій поздовжній силі треба виконувати підбір перерізу.
Стиснуті не опорні розкоси також можна прийняти одного поперечного перерізу. Для їх підбору необхідно у таблиці 3.2 знайти розкос, у якому діє максимальна поздовжня сила з позначкою “-”. По цій поздовжній силі треба виконувати підбір перерізу.
Щоб стержні не скривлялися від випадкових впливів та на провисали від власної ваги, їх гнучкість обмежується. У відповідності з п.6.15 і 6.16 [2] граничні (максимально припустимі) гнучкості складають:
- для стиснутого поясу і опорного розкосу – λlim=120
- для решти стиснутих стержнів - λlim=150
- для розтягнутих стержнів - λlim=400.
Оскільки ферма є симетричною відносно середини прольоту, то при проектуванні достатньо підібрати перерізи стержнів лівої половини прольоту.
4.1 Підбір поперечних перерізів стиснутих стержнів ферми
У відповідності з даними статичного розрахунку (див. розділ №3) на стиск працюють:
1) верхній пояс
2) стійки (за винятком стержнів С3 за схемою №6 і С4 за схемою №8)
3) висхідні розкоси (якщо розглядати ліву половину прольоту ферми до осі симетрії).
Розкос називають висхідним, якщо його лівий кінець нижче правого.
При досягненні поздовжньою силою деякого критичного значення, стиснутий стержень втрачає стійкість. Це означає, що прямолінійна форма рівноваги перестає бути стійкою, а стійкою буде криволінійна форма. Спостерігається випинання (витріщання) стержня. Воно може відбуватись
1) у вертикальній площині, яка співпадає з площиною ферми (у площині ферми)
2) у горизонтальній площині, яка перпендикулярна до площини ферми (з площини ферми).
У першому випадку згин стержня відбувається відносно осі Х-Х (див. рис.4.1) і він втрачає стійкість у площині ферми. У другому випадку згин стержня відбувається відносно осі У-У (див. рис.4.1) і він втрачає стійкість з площини ферми.
З урахуванням цього у відповідності з нормами [2] підбір розмірів поперечного перерізу стиснутого стержня треба виконувати виходячи із забезпечення:
1) його стійкості у площині та з площини ферми (відносно головних осей інерції Х-Х і У-У) як центрально-стиснутого елементу
2) виконання вимоги по обмеженню гнучкості, яке розглянуте вище.
Умови стійкості центрально-стиснутого стержня у площині та з площини ферми відповідно мають вигляд:
;
, (4.1)
де N – розрахункова поздовжня стискаюча сила (за абсолютною величиною) з таблиці 3.2
А– площа поперечного перерізу стержня
Ry - розрахунковий опір сталі стиску, розтягу згину по межі текучості
γc – коефіцієнт умов роботи.
φх і φу – коефіцієнти поздовжнього згину відповідно у площині та з площини ферми
γn – коефіцієнт надійності за призначенням (див. завдання).
Якщо умови (4.1) не виконуються, то випинання стержня не відбувається, і він є стійким.
Для визначення Ry необхідно обрати марку сталі для ферми за табл.50* [2]. Можна прийняти, що ферма працює при статичному навантаженні і відноситься до другої групи за цією таблицею. Тоді її можна виготовити зі сталі марки ВСт3пс6-1 за ТУ 14-1-3023-80. За табл.51* [2] для фасонного прокату, виконаного з цієї марки, при товщині t=4-20мм - Ry=240МПа=24кН/см2.
У фермах з кутиків коефіцієнт γc треба прийняти рівним:
0,95 – для верхнього і нижнього поясів, опорного розкосу (Р1 – див.рис.3.1) розтягнутих спадних (на лівій половині довжини ферми) розкосів
0,8 – для стиснутих стійок та неопорних розкосів.
Розкос називають спадним, якщо його лівий кінець вище правого.
У фермах з круглих труб і ГЗП коефіцієнт γc треба прийняти рівним:
0,95 – для нижнього розтягнутого поясу, розтягнутих розкосів
1,0 – для решти стержнів.
Коефіцієнт поздовжнього згину φх(φу) визначається за табл.72* [2] по інтерполяції у залежності від:
1) гнучкості стержня λх(λу)
2) розрахункового опору сталі Ry.
Фрагмент таблиці 72* [2] наведений у табл.4.1.
Коефіцієнти поздовжнього згину φ
Таблиця 4.1
| Гнучкість λ | Коефіцієнти φ при Ry, МПа | ||
| 200 | 240 | 280 | |
| 10 | 0,988 | 0,987 | 0,985 |
| 20 | 0,967 | 0,962 | 0,959 |
| 30 | 0,939 | 0,931 | 0,924 |
| 40 | 0,906 | 0,894 | 0,883 |
| 50 | 0,869 | 0,852 | 0,836 |
| 60 | 0,827 | 0,805 | 0,785 |
| 70 | 0,782 | 0,754 | 0,724 |
| 80 | 0,734 | 0,686 | 0,641 |
| 90 | 0,665 | 0,612 | 0,565 |
| 100 | 0,599 | 0,542 | 0,493 |
| 110 | 0,537 | 0,478 | 0,427 |
| 120 | 0,479 | 0,419 | 0,366 |
| 130 | 0,425 | 0,364 | 0,313 |
| 140 | 0,376 | 0,315 | 0,272 |
| 150 | 0,328 | 0,276 | 0,239 |
Значення гнучкості стержня визначається за формулою
,
(4.2)
де lef,x i lef,у – розрахункові довжини стержня відповідно у площині та з площини ферми
іx i іу – радіуси інерції поперечного перерізу стержня відповідно відносно осей Х-Х і У-У.
Значення lef,x i lef,у визначаються за табл.11[2]. На її основі складена табл.4.2.
Розрахункові довжини стержнів ферми
| Напрямок поздовжнього згину | Форма (тип) поперечного перерізу стержня | розрахункові довжини lef | |
| поясів і опорних розкосів | решти елементів решітки (стійок і розкосів) | ||
| у площині ферми | парні кутики (див. рис.4.1а) | l | 0,8l |
| Круглі труби і ГЗП (див. рис.4.1б,в,г) | l | 0,9l | |
| з площини ферми | парні кутики (див. рис.4.1а) | l1 | l1 |
| Круглі труби і ГЗП (див. рис.4.1б,в,г) | l1 | 0,9l1 | |
Позначення, прийняті у таблиці:
l – геометрична довжина стержня, яка дорівнює відстані між центрами вузлів
l1 - відстань між вузлами, які закріплені від зміщення з площини ферми.
















