145011 (598822), страница 2
Текст из файла (страница 2)
Після заповнення таблиці необхідно знайти суми усіх значень по стовпчикам №3 і №5 та записати їх у строку “разом”. Ці суми позначені відповідно gн і g. Збір снігового навантаження виконується на підставі розділу №5 [1]. Розрахункове поверхневе снігове навантаження на 1м2 горизонтальної проекції покриття
p=so·μ·γf(cн), (2.3)
де so - нормативне поверхневе снігове навантаження на 1м2 горизонтальної поверхні землі
μ – коефіцієнт переходу від снігового навантаження на землі до снігового навантаження на покриття
γf(cн) - коефіцієнт надійності за сніговим навантаженням
Величина so залежить від географічного району будівництва. Для її визначення необхідно на карті (рис.2.2) знайти вказаний у завданні на проектування географічний пункт, у якому зводиться будинок.
Потім треба визначити номер снігового району для цього пункту. Границі районів на карті показані суцільними лініями. Номери снігових районів позначені римськими цифрами (І,ІІ,ІІІ,ІV …). Для знайденого району за таблицею 2.3 треба визначити відповідне значення so.
Нормативні снігові навантаження на 1м2 горизонтальної поверхні землі so
Таблиця 2.3
| Номер снігового району по карті (рис.2.2) | I | II | III | IV | V | VI |
| Значення so, кПа (кН/м2) | 0,5 | 0,7 | 1,0 | 1,5 | 2,0 | 2,5 |
Наприклад: для м. Херсона маємо сніговий район – І. За таблицею2.3 для цього району so=0,5кПа. Коефіцієнт μ для покриття по фермах паралельними поясами треба прийняти рівним одиниці (див. додаток 3, схему №1, стор.17 [1] ). Коефіцієнт γf(cн) у відповідності з п.5.7 [1] треба прийняти рівним:
1,4 – при
1,6 - при
.
Розрахункові вертикальні зосереджені сили від повного навантаження (постійного і тимчасового), прикладені до середніх вузлів (див. рис.2.1)
P=(g+p)·b·d, (2.4)
де b,м – крок ферм згідно із завданням
d=3м – довжина панелі верхнього поясу ферми.
Розрахункові вертикальні зосереджені сили від повного навантаження (постійного і тимчасового), прикладені до крайніх вузлів
Pкр=(g+p)·b·0,5·d=0,5·Р. (2.5)
У розрахунковій схемі розкісної ферми треба прийняти, що стержні у вузлах з’єднані шарнірно (див.рис.3.1). Тоді при вузловому навантаженні у всіх стержнях виникають тільки поздовжні сили (N).
3. Визначення поздовжніх сил у стержнях ферми (статичний розрахунок)
Поздовжню силу у кожному стержні ферми від повного розрахункового навантаження треба обчислювати за формулою
N=N1·P, (3.1)
де N1 – поздовжня сила у стержні при завантаженні ферми одиничними вузловими силами (рис.3.1).
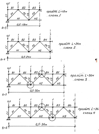
Рис.3.1 Розрахункові схеми ферм, завантажених одиничними вузловими силами
Стержні верхнього поясу, нижнього поясу, розкосів і стійок позначені відповідно буквами: В, Н, Р, С. Пронумеровані вони зліва направо до осі симетрії порядковими номерами. Наприклад, третій зліва розкіс позначений Р3. Перший розкіс Р1, що йде від опори будемо називати опорним. Ось симетрії ферми знаходиться посередині прольоту L і на рис.3.1 позначена штрих-пунктирною лінією.
Значення N1 треба визначати за таблицею 3.1 у залежності від прольоту ферми L і форми поперечних перерізів стержнів (парні кутики, круглі труби, ГЗП) при відповідному номері схеми за рис 3.1. Цей номер повинен відповідати уніфікованій геометричній схемі ферми, обраній у розділі 1.1.
Поздовжні сили у стержнях N1 при завантаженні ферми одиничними вузловими силами згідно з (рис.3.1).
Таблиця 3.1
| Елемент | Позначення стержня за рис.3.1 | Ферма з парних кутиків, прольотом L,м | Ферма з круглих труб і ГЗП, прольотом L,м | ||||||
| 18 | 24 | 30 | 36 | 18 | 24 | 30 | 36 | ||
| Номер схеми на рис.1.1 і рис 3.1 | |||||||||
| 1 | 2 | 3 | 4 | 5 | 6 | 7 | 8 | ||
| Верхній пояс | В1 | 0 | 0 | 0 | 0 | 0 | 0 | 0 | 0 |
| В2 | -3,81 | -5,714 | -7,619 | -9,524 | -4,138 | -6,207 | -6,857 | -8,333 | |
| В3 | -3,81 | -5,714 | -7,619 | -9,524 | -4,138 | -6,207 | -6,857 | -8,333 | |
| В4 | - | -7,619 | -11,43 | -15,24 | - | -7,759 | -10,29 | -13,33 | |
| В5 | - | - | -11,43 | -15,24 | - | - | -10,29 | -13,33 | |
| В6 | - | - | - | -17,14 | - | - | - | -14,58 | |
| Нижній пояс | Н1 | 2,381 | 3,333 | 4,286 | 5,238 | 2,586 | 3,621 | 3,857 | 4,583 |
| Н2 | 4,286 | 7,143 | 10,0 | 12,86 | 4,655 | 7,759 | 9,0 | 11,25 | |
| Н3 | - | - | 11,91 | 16,67 | - | 8,276 | 10,714 | 14,583 | |
| Н4 | - | - | - | - | - | - | - | 15 | |
| Розкоси | Р1 | -3,452 | -4,833 | -6,214 | -7,595 | -3,597 | -5,036 | -5,927 | -7,159 |
| Р2 | 2,071 | 3,452 | 4,833 | 6,214 | 2,158 | 3,597 | 4,61 | 5,858 | |
| Р3 | -0691 | -2,071 | -3,452 | -4,833 | -0,719 | -2,158 | -3,293 | -4,556 | |
| Р4 | - | 0,691 | 2,071 | 3,452 | - | -0,719 | 1,976 | 3,254 | |
| Р5 | - | - | -0,691 | -2,071 | - | - | -0,659 | -1,953 | |
| Р6 | - | - | - | 0,691 | - | - | - | -0,651 | |
| Стійки | С1 | -0,5 | -0,5 | -0,5 | -0,5 | -0,5 | -0,5 | -0,5 | -0,5 |
| С2 | -1,0 | -1,0 | -1,0 | -1,0 | -1,0 | -1,0 | -1,0 | -1,0 | |
| С3 | - | -1,0 | -1,0 | -1,0 | - | 0,5 | -1,0 | -1,0 | |
| С4 | - | - | - | -1,0 | - | - | 0,5 | ||
Обчислення поздовжніх сил у стержнях ферми від повного розрахункового навантаження N за формулою 3.1 зручно виконувати у табличній формі (табл.3.2).
Визначення поздовжніх сил у стержнях ферми від повного розрахункового навантаження
Таблиця 3.2
| Елемент | Позначення стержня за рис.3.1 | Поздовжні сили у стержнях N1 при завантаженні ферми одиничними вузловими силами (з табл.3.1) | Поздовжні сили у стержнях N від повного розрахункового навантаження |
| Верхній пояс | В1 | ||
| В2 | |||
| В3 | |||
| В4 | |||
| В5 | |||
| В6 | |||
| Нижній пояс | Н1 | ||
| Н2 | |||
| Н3 | |||
| Н4 | |||
| Розкоси | Р1 | ||
| Р2 | |||
| Р3 | |||
| Р4 | |||
| Р5 | |||
| Р6 | |||
| Стійки | С1 | ||
| С2 | |||
| С3 | |||
| С4 |
У пояснювальній записці до курсового проекту треба навести обрану розрахункову схему ферми у відповідності з рис.3.1.
4. Підбір поперечних перерізів стержнів ферми
















