64052 (597608), страница 3
Текст из файла (страница 3)
Рис. 2.13. Схематические обозначения солнечного элемента.
Это делается двумя способами. Первый способ - создание простого р-п-перехода (рис. 2.14). При другом способе между слоями р-типа и п-типа вставляется слой нелегированного полупроводника, образуя p-i-n фотодиод (рис. 2.15).
Рис. 2.14. Фотодиод с р-п-переходом
Рис. 2.15 p-i-n фотодиод
Преимущество p-i-n фотодиода - его быстрый отклик на изменения интенсивности света, самый быстрый из всех фоточувствительных устройств. Недостаток - низкая выходная мощность по сравнению с другими фоточувствительными устройствами.
Фототранзистор устроен подобно другим транзисторам с двумя p-n-переходами. Он похож на стандартный n-p-n транзистор. Используется так же, как и фотодиод, и имеет корпус как у фотодиода, за исключением того, что у него три вывода (эмиттер, база и коллектор). На рис. 2.16.
показана его эквивалентная цепь. Проводимость транзистора зависит от проводимости фотодиода. Вывод базы применяется редко. Когда он все же используется, на него подается напряжение, открывающее транзистор.
Рис. 2.16. Эквивалентная схема фототранзистора
Фототранзисторы могут давать больший выходной ток, чем фотодиоды. Их отклик на изменения интенсивности света не так быстр, как у фотодиодов. В данном случае за увеличение выходного тока приходится жертвовать скоростью отклика.
На рис. 2.17 изображено схематическое обозначение фототранзистора.
Фототранзисторы применяются в фототахометрах, для управления фотографической экспозицией, в противопожарных датчиках, в счетчиках предметов и в механических позиционерах.
Рис. 2.17. Схематическое обозначение фототранзистора
Светоизлучающие устройства
Светоизлучающие устройства излучают свет при прохождении через них тока, преобразуя электрическую энергию в световую. Светоизлучающий диод (светодиод) - это наиболее распространенное полупроводниковое светоизлучающее устройство. Будучи полупроводниковым устройством, он имеет неограниченный срок службы ввиду отсутствия высокотемпературного нагрева, основной причины выхода из строя обычных ламп.
Любой p-n-переход может испускать свет при прохождении через него тока. Свет возникает, когда свободные электроны рекомбинируют с дырками, и лишняя энергия освобождается в виде света. Частота испускаемого света определяется типом полупроводникового материала, использованного при изготовлении диода. Обычные диоды не излучают свет потому, что они упакованы в непрозрачные корпуса.
Светодиоды - это просто диоды с p-n-переходом, которые излучают свет при прохождении через них тока. Этот свет виден потому, что светодиоды упакованы в полупрозрачный материал. Частота излучаемого света зависит от материала, использованного при изготовлении светодиода. Арсенид галлия (GaAs) излучает свет в инфракрасном диапазоне, который не воспринимается человеческим глазом. Арсенид-фосфид галлия излучает видимый красный свет. Изменяя содержание фосфора, можно получить светодиоды, излучающие свет различной частоты.
На рис. 2.18 показано устройство светодиода. Слой типа р сделан тонким для того, чтобы не препятствовать прохождению света, излучаемого р-n-переходом.
Рис. 2.18. Устройство светодиода
После изготовления светодиод помещается в корпус, который рассчитан на максимальное пропускание света.
Для того, чтобы светодиод излучал свет, на него должно быть подано прямое смещающее напряжение (рис. 2.19). Для того, чтобы через светодиод шел ток, величина прямого смещения должна превышать 1,2 вольта. Так как светодиод легко может быть поврежден большим током или напряжением, последовательно с ним включается резистор для ограничения тока.
Рис. 2.19. Светодиод, смещенный в прямом направлении.
Схематическое обозначение светодиода показано на рис. 2.20.
 
 
Рис. 2.20
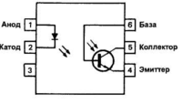
На рис. 2.21 показан светодиод, образующий вместе с фотодиодом оптопару. Оба устройства размещены в одном корпусе. Оптопара состоит из светодиода и фототранзистора. Они связаны световым лучом, излучаемым светодиодом. Сигнал, поступающий на светодиод, может меняться, что, в свою очередь, изменяет интенсивность излучаемого света. Фототранзистор преобразует изменения света опять в электрическую энергию. Оптопара позволяет передавать сигнал от одной цепи к другой, обеспечивая высокую степень электрической изоляции их друг от друга.
Рис. 2.21. Оптопара
Контрольные вопросы:
1. Что такое полупроводниковый материал?
2. Дайте определения следующим терминам:
а) ковалентная связь.
б) отрицательный температурный коэффициент сопротивления.
3. Почему кремний и германий считаются полупроводниковыми материалами?
4. Почему кремний предпочтительней германия?
3. Что определяет тип проводимости (n-тип или р-тип) легированного полупроводника?
4. Как легирование поддерживает ток в полупроводниковом материале?
5. Чем определяется проводимость полупроводникового материала?
6. Какую основную функцию выполняет диод?
7. Биполярные транзисторы и принцип их работы.
8. МОП-транзисторы и их отличие от биполярного транзистора.
9. Светочувствительные и светоизлучающие элементы.
10. Что такое оптопара?
Литература:
1. Угрюмов Е.П. Проектирование элементов и узлов ЭВМ – М.; Высш. шк., 1987, с.3-5.
2. Схемотехника ЭВМ. Учебник для ВУЗов под редакцией Соловьева Г.Н. – М.; Высш. шк., 1985, с.3-8.
3. Безуглов Д.А., Калиенко И.В. Цифровые устройства и микропроцессоры., Ростов-на-Дону, 2006 г.
4. Хоровиц П., Хилл У. Искусство схемотехники. Изд. 3-е, Москва, Мир, 1986 г.
Размещено на http://www.allbest.ru/















