64052 (597608), страница 2
Текст из файла (страница 2)
условное графическое обозначение (УГО) - обозначение на принципиальных электрических схемах.
Новый ГОСТ на маркировку диодов состоит из 4 обозначений:
|   К  |    С  |    156  |    А  |  
|   Г  |    Д  |    507  |    Б  |  
|   I  |    II  |    III  |    IV  |  
|   I  |    - показывает материал полупроводника:  |    Г (1) - германий; К (2) - кремний; А (3) - арсенид галлия.  |  
|   II  |    – тип полупроводникового диода  |    Д - выпрямительные, ВЧ и импульсные диоды; А - диоды СВЧ; С - стабилитроны; В - варикапы; И - туннельные диоды; Ф - фотодиоды; Л - светодиоды; Ц - выпрямительные столбы и блоки.  |  
|   III  |    - цифры, показывающие разделение диодов по своим электрическим параметрам  |    101...399 – выпрямительные 401…499 – ВЧ-диоды 501…599 - импульсные  |  
|   IV  |    - буква  |    показывает модификацию диодов в данной группе  |  
 Р
 ис. 2.8. а) Так обозначают выпрямительные, высокочастотные, СВЧ, импульсные и диоды Гана; б) стабилитроны; в) варикапы; г) тоннельные диоды; д) диоды Шоттки; е) светодиоды; ж) фотодиоды; з) выпрямительные блоки
3. Биполярные и МОП-транзисторы
Биполярный транзистор
Биполярный транзистор - полупроводниковый прибор, который управляется током и имеет коэффициент усиления больше единицы. Он имеет два р-п-перехода и три вывода. Эмиттер (Э), база (Б) и коллектор (К). Биполярные транзисторы бывают двух структур- р-n-р и п-р-n.
Для транзисторов структуры р-n-р справедливо все то, что относится и к структуре п-р-п, отличая только в полярности источника питания. Упрощенная структурная схема транзистора нарисована на рис. 2.9. Вывод базы располагается между эмиттером и коллектором, толщина базы очень мала - десятки микрометров (1000 мкм = 1 мм). Благодаря наличию двух р-n переходов, любой транзистор (биполярный) можно представить в виде двух диодов: с большим напряжением пробоя между базой и коллектором и с малым напряжением пробоя между базой и эмиттером. Как видно, коллекторный и эмиттерный р-п переходы по отношению к базе неравнозначны, поэтому "путать" их нельзя.
Рис. 2 9. Структурная и упрощенная схемы строения биполярного транзистора
Существует три схемы включения биполярного транзистора, с общей базой (ОБ), общим коллектором (ОК) и общим эмиттером (ОЭ) При включении транзистора по схеме с ОБ усиливается только напряжение, с ОК - только ток, а с ОЭ - и напряжение, и ток. Схема с ОБ в цифровой технике практически никогда не используется, поэтому здесь она рассматриваться не будет.
При включении транзистора структуры n-p-п на его эмиттер подают отрицательный потенциал, а на коллектор - положительный. При соединении вывода базы с эмиттером, или если базовый вывод попросту "в обрыве" транзистор закрыт и через переход коллектор-эмиттер течет ничтожный ток, при соединении с коллектором он открывается и через транзистор течет довольно большой ток.
Рассмотрим схему включения транзистора с общим эмиттером (рис, 2,10). Эмиттер соединен с общим проводом ("минусовой" вывод источника питания), а коллектор через нагрузку (на схеме - через лампочку) соединен с положительным выводом источника питания. Будем плавно увеличивать напряжение на базе относительно эмиттера (общего провода). Потенциальный барьер перехода база-эмиттер при этом будет понижаться, и его сопротивление уменьшится. Через переход начнет течь ток эмиттера IЭ обусловленный инжекцией электронов из эмиттера в базу. Но так как база имеет очень маленькую толщину, то большинство инжектированных из эмиттера в базу электронов "по инерции" пролетают потенциальный барьер перехода база-коллектор, захватываются его полем и втягиваются в коллектор, откуда они попадают в нагрузку, где и рекомбинируют с дырками. Благодаря выделяющейся при этом мощности лампочка начинает светиться. Напряжение на коллекторном выводе относительно общего провода уменьшается.
Рис. 2.10. Схема включения биполярного транзистора с общим эмиттером
Так как транзистор представляет собой монолитный кристалл кремния и толщина его базы ни при каких внешних воздействиях не изменяется, то отношение количества электронов, захваченных коллектором, к количеству электронов, выделившихся в базе при неизменном напряжении питания, также неизменно. Это отношение называется статическим коэффициентом передачи тока (коэффициент усиления) и определяется по формуле:
 
 
У современных биполярных транзисторов коэффициент передачи тока h21э больше 100, т. е. коллекторный ток в 100 раз больше базового.
П
?
ри увеличении напряжения питания увеличивается потенциальный барьер перехода база-коллектор. Поэтому количество электронов, которое может "захватить" коллектор (при неизменном токе базы) уменьшается. Следовательно, будет уменьшаться и коэффициент h21э.Если и дальше увеличивать ток базы, то потенциальный барьер эмиттерного перехода будет уменьшаться до тех пор, пока не исчезнет совсем. Электроны смогут беспрепятственно переходить из эмиттера в базу и также беспрепятственно захватываться полем коллектора. Падение напряжения на переходе коллектор эмиттер будет уменьшаться (при увеличении тока базы и неизменном сопротивлении нагрузки и напряжении питания) до тех пор, пока не уменьшится почти до нуля.
Такой режим работы транзистора, несмотря на то, что он требует повышенного тока управления (так как коэффициент h21э уменьшается), очень широко используется в цифровой технике.
Полевые транзисторы
Полевые транзисторы - это полупроводниковые приборы, сопротивление канала которых изменяется в широких пределах под воздействием приложенного к управляющему выводу (затвору) напряжения. Таким образом, полевые транзисторы, в отличие от биполярных, управляются не током, а напряжением. Ток же, текущий через управляющий вывод (ток утечки затвора IУТ), крайне мал, и у современных полевых транзисторов его смело можно приравнять к нулю.
В зависимости от строения своих "внутренностей" полевые транзисторы делятся на две группы:
с управляющим p-n-переходом (т. е. изоляция затвора выполнена в виде p-n-перехода);
с изолированным затвором (затвор изолирован диэлектриком). Кроме того, транзисторы с изолированным затвором бывают со встроенным или индуцированным каналом.
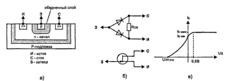
Рассмотрим принцип действия полевого транзистора с управляющим р-п-переходом (рис. 2.11). Транзистор, изображенный на нем, называется п-канальным, и среди биполярных транзисторов ему соответствует транзистор структуры n-p-п. Вывод эмиттера биполярных транзисторов у полевых называется истоком, база - затвором и коллектор - стоком. На этом сходство этих двух классов полупроводниковых приборов оканчиваются, дальше начинаются одни различия.
Рис. 2.11. Полевой транзистор с управляющим р-п переходом (п-канал): а - строение; б - упрощенная схема строения; в - вольт-амперная характеристика
Области стока и истока у полевых транзисторов изготавливают из сильно легированных полупроводников, т. е. из тех, у которых очень большой избыток основных носителей тока - электронов для n-проводника и дырок - для р-проводника. На рисунке эту самую "сильную легированность" обозначают значком "+" после обозначения типа полупроводника (п+, р+).
Свет
Свет - это электромагнитное излучение, видимое человеческим глазом. Свет распространяется подобно радиоволнам. Как и радиоволны, свет имеет свою длину волны.
Свет распространяется в вакууме со скоростью 300 000 000 метров в секунду. В различных средах скорость света меньше. Частота световых колебаний лежит в диапазоне от 300 до 300 000 000 гигагерц (1 гигагерц = 1000000000 герц). Из этого частотного диапазона только небольшая часть видима человеческим глазом. Видимый диапазон простирается примерно от 400000 до 750000 гигагерц. Частота инфракрасного излучения лежит ниже 400000 гигагерц, а частота ультрафиолетового излучения - выше 750000 гигагерц. Световые волны в верхней части частотного диапазона обладают большей энергией, чем световые волны в нижней части диапазона.
Фоторезистор. Внутреннее сопротивление фоторезистора изменяется при изменении интенсивности света. Изменение сопротивления не пропорционально интенсивности света. Фотосопротивления изготовляют из светочувствительных материалов, таких как сульфид кадмия (CdS) или селенид кадмия (CdSe).
Его сопротивление может изменяться от нескольких сотен мегом до нескольких сотен ом. Оно применяется при низких интенсивностях света. Фотосопротивление может выдерживать высокие рабочие напряжения 200-300 вольт при малом потреблении мощности - до 300 милливатт.
 На рис. 2.12 показаны схематические обозначения фотосопротивления. Стрелки показывают, что это - светочувствительное устройство. Иногда для обозначения светочувствительного устройства используется греческая буква лямбда (
 ).
Фотосопротивления используются для измерения интенсивности света в фотографическом оборудовании, в охранных датчиках, в устройствах автоматического открывания дверей, в различном тестирующем оборудовании для измерения интенсивности света.
Фотогальванический элемент (солнечный элемент) преобразует световую энергию непосредственно в электрическую. Батареи солнечных элементов применяются главным образом для преобразования солнечной энергии в электрическую энергию.
Солнечный элемент - это устройство на основе р-п-пе-рехода, выполненное из полупроводниковых материалов.
Рис. 2.12. Схематические обозначения фотосопротивления
Солнечные элементы дают низкое выходное напряжение 0,45 вольта при токе 50 миллиампер. Их необходимо соединять в последовательно- параллельные цепи для того, чтобы получить желаемое выходное напряжение и ток.
Схематические обозначения солнечных элементов показаны на рис. 2.13. Положительный вывод обозначается знаком плюс (+).
Солнечные элементы применяются для измерения интенсивности света в .фотографическом оборудовании, для декодирования звуковой дорожки в кинопроекторах и для зарядки батарей на космических спутниках.
Фотодиод также использует p-n-переход и его устройство подобно устройству солнечного элемента. Он используется так же, как и фотосопротивление в качестве резистора, сопротивление которого меняется при освещении. Фотодиоды - это полупроводниковые устройства, которые изготовляются главным образом из кремния.















