63359 (597586), страница 5
Текст из файла (страница 5)
а для непрерывного спектра излучений, заключенного между длинами волн
соответственно имеем
В таб. 1.2 приведены оценочные значения величин яркости и освещенности, создаваемых различными источниками света.
4. ПРИЕМНИКИ ОПТИЧЕСКОГО ИЗЛУЧЕНИЯ
4.1 Классификация приемников излучения
Приемник оптического излучения (фотоприемник, ФПМ) - это опто-электронный прибор, предназначенный для приема и преобразования оптического излучения в какие-либо другие виды энергии. По механизму преобразования энергии можно разбить на три основные группы (рис. 2.1) [4,5]:
-
фотоэлектрические, работающие на основе внутреннего и внешнего фотоэффекта:
-
тепловые, преобразующие оптическую энергию сначала в тепловую, а потом в электрическую или какую-либо иную;
-
фотохимические, преобразующие энергию излучения в энергию химических реакций.
4.2 Параметры и характеристики ФПМ
Для описания технических свойств ФПМ с целью их эффективного применения разработана система параметров и характеристик - ГОСТ 21934-83 и ГОСТ 20526-82. В этом разделе рассмотрим те из них, которые наиболее важны при разработке электронных устройств на основе оптоэлек-тронных приборов [6, 7].
2.2.1. Параметры напряжений, сопротивлений и токов ФПМ
-
Рабочее напряжение
- постоянное напряжение, приложенное к ФПМ, при котором обеспечиваются номинальные параметры при длительной его работе. -
Темновой ток
- ток, протекающий через ФПМ при указанном напряжении на нем в отсутствие потока излучения в диапазоне спектральной чувствительности. -
Фототок
- ток, проходящий через ФПМ при указанном напряжении на нем, обусловленный только воздействием потока излучения с заданным спектральным распределением.
-
Общий ток
- ток ФПМ, состоящий из темнового тока и фототока. -
Напряжение (ток) фотосигнала
- изменение напряжения (тока) на ФПМ, вызванное действием на ФПМ потока излучения источника фотосигнала. -
Темновое сопротивление
- сопротивление ФПМ в отсутствие падающего на него излучения в диапазоне его спектральной чувствительности. -
Световое сопротивление
- сопротивление ФПМ при воздействии на него потока излучения в диапазоне его спектральной чувствительности.
Рис. 2.1. Классификация приемников оптического излучения
4.2.2 Параметры чувствительности фотоэлектронных приборов
1. Чувствительность
- отношение изменения значения электрической величины на выходе ФПМ, вызванного падающим на него излучением, к количественной характеристике этого излучения, представленной любой энергетической или фотометрической величиной. Наиболее часто используются:
-
Интегральная чувствительность
- чувствительность ФПМ к излучению данного спектрального состава. -
Монохроматическая чувствительность
- чувствительность ФПМ к монохроматическому излучению. -
Наклон люксометрической характеристики фоторезистора
- тангенс угла наклона линейного участка люксометрической характеристики, построенной в двойном логарифмическом масштабе.
4.2.3 Пороговые и шумовые параметры ФПМ
-
Напряжение
шума ФПМ - среднее квадратичное значение флуктуации напряжения (общего тока) в цепи ФПМ в заданной полосе частот. -
Порог чувствительности
- среднее квадратичное значение первой гармоники действующего на ФПМ модулированного потока излучения сигнала с заданным спектральным распределением, при котором среднее квадратичное значение первой гармоники напряжения (тока) фотосигнала равно среднему квадратичному значению напряжения (тока) шума в заданной полосе на частоте модуляции потока излучения.
3. Порог чувствительности в единичной полосе частот
или ЫЕР
среднее квадратичное значение первой гармоники действующего на ФПМ
модулированного потока излучения источника фотосигнала с заданным
спектральным распределением, при котором среднее квадратичное значение
первой гармоники напряжения (тока) фотосигнала равно среднему квадра
тичному значению напряжения (тока) шума, приведенному к единичной по
лосе на частоте модуляции потока излучения.
4. Удельный порог чувствительности
или
- порог чувствительности, приведенный к единичной полосе частот и единичному по площади фоточувствительному элементу.
5. Обнаружительная способность
- величина, обратная порогу чувст вительности,
6. Удельная обнаружительная способность
- величина, обратная удельному порогу чувствительности,
4.2.4 Параметры спектральной характеристики ФПМ
1. Длина волны максимума спектральной чувствительности ^.„акс ~ длина волны, соответствующая максимуму спектральной характеристики чувствительности.
-
Коротковолновая (длинноволновая) граница спектральной чувствительности
- наименьшая (наибольшая) длина волны монохроматического излучения, при которой монохроматическая чувствительность ФПМ равна 0,1 ее максимального значения. -
Область спектральной чувствительности
- диапазон длин волн спектральной характеристики, в котором чувствительность ФПМ составляет не менее
своего максимального значения.
4.2.5 Геометрические параметры ФПМ
1. Эффективная фоточувствительная площадь ФПМ (АЭф) _ площадь фоточувствительного элемента эквивалентного по сигналу ФПМ, чувствительность которого равномерно распределена по фоточувствительному элементу и равна номинальному значению локальной чувствительности данного ФПМ. Определяется соотношением
где
- номинальное значение локальной чувствительности в точке
(обычно центр чувствительного элемента в ФПМ); А - полная площадь чувствительного элемента ФПМ:
- чувствительность к потоку излучения точки на фоточувствительном элементе ФПМ с координатами
-
Плоский угол зрения
- угол в нормальной к фоточувствительному элементу плоскости между направлениями падения параллельного пучка излучения, при которых фотосигнал уменьшается до заданного уровня. -
Эффективное поле зрения
- телесный угол, определяемый соотношением
где
- напряжение фотосигнала;
- азимутальный угол;
- угол между направлением падающего излучения и нормалью к фоточувствительному элементу.
4.2.6 Параметры инерционности ФПМ
1. Время нарастания (спада)
или
соответственно – ми нимальный интервал времени между точками нормированной переходной (обратной переходной) характеристики со значениями 0,1 и 0,9 соответственно.
2. Время установления переходной характеристики ФПМ по уровню
- минимальное время от начала импульса излучения, по истечении
которого максимальное отклонение нормированной переходной характеристики
от установившегося
значения не превышает
-
Предельная частота ФПМ
- частота синусоидально модулированного потока излучения, при которой чувствительность ФПМ падает до значения 0,707 от чувствительности при немодулированном напряжении. -
Емкость ФПМ С - собственная емкость ФПМ.
-
Спектральные характеристики ФПМ
-
Спектральная характеристика чувствительности
- зависимость монохроматической чувствительности ФПМ от длины волны регистрируемого потока излучения. -
Абсолютная спектральная характеристика чувствительности
-зависимость монохроматической чувствительности, измеренной в абсолютных единицах от длины волны регистрируемого потока излучения.
3. Относительная спектральная характеристика чувствительности
зависимость монохроматической чувствительности, отнесенной к значению максимальной монохроматической чувствительности, от длины волны регистрируемого потока излучения.
2.2.8. Основные характеристики зависимости параметров ФПМ
-
Энергетическая характеристика фототока ФПМ
- зависимость фототока от потока или плотности потока излучения, падающего на ФПМ. -
Энергетическая характеристика напряжения
(тока
I фотосигнала - зависимость напряжения (тока) фотосигнала от потока или плотности потока излучения падающего на ФПМ. -
Частотная характеристика чувствительности ФПМ
- зависимость чувствительности ФПМ от частоты модуляции потока излучения.
4. Переходная (обратная переходная) нормированная характеристика
- отношение фототока, описывающего реакцию ФПМ в зависимости от
времени, к установившемуся значению фототока при воздействии импульса излучения в форме единичной ступени (при резком прекращении воздействия излучения).
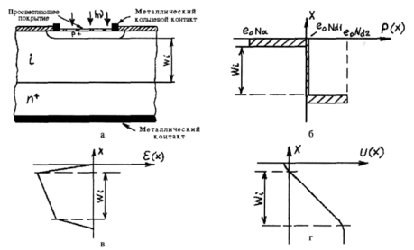
Устройство р-i-п-фотодиода
В предыдущем разделе мы рассмотрели взаимодействие света с ри-переходом. На основе
-переходов функционирует основная масса современных ФПМ. К числу наиболее простых и распространенных ФПМ относятся
фотодиоды (ФД). Такие ФД представляют собой трехслойную структуру, в которой между слоями
типов находится слаболегированный тонкий
слой, или, как говорят, слой с собственной проводимостью. Такая структура позволяет сформировать тонкий высоколегированный
■слой, практически полностью пропускающий падающее излучение, на поверхности
слоя с собственной проводимостью
типа. Как известно, распространение обедненного слоя внутрь материала пропорционально удельному сопротивлению материала; особенно широк этот слой, следовательно, на границах
Обратного напряжения в несколько вольт достаточно, чтобы обедненная область распространилась на весь
слой. Ширина
слоя выбирается таким
Рис. 2.20.Конструкция и диаграмма, поясняющие действие
фотодиода:
















