63231 (597579), страница 3
Текст из файла (страница 3)
Рис. П.4.8
При указании около условных графических обозначений номиналов резисторов и конденсаторов (рис. П.4.9) допускается обозначать единицы измерения упрощенно: для резисторов с сопротивлением от 0 до 999Ом – без указания единицы измерения; от 1*103 до 999*103 Ом – буквой “к”; от 1*106 до 999*106Ом — в мегаомах, прописной буквой “М”; свыше 1*109Ом — в гигаомах, прописной буквой “Г”.
Для конденсаторов емкостью от 10*10-14 до 9999*10-10Ф — в пико-фарадах без указания единицы измерения, например, 0.01; 0.2; 30.0; от 1*10-8 до 9999*10-6Ф — в микрофарадах с обозначением единицы измерения строчными буквами “мк”.
| | | | |
Рис. П.4.9
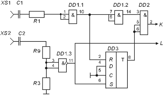
Принципиальная схема с обозначением элементов цифровой вычислительной техники показана на рис. П.4.10.
Рис. П.4.10
Упрощения на схеме. На схеме допускается изображать в виде прямоугольников логические элементы с n состояниями, а также элементы и устройства, не выполняющие в изделии логические функции, но применяемые в нем (например, аналоговые и аналого-цифровые элементы, диодные и резисторные сборки и т.д.). Непосредственное электрическое соединение выходов нескольких логических элементов в одну цепь (монтажная логика) допускается изображать на схеме в виде псевдоэлемента монтажной логики (рис. П.4.11).
| | |
Рис. П.4.11
В группе элементов, изображенных совмещенно и содержащих одинаковую информацию в основном поле условных графических обозначений (УГО), разрешается общую информацию помещать в первом (верхнем) элементе (рис. П.4.12).
| | |
Рис. П.4.12
Для уменьшения объема графических построений допускается применять упрощенное обозначение УГО, а также упрощенное изображение элементов и их связей. В схеме с повторяющимися однотипными элементами, имеющими большое число выводов одного функционального назначения, разрешается один элемент изображать полностью, а остальные повторять сокращенно. Линии связи при этом объединяют в одну групповую линию связи и указывают (в зоне сокращаемой группы) обозначения начала и конца первого и последнего вывода (рис. П.4.13).
Рис. П.4.13
Элементы (устройства, функциональные группы), входящие в изделие, на схеме должны иметь буквенные, буквенно-цифровые или цифровые обозначения.
Буквенные коды для указания функционального назначения элементов приведены в табл. П.4.2.
Таблица П.4.2
| Первая буква кода | Группа видов | Примеры видов элементов | Код |
| А | Устройства (общее обозначение) | Усилители, приборы телеуправления, лазеры, мазеры | |
| В | Преобразователи неэлектрических величин в электрические (кроме генераторов и источников питания) | Громкоговоритель Телефон Фотоэлемент Микрофон Датчик давления Пьезоэлемент Датчик частоты вращения (тахогенератор) Звукосниматель Датчик скорости | BA BF BL BM BP BQ BR BS BV |
| C | Конденсаторы | ||
| D | Схемы интегральные, микросборки | Схема интегральная Схема интегральная цифровая, логический элемент Устройства хранения | |
| E | Элементы разные | Лампа осветительная | EL |
| F | Разрядки, предохранители, устройства | Дискретный элемент защиты по току мгновенного действия Предохранитель плавкий | FU |
| G | Генераторы, источники питания, кварцевые осцилляторы | Батарея | GB |
| H | Устройства индикационные и сигнальные | Индикатор символьный Прибор световой сигнали-зации | HG HL |
| L | Катушки индуктивности, дроссели | Дроссель люминесцентного освещения | |
| M | Двигатели постоянного и переменного тока | ||
| P | Приборы, измерительное оборудование | Амперметр Счетчик импульсов Частотомер Омметр Вольтметр Ваттметр | PA PC PF PR PV PW |
| Q | Выключатели и разъединители в силовых цепях (энергоснабжения, питания оборудования и т.д.) | Выключатель Короткозамыкатель Разъединитель | QK QS |
| R | Резисторы | Терморезистор Потенциометр | RK RP |
| S | Устройства коммутационные в цепях управления, сигнализации и измерительных | Выключатель или Выключатель кнопочный Выключатель | SB |
| T | Трансформаторы, автотрансформаторы | Трансформатор тока Трансформатор напряжения | TA TV |
| V | Приборы электровакуумные и полупроводниковые | Диод, стабилитрон Прибор электровакуумный Транзистор Тиристор | VD VL VT VS |
| X | Соединения контактные | Токосъемник, контакт скользящий Штырь Гнездо Соединение разборное | XP XS XT |
ПРИЛОЖЕНИЕ 5
УСЛОВНЫЕ ГРАФИЧЕСКИЕ ОБОЗНАЧЕНИЯ В СХЕМАХ
Примеры построения наиболее используемых графических обозначений приведены в табл. П.5.1.
Коммутационные устройства на схемах должны быть изображены в положении, принятом за начальное, при котором пусковая система контактов обесточена.
На схемах рядом с УГО резистора (по возможности сверху или справа) указывают его условное буквенно-цифровое позиционное обозначение и номинальное сопротивление.
В непосредственной близости от УГО на схеме указывают условное буквенно-цифровое позиционное обозначение конденсатора и его номинальную емкость.
Условные графические обозначения функциональных частей устройств связи построены на основе квадрата, внутри которого изображают знаки, характеризующие их конструктивные особенности.
Таблица П.5.1
| Наименование | Обозначение |
| |
| |
| или |
| |
| |
| |
| или |
| |
| |
| |
| |
| |
| 0.05 Вт | |
| 0.125 Вт | |
| 0.25 Вт | |
| 0.5 Вт | |
| 1 Вт | |
| 2 Вт | |
| 5 Вт | |
| |
| |
| |
| |
| |
| |
| |
| |
| |
| |
| |
| |
| |
| |
| |
| |
| |
| |
| |
| |
| |
Элементы цифровой техники. УГО элементов цифровой техники строят на основе прямоугольника. В самом общем виде УГО может содержать основное и два дополнительных поля, расположенных по обе стороны от основного (рис. П.5.1).















