63160 (597578), страница 3
Текст из файла (страница 3)
ЭПТ - электротяга постоянного тока; ЭПРТ - электротяга переменного тока; AT - автономная (тепловозная) тяга; Р - равнинная местность; Х - холмистая местность; П - пересеченная местность; СП - сильнопересеченная местность; Г - горная местность; ДП - двух путный участок железной дороги; ОП - однопутный участок железной дороги;
ОС - очень сухая и слабо проводящая песчаная почва; относительная диэлектрическая проницаемость = 2,5; проводимость = 0,00001 См/м;
СБП - слабо проводящая почва - =4; = 0,001 См/м; СР - почва, средней проводимости =10; = 0,01 См/м; СПР - сильно проводящая почва - = 20; = 0,1 См/м;
ПП - почва с очень высокой проводимостью - = 4; = 1 См/м.
Таблица 1.3. Данные для расчета дальности гектометровой поездной радиосвязи
| Параметры | Предпоследняя цифра номера зачетной книжки | ||||||||||
| 0 | 1 | 2 | 3 | 4 | 5 | 6 | 7 | 8 | 9 | ||
| Количество тяговых подстанций на перегоне | 1 | 2 | 0 | 1 | 2 | 1 | 1 | 2 | 0 | 2 | |
| Количество разъединителей | 2 | 4 | 0 | 4 | 2 | 2 | 4 | 0 | 4 | 2 | |
| Количество трансформаторов: однофазных, трёхфазных | 10 1 | 15 2 | 20 3 | 12 2 | 15 3 | 12 0 | 12 0 | 18 2 | 17 2 | 15 0 | |
| Количество переходов: воздушных кабельных | 1 | 2 | 2 | 1 | 0 | 1 | 2 | 0 | 3 | 2 | |
| 1 | 2 | 2 | 1 | 0 | 1 | 3 | 2 | 2 | 1 | ||
| Длина фидера, направляющая линия - радиостанция, м | 50 | 100 | 200 | 250 | 300 | 75 | 150 | 400 | 400 | 300 | |
| Расстояние от направляющей линии до трансформатора, м | 7 | 5 | 15 | 10 | 13 | 14 | 12 | 8 | 9 | 11 | |
1.2 Проектирование поездной радиосвязи
При разработке проектов ПРС следует руководствоваться положением Правил организации и расчета сетей ПРС [6], типовыми проектными решениями и указаниями МПС [7].
В эксплуатационном и техническом отношениях ПРС должна строиться в виде самостоятельных участков, совмещенных с диспетчерскими кругами (участками). В качестве линейного канала ПРС используется специально выделенный проводной канал, соединяющий распорядительную станцию со всеми стационарными радиостанциями участка. Допускается совместное использование канала диспетчерской поездной связи.
Применяемые технические решения и аппаратура должны обеспечивать взаимный вызов и ведение переговоров: между диспетчером и машинистом любого поездного локомотива, находящегося в пределах диспетчерского участка; между дежурным по станции и машинистами локомотивов, находящихся на прилегающих к станции перегонах; между машинистами встречных и вслед идущих поездов на расстоянии не менее 3 км; между сигналистами, дежурными по переездам и работниками ремонтных и других подразделений, рассредоточенными вдоль пути следования, и машинистами поездных локомотивов. Выбор диапазона волн (ГМВ, MB, ДМВ) для ПРС определяется в первую очередь интенсивностью движения, способом управления перевозочным процессом на диспетчерском участке, степенью оснащенности линейных работников средствами радиосвязи, возможностью выделения проводных линейных каналов и другими конкретными факторами, например, характером местности (равнинная, холмистая, горная). Дальность уверенной радиосвязи между локомотивными и стационарными радиостанциями должна обеспечиваться на расстоянии не менее 10 км на участках со скоростным движением и не менее 6 км на остальных участках.
Кроме этого, должно выполняться условие
, (1.2)
где lур1 и lур2 - дальности уверенной связи между локомотивом и ближайшими стационарными радиостанциями, находящимися с противоположных сторон от локомотива, км;
lп - расстояние между соседними стационарными радиостанциями, км.
При этом под дальностью уверенной радиосвязи понимается максимальное расстояние, на котором обеспечивается качество связи не ниже удовлетворительного.
На перегонах большой протяженности, когда не удается выполнить условие (2) при установке стационарных радиостанций на промежуточных пунктах, следует устанавливать дополнительную радиостанцию, подключив ее к линейному проводному каналу поездного диспетчера, либо обеспечив дистанционное управление его со стороны ДСП соседних станций.
Для обеспечения работы проводного канала связи радиосети ПРС-С используются: распорядительная станция СР-34, устройство сопряжения УС-2/4; блоки управления постоянным током БУП, устройства обхода дуплексных усилителей ОУ-ДУ; стационарные радиостанции РС-6; вводно-защитные устройства ВЗУ. Избирательное подключение к каналам связи РС и вызов СР осуществляется с помощью двух частотных кодовых сигналов, обеспечивающих индивидуальный вызов до 28 абонентов.
В целях резервирования проводного канала поездной диспетчерской связи следует обеспечивать уверенную радиосвязь между соседними cтационарными радиостанциями.
Тот или иной способ передачи высокочастотной энергии должен выбираться на основе технико-экономического сравнения вариантов с учетом конкретных условий: вида тяги, длины перегонов, наличия скоростного движения поездов и т.д.
1.3 Расчет дальности связи в гектометровом диапазоне
При использовании антенн
При использование гектометрового диапазона волн передачу информации можно обеспечить излучением и приемом электромагнитных волн при помощи антенн. В этом случае рассчитать напряженность поля в точке приема по формулам Шулейкина - Ван-дер-Поля:
(мВ/м); (1.3)
;
. (1.4)
Здесь РА - мощность, подводимая к антенне в Вт;
- к. п. д. антенны; для стационарных Г-образных антенн
=0,25 для высоты подвеса 15 м, 0,38 - для 20 м, 0,49 - для 30 м; D=1,5 - коэффициент направленного действия антенны; l - расстояние в км до точки приёма; W - множитель ослабления, зависящий от расстояния и параметров почвы; - длина волны, м ( = 140,7 м для 2,13 МГц, = 139,4 м для 2,15 МГц); - проводимость почвы в См/м; - относительная диэлектрическая проницаемость почвы.
Для случая, когда токи проводимости много больше токов смещения, т.е. 60 >> , то
. (Последнее выражение для расстояния l в км). Для другого крайнего случая, когда токи смещения больше токов проводимости в почве 60 << ,
(последнее выражение для расстояния l в км).
Для значений
> 25 выражение принимает простой вид
.
Подводимая мощность зависит от длины фидера lф и затухания в устройстве согласования
су:
,
где Р - выходная мощность радиостанции, заданная в таблице; ф - погонное затухание в фидере на 1 м его длины, равно (0,7-0,8) 10-2 дБ/м, су= 1,5 дБ.
При проектировании ПРС для расчёта напряженности поля в середине участка в нашем случае достаточно взять дальность l в км, длину волны в м, проводимость и диэлектрическую проницаемость и по формулам (3) и (4) с учётом соотношений между токами проводимости и смещения рассчитать напряженность поля волны.
Для обеспечения уверенной связи необходимо, чтобы уровень напряженности поля для соответствующего участка железнодорожной линии был не меньше величин, приведенных на странице 10. При этом обеспечивается нормальное функционирование систем ПPC и отношение сигнал/помеха не менее 2.
Из этих соображений и необходимо рассчитывать дальность радиосвязи на перегоне в гектометровом диапазоне. Более подробно помехи описаны в [2, гл.2].
1.4 Расчет дальности связи в гектометровом диапазоне при использовании направляющих линий
Дальность уверенной радиосвязи, км, между стационарными и локомотивными радиостанциями при применении направляющих линий
, (1.5)
где Адоп - максимально допустимое затухание сигнала в радиотракте, дБ, (при одновременной работе на антенну и запитку волноводной линии затухание равно 145 дБ [6]);
- суммарные затухания соответственно в станционных, линейных и локомотивных устройствах поездной радиосвязи, дБ;
Апер -переходное затухание между направляющими проводами и локомотивной антенной, дБ (см. [2] § 5.4, и данные в табл.1.4);
αнп - постоянная затухания направляющих проводов на перегоне, дБ/км (см. [2] § 5.2, и данные в табл.1.4). Затухание сигнала в локомотивных устройствах определяется в основном к. п. д. согласующего устройства и составляет
= 2 дБ.
Суммарное затухание, дБ, на станционных устройствах радиосвязи в общем случае
, (1.6)
где ф - погонное затухание фидера; дБ/м; lф - длина фидера, соединяющего радиостанцию с согласующим устройством, м;
асу - затухание, вносимое согласующим устройством, равно 1,5 дБ;
η - к. п. д. индуктивного способа возбуждения направляющих проводов (см. рис. 5.12 в [2]) - изменяется от 1 при непосредственном присоединении к направляющим проводам до 0,4 при несогласовании нагрузки: для расчёта использовать значение 0,6);
a0 - концевое затухание (a0=5 дБ).
Концевое затухание учитывается только при возбуждении волноводного провода и проводов воздушной линии связи, так как при этом только часть мощности передатчика радиостанции передается межпроводной волной, распространяющейся с малым затухание и обеспечивающей радиосвязь на больших расстояниях.
Таблица 1.4
| Переходное и километрическое затухания Таблица 1.4 . Переходное затухание и километрическое затухание | ||
| Характеристики тракта | Апер, дБ | αнп, дБ/км |
| Противофазное возбуждение проводов ДПР, подвешенных с одной стороны пути Волноводный провод на участке с электрической тягой постоянного тока Синфазное возбуждение проводов ДПР, подвешенных с разных сторон пути Синфазное возбуждение проводов цветной цепи линии связи. Линия связи удалена от оси пути на 15 м | 38 32 32 45 | 1 -1,2 2-2,5 4,5 - 6 1,8-2,4 |
Суммарное затухание линии зависит от типа и количества линейных устройств на участке длиной lур:
, (1.7)
где
затухания, вносимые соответственно схемами высокочастотного обхода тяговой подстанции и нормально разомкнутого разъединителя, дБ (равны по 1 дБ, учитываются только для тех перегонов, на которых расположены подстанции и разъединители);
н - затухание, вызываемое нарушением однородности длины направляющих проводов, дБ; учитывается только при использовании линии ДПР, когда один из них переходит на противоположную сторону пути (н = 2,6 дБ);
п - затухание, вносимое изменением сторонности подвески направляющих проводов, дБ; при воздушном переходе провод п = 0,5 - 0,8 дБ, а при кабельном переходе с использованием согласующих контуров п = 2,2 дБ;
п - количество переходов направляющих проводов в пределах длины линии;
тр - затухание, вносимое силовым трансформатором в тракт передачи, дБ (при использование высокочастотных заградителей в месте отпая не должно превышать 0,1 дБ; при включении у силового трансформатора величина затухания изменяется от 0,2 дБ при удалении на 5 м до 0,9 дБ при15 м, автотрансформаторные пункты, установленные на линии 2х25 кВ вносят затухание 4 дБ);
т - число трансформаторов в пределах lур.
Так как
зависит от lур, то сначала определяют
для тех устройств, которые не зависят от lур, и по формуле (5) находим предварительное значение lур. Затем, определив п и m на длине lур, уточняют значение
и длину lур.
II. Расчет дальности ПРС в радиосетях диапазона метровых волн (160 МГц)
2.1 Базовые кривые распространения радиоволн
Расчет дальности поездной радиосвязи, работающей в диапазоне метровых волн, усложняется тем, что приходится учитывать рельеф местности, влияющий на условия распространения радиоволн. Расчет выполняется по базовым кривым распространения (рис.2.1), представляющим собой зависимости медианного значения напряженности поля Е2 от расстояния r между точкой приема и источником излучения по прямой линии.
Кривые приведены для следующих условий: h1h2=100м2-произведение высот установки стационарной и локомотивной антенн над поверхностью земли для кривых 1,2; для кривой 3 произведение высот для возимых антенн h1h2=25 м2; Р1=1Вт-мощность излучателя; G= 0 дБ - коэффициент усиления антенны излучателя по отношению к полуволновому вибратору; 1l1=0дБ - затухание в фидере, соединяющем излучатель с антенной; индекс преломления воздуха соответствует стандартной атмосфере (N=-40); Ккс=0 дБ коэффициент ослабления напряженности поля контактной сетью. Расстояние r отсчитывается по прямой линии.
Рис.2.1 Базовые кривые распространения
Кривая 1 соответствует случаю, когда направление распространения радиоволн совпадает с направлением трассы железной дороги, а кривая 2 - когда не совпадает, кривая 3 используется для расчета связи с локомотивами.
Под высотой установки стационарной антенны h1 понимается так называемая эффективная высота, которая представляет собой возвышение антенны над средним уровнем окружающей местности на расстоянии 0,5 км в направлении связи. Если антенна заслонена в направлении связи промышленными зданиями, жилой застройкой, находящимися на расстоянии 10 - 40 м от антенны, то эффективную высоту следует отсчитывать от верхнего уровня препятствия.
2.2 Типы трасс радиосвязи
Влияние рельефа местности учитывается типом трасс радиосвязи. Трассы поездной радиосвязи по характеру рельефа местности, по которой они проходят, подразделяются на пять типов. Каждому типу соответствует определенное значение коэффициента сложности трассы Кст, которое может колебаться в пределах от 1 до 5. Для более точного определения типа трассы по ее характеристикам введены (условно) понятия нулевого (Кст=0) и шестого (Кст=6) типа трассы.
Трасса типа 1 (равнинная, Кст=1) характеризуется невысокими холмами с глубиной закрытия трассы до 10 м и колебаниями уровня земной J поверхности не более 15 м. Трасса типа 2- (среднепересеченная, Кст=2) с колебаниями уровня не более 50 м. Она встречается в европейской части России, Сибири и в Казахстане.
Трасса типа 3 (легкая горная, Кст=3) промежуточная между холмистой и сложной горной.
Трасса типа 4 (сложная горная, Кст=4) является типичной для горной местности. Ее профиль характеризуется резкими колебаниями. Глубина закрытия трассы может достигать 60 м. Самая сложная трасса (тип 5, Кст=5) проходит в горной местности, где глубина закрытия трассы превышает 100 м.
Трассы, занимающие промежуточное положение между приведенными выше типами, характеризуются коэффициентами Кст, равными: 1,5; 2,5; 3,5; 4,5.
Тип трассы определяется по ее профилю, который строится на основании данных топографических карт. Для построения профилей трасс радиосвязи типов 1-3 используются карты с масштабом 1: 100000, а для трасс типов 4 и 5-1: 25000 или 1: 50000.
Каждый тип трассы при расчетах характеризуется коэффициентом аm, который учитывает отличие условий распространения радиоволн на конкретной трассе радиосвязи от условий, при которых снимались базовые кривые. Значения аТ для каждого типа трасс приведены ниже в табл.2.1
Таблица 2.1
| КСТ | 1 | 1,5 | 2 | 2,5 | 3 | 3,5 | 4 | 4,5 | 5 |
| аТ, дБ | 3,4 | 3,7 | 0 | -1,7 | -3,4 | -5,1 | -6,8 | -8,5 | -10,2 |
Уровень сигнала, дБ, на входе приемника подвижного объекта
U2 = Е2 +аТ +Bм +G1 +G2 +M - ф1l1 - ф2l2 - Кэ - Ккc-g2 - Ки - Кв - Км, (2.1)
где
Е2 - уровень напряженности поля, отсчитываемый по соответствующей
базовой кривой для заданного расстояния (рис.2.1);
аТ -коэффициент, учитывающий условия распространения для конкретного типа трассы (см. табл.2.1);
Вм - коэффициент, учитывающий отличие мощности передатчика от мощности 1 Вт; Вм = l0lgP1;
G1 и G2 - коэффициенты усиления передающей и приемной антенн;
М - высотный коэффициент, который учитывает отличие произведения высот установки антенн от 100 м2; М =201g (h1h2/100) дБ;
ф1l1 и ф2l2 - погонные затухания и длины антенных фидеров соответственно передатчика и приемника, дБ; ф1 и ф2 -0,08-0,23 дБ\м в зависимости от типа коаксиального кабеля.
Кэ-коэффициент экранирования, учитывает ослабление напряженности поля крышевым оборудованием подвижного объекта; Кэ. зависит от типа локомотива и места установки антенны на крыше; для тепловозов Кэ = 2 дБ, а для электроподвижного состава Кэ = 2,0 - 5,0 дБ;
Ккс - коэффициент ослабления напряженности поля контактной сетью, для однопутного участка Ккс = I дБ, для двухпутного Ккс = 2 дБ;
g2 - коэффициент, учитывающий трансформацию напряженности поля в пространстве к напряжению на разъеме приемной антенны, g2 = 10 дБ для антенно-фидерных систем с волновым сопротивлением 75 Ом и 12 дБ с волновым сопротивлением 50 Ом;
Ки, Км и Кв - вероятностные коэффициенты, которые учитывают флюктуации полезного сигнала вследствие явлений интерференции (Kи), изменения рельефа местности (Км) и изменения рефракции в тропосфере (Кв). В расчетах значения этих коэффициентов берутся при вероятности 0,9 с тем, чтобы обеспечить качество связи не ниже удовлетворительного. При этом КВ = 1,8 дБ; Ки = 5,0 дБ для электрифицированных и Ки = 1,5 дБ для неэлектрифицированных участков.
Коэффициент Км зависит от типа трассы, и его значения приведены ниже.
| Тип трассы радиосвязи | 1 | 2 | 3 | 4 | 5 |
| Км, дБ | 2,0 | 3,0 | 4,0 | 5,0 | 6,0 |
Дальность связи рассчитывается, исходя из условия U2U2min (где U2min-минимально допустимый уровень полезного сигнала, который необходимо обеспечить на входе приемника радиостанции в конкретных условиях эксплуатации радиосредств, чтобы получить требуемое качество связи). Значения U2min приведены в табл.2.2 Расчет ведется в такой последовательности: задается минимально допустимый уровень полезного сигнала U2min (см. табл.2.2); из формулы (2.1) определяется уровень напряженности поля Е2, считая U2 =U2min, по базовой кривой (см. рис.2.1) определяется дальность связи r. Для пересчета r к расстоянию вдоль железнодорожного пути следует использовать топографическую карту.
Для трасс радиосвязи типов 4 и 5 результаты расчетов являются ориентировочными. Поэтому они должны уточняться натурными измерениями.
Таблица 2.2. Минимально допустимый уровень полезного сигнала
| Условия эксплуатации радиосредств | U2min, дБ | |
| 66РТМ-А2-ЧМ | УПП2 | |
| Участок с тепловозной тягой | 4 | 2 |
| Участок, электрифицированный на постоянном токе при скорости движения, км/ч: | ||
| до 120 | 10 | 8 |
| более 120 | 14 | 12 |
| Участок, электрифицированный на переменном токе: | ||
| Европейская часть РФ (это же значение напряженности поля для Сибири при тепловозной тяге) | 18 | 14 |
| Казахстан, Сибирь | 15 | 12 |
2.3 Поправочные коэффициенты
Поправочные коэффициенты учитывают отличие параметров антенно-фидерных трактов, мощности передатчика и рельефа местности от условий, для которых приведены зависимости на рис.2.1
Коэффициент мощности, Дб
ВM=10lg (P/P1), (2.2)
учитывается отличие мощности передатчика P от мощности P1=1 Вт, (рис.2.2). Высотный коэффициент М, дБ
M=20lg (h1h2/100), (2.3)
учитывает отличие произведения высот установки антенн от 100 м2 (рис.2.3) и используется при расчетах по кривым 1 и 2 (см. рис.2.1).
Затухание, вносимое фидером стационарной радиостанции: 1l1, дБ, где 1 -постоянная затухания фидера дБ/м; l1 - длина фидера, м; выбирается из табл.1.2, исходя из мест установки антенны и радиостанции.
Затухание, вносимое фидером приемного устройства - 2l2, дБ, где 2 - постоянная затухания фидера приемного устройства, дБ/м; l2 - длина фидера приемного устройства, м (табл.1.2).
Преобразование напряженности поля ВЧ сигнала в напряжение в точке соединения приемной антенны с фидером учитывается коэффициентом g2, который равен 0,1 дБ для фидера с волновым сопротивлением 75 Ом и 0,12 дБ -для фидера волновым сопротивлением 50 Ом.
Направленные свойства передающей и приемной антенн учитываются при расчете коэффициентами усиления соответственно G1 и G2 (по отношению к полуволновому вибратору). Значения коэффициентов усиления стационарных антенн приведены в приложении 2, коэффициент усиления возимых антенн равен нулю.
Коэффициент экранирования Кэ учитывает ослабление напряженности поля, вызванное влиянием металлической крыши и наличием в месте расположения возимой антенны различного оборудования. Значения Кэ для антенн радиостанций ЖРУ и "Транспорт" приведены в таблице 2.3
2.4 Вероятностные коэффициенты, учитывающие флуктуации сигнала
При расчетах высокочастотного тракта канала используются поправочные коэффициенты, которые учитывают пространственные и временные флуктуации напряженности поля, вызванные интерференцией падающих и отраженных волн, волнистостью земной поверхности и изменениями состояния атмосферы. Коэффициенты КИ учитывают наличие интерференционных волн в пространстве.
Коэффициенты КМ учитывают медленные колебания напряженности поля вследствие изменения рельефа местности. Коэффициенты КВ учитывают колебания напряженности поля (суточные и сезонные) из-за изменения рефракции в тропосфере. В расчетах значения этих коэффициентов берутся на вероятностном уровне 90% с тем, чтобы обеспечить качество связи не хуже удовлетворительного.
Таблица 2.3
| Значения коэффициента экранирования Кэ возимой антенны | |||||
| Подвижный объект | Место расположения антенны на крыше объекта | Кэ, дБ, антенн | |||
| /4- петлевого вибратора | Низко распло-женной АЛ/2 | Диско-конусн. АЛ/2,3 (ШИ2.091. 302) | Штыревой АМ/2 | ||
| Электровозы: | |||||
| А) переменного тока | Над прожектором | 4 | 8 | 3 | - |
| В середине секции | 5 | 8 | 3 | - | |
| Б) постоянного тока | Над прожектором | 3 | 6 | 2 | - |
| В середине секции | |||||
| Тепловозы | 2 | 2,5 | 0 | - | |
| Электро- и дизель поезда | На крыше головного вагона | 2 | 2.5 | 0 | - |
| Дрезины и авто-мотрисы | В свободной части металлической крыши | 2 | 2 | 0 | 2 |
| Вблизи экранирующих предметов | 8 | 8 | 8 | 8 | |
| Вагоны | 0 | 2 | 0 | 2 | |
Рис. 2.2 График для определения поправочного коэффициента Вм
Рис.2.3 График для определения поправочного коэффициента М
При этом КВ= 1,8 дБ; КИ = 5 дБ для электрифицированных - и КИ = 1,5 дБ для не электрифицированных участков. Значения КМ приведены ниже.
| Тип трассы | 1 | 1,5 | 2 | 2,5 | 3 | 3,5 | 4 | 4.5 | 5 |
| КМ, Дб | 2 | 2.5 | 3 | 3,5 | 4 | 4,5 | 5 | 5,5 | 6 |
Значения КИ, КВ и КМ для других вероятностных уровней представлены в виде кривых на рис.2.4 и 2.5 соответственно (на рис.2.4 кривая 1, для электрифицированных, 2 - для не электрифицированных участков; на рис.2.5 номера кривых соответствуют типу трассы).
Рис. 2.4 Зависимости коэффициентов КИ и КВ от вероятностных уровней
2.5 Минимально допустимый уровень полезного сигнала (U2 мин) на входе приемника возимой радиостанции
Значения u2 мин, которые следует использовать при расчетах, приведены в табл.2.2
На участках с электрической тягой переменного тока и с автономной тягой значения u2 мин соответствуют данным, указанным в табл.2.2
Примечание: для всех подвижных единиц, не связанных с контактной сетью, на электрифицированных участках постоянного тока u2 мин соответствуют данным, указанным в табл.2.2
Рис.2.5 Зависимости коэффициента Км от типов трасс и вероятностных уровней
2.6 Расчет дальности связи между стационарной и возимой радиостанциями
При расчете радиоканала ПРС дальность связи определяется в направлении от стационарной радиостанции к радиостанции подвижного объекта, поскольку условия приема сигналов на подвижном объекте значительно хуже, чем на стационаре из-за более высокого уровня помех.
Уровень сигнала, дБ, на входе приемника возимой радиостанции
u2= E2 + aт + ВМ +G1 + G2 + M - 1l1 - 2l2 - KЭ - KКС - g2 - KИ - KВ - KМ, (2.4)
где E2 - напряженность поля, отсчитываемая по соответствующей базовой кривой распространения для заданного расстояния (см. рис.2.1), мкВ/м; KКС - коэффициент ослабления напряженности поля контактной сетью; для однопутного участка KКС = 1дБ, для двухпутного KКС = 2дБ.
Значения других членов уравнения приведены выше (индексы 1 и 2 означают принадлежность к передающей и приемной радиостанциям соответственно).
Дальность связи "Стационар - локомотив" рассчитывается, исходя из условия u2 u2 мин в такой последовательности:
задается минимально допустимое напряжение полезного сигнала на входе приемника возимой радиостанции (см. табл.2.2);
из формулы (2.1) определяется значение напряженности поля E2, считая
u2 = u2 мин:
E2= u2 - aт - ВМ - G1 - G2 - M + 1l1 + 2l2 + KЭ + KКС + g2 + KИ + KВ + KМ;
3) по найденному значению E2 и базовым кривым 1 и 2 (см. рис.2.1) определяется дальность связи r. Расстояние r отсчитывается по прямой линии. Для пересчета к расстоянию вдоль железнодорожного пути следует пользоваться топографической картой, особенности расчета приведены в приложении 3.
Для трасс радиосвязи типов 4 и 5 результаты расчетов являются ориентировочными. Поэтому они должны уточняться в результате натурных измерений.
2.7 Расчет высоты установки стационарной антенны
Высота стационарной антенны определяется в таком порядке:
задается u2 мин на входе приемника возимой радиостанции (см. табл.2.2);
исходя из заданной дальности связи, определяется необходимая напряженность поля E2 по базовым кривым 1 и 2 (см. рис.2.1);
по формуле (2.4) вычисляется значение коэффициента М при заданном u2 = u2 мин;
по формуле (2.3) при заданной высоте h2 установки возимой антенны вычисляется высота установки стационарной антенны.
2.8 Расчет дальности связи между локомотивами
Для расчета дальности связи между локомотивами используется базовая кривая 3 (см. рис.2.1) для высот установки возимых антенн 5 м. Особенность расчета заключается в том, что тип трассы радиосвязи постоянно меняется при движении локомотива в пределах рассматриваемого участка железной дороги. Поэтому следует ориентироваться на такой тип трассы, который является наиболее сложным для данной местности.
Напряжение сигнала на входе приемника возимой радиостанции определяется по формуле (2.4) при условии, что параметры передающего и приемного антенно-фидерных трактов одинаковы:
u2= E2 + aт + ВМ + 2 G2 + M - 2 2l2 - 2KЭ - KКС - g2 - KИ - KВ - KМ. (2.5)
Коэффициент М = 0, так как высоты установки антенн в реальных условиях не отличаются от высот, для которых построена базовая кривая 3 (см. рис. 2.1). Коэффициент KКС исключен, поскольку антенны располагаются ниже уровня контактной сети.
Методика расчета дальности связи меду локомотивами аналогична методике расчета канала "Стационар - локомотив".
2.9 Расчет координационного расстояния
Для определения координационного расстояния rкрд (минимально необходимого расстояния между стационарными радиостанциями, при котором исключается их взаимное влияние друг на друга в случае работы на одной частоте) вычисляется напряженность электромагнитного поля мешающего сигнала
Е2 = uпор - ВМ -M - G1 - G2 + 1l1 + 2l2 - KИ -КВ + g2, (2.6)
где uпор - максимально допустимый уровень мешающего сигнала, дБ (принимается равным минус 10 дБ, т.е.0,3 мкВ).
| Рис.2.6 Базовая кривая распространения для больших расстояний |
|
В выражении (2.6) значение KИ принимается равным 0,6 дБ, а KВ = 2 дБ. По найденному значению напряженности поля Е2 и кривой распространения (рис.2.6) определяется координационное расстояние rкрд между радиостанциями.
2.10 Расчет дальности связи между носимой и возимой радиостанциями
Расчет дальности связи между носимой и возимой радиостанциями производится в соответствии с методическими указаниями по расчету системы станционной радиосвязи от 31.07.89 [7].
2.11 Расчет дальности связи в радиосетях ЛБК
Расчет дальности связи в радиосетях ЛБК сводится к расчету дальности между радиостанцией РВ-2 начальника пассажирского поезда и станционной радиостанцией РС-4, подключенной к проводному каналу ЛБК. Расчет выполняется по методике, изложенной в п. п.2.6 - 2.8 настоящего пособия. При этом значение u2 мин принимается равным 2 дБ на участках с автономной тягой, 5 дБ - на участках на участках с электротягой постоянного тока и 14 дБ - на участках с электротягой переменного тока.
Цель расчета заключается в выборе параметров антенно-фидерного тракта (тип стационарной антенны, высота ее установки и тип коаксиального кабеля) для обеспечения протяженности зоны уверенной связи не менее 15 км. В качестве стационарных антенн для большинства трасс радиосвязи следует применять направленные антенны: АС-4/2, AC-5/2, AC-6/2. На участках с автономной тягой и при равнинной местности требуемая дальность связи может быть обеспечена и при применении простейшей ненаправленной антенны АС-1/2.
При расчетах следует учитывать, что возимая радиостанция может иметь низко расположенную антенну АЛ/2 или дискоконусную антенну АЛП/2,3 (ШИ2.091.302). Для первой антенны коэффициент экранирования КЭ = 2 дБ, а для второй - КЭ = 0 дБ; высота установки антенн h2 = 5 м.
III. Расчет дальности связи в радиосетях поездной радиосвязи диапазона дециметровых волн (330 МГЦ)
3.1 Базовые кривые распространения радиоволн
Дальность связи между радиостанциями рассчитывается на основе базовых кривых распространения сигналов в диапазоне 330 МГц [7] (рис.3.1), представляющих собой графические зависимости медианного значения напряженности электромагнитного поля Е2 (превышает 50% по месту и времени) от расстояния r.
Кривые распространения приведены для следующих условий: h1h2=100м2; Р1=1Вт; G1= 0 дБ; l1= 0 м; Кэ= 0дБ. Абсолютные значения напряженности поля и напряжения выражены по отношению к 1 мкВ/м и 1 мкВ. При расчете канала "Стационар - локомотив" индекс 1 относится к стационарной (передающей) радиостанции, индекс 2 - к возимой (приемной) радиостанции.
3.2 Расчетные коэффициенты
Поправочные коэффициенты учитывают отличие параметров антенно-фидерных трактов, мощности передатчика и высот у установки антенн от условий, для которых приведены кривые (см. рис.3.1).
Коэффициент Вм определяется по формуле (2.1) или из графика (см. рис 2.2).
Затухание, вносимое фидером стационарной радиостанции, учитывается коэффициентом 1l1, а затухание, вносимое фидером локомотивной радиостанции, коэффициентом 2l2.
Преобразователь напряженности поля ВЧ сигнала в напряжение в точке соединения приемной антенны с фидером учитывается коэффициентом g2, который равен 0,1 дБ для фидера сопротивлением 75 Ом и 0,18 дБ - для фидера 50 Ом.
Направленные свойства передающей и приемной антенн учитываются при расчетах их коэффициентами усиления G1 и G2 (по отношению к полуволновому вибратору). Значения коэффициентов усиления стационарных антенн приведены в приложении 2; коэффициенты возимых антенн равны нулю.
Коэффициенты КЭ и ККС (см. п.2.2) для диапазона 330 МГц равны нулю и не учитываются.
Вероятностные коэффициенты. При расчете высокочастотного тракта канала используются вероятностные коэффициенты, которые учитывают пространственные и временные флуктуации напряженности поля, - КИ, КВ, КН. В расчетах применяются следующие значения этих коэффициентов: КИ= 4 дБ - для электрифицированных участков; КИ= 2 дБ - для неэлектрифицированных участков; КМ= 2 дБ - для типа 2 трассы; КМ=3 дБ - для типа 3 трассы; КМ= 4 дБ - для типа 4 и 5 трассы.
3.3 Минимально допустимый уровень полезного сигнала (u2 мин) на входе приемника возимой радиостанции
Для получения качества технологических связей не хуже удовлетворительного необходимо, чтобы уровень ВЧ сигнала был не менее минимально допустимого (u2 мин).
Значение u2 мин, которое следует использовать при расчетах для различных условий эксплуатации радиосредств, для неэлектрифицированных участков равно 2, для электрифицированных постоянного тока - 6, для электрифицированных переменного тока - 10 дБ.
Кривые 1 - 4 распространения приведены для четырех типов трасс радиосвязи, проходящих по равнинной (тип 1), среднепересеченной (тип2), горной (тип 3) и горной повышенной сложности (типы 4 и 5) местности. Тип трассы определяется аналогично описанному для УКВ диапазона.
3.4 Расчет дальности поездной радиосвязи
При расчете радиоканала ПРС дальность связи определяется в направлении от стационарной радиостанции к радиостанции подвижного объекта, поскольку условия приема на подвижном объекте значительно хуже, чем на стационаре из-за более высокого уровня радиопомех. При этом уровень сигнала на входе приемника возимой радиостанции
u2= E2 + ВМ +G1 + G2 + M - 1l1 - 2l2 - g2 - KИ - KВ - KМ. (3.1)
Расчет дальности связи "Стационар - локомотив" производится, исходя из условий u2 u2 мин. Расчет производится в следующем порядке:
задается u2 мин на входе приемника возимой радиостанции (см. п.3.3);
по вышеприведенной формуле (3.1) определяется значение уровня напряженности поля E2 при u2 = u2 мин;
по базовым кривым (см. рис.3.1) определяется дальность связи r.
3.5 Расчет высоты установки стационарной антенны
Методика расчета высоты установки стационарной антенны для обеспечения заданной дальности связи заключается в следующем:
задается минимально допустимый уровень напряжения (u2 мин) на входе приемника возимой радиостанции (см. табл.2.1);
исходя из заданной дальности связи, определяется необходимая напряженность поля E2 по базовым кривым 1 и 2 (см. рис.3.1);
из формулы (3.1) вычисляется значение высотного коэффициента М при заданном u2 = u2 мин;
по формуле (2.3) при заданной высоте h2 установки возимой антенны (h2 = 5 м) вычисляется высота установки стационарной антенны h1.
Высота установки антенны реализуется на основании технико-экономических возможностей конкретного предприятия.
IV. Программа расчета дальности поездной радиосвязи
Для расчета дальности связи можно воспользоваться компьютерной программой, которая описана в учебнике под редакцией Г.В. Горелова "Телекоммуникационные технологии на ж. д. транспорте" с.470 - 504 [4]. Программа размещена на компьютерах аудитории Д-810.
4.1 Инструкция для проведения расчетов
Для проведения вычислений используется программа MS-DOS QBasic (Version 1.0) Copyright © Microsoft Corporation (1987-1991).
В MS-DOS (например, в Far) при запуске программы gbasic. exe (которая записана на данной дискете) откроется окно программы: при нажатии Enter - руководство по пользованию программой QBasic, при нажатии Esc - диалоговый режим для проведения расчетов, далее при нажатии кнопки File, затем Open на экране появятся все программы с расширением (*. bas). Выберите нужную программу и запустите ее на счет командой Run и Start, в результате этих действий должно появиться черное диалоговое окно. Программа на определенных этапах выполнения будет обращаться с вопросами и пояснениями к пользователю.
Пакет программ содержит четыре программы:
Программа расчета дальности связи в радиосетях ПРС-С в метровом диапазоне радиоволн - MW. bas (18.183 кБ),
Программа расчета сетей станционной радиосвязи СРС в метровом диапазоне радиоволн - SRCMW. bas (8.065 кБ).
Программа определения высоты установки стационарной антенны в дециметровом диапазоне радиоволн - DmW. bas (3.375 кБ),
Программа расчета сетей ПРС в гектометровом диапазоне радиоволн - GmW. bas (8.290 кБ).
Библиографический список
-
Художитков П.И., Золотых О.В. Системы железнодорожной связи. - Екатеринбург: УрГУПС, 1993. - 15 с.
-
Ваванов В.В. и др. Радиотехнические средства ж. д. транспорта. - М.: Транспорт, 1991. - 303 с.
-
Волков В.М., Головин ЭЛ., Кудряшов В.А. Электрическая связь и радио на ж. д. транспорте. - М.: Транспорт, 1991. - Гл.24,25. - 311 с.
-
Телекоммуникационные технологии на ж. д. транспорте / Под ред. Г.В. Горелова - М.: Транспорт, 1999. - Гл.15. - 576 с.
-
Долуханов Н.П. Распространение радиоволн. - М.: Связь, 1972. - 336 с.
-
Правила организации и расчета сетей поездной радиосвязи. - М.: Транспорт, 1991. - 94 с.
-
Методические указания по расчету системы станционной радиосвязи. - М.: Транспорт, 1991. - 46 с.
Приложения
Приложение 1
П.1.1 Высокочастотные заградители
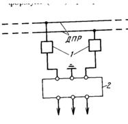
В тех местах, где нужно преградить путь токам высокой частоты, используются высокочастотные заградители. В качестве примера на рис. П.1.2 приведена схема включения заградителей 1 в провода ответвлений, идущих от проводов ДПР к высоковольтному трехфазному трансформатору 2. Заградители должны иметь большое сопротивление для токов высокой частоты (не менее 5 кОм) и небольшое сопротивление для тока промышленной частоты, зависящее от потребляемого нагрузкой тока. Этим требованиям лучше всего удовлетворяет параллельный контур, настроенный на частоту поездной радиосвязи.
Выпускаются два типа высокочастотных заградителей для поездной радиосвязи: ЗК-4 и СК-6, получивших название запирающих контуров. Их схема приведена на рис. П.1.1 Они настраиваются подстроечным конденсатором С1, подключенным параллельно конденсатору С 2 постоянной емкости. Размеры контуров одинаковы, а отличие их состоит в том, что катушка контура ЗК-4 выполнена из сталемедного провода диаметром 4 мм, а контура СК-6-из медного провода диаметром 6 мм. Поэтому предельно допустимый ток нагрузки для ЗК-4 равен 25 А, а для СК-6 - 100 А. Контур СК-6 имеет еще и дополнительный ввод 3, подключенный к ползунку, который можно перемещать вдоль катушки и подключать его к различному числу витков ее. Благодаря этому контур СК-6 может использоваться в ряде случаев и как согласующее устройство.
П.1.2 Схемы высокочастотного обхода и высокочастотные перемычки
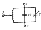
В местах расположения тяговых подстанций и нормально разомкнутых разъединителей приходится применять схемы высокочастотного обхода их (или высокочастотных перемычек), так как непрерывность высоковольтных проводов, используемых в качестве направляющих, в таких местах нарушается. В самом простейшем виде схема высокочастотной перемычки для разъединителя приведена на рис. П.1.3 Она состоит из высоковольтных конденсаторов С, включенных в обход разрыва каждого из проводов ДПР, а средняя точка между ними заземляется на рельс через заградительный контур ЗК-4 (СК-6), что полностью устраняет связь между разомкнутыми концами проводов ДПР для токов промышленной частоты и не нарушает условий прохождения высокочастотных сигналов через разомкнутый разъединитель.
Рис. П.1.3 Схема обхода разъединителя
Несколько сложнее осуществляется высокочастотный обход тяговой подстанции (рис.4), где линии ДПР противоположных направлений подключаются не к общему, а к различным трансформаторам. Здесь, кроме установки конденсаторов С, приходится подвешивать отрезок соединительной линии l, а в каждый из проводов фидера ДПР включать контуры СК-6 во избежание возможности утечки высокочастотных токов в тяговую подстанцию.
Рис. П.1.4 Схема обхода трансформаторной подстанции
Для этой цели вместо контуров могут быть применены отрезки однопроводных линий длиной 0,25 (как это показано на рассматриваемом рисунке) с правой стороны. Применение такого способа возможно, если расстояние от железнодорожного полотна до трансформатора тяговой подстанции превышает 0,25. Контуры СК-6, включенные между каждым из проводов соединительной линии и рельсом, выполняют ту же функцию, что контуры ЗК-4 в схеме на рис. П.1.3
Если провода соединительной линии не представляется возможным подвесить на опорах контактной сети в зоне расположения питающих фидеров тяговой подстанции, то вместо воздушной линии применяют коаксиальный кабель, а связь между ним и проводами ДПР (рис. П.1.5) осуществляют индуктивным способом с применением четвертьволновых отрезков двухпроводных линий 2 и согласующих устройств СУ1 и СУ2. Их настраивают в резонанс на частоту поездной радиосвязи и обеспечивают согласование входных сопротивлений возбуждающих линий 2 с волновым сопротивлением кабеля 3.
Рис. П.1.5 Схема обхода тяговой подстанции
Приложение 2
П.2.1 Определение коэффициента усиления стационарных антенн диапазонов 160 и 330 Мгц в зависимости от формы диаграммы направленности
Для расчетов дальности радиосвязи на участках со сложным планом железнодорожного пути рекомендуется пользоваться значениями коэффициентов усиления антенн G, соответствующих направлению передачи сигнала между стационарной радиостанцией и локомотивом. Величина G зависит от угла между направлением основного излучения антенны и направлением связи в каждом конкретном случае.
Значения коэффициентов усиления G для стационарных направленных антенн "Транспорт" диапазона 160 и 330 МГц приведены в табл. П.2.1 и П.2.2
Таблица П.2.1
| , град | Коэффициент G для антенн | |||
| АС-2/2 | АС-3/2 | АС-4/2 | АС-6/2 | |
| 0 | 3 | 8 | 4; 4 | 4 |
| 15 | 3 | 7 | 3; 3 | 3 |
| 30 | 2 | 3 | 0; 0 | 0.5 |
| 45 | 2 | -1 | -4; - 4 | -2 |
| 60 | 1 | -7 | -6; 0 | -10 |
| 75 | 0 | -11 | -10; 3 | -20 |
| 90 | -1 | -16 | -20; 4 | -12 |
| 105 | -4 | -14 | -10; 3 | -20 |
| 120 | -6 | -11 | -6; 0 | -10 |
| 135 | -8 | -11 | -4; - 4 | -2 |
| 150 | -9 | -15 | 0; - 8 | 0,5 |
| 165 | -9 | -22 | 3; - 10 | 3 |
| 180 | -10 | -21 | 4; - 16 | 4 |
| 195 | -9 | -22 | 3; - 18 | 3 |
| 210 | -9 | -15 | 0; - 18 | 0,5 |
| 225 | -8 | -11 | -4; - 18 | -2 |
| 240 | -6 | -11 | -6; - 18 | -10 |
| 255 | -4 | -14 | -10; - 18 | -20 |
| 270 | -1 | -16 | -20; - 16 | -12 |
| 285 | 0 | -11 | -10; - 10 | -20 |
| 300 | 1 | -7 | -6; - 8 | -10 |
| 315 | 2 | -1 | -4; - 4 | -2 |
| 330 | 2 | 3 | 0; 0 | 0,5 |
| 345 | 3 | 7 | 3; 3 | 3 |
| 360 | 3 | 8 | 4; 4 | 4 |
( Приведены данные при угле между направлениями максимального излучения антенны АС-4/2, равном 180 и 90 соответственно).
Таблица П.2.2
| , град | Коэффициент G для антенн | ||
| АС-2/3 | АС-3/3 | АС-4/3 | |
| 0 | 3 | 8 | 5; 5 |
| 15 | 2 | 6,5 | 3; 3 |
| 30 | 1,5 | 2,5 | 0; 0 |
| 45 | 0,5 | -4 | -7; - 7 |
| 60 | -2 | -6 | -11; 0 |
| 75 | -3 | -12 | -13; 3 |
| 90 | -7 | -14 | -15; 5 |
| 105 | -13 | -15 | -13; 3 |
| 120 | -17 | -19 | -11; 0 |
| 135 | -17 | -19 | -7; - 7 |
| 150 | -17 | -19 | 0; - 13 |
| 165 | -13 | -19 | 3; - 15 |
| , град | Коэффициент G для антенн | ||
| АС-2/3 | АС-3/3 | АС-4/3 | |
| 180 | -13 | -19 | 5; - 17 |
| 195 | -13 | -19 | 3; - 19 |
| 210 | -17 | -19 | 0; - 19 |
| 225 | -17 | -19 | -7; - 19 |
| 240 | -17 | -19 | -11; - 19 |
| 255 | -13 | -15 | -13; - 19 |
| 270 | -7 | -14 | -20; - 16 |
| 285 | -3 | -12 | -13; - 15 |
| 300 | -2 | -6 | -11; - 13 |
| 315 | 0,5 | -4 | -7; - 7 |
| 330 | 1,5 | 2,5 | 0; 0 |
| 345 | 2 | 6,5 | 3; 3 |
| 360 | 3 | 8 | 5; 5 |
( Приведены данные при угле между направлениями максимального излучения антенны АС-4/3, равном 180 и 90 соответственно).
Приложение 3
П.3.1 Особенности расчета
Дальность связи от стационара в сторону локомотива можно рассчитывать разными методами.
Первый метод. Для всех трасс радиосвязи, идущих от стационарной радиостанции в сторону рассматриваемого перегона, принимается один и тот же тип сложности трассы, причем последний определяется по наихудшим условиям распространения радиоволн, исходя из результатов натурного обследования местности или изучения топографических карт. Этот метод применим тогда, когда с удалением от стационарной радиостанции рельеф местности усложняется. Такой подход приводит к получению заниженных уровней сигнала на небольших расстояниях по сравнению с действительными значениями, что не является недостатком используемого метода, поскольку не ведет к снижению надежности связи.
Второй метод. Типы трасс радиосвязи, используемые в расчете, определяются конкретно по профилю трасс для выбранных точек приема на рассматриваемом перегоне. Поэтому расчет уровня сигнала вдоль перегона получается более точным. Этот метод применим независимо от того, как изменяется сложность трассы радиосвязи при удалении от стационарной радиостанции в сторону рассматриваемого перегона; трасса радиосвязи может быть сложной, становится более легкой на каком-то участке перегона и снова усложняется.
При расчете уровня сигнала и дальности связи этим методом нужно учесть следующее обстоятельство. Профили трасс радиосвязи не могут быть построены по топографической карте для всех точек перегона. Для тех точек, которые имеют профили трассы, расчет получается точным. Для промежуточных точек, для которых профили трасс не построены, нужно исходить из более сложного типа трассы. Последний выбирается из двух типов, соответствующих соседним точкам с известными профилями трасс.
Основная погрешность (ошибка) расчета получается вследствие неправильного выбора принадлежности трассы к данному типу, при этом ошибиться можно не более чем на один тип трассы. Максимальная ошибка по дальности связи может составлять 1 - 2 км в горной местности и 3 - 4 км на равнинных и холмистых участках железных дорог.
Следует обратить внимание еще на тот факт, что дополнительное затухание имеет место, если стационарная антенна установлена на одном уровне или ниже контактной сети. За счет этого реальный уровень сигнала получается ниже рассчитанного. Чтобы исключить это нежелательное явление, высота установки стационарных антенн должна быть более высоты опор контактной сети.
П.3.2 Порядок проведения расчета дальности связи
По топографической карте в направлении связи выбирается несколько точек, находящихся на пути следования подвижного объекта, причем эти точки должны лежать на трассах радиосвязи, наиболее сложных по профилю. Обязательно берутся самые удаленные по азимуту точки, а также точки на кривых участках пути. Число выбранных точек зависит от сложности трассы радиосвязи и длины перегона: от двух точек - на равнинных перегонах, до восьми - на сложных горных перегонах. Выбор точек выполняется в обе стороны от места установки стационарной радиостанции. Для этих точек строятся профили трасс радиосвязи. Рекомендуется для одного перегона строить профили трасс в порядке увеличения расстояний от станций. Следует заметить, что профили строятся по прямой линии, соединяющей стационарную радиостанцию с искомой точкой на перегоне, а не вдоль трассы по железной дороги. По профилю трассы определяется ее тип (см. п.2.2). Сначала определяется тип трассы в отдельности по каждому из пяти критериев, затем вычисляется их среднее значение, которое и является окончательным типом трассы. Полученное среднее значение типа трассы округляется с погрешностью 0,5. При принятии решения об окончательном типе трассы следует остановиться на более сложном.
По заданным условиям определяются все необходимые поправочные коэффициенты, указанные в формуле (2.4). Для упрощения расчетов кривые распространения представлены в табличной форме (табл. П.3.1) в виде зависимости Е2 от расстояния через интервал в 2 км.
Затем по формуле (2.4) рассчитывается уровень сигнала u2 вдоль перегона через каждые 2 км, а также для тех точек, для которых построены профили трасс радиосвязи.
По результатам расчета строятся график u2 = f (r), на котором откладывается u2 мин. Дальность связи определяется по графику как расстояние от стационарной радиостанции до точки пересечения кривой u2 = f (r) с линией u2 мин. Пересчет расстояния по прямой линии к расстоянию вдоль железнодорожного пути выполняется по топографической карте.
Таблица П.3.1
| Расстояние, км по прямой линии | Значения напряженности поля Е2, дБ, по кривым (см. рис.2.1) | ||
| 1 | 2 | 3 | |
| 1 | 74 | 70 | 62,5 |
| 2 | 62,1 | 56,7 | 48 |
| 4 | 50,2 | 43,4 | 33,3 |
| 6 | 43,2 | 35,6 | 24,8 |
| 8 | 38,2 | 30 | 18,7 |
| 10 | 34,5 | 25,8 | 14 |
| 12 | 31,2 | 22,3 | 10,8 |
| 14 | 28,6 | 19,3 | 8,1 |
| 16 | 26,3 | 16,7 | 5,8 |
| 18 | 24,3 | 14,5 | 3,8 |
| 20 | 22,5 | 12,5 | 2 |
| 22 | 20,8 | 10,6 | - |
| Расстояние, км по прямой линии | Значения напряженности поля Е2, дБ, по кривым (см. рис.2.1) | ||
| 1 | 2 | 3 | |
| 24 | 19,3 | 9 | - |
| 26 | 17,9 | 7,4 | - |
| 28 | 16,6 | 6 | - |
| 30 | 15,5 | 4,7 | - |
Дальность связи можно определить и без построения графика уровня сигнала вдоль перегона. Для этого из формулы (2.4) нужно определить значение напряженности поля Е2 при u2 = u2 мин; затем по графику (рис.2.1) или по табл. П.3.1 находится расстояние, которое и будет являться дальностью связи.
















