62415 (597561), страница 3
Текст из файла (страница 3)
Кроме двоичных счетчиков часто используются десятичные, которые можно построить из двоичного счетчика и дешифратора (рис.6B). Шифраторы и дешифраторы применяются для преобразования код-код.
Тормозные режимы ДПТ: виды, характеристики. Изменение направления вращения.
При использовании и электроприводе постоянного токе двигателя с независимым возбуждением (напряжение возбуждения Uv ток вочзбждения /„, сопротивление обмотки возбуждения Rв (рис. 3.3, а) уравнение электромеханической характеристики w(I) получитcz подстановкой (3.2) в (3.3) и решением относительно w:
w=(U –IR)/КФ
Механическую характеристику ш(Л/) получим, подставив в (3.4) ток, выраженный из (3.1):
При заданных U, Ф и R уравнения (3.4) и (3.5) однозначно определяют связь между w, I и М в любых режимах. Характеристики w(M) и w(I)— это прямые линии, проходящие через две характерные точки: М= О, w=w0 и w=0, I = Iк з, М = Мкзк при Ф = const они различаются лишь масштабами по оси абсцисс.
Рис.3.3. Схема двигателя постоянного тока независимого возбуждения (а) и ме-«иническис (электромеханические) характеристики при U= const (б)
Скорость w0 = U)/КФ (рис. 3.3, б) соответствует режиму идеального холостого хода: M = 0,E=U направлены встречно. ,. Величина ∆w=MR/(KФ)² — перепад скорости под влиянием нагрузки.
Увеличив нагрузку при определенных условиях, которые рассматриваются ниже, можно прийти к режиму короткого замыкания w=0
I= U/R = Iк.з М=kФIк.з+Мк.з
При изменении полярности U характеристика займет положение, показанное на рис. 3.3 б штриховой линией.
Участки характеристики между точками w0 и Мк.з, где знаки w и М совпадают, соответствуют, как было условлено ранее, двигательным режимам работы; участки с разными знаками w и М — тормозным режимам.
Тормозные режимы — это генераторные режимы, поскольку механическая энергия, поступившая с вала машины, преобразуется в электрическую и передается через выводы машины. В зависимости от того, куда поступает электрическая энергия, различают три тормозных режима.
Торможение с отдачей энергии в сеть (рекуперативное) или генераторный режим работы параллельно с сетью. Если якорь двигателя вращать от некоторого постороннего источника со скоростью, превышающей скорость идеального холостого хода, то ЭДС двигателя будет больше приложенного напряжения, в результате чего ток в якоре двигателя и момент изменят свой знак. Механическая энергия, поступающая при этом на вал двигателя, преобразуется в электрическую и за вычетом потерь в двигателе рекуперируется в сеть.
На механических характеристиках торможению с отдачей энергии в сеть соответствуют участки ab и а'Ь' (рис. 3.3, б).
Торможение противовключением или генераторный резким работы последовательно с сетью. В режиме противовключения изменяется знак скорости двигателя при сохранении знака момента или знак момента двигателя при сохранении знака скорости. Первый случай имеет место при воздействии активного момента статической нагрузки, превышающего момент короткого замыкания на данной характеристике.
В результате изменения знака скорости ЭДС двигателя будет совпадать с приложенным напряжением и ток в якоре определится выражением
I=(U+E)IR.
Второй случай используется для останова двигателя путем изменения полярности напряжения, подводимого к его якорю.
Вследствие механической инерции скорость двигателя и ЭДС в начальный момент сохраняются неизменными, а ток будет равен
I=(-U-E)IR.
На механических характеристиках (рис. 3.3, б) торможению противовключением соответствуют участки cd и с'а".
В режиме торможения противовключением энергия поступает в привод и со стороны механизма, и от сети и рассеивается в сопротивлениях якорной цепи; в предыдущем случае энергия, поступающая от механизма, передавалась в сеть.
Динамическое торможение или генераторный режим работы независимо от сети. Если якорная цепь отключена от источника питания и замкнута на внешний резистор, то при вращении двигателя от внешнего источника или по инерции в якорной цепи индуцируется ЭДС и протекает ток I = — EIR, создающий момент. Характеристики проходят через начало координат — штрих-пунктирная линия на рис. 3.3, б. Энергия, поступившая с вала, рассеивается в тормозном резисторе.
Реверсирование двигателя постоянного тока
Для того чтобы изменить направление вращения двигателя постоянного тока необходимо изменить полярность питания на обмотке возбуждения или якоре. Изменение полярности питания двигателя направление вращения не изменит. Простейшая схема реверсирования двигателя приведена на рис.34.
Рис.34
Схема состоит из двух магнитных пускателей К1 и К2, кнопок ПВ («Пуск вперед»), ПН («Пуск назад») и СТ («Стоп»), двигателя постоянного тока.
При включении кнопки ПВ («Пуск вперед») электрический ток проходит по цепи: «+» источника питания, замкнутая кнопка СТ («Стоп»), замкнутые контакты кнопки ПВ («Пуск вперед), замкнутые контакты К2, магнитный пускатель К1, «--» источника питания. Магнитный пускатель сработает и замкнет свои сигнально-блокировочные (в цепи управления) и силовые контакты (в цепи якоря). Когда сигнально-блокировочный контакт К11, подключенный параллельно кнопки ПВ, замкнется кнопку ПВ можно отпустить. Через замкнутые контакты К1, в цепи ротора, напряжение сети будет приложено к якорю, по цепи: «+» источника питания, замкнутый контакт К1, сопротивление Rя, катушка якоря, замкнутый контакт К2, «--» источника питания. Двигатель начнет вращаться. Второй сигнально-блокировочный контакт К11 разомкнется и заблокирует магнитный пускатель К2, для того чтобы не включались одновременно два пускателя «Вперед» и «Назад».
Для того чтобы двигатель вращался в другую сторону необходимо нажать кнопку ПН («Пуск назад»). Электрический ток потечет по цепи: : «+» источника питания, замкнутая кнопка СТ («Стоп»), замкнутые контакты кнопки ПН («Пуск назад»), замкнутые контакты К1, магнитный пускатель К2, «--» источника питания. Магнитный пускатель К2 сработает и замкнет свои контакты. Когда сигнально-блокировочный контакт К21, подключенный параллельно кнопки ПН, замкнется кнопку ПН можно отпустить. Через замкнутые контакты К2, в цепи ротора, напряжение сети будет приложено к якорю, по цепи: «+» источника питания, замкнутый контакт К2, катушка якоря, сопротивление Rя, замкнутый контакт К1, «--» источника питания. Двигатель начнет вращаться в противоположном направлении.
Для остановки двигателя необходимо нажать кнопку СТ («Стоп») цепь питания магнитных пускателей будет порвана. Обесточенные пускатели разомкнут свои контакты в цепи якоря и двигатель остановится.
Защита в эл. схемах управления эл.приводом: основные виды защит, аппараты управления и защиты.
Защита электродвигателей от таких анормальных факторов, как обрыв фазы, недопустимая несимметрия напряжения, заклинивание рабочей машины и самого электродвигателя, межвитковое замыкание, пониженное напряжение сети и др.
Комплексное устройство защиты работает на основе принципа сравнения измерений активной мощности электродвигателя и допустимого ее значения (как суммарного, так и по каждой фазе), а также исключения возможности включения электродвигателя при недопустимом снижении сопротивления изоляции (менее 0,5 МОм).
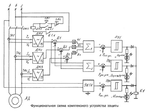
На рисунке изображена функциональная схема комплексного устройства защиты. Комплексное устройство защиты состоит из трех трансформаторов тока (ТА 1, 2, 3), трех датчиков активной мощности (ДМ 1, 2, 3), двух сумматоров (S1, S2), трех дискриминаторов ( Д 1, 2, 3), трех выпрямителей (В 1, 2, 3), трех преобразователей уровней (триггеров Шмидта) (ПУ 1, 2, 3), трех индикаторов («перекос», «перегрузка», «изоляция»), устройства контроля статорной изоляции (УКСИ), трех уставок (несимметрии (DРнес.уст.), перегрузка (Рдоп.), сопротивления изоляции (Rиз.доп.), промежуточного реле К1, контролирующего цепь управления магнитного пускателя КМ1.
Комплексное устройство защиты работает следующим образом.
При подключении комплексного устройства защиты к защищаемому электродвигателю автоматически происходит измерение изоляции обмотки статора УКСИ. Если измеренное сопротивление оказывается меньше допустимой величины (менее 0,5 МОм), преобразователь уровня ПУЗ подает сигнал на включение индикатора «изоляция» (светодиод загорается) и далее на промежуточное реле К1, которое блокирует включение электродвигателя (АД). При этом автоматически осуществляется электроосмотическая подсушка АД. При достижении необходимого сопротивления изоляции (0,5 МОм) ПУЗ снимает питание с реле К1, что дает возможность подключить цепь включения АД. После этого можно включить АД кнопкой SВ1, при этом магнитный пускатель КМ1 подключит контактами КМ1.2 фазы АД к сети и заблокирует кнопку SB1 контактом КМ1.1. Если произошла перегрузка АД, то появятся высокие, одинаковые по амплитуде, сигналы на ДМ 1, 2, 3, которые поступят на входы S2. На выходе S2 появится сигнал, равный сумме сигналов с ДМ 1, 2, 3. Далее сигнал с S2 сравнивается с уставкой Рдоп. Если значение сигнала на выходе S2 больше, то на выходе ПУ2 появится сигнал, который включит индикатор «перегрузка» и далее отключит АД посредством К1. Если произошла несимметрия (несимметрия фазных напряжений или токов по различным причинам), то на выходе ДМ 1, 2, 3 появятся
разные по амплитудам сигналы. На выходе S1 появится сигнал, отличный от нуля, и если он превысит уставку DРнес.уст., сработает ПУ1, загорится индикатор «перекос», запитается К1 и отключится АД.
Особенностью данного устройства защиты, в отличие от других подобных схемных решений, является, во-первых, измерение мгновенной активной мощности по всем трем фазам, что повышает надежность защиты при появлении анормальных режимов электродвигателя, во-вторых, создает оптимальную отключающую характеристику устройства защиты асинхронного электродвигателя.
Применение данного устройства защиты позволит исключить вероятность отказа АД из-за появления перегрузок, несимметрии, заклинивания рабочей машины, обрыва фазы как питающей сети, так и самого электродвигателя и переувлажнения изоляции статорной обмотки и последующего пробоя изоляции (на долю данных аварийных режимов приходится более 95% всех аварий).
Содержание и назначение принципиальных (полных) схем:
Схема принципиальная (полная) схема, определяющая полный состав элементов и связей между ними и, как правило, дающая детальное представление о принципах работы изделия (установки).
Схемами принципиальными пользуются для изучения принципов работы изделий (установок), а также при их наладке, контроле и ремонте. Они служат основанием для разработки других конструкторских документов, например, схем соединений (монтажных) и чертежей.
Принципиальная схема определяет полный состав элементов и связей между ними. Ее используют для изучения принципов работы изделий, а также при их наладке, регулировке, контроле и ремонте.
Принципиальные схемы позволяют проследить прохождение тока в каждой цепи, понять работу отдельных аппаратов, связанную с прохождением тока в тех или иных цепях. Они позволяют установить количество элементов, входящих в их состав.
Каждый элемент, входящий в схему изделия, должен иметь буквенно-цифровое обозначение, которое необходимо для указания в сокращенном виде сведений о нем, для ссылок на него в текстовых конструкторских документах и для нанесения непосредственно на изделие. Данные об элементах записывают в перечень элементов, который оформляют в виде таблицы, располагаемой обычно над основной надписью чертежа. Допускается в отдельных случаях помещать их около условных графических обозначений. Так, например, оформляют схемы в радиолюбительской литературе и журнале “Радио”.
В условных буквенно-цифровых обозначениях применяют прописные буквы латинского и русского алфавитов и арабские цифры одинаковой высоты. Приняты следующие обозначения элементов: конденсаторы – С, генераторы – G, катушки индуктивности – L, двигатели – М, резисторы – R, трансформаторы – Т, амперметры – РА, вольтметры – PV, выключатели и переключатели – S и т.п.
При выполнении электрических схем применяют следующие линии:
















