47600 (597343), страница 4
Текст из файла (страница 4)
Схема работы таймера/счетчика Т/С0, представлена на рис. 4.1.
Как только с помощью разрядов CS00, CS01 и CS02 регистра TCCR0 (адрес 0x33 в области ввода/вывода, адрес 0x53 в SRAM) для делителя частоты будет установлена комбинация, отличная от 000, таймер/счетчик Т/С0 по каждому импульсу, поступающему на тактовый вход, начинает увеличивать на единицу содержимое регистра TCNT0 (адрес 0x32 в области ввода/вывода, адрес 0x52 в SRAM). Когда состояние счетчика в регистре TCNT0 изменяется с 0xFF на 0x00, в регистре TIFR (адрес 0x38 в области ввода/вывода) устанавливается флаг переполнения TOV0.
Рис. 4.1. Схема таймера/счетчика Т/С0
Кроме разрядов CS00, CS01 и CS02 регистра TCCR0 (разряды 0-2), никакие другие разряды этого регистра не используются.
Таймер/счетчик Т/С0 хорошо подходит для оценки временных интервалов. Для этого в ходе выполнения программы в регистр TCNT0 записывается исходное значение. Затем может быть запущен Т/С0 с требуемым входным тактом. Программа ожидает появления в регистре TIFR флага переполнения TOV0, указывающего на то, что требуемое время истекло.
Предположим частота системной синхронизации составляет 4 МГц, а некоторое действие должно выполняться программой каждые 0,5 с. В этом случае можно воспользоваться делением частоты на 8, что соответствует частоте тактирования 500 кГц или 2 мкс. Таким образом, на подсчет 256 тактовых импульсов счетчику потребуется 512 мкс. Это значение должно быть кратно 500 мкс, чтобы с помощью множителя 1000 в программе можно было реализовать требуемое действие в точности с периодом 500 мс. Для этого в счетчик перед началом каждого счета должно быть загружено значение 6, чтобы до переполнения выполнялся подсчет не 256, а только 250 тактовых импульсов.
Т/С1
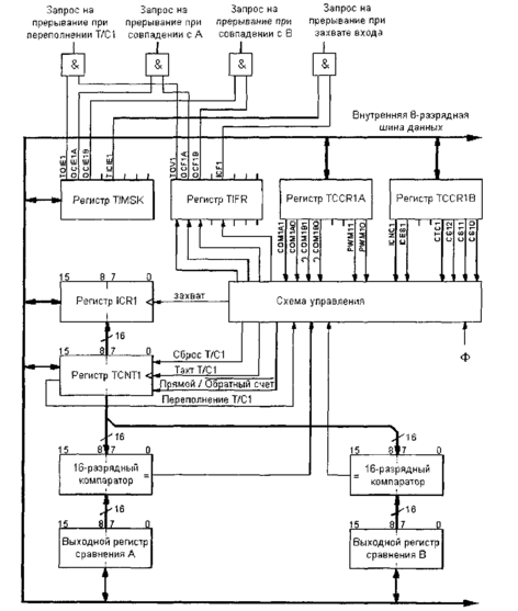
16-разрядный таймер/счетчик Т/С1 гораздо сложнее Т/С1 (рис. 4.2).
Рис. 4.2. Схема таймера/счетчика T/C1
В дополнение к счетному регистру и регистру управления, он содержит регистр захвата по входу (ICR1) и два 16-ти разрядных регистра сравнения на выходе (в некоторых моделях микроконтроллеров регистр сравнения В отсутствует).
Рассмотрим назначение отдельных регистров:
-
TCNT1 – счетный регистр (содержимое счетчика);
-
TCCR1А – регистр управления для определения реакции выводов
-
ОС1А/ОС1В в случае совпадения состояния счетчика в регистре TCNT1 с регистрами сравнения OCR1A/OCR1B, а также для выбора режима широтно-импульсной модуляции;
-
TCCR1B – регистр управления для настройки делителя частоты, для разрешения подачи сигнала сброса для регистра TCNT1 и для управления захватом;
-
ICR1 – регистр захвата по входу (при появлении на выводе ICP фронта входного сигнала, определенного как активный, текущее состояние счетчика будет перенесено в этот регистр);
-
OCR1A, OCR1B – регистры сравнения; их содержимое постоянно сравнивается с состоянием счетчика. В случае совпадения выполняются действия, определенные регистром TCCR1A.
Регистр управления TCCR1A (рис. 4.3) находится в области ввода/вывода по адресу 0x2F (адрес 0x4F в SRAM).
| 7 | 6 | 5 | 4 | 3 | 2 | 1 | 0 |
| COM1A1 | COM1A0 | COM1B1 | COM1B0 | – | – | PWM11 | PWM10 |
Рис. 4.3. Регистр TCCR1A таймера/счетчика T/C1
Разряды СОМ1А1/СОМ1А0 и СОМ1В1/СОМ1В0 определяют состояние вывода ОС1 А/ОС 1В при совпадении содержимого регистра сравнения А/В с содержимым счетчика. Возможные настройки для режима сравнения показаны в табл. 4.2.
Таблица 4.2. Возможные варианты для работы в режиме сравнения
| СОМ1х1 | СОМ1Х0 | Действия в случае совпадения |
| 0 | 0 | Выходное значение отсутствует |
| 0 | 1 | При совпадении ОС1х переключается в другое состояние |
| 1 | 0 | При совпадении на выходе ОС1х устанавливает лог. 0 |
| 1 | 1 | При совпадении на выходе ОС1х устанавливает лог. 1 |
В случае активизации режима ШИМ, разряды 4…7 в регистре TCCR1А имеют значения, отличные от указанных в табл. 1.6. Когда регистр управления TCCR1A определяет работу в конфигурации широтно-импульсного модулятора, то Т/С1 работает как суммирующий и вычитающий счетчик, осуществляя циклические переходы от 0x0000 к максимальному значению ТОР, и затем снова возвращаясь к 0x0000. При запрограммированной разрешающей способности ШИМ в N разрядов значение ТОР рассчитывается как:
Частота fШИМ, с которой повторяются циклы ШИМ, вычисляется по формуле:
причем частота таймера/счетчика fT/ci выбирается с помощью разрядов CSIO–CS 12 регистра TCCR1B, а разрешающая способность N – с помощью разрядов PWM10 и PWM11 регистра TCCR1A. Соответствующие взаимосвязи показаны в табл. 4.3.
Таблица 4.3. Выбор режима ШИМ (PWM11 и PWM10)
| PWM11 | PWWI10 | Разрешающая способность | Значение ТОР | Частота ШИМ |
| 0 | 0 | Режим ШИМ не активен | ||
| 0 | 1 | 8 разрядов | 0x00FF (255) | fT/С1 /510 |
| 1 | 0 | 9 разрядов | 0x01FF (511) | fT/С1 /1022 |
| 1 | 1 | 10 разрядов | 0x03FF(1023) | fT/С1 /2046 |
Когда состояние счетчика в регистре TCNT1 совпадает со значением 10 младших разрядов регистра OCR1A/OCR1B, то, в зависимости от состояния разрядов СОМ1А1/СОМ1А0 или СОМ1В1/СОМ1В0 регистра TCCR1A, вывод ОС1А/ОС1В последующим тактовым импульсом устанавливается или сбрасывается. Соответствующие взаимосвязи показаны в табл. 4.4.
Таблица 4.4. Возможности выбора для режима сравнения
| СОМ1х1 | СОМ1х0 | Действие в случае совпадения |
| 0 | 0 | На выводе ОС1х нет никакого сигнала |
| 0 | 1 | На выводе ОС1х нет никакого сигнала |
| 1 | 0 | Неинвертирующий широтно-импульсный модулятор. В случае соответствия, при суммирующем подсчете на выводе ОС1х устанавливается лог. 0, а при подсчете с вычитанием – лог. 1 |
| 1 | 1 | Инвертирующий широтно-импульсный модулятор. В случае соответствия, при суммирующем подсчете на выводе ОС1х устанавливается лог. 1, а при подсчете с вычитанием –лог. 0 |
В случае неинвертирующего широтно-импульсного модулятора, коэффициент заполнения g прямоугольного сигнала на выводе с ШИМ соответствует значению n / (2N - 1), где n – значение в соответствующем регистре OCR, a N – разрешающая способность ШИМ в разрядах (рис. 4.4).
Рис. 4.4. Определение периода Т, коэффициента заполнения g и среднего арифметического UAV прямоугольных импульсов напряжения U
Если регистр сравнения OCR1A/OCR1B содержит значение ТОР или 0, то на соответствующем выводе, в соответствии с правилами, представленными в табл. 4.5, постоянно поддерживаются уровень лог. 0 или лог. 1.
На рис. 4.5. на примере фиктивной трехразрядной ШИМ показано формирование неинвертированного и инвертированного выходного ШИМ – сигнала на выходе ОС1В. На диаграмме А показан примерный вид ступенчатого сигнала, соответствующий состоянию счетчика TCNT1, на диаграмме В – неинвертированный, а на диаграмме С – инвертированный выходной сигнал. Продолжительность периода TPWM в этом случае вычисляется в соответствии с рассмотренным выше уравнением TPWM = TT/C1 * (2N+1 - 2). Таким образом, при N=3 период ШИМ-сигнала состоит из 14 периодов тактового сигнала fT/C1 на входе TCNT1.
Таблица 4.5. Вывод ШИМ для особых случаев
| СОМ1х1 | СОМ1хО | OCR1X | Вывод ОС1х |
| 1 | 0 | 0 | 0 |
| 1 | 0 | ТОР | 1 |
| 1 | 1 | 0 | 1 |
| 1 | 1 | ТОР | 0 |
Рис. 4.5. Способ формирования неинвертированных и инвертированных выходных ШИМ-сигналов
В данном примере регистр сравнения OCR1B содержит значение 5. В регистре TCNT1, учитывая тот факт, что его исходное значение равно 0, значение 5 появляется после пяти тактовых импульсов. На следующем тактовом импульсе, после распознания совпадения на выводе ОС 1В устанавливается уровень лог. 0 (рис. 1.12, В).
Регистр TCNT1 инкрементируется далее до тех пор, пока не будет достигнуто значение ТОР, которое при трехразрядной ШИМ составляет 7. Как только достигнуто значение ТОР, направление счета меняется на обратное, и регистр выполняет вычитание. После девятого тактового импульса, начиная от стартового значения 0, содержимое регистра TCNT1 опять совпадает с содержимым регистра OCR1B. На следующем тактовом импульсе на выходе ОС1В устанавливается уровень лог. 1.
Регистр TCNT1 декрементируется далее до тех пор, пока опять не будет достигнуто значение 0. Это происходит после в общей сложности четырнадцати тактовых импульсов, считая от начального значения 0. Таким образом завершается период ШИМ-сигнала, направление счета вновь меняется на обратное и регистр TCNT1 опять выполняет сложение. Как видно на рис. 1.12 (В), "высокая" составляющая выходного сигнала составляет 6 тактовых периодов, а "низкая" – 4. Таким образом, коэффициент заполнения g = 6/10 или g = 3/5. Аналогично, диаграмма С на рис. 1.12 показывает соотношения для инвертированного выходного ШИМ-сигнала.















