5214 (596821), страница 12
Текст из файла (страница 12)
Количество возможных путей тока через тело человека, называемых петлями тока, достаточно много. Чаще всего встречаются ток протекает по петлям: рука-рука; рука-ноги; нога-нога; голова-руки; голова-ноги. Наиболее опасными являются петли: голова-руки и голова-ноги, но они возникают относительно редко.
Условия внешней среды и факторы трудового процесса оказывают существенное влияние на величину сопротивления кожного покрова и в целом тела человека. Так, например, повышенная температура (~ 30 °С и выше) и относительная влажность воздуха (~ 70 % и выше) способствуют повышенному потоотделению, а, следовательно, резкому уменьшению активного сопротивления тела человека. Интенсивная физическая работа приводит к аналогичному результату.
13.2 Анализ условий поражения человека электрическим током в трехфазных сетях переменного тока
Поражение человека электрическим током возможно лишь при замыкании электрической цепи через его тело, т.е. при прикосновении не менее чем к двум точкам электрической цепи, между которыми существует разность потенциалов (напряжение).
Напряжение между двумя точками цепи тока, к которым одновременно прикасается человек, называется напряжением прикосновения.
Опасность такого прикосновения определяется силой тока, проходящего через тело человека, которая зависит от следующих факторов:
-
схемы замыкания цепи тока через тело человека;
-
напряжения электрической сети;
-
схемы сети, режима работы её нейтрали (заземлена или изолирована);
-
сопротивления изоляции токоведущих частей относительно земли;
-
величины ёмкости токоведущих частей относительно земли.
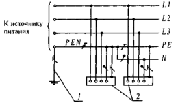
13.2.1 Характеристика основных систем «электроустановка – трёхфазная электрическая сеть переменного тока», использующихся в производственных условиях
Электроустановка – совокупность машин, аппаратов, линий и вспомогательного оборудования (вместе с сооружениями и помещениями, в которых они установлены), предназначенных для производства, преобразования, трансформации, передачи, распределения электрической энергии и преобразования её в другие виды энергии.
Наибольшее распространение на производстве получили системы, в которых в качестве источника энергопитания используются трёхфазные электрические сети переменного тока (далее электросети) с изолированной и заземлённой нейтралью. В соответствии с требованиями, изложенными в «Правилах устройства электроустановок» (ПУЭ), для таких систем напряжением до 1 кВ приняты следующие обозначения:
система IT – система, в которой нейтраль источника питания изолирована от земли или заземлена через приборы или устройства, имеющие большое сопротивление, а открытые проводящие части электроустановки заземлены (рис. 2а);
система TN – система, в которой нейтраль источника питания глухо заземлена, а открытые проводящие части электроустановки присоединены к глухозаземленной нейтрали источника посредством нулевых защитных проводников (рис. 2б,в,г);
система TN-С – система TN, в которой нулевой защитный и нулевой рабочий проводники совмещены в одном проводнике на всем ее протяжении (рис. 2б);
система TN-S – система TN, в которой нулевой защитный и нулевой рабочий проводники разделены на всем ее протяжении (рис. 2в);
система TN-C-S – система TN, в которой функции нулевого защитного и нулевого рабочего проводников совмещены в одном проводнике в какой-то ее части, начиная от источника питания (рис. 2г);
система ТТ – система, в которой нейтраль источника питания глухо заземлена, а открытые проводящие части электроустановки заземлены при помощи заземляющего устройства, электрически независимого от глухозаземлённой нейтрали источника (рис. 2д).
Первая буква условного обозначения системы характеризует состояние нейтрали источника питания относительно земли:
Т – заземленная нейтраль;
I – изолированная нейтраль.
Вторая буква условного обозначения системы характеризует состояние открытых проводящих частей относительно земли:
-
Т – открытые проводящие части заземлены, независимо от отношения к земле нейтрали источника питания или какой-либо точки питающей сети;
-
N – открытые проводящие части присоединены к глухозаземленной нейтрали источника питания.
Последующие (только после N) буквы характеризуют совмещение в одном проводнике или разделение функций нулевого рабочего и нулевого защитного проводников:
-
S – нулевой рабочий (N) и нулевой защитный (РЕ) проводники разделены;
-
С – функции нулевого защитного и нулевого рабочего проводников совмещены в одном проводнике (PEN-проводник).
Условные обозначения на схемах (рис. 2):
-
N -
– нулевой рабочий (нейтральный) проводник; -
РЕ -
– защитный проводник (заземляющий проводник, нулевой защитный проводник, защитный проводник системы уравнивания потенциалов); -
PEN -
– совмещенный нулевой защитный и нулевой рабочий проводники.
Глухозаземлённая нейтраль источника энергопитания – нейтраль трансформатора или генератора, присоединённая непосредственно к заземляющему устройству.
Изолированная нейтраль источника энергопитания – нейтраль трансформатора или генератора, неприсоединённая к заземляющему устройству или присоединённая к нему через большое сопротивление приборов сигнализации, измерения, защиты и других аналогичных им устройств.
а) б)
в) г)
д)
Рис. 2. Трёхфазные электрические системы переменного тока с изолированной и заземлённой нейтралью энергоисточника напряжением до 1 кВ
а) – система IT; б) – система TN-С; в) – система TN-S; г) – система TN- С- S; д) – варианты системы TT.
1 – заземлитель нейтрали энергоисточника; 1а – сопротивление заземления нейтрали источника питания (если имеется, например, через приборы или устройства, имеющие большое сопротивление); 2 – открытые проводящие части электроустановки; 3 – заземлитель открытых проводящих частей электроустановки
13.2.2 Основные схемы включения человека в электрическую цепь
Трёхфазная трёхпроводная электрическая сеть переменного тока с изолированной нейтралью (в системе IT).
Двухфазное прикосновение к токоведущим частям (рис. 3).
Рис. 3. Двухфазное (двухполюсное) прикосновение к токоведущим частям в системе IT
Uф – фазное напряжение; Ih – сила тока, протекающего через человека;
Rh – сопротивление человека; L1, L2, L3 – фазные проводники.
Сила тока (Ih, А), протекающего через человека, определяется по формуле
, (16)
где Uл – линейное напряжение, В;
Uф – фазное напряжение, В;
Rh – сопротивление человека, Ом.
Например, в электросети с линейным напряжением 380 В (Uф = 220 В) при сопротивлении тела человека 1000 Ом сила тока, протекающего через человека, составляет:
.
Эта сила тока смертельно опасна для человека.
При двухфазном прикосновении ток, проходящий через человека, практически не зависит от режима работы нейтрали. Опасность прикосновения не уменьшится и в том случае, если человек будет надёжно изолирован от земли.
Однофазное прикосновение (рис.4.) происходит во много раз чаще, чем двухфазное, но оно менее опасно, поскольку напряжение, под которым оказывается человек, не превышает фазного, т.е. меньше линейного в 1,73 раза и, кроме того, ток, протекающий через человека, возвращается к источнику (электросети) через изоляцию проводов, которая в исправном состоянии обладает большим сопротивлением.
Рис.4. Однофазное (однополюсное) прикосновение к токоведущим частям в системе IT
r1, r2, r3 – сопротивление изоляции проводов электросети; с1, с2, с3 – ёмкость проводов электросети
Сила тока (Ih, А), протекающего через человека, для этого случая определяется по формуле
(17)
где Rп – переходное сопротивление, Ом (сопротивление пола, на котором стоит человек и обуви); Z – сопротивление изоляции фазного провода относительно земли, Ом (активная и емкостная составляющие).
В наиболее неблагоприятной ситуации, когда человек имеет токопроводящую обувь и стоит на токопроводящем полу (Rп ~ 0), сила тока, протекающего через тело, определяется по формуле
если Uф = 220 В, Rh = 1 кОм, Z = 90 кОм, то Ih = 220/(1000 + (90000 / 3)) = 0,007 А (7 мА).
Трёхфазная четырёхпроводная электрическая сеть переменного тока с заземлённойнной нейтралью (в системе TN).
Однофазное прикосновение к токоведущим частям.
Рис.5. Однофазное (однополюсное) прикосновение к токоведущим частям в системе TN
R0 – сопротивление заземления нейтрали электросети
В четырёхпроводной электрической сети переменного тока с глухозаземлённой нейтралью (система TN) ток, проходящий через человека, возвращается к источнику (электросети) не через изоляцию проводов, как в предыдущем случае, а через сопротивление заземления нейтрали (R0) источника тока (рис. 5). Сила тока, проходящего через тело человека, определяется при этом по формуле:
(19)
где R0 – сопротивление заземления нейтрали источника тока, Ом.
Сопротивление заземляющего устройства, к которому присоединена нейтраль источника тока, в любое время года должно быть не более 2, 4 и 8 Ом соответственно при линейных напряжениях 660, 380 и 220 В. Это сопротивление должно быть обеспечено с учётом использования естественных заземлителей, а также заземлителей повторных заземлений PEN- или PE-проводника воздушных линий электропередач (ВЛ) напряжением до 1 кВ. Сопротивление заземлителя, расположенного в непосредственной близости от нейтрали источника тока, должно быть не более 15, 30 и 60 Ом соответственно при тех же линейных напряжениях 660, 380 и 220 В.
Пример. В наиболее неблагоприятной ситуации, рассмотренной выше, при Uф = 220 В, Rh = 1000 Ом, Rп ~ 0 Ом R0 = 30 Ом сила тока, протекающего через тело человека, составит:
Ih = 220/1000 + 30 = 0,214 А (214 мА), что смертельно опасно для человека.
Если обувь не токопроводящая (например, резиновые галоши с сопротивлением 45 кОм) и человек стоит на не токопроводящем полу (например, деревянный пол с сопротивлением 100 кОм), т.е. Rп = 145 кОм, то сила тока, протекающего через тело человека, составит:
Ih = 220/1000 + 60 + 145000 = 0,0015 А (1,5 мА), что опасности для человека не представляет.
– нулевой рабочий (нейтральный) проводник;
– защитный проводник (заземляющий проводник, нулевой защитный проводник, защитный проводник системы уравнивания потенциалов);
– совмещенный нулевой защитный и нулевой рабочий проводники.















