168772 (595694), страница 11
Текст из файла (страница 11)
до ціанатів - 3,3 г Cl; до СО2 і N2 - 8,5 г Cl.
Не дивлячись на те, що ціанати в 1000 разів менш токсичні в порівнянні з ціанідами, все ж таки вони вимагають подальшої нейтралізації, яка може протікати вищенаведеним способом до СО2 і N2, або шляхом їх гідролізу до солей амонію по реакції
CNO- + 2H2O +2H+ = NH+4 + H2CO3.
При рН < 3 реакція гідролізу протікає за 2 хвилини.
Гіпохлоритний метод окислення ціанідів до ціанатів застосовують при очищенні звичайних стічних вод гальванічних відділень, в яких концентрація ціанідів (у перерахунку на іони СN) не перевищує 100-200 мг/л. Стічні води з вищою концентрацією ціанідів (відпрацьовані електроліти) вимагають відповідного розбавлення, або ін. методів очищення із-за небезпеки виділення дуже отруйного ціаніду хлору.
На практиці нейтралізацію ціаністих стічних вод проводять періодичним або безперервним методом. Проте існує тенденція до установки, навіть в невеликих гальванічних відділеннях, автоматичних проточних пристроїв. Незалежно від способу накопичення стічних вод в пристроях повсюдно вживаний спосіб їх очищення заснований на окисленні ціанідів до ціанатів при рН=10-11 і подальшому їх окисленні до СО2 і N2 при рН = 7,5-8,5, або гідролізі до солей амонію при рН < 3.
Процес очищення ціаністих стічних вод не закінчується їх нейтралізацією ціаністих з'єднань, що містяться в них, оскільки в них ще залишаються для видалення з'єднання важких металів (цинку, міді, кадмію і ін.). Коли стічні води окисляють методом повного окислення ціанідів, то в наступній стадії процесу (окислення ціанатів до СО2 і N2) створюються сприятливі умови для повного виділення гідроокису металів у вигляді суспензії. При проведенні ж процесу гідролізу ціанатів до солей амонію в кислому середовищі необхідна додаткова нейтралізація кислот, що містяться в стічних водах для створення умов, що сприяють освіті і виділенню суспензії гідроокису металів.
Оскільки в повно профільних відділеннях утворюється також і решта 2 груп стічних вод (хромових і кислих з основними), того індивідуального виділення і видалення суспензії важких металів з ціаністих стічних вод не застосовують (після нейтралізації ціаністих з'єднань). Таку операцію проводять на змішаних стічних водах. Найчастіше застосовують обробку ціаністих стічних вод методом гідролізу, чим їх окислення до СО2 і N2.Такий метод більш простій і дешевше в експлуатації.
Кінець реакції окислення ціанідів до ціанатів можна встановити визначенням змісту ціанідів аналітичним способом. Практично було встановлено, що витримка протягом 15 хв надлишку активного хлору (5-15 мг/л) в стічних водах при рН рівному 10,5-11 визначає закінчення реакції окислення ціанідів.
Вищеописаний метод (реагентний) в даний час набув найбільшого поширення на підприємстві Коростишівське ВУВКГ знешкодження стічних вод гальванічних цехів. Основна його гідність - украй низька чутливість до початкового вмісту забруднень, а основний недолік - високий залишковий солевміст очищеної води. Останнє викликає необхідність в доочистці.
Серед методів очищення стічних вод, що мають промислове значення, окрім вже згаданих хімічних методів, уваги заслуговують іонні і електрохімічні методи. Кожний з цих методів має свої недоліки і переваги, проте вони є поза сумнівом сучаснішими в порівнянні з класичним хімічним методом. Основна перевага - нейтралізація концентрованих стічних вод, отримання цінних електролітів і чистої води, придатної для повторного використання. За допомогою таких методів можливо створення замкнутої системи циркуляції технологічної води і майже повне усунення необхідного зливу стічних вод в каналізаційну систему.
Існують ще 2 методи очистки - термічне знешкодження і мембранна технологія, які дозволяють одержати високоякісну воду і поза сумнівом набудуть ширшого поширення в майбутньому.
Термічне знешкодження стічних вод включає 2 стадії: попередня концентрація і вогняне знешкодження концентрату (шламу).
Метою 1 стадії є повернення частини води у виробництво. Вживані в основному процеси упарювання і сушки лімітуються необхідністю обліку можливості утворення відкладень на поверхні теплообміну, корозії устаткування і забруднення атмосфери шкідливими газоподібними викидами.
Вогняне знешкодження концентрату здійснюється у високо температурних печах, топках котлоагрегатів. Так, ціановмісні стоки і шлами спалюють в трубчастих печах, що обертаються і циклонних, в киплячому шарі, або в печах із завантаженням каталізатора. При цьому ціаніди повністю окислюються, а пов'язані з ним метали, виділяються у вигляді оксидів або чистих металів. Каталітичне окислення знижує робочу температуру процесу і, отже, витрата палива.
Мембранна ж технологія заснована на застосуванні мембран, які здатні затримувати практично всі багатовалентні катіони, затримуючи 50-70 % домішок. Тому їх застосування для очищення промивних стічних вод і регенерації електролітів представляється найбільш перспективним.
Застосування електрохімічних процесів доцільно для окислення ціанідів, очищення розчинів хром. кислоти, підвищення концентрації і перетворення електролітів, демінералізації розчинів.
В процесі електролізу стічних вод, що містять ціаністі з'єднання, на аноді відбувається окислення іонів CN-, а також комплексних іонів, наприклад, [Cu(CN)3]2-, [Zn(CN)4]2- і ін. по реакції:
CN- + 2OH- - 2e- = CNO- + H2O,
[Cu(CN)3]2- + 6OH- - 7e- = Cu2+ + 3CNO- + 3H2O,
[Zn(CN)4]2- + 8OH- - 8e- = Zn2+ + 4CNO- + 4H2O,
а на катоді наступає розрядка і виділення катіонів металу.
Іони ціанату, що утворюються в приведених реакціях, у міру підвищення їх концентрації окислюються на аноді до СО2 і N2 по реакції:
2CNO- + 4OH- - 6e- = 2CO2 + N2 + 2H2O.
Taк як, реакційне середовище основне, то на аноді протікає наступна реакція:
4ОН- - 4е- = О2 + 2Н2О.
Якщо в реакційному середовищі знаходяться ще і іони хлориду, які прискорюють і полегшують процес анодного окислення ціанідів, то на аноді і поблизу нього протікають додаткові реакції:
2Cl- - 2e- = 2Cl; 2Cl = Cl2;
CN- + 2Cl + 2OH- = CNO- + 2Cl- + H2O;
2CNO- +6Cl + 4OH- = 2CO2 + N2 + 6Cl- + 2H2O;
2[Cu(CN)3]2- + 14Cl + 12OH- = 2Cu2+ + 6CNO- + 14Cl- + 6H2O.
Введення хлоридних іонів в реакційне середовище приводить до значного прискорення окислення ціанідів з одночасним підвищенням виходу по струму процесу більш ніж на 100 % (в середньому з 35 до 80%) при одночасному зниженні витрати електроенергії на 30 %.
Це приписують підвищенню провідності електроліту і активній участі в реакції окислення ціанідів атомарного хлору, утворюючого в процесі розкладання хлоридного іона на аноді.
Встановлено також, що кращі результати виходять при електрохімічному окисленні дуже концентрованих розчинів ціанідів, а не їх розбавлених розчинів. Процес електрохімічного окислення ціанідів протікає за наступних умов: рН>11; концентрація хлоридів не повинна перевищувати концентрацію ціанідів більш ніж в 5 разів; приймають на 1г СN - 10г NaCl; аноди повинні бути зроблені з графіту, а катоди з кислототривкої сталі, анодна щільність струму повинна бути 0,001 А/см2 (струм постійний); стічні води повинні перемішуватися стислим повітрям. У цих умовах досягається вихід по струму 80 %, а витрата електроенергії на окислення 1г CN - від 0,007 до 0,01 кВт в час.
Порівняльний аналіз вартості очищення ціаністих стічних вод хімічним і електрохімічним методом віддає перевагу електрохімічному методу, оскільки він простий в застосуванні, а також не вимагає будівництва складних пристроїв, типових для хімічного методу.
Крім того, для електрохімічних способів характерні істотне скорочення витрати хімікатів і менша потреба у виробничих площах. В результаті низького солевмісту очищеного стоку знижуються і подальші витрати на доочистку стоку з метою повторного використання води.
Очищатимемо стічні води іонообмінним методом, оскільки він дозволяє повторно використовувати до 95 % стічних вод, а також виходячи з характеристик наших стічних вод і умов ефективного функціонування вищеописаних методів. Таким чином при виборі зменшення викидів ми паралельно з використанням іонообмінного методу створюватимемо оборотний цикл водопостачання.
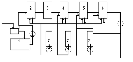
Гетерогенний іонний обмін або іонообмінна сорбція - це процес обміну між іонами, що знаходяться в розчині, і іонами, присутніми на поверхні твердої фази - іоніту. Очищення стічних вод методом іонного обміну дозволяє витягувати і утилізувати цінні домішки (для нашого випадку це мідь і цинк), очищати воду до ГДК з подальшим її використанням в технологічних процесах або в системах оборотного водопостачання. Принципова схема установки для очищення стічних вод показана на рис.3.6.
Рис.3.6 Схема іонообмінної установки для очищення стічних вод
1 - стоки з місткості; 2 - піщано-гравієвий фільтр; 3 - очищення активованим вугіллям; 4 – катіонообміник; 5,6 – аніонообміники; 7 - збірка чистої води для промивки колон; 8 - усереднювач
Ціаністі стоки з місткості 1 для усереднювання складу і часткового відділення механічних домішок прямують в усереднювач 8.Из апарату 8 стоки насосом подаються в піщано-гравієвий фільтр 2 для очищення від механічних домішок. Швидкість руху рідини, віднесена до поперечного перетину фільтру, 5-7 м/ч. Слідуюча ступінь - очищення активованим вугіллям в апараті 3 від маслопродуктів, ПАВ, біологічних домішок і т.д. Відфільтрована вода прямує в катіонообміник 4, заповнений смолою КУ-2, КУ-8 або КУ-23 у водневій формі. Лінійна швидкість руху рідини в цьому апараті досягає 10-20 м/ч. Після досягнення на виході концентрації сорбуємих іонів 0,02-0,03 мг.екв/л катіоніт піддається регенерації. Звільнена від катіонів вода поступає в аніонообміники 5 і 6, заповнені смолами АВ-17-8, АН-221 і ін. При змісті сорбуємих аніонів на виході з апарату 0,05-0,1 мг/л аніоніт регенерують.
Стічні води прямують на виробництво (у систему оборотного водопостачання), а промивні - в збірки концентратів для хімічного знешкодження і, в нашому випадки, для витягання міді і цинку.
Головний недолік технології іонного обміну полягає в тому, що для виділення з води елементів або солей необхідні регенеруючи кислоти або луги, які згодом у вигляді солей поступають в навколишнє середовище, викликаючи вторинне забруднення останньої.
Розділ 4 Еколого-економічна ефективність природних ресурсів
4.1 Суть, роль і значення еколого-економічної оцінки природних ресурсів
У відносності до Закону України «Про охорону природного навколишнього середовища» економічний механізм природокористування передбачає:
-
взаємозв’язок господарської діяльності підприємств з раціональним використанням природних ресурсів та ефективності заходів охорони навколишнього природного середовища на основі економічних важелів;
-
визначення джерел фінансування заходів щодо охорони навколишнього природного середовища
-
встановлення лімітів використання природних ресурсів, скидів забруднюючих речовин у навколишнє природне середовище та розміщення відходів;
-
встановлення нормативів і розмірів платежів за використовування природних ресурсів, викиди і скиди забруднення навколишнього середовища та інший шкідливий вплив;
-
надання суб’єктам господарської діяльності пільг при впроваджені ними маловідходних енерго- і ресурсозберігаючих технологій нетрадиційних видів енергії здійснення інших ефективних заходів щодо охорони навколишнього природного середовища;
-
відшкодування в установленому порядку збитків завданих порушенням законодавства про охорону навколишнього природного середовища.
Одним з принципів охорони довкілля визнано безоплатність загального та платність спеціального збору за забруднення навколишнього природного середовища та погіршення якості природних ресурсів, компенсації шкоди, заподіяної порушенням законодавство про охорону навколишнього природного середовища.
Економічний розвиток будь-якої країни світу і зростання народонаселення викликають різке загострення взаємовідносин поміж природою та суспільством, однією з найбільших проблем серед яких є протиріччя між обмеженим ресурсним потенціалом планети та необмежене зростаючими потребами людства. Стратегія "не чекати милості від природи", брати від природи, не турбуючись про її охорону, призводить до різкого погіршення стану навколишнього середовища й до швидкого виснаження природних ресурсів, і як наслідок - до виникнення надзвичайно серйозних екологічних проблем глобального значення, серед яких однією з найбільших є зростання дефіциту водних ресурсів та погіршення їх якості. Раціональне використання та охорона навколишнього природного середовища стають дедалі актуальнішими, поступово займаючи перший ряд серед глобальних проблем сучасності, оскільки без урахування екологічних чинників подальший розвиток суспільства стає просто неможливим. Академік В.І.Вернадський [1] висловив основоположну думку про те, що сучасне людство стало рушійною силою еволюції і що лише шляхом трансформації біосфери в сферу розуму - "ноосферу" можливе розв'язання протиріч між цивілізацією і біосферою. А протиріччя ці очевидні і грандіозні: як показують розрахунки академіка В.А.Ковди, людство в 2 тисячі разів активніше впливає на біосферу, ніж решта живого світу. Англійський фізик-теоретик Стівен Хокінг глибоко проаналізував теоретичні і соціальні проблеми сучасності і наголосив, що подальша доля нашої цивілізації залежатиме від поступу науки і збереження довкілля - без радикального розв'язання глобальних соціально-екологічних проблем існування людства стане неможливим.
Економічний механізм природокористування складається з систем економічних платежів та внесків за використання природних ресурсів, а також витрат на охорону навколишнього середовища.
Відповідно до ст. 14 Закону України „Про систему оподаткування” до податків і зборів екологічного призначення можна внести і збір за спеціальне використання природних ресурсів (що включає в себе і збір за користування надрами для видобування корисних копалин); збір за забруднення навколишнього природного середовища; збір за геологорозвідувальні роботи, виконані за рахунок державного бюджету; плату (податок) за землю.
Всі економічні платежі мають подвійне навантаження: по-перше, кошти від їх справляння повинні спрямовуватись на фінансування комплексу заходів щодо збереження і відтворення довкілля; по-друге, внаслідок їх обчислення здійснюється контроль за обсягами використання природних ресурсів, викидів та скидів забруднюючих речовин тощо. Особливості цих платежів полягають, насамперед, в тому, що нормативно-правові акти, які регламентують їх справляння, постійно балансують між сферами екологічно та податкового права. Це пов’язано з тим, що справляння зазначених платежів відбувається відповідно до вимог податкового законодавства, а нормативи платежів розраховують відповідно до нормативних актів у сфері екологічного права. У податковій відносності можна одержати статистичну інформацію про види платежів, об’єктами обчислення зборів та формування природоохоронних фондів у бюджетах усіх рівнів (табл. 4.1).
Таблиця 4.1 Розподіл платежів за використання природних ресурсів
| Вид платежів | Розподіл платежів, % | ||
| Держ. бюджет | Облас. бюджет | Місцев. бюджет | |
| 1. Збори за забруднення навколишнього природного середовища | 30 | 50 | 20 |
- видобування корисних копалин: - загальнодержавного значення - місцевого значення та за користування надрами в цілях, не пов’язаних з видобуванням корисних копалин пошук та розвідка родовищ корисних копалин | 40 - 80 - | 60 100 20 - | - - - - |
| 3. Збір за геологорозвідувальні роботи, виконані за рахунок державного бюджету | 100 | - | - |
Таблиця 4.2 Галузевий перелік водозахисних об'єктів
| Напрям водозахисної діяльності | Об'єкти | Спорудиі устаткування |
| Очисні споруди Мережі каналізації | Станції механічного, фізико-хімічного і біологічного| очищення виробничих і господарчо-побутових стічних вод. Окремі споруди первинного очищення стічних вод. Дослідні установки і цехи|, призначені для розробки методів очищення стічних вод. Установки і споруди для збору, транспортування, переробки і ліквідації рідких виробничих відходів. Полігони і установки для знешкодження промислових відходів тих, що забруднюють водоймища і підземні води | Ставки-відстійники, ставки кислих вод, акумуляторні, буферні, окислювальні та інші ставки; реагентне господарство очисних споруд екстракційні, хлорні іонообмінні, флотації, електрокоагуляції, електролізні установки; установки вакуумної відгонки| ціанідів, шламовідстійніків, шламо- і дощонакопичувачі, хвостохранилища|. |
| Оборотне водопостачання | Системи повернення для потреб технічного водозабезпечення скидних стічних вод після|потім| їх відповідного очищення і обробки | Водоводи, водорозподільні мережі|сіті|, насосні станції, відстійники, хвосто-| і шламозберігачі|, біологічні ставки, станції кондиціонування оборотної води, очисні споруди|спорудження| продувальних вод. |
| Повторно послідов водопостачання | Системи повторно-послідовного водопостачання постачання, зокрема води, що поступає від інших підприємств. | Водоводи і водорозподільні мережі, охолоджувальні споруди, насосні станції, очисні споруди. |
4.2 Методика розрахунку і системи показників сплати скидів шкідливих речовин у водне середовище















