151897 (594721), страница 2
Текст из файла (страница 2)
EН = 0,12 - нормативний коефіцієнт порівняльної ефективності капіталовкладень
- сумарні капіталовкладення,
- сумарні витрати,
У - збиток від недовідпустки електроенергії
Техніко-економічний розрахунок для варіанта №1:
Капіталовкладення:
тис. грн.
тис. грн.
тис. грн. - вартість осередку з вимикачем 330 кВ [1, табл.7.16]
тис. грн. [1, табл.7.18]
тис. грн. [1, табл.7.28]
тис. грн.
тис. грн.
тис. грн.
К0 = 147 тис. грн. /км, 90 тис. грн. /км - вартість спорудження 1 км. лінії 330 кВ (для сталевих опор, район по ожеледі II, проведення 2 (АС-400/51) [1, табл.7.5]
КЗОН = 1,0 - зональний коефіцієнт (для Центра) [1, табл.7.2]
тис. грн.
тис. грн. [1, табл.7.16]
тис. грн. [1, табл.7.18]
тис. грн. [1, табл.7.28]
тис. грн.
Витрати:
тис. грн.
тис. грн.
,
- щорічні витрати на обслуговування й ремонти силового встаткування, у частках від капіталовкладень [1, табл.6.2]
тис. грн.
тис. грн.
- щорічні витрати на обслуговування й ремонти ліній, у частках від капіталовкладень [1, табл.6.2]
тис. грн.
кіп/кВт·ч -
МВт·ч/год
МВт
кВт/км - питомі втрати на корону [1, табл.3.10]
ч/рік
МВт
тис. грн.
тис. грн.
тис. грн.
МВт·ч/год
МВт
кВт/км
МВт
тис. грн.
тис. грн.
, збиток ми не розглядаємо, тому що права частина обох варіантів - це лінія 330 кВ того самого перетину. Збиток правої частини так само не розглядаємо, через індивідуальність завдання: у другому варіанті права частина схеми - це лінія 500 кВ, і при виході її з коштуючи виходить із роботи вся схема. Таким чином. у жодному варіанті збиток не розглядаємо.
Наведені витрати:
тис. грн.
Техніко-економічний розрахунок для варіанта №2:
Капіталовкладення:
тис. грн.
тис. грн.
тис. грн. вартість осередку з вимикачем 500 кВ [1, табл.7.16]
тис. грн. [1, табл.7.19]
тис. грн. [1, табл.7.28]
тис. грн.
тис. грн.
тис. грн.
ДО0 = 125 тис. грн. /км, 90 тис. грн. /км - вартість спорудження 1 км. лінії 500 кВ, 330 (для сталевих опор з відтягненнями, район по ожеледі II, проведення 3 (АС-400/51) [1, табл.7.5]
КЗОН = 1,0 - зональний коефіцієнт (для Центра) [1, табл.7.2]
тис. грн.
тис. грн.
тис. грн. [1, табл.7.16]
тис. грн. [1, табл.7.16]
тис. грн. [1, табл.7.18-7.19]
тис. грн. [1, табл.7.28]
тис. грн.
Витрати:
тис. грн.
тис. грн.
,
- щорічні витрати на обслуговування й ремонти силового встаткування, у частках від капіталовкладень [1, табл.6.2]
тис. грн.
тис. грн.
- щорічні витрати на обслуговування й ремонти ліній, у частках від капіталовкладень [1, табл.6.2]
тис. грн.
кіп/кВт·год -
МВт·ч/год
МВт
кВт/км - питомі втрати [1, табл.3.10]
год/рік
МВт
тис. грн.
тис. грн.
тис. грн.
МВт·/год
МВт
кВт/км - питомі втрати на корону [1, табл.3.10]
МВт
тис. грн.
тис. грн.
Наведені витрати:
тис. грн.
Отже, одержали:
С1= 18986,8 тис. грн.
С2= 19458,4 тис. грн.
Знайдемо різницю у відсотках:
.
Різниця у відсотках вийшла менш 5%, що говорить про зразкову рівноцінність варіантів, але виходячи з того, що в схемі 1 ліва частина схеми це двухцепна лінія, відповідно більше надійна, чим одно ланцюгова в другій схемі, таким чином виходячи з надійності, вибираємо варіант схеми №1
2. Розрахунок основних робочих режимів електропередачі
У розрахунку приймаються наступні допущення:
протяжні ділянки ВЛ представляються П - образними схемами заміщення з урахуванням поправочних коефіцієнтів на
розподіл напруги по довжині лінії вважається відповідної ідеалізованої ВЛ
втрати потужності при коронуванні проводів ураховуються як зосереджені відбори на кінцях ділянок електропередачі
втратами активної потужності намагнічування трансформаторів і шунтувальних реакторів зневажають
не враховується активний опір трансформаторів
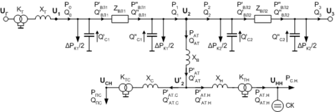
З огляду на вище сказане, складемо схему заміщення електропередачі (мал.6).
Мал.6. Схема заміщення електропередачі
Розрахуємо параметри ліній електропередач на один ланцюг:
Лінія 1: UНОМ = 330 кВ; N = 1; проведення 2АС-400/51;
Ом/км;
Ом/км;
См/км;
МВт/км
;
Ом
Ом
см
МВт
Ом;
МВт
Лінія 2:
UНОМ = 330 кВ; N = 1; проведення 2АС-400/51;
Ом/км;
Ом/км;
См/км;
МВт/км
радий.
;
Ом
Ом
см
МВт
Ом;
МВт
Параметри трансформаторів:
блокові трансформатори ГЕС: ТДЦ - 200000/330
кВ;
кВ;
Ом [1, табл.5.19]
автотрансформатори 2×АТДЦТН - 167000/330/220:
кВ;
кВ;
кВ;
Ом;
;
Ом [1, табл.5.22]
Напруга U3 на шинах системи у всіх режимах приймається рівним номінальному (330 кВ). Коефіцієнт потужності наприкінці другої ділянки електропередачі не повинен бути нижче заданого (
)
2.1 Режим найбільшої переданої потужності
Завдання розрахунку полягає у відшуканні економічно доцільного відношення значень напруги на початку й кінці головної ділянки електропередачі (перепаду напруги).
Такому перепаду відповідають мінімальні народногосподарські витрати, наведені до одного року нормативного строку окупності. У витратах ураховуються капіталовкладення в додатково встановлювані джерела реактивної потужності (ДРП) на проміжній підстанції, витрати на ремонт і обслуговування ДРП, а також витрати на відшкодування втрат електроенергії в лінії.
Параметри елементів схеми заміщення:
Лінія 1:
Ом;
Ом;
См;
МВт
Лінія 2:
Ом;
Ом;
См;
МВт
Група трансформаторів ГЕС:
Ом
2 автотрансформатори 330/220 кВ (АТ):
Ом;
;
Ом
З метою зменшення втрат активної потужності бажано забезпечити можливо більше високі значення напруги в проміжних і вузлових крапках електропередачі, обмежені вищим допустимим напруженням UДОП = 1,1·UНОМ = 363 кВ. Натуральна потужність лінії першої ділянки
МВт німого більше переданої потужності Р0 = 700 МВт, отже в лінії буде надлишок реактивної потужності, а напруга в середині лінії буде перевищувати напруги по кінцях лінії; з огляду на це, задамося напругою U1 рівним 1,05·UНОМ і проведемо розрахунок режиму при різних значеннях U2.
U1 = 347 кВ, U2 = 340 кВ
МВт
Ом;
65,99 Ом
см
;
;
МВАр
МВАр
13,71 кВ
МВАр
0,999
МВт
МВАр
МВт
МВАр
МВт
МВАр
Методом систематизованого підбора підбираємо Q2 так, щоб, одержати коефіцієнт потужності наприкінці другої ділянки електропередачі не нижче заданого (
), а напруга U3 на шинах системи близьким до номінального (330 кВ). Q2 = - 25 МВАр. Приймаємо
МВт (власні потреби підстанції й місцеве навантаження).
МВт
МВт
МВАр
МВАр
МВАр
339,34 кВ
МВт
МВАр
247,37кВ
МВт
МВАр
МВАр
Потужність синхронного компенсатора
76,12 МВАр
12,27 кВ
повинне перебувати в технічних межах: від
до
. Інакше даний варіант не здійснимо по технічних умовах. напруга, Що Вийшла, UНН не відповідає припустимому.
Наведені витрати:
= 3231,9 тис. грн.
КСК ≈ 35 тис. грн. /Мвар - питома вартість СК типу КСВБ 50-11
Результати розрахунку при інших значеннях U2 представимо у вигляді таблиці:
Таблиця 1 - Результати розрахунку режиму найбільшої переданої потужності
| U2, кВ | 310 | 320 | 330 | 340 |
| δ° | 24,12 | 23,54 | 23 | 22,5 |
| Q'ВЛ1, МВАр | 262,61 | 207,44 | 152,45 | 97,6 |
| Q0, МВАр | 84,76 | 29,59 | -25,41 | -80,25 |
| UГ, кВ | 14,11 | 13,98 | 13,84 | 13,71 |
| cosφГ | 0,971 | 0,987 | 0,996 | 0,999 |
| ΔPВЛ1, МВт | 33,14 | 31,6 | 30,42 | 29,61 |
| ΔQВЛ1, МВАр | 303,61 | 289,48 | 278,7 | 271,22 |
| P''ВЛ1, МВт | 665,64 | 667,18 | 668,36 | 669,17 |
| Q''ВЛ1, МВАр | -41 | -82,04 | -126,25 | -173,62 |
| P1, МВт | 664,42 | 665,96 | 667,14 | 667,96 |
| Q1, МВАр | 100,95 | 69,22 | 34,6 | -2,87 |
| Q1 - QР, МВАр | 100,95 | 69,22 | 34,6 | -2,87 |
| Q2, МВАр | -65 | -75 | -60 | -25 |
| P2, МВт | 311,42 | 312,96 | 314,14 | 314,96 |
| QАТ, МВАр | 165,95 | 144,22 | 94,6 | 22,13 |
| Q'АТ, МВАр | 134,92 | 116,38 | 70,57 | 0,91 |
| U'2, кВ | 300,34 | 311,92 | 325,06 | 339,34 |
| UСН, кВ | 220,25 | 228,74 | 238,38 | 248,85 |
| Q'АТ. Н, МВАр | 63,85 | 45,31 | -0,51 | -70,16 |
| QАТ. Н, МВАр | 57,54 | 42,36 | -0,49 | -64, 19 |
| QСК, МВАр | 53,77 | 29,71 | 0,49 | 34,06 |
| UНН, кВ | 9,03 | 9,72 | 10,84 | 12,27 |
| З, тис. грн. | 3410,5 | 3158,2 | 2735,1 | 3231,9 |
Мінімум витрат спостерігається при U2 = 330 кВ;
Тому що на обох ділянках електропередачі однакові напруги, те їхні режими виявляються взаємозалежними, тому що створення перепаду напруги на першій ділянці (
) приводить до виникнення перепаду на другій ділянці (
). Тому в розрахунках потужності ДРП ураховується зміна реактивної потужності на початку другої ділянки й контролюється величина
наприкінці його, а в розрахунках наведених витрат - відшкодування втрат енергії при передачі по двох ділянках.
МВт















