151782 (594711), страница 5
Текст из файла (страница 5)
Рисунок 3.1 – Схема перетворення сонячної енергії в гравітаційну потенційну енергію води
Часто буває, що в силу тих або інших змін атмосферних умов цей кругообіг порушується, річки міліють або навіть повністю висихають. Іншим крайнім випадком є порушення цього кругообігу, що приводить до повеней.
Гідроелектростанції і їхнє устаткування використовуються дуже довго, турбіни, наприклад, близько 50 років. Це пояснюється умовами їхньої експлуатації: рівномірний режим роботи при відсутності екстремальних температурних і інших навантажень. Внаслідок цього вартість виробляємої на ГЕС електроенергії низка й багато які з них працюють із високим економічним ефектом. Наприклад, Норвегія робить 90% електроенергії на ГЕС. Виробляєму ГЕС енергію дуже легко регулювати, що важливо при її використанні в енергосистемах з більшими коливаннями навантаження.
Найбільш складними проблемами гідроенергетики є: збиток, який наноситься навколишньому середовищу (особливо від затоплення великих площ при створенні водоймищ), замулювання гребель, корозія гідротурбін і в порівнянні з тепловими електростанціями більші капітальні витрати на їхнє спорудження. Тому особливо перспективним у цей час є використання гідроенергетичних ресурсів малих рік без створення штучних водоймищ.
Оцінка потужності водного потоку. Нехай Q обсяг води, що надходить у робочому органі гідроенергетичної установки в одиницю часу (витрата, вимірювана в м³/с), H - висота падіння рідини (напір, вимірюваний у метрах), ρ - щільність води (кг/м³), g - прискорення сили ваги (9,8 м/с²). Тоді потужність водного потоку Р - визначається по формулі:
(3.1)
Основним робочим органом гідроенергетичних установок, безпосередньо перетворюючих енергію води, що рухається, у кінетичну енергію свого обертання, є гідротурбіни, які підрозділяються на:
-
активні гідротурбіни, робоче колесо яких обертається у повітрі потоком, що натікає на його лопатки потоком води;
-
реактивні гідротурбіни, робоче колесо яких повністю занурено у воду й обертається в основному за рахунок різниці тисків перед і за колесом.
В активній гідротурбіні водний потік перед турбіною за допомогою водовода й сопла формується в струмінь, що направляється на ковші, розташовані на ободі колеса, приводячи його в обертання.
При швидкості потоку води 1,0 м/с енергетична щільність приблизно оцінюється в 500 Вт/м² (при поперечному розрізі ріки). Але для найменших гідроустановок тільки 60% енергії може бути теоретично отримано, тому їхня ефективність рідко досягає 50%, тобто реально використовується тільки 250 Вт/м² енергії за допомогою використання реального потоку води. Потужність, отримана від використання потоку води, пропорційна кубу швидкості води. Якщо швидкість потоку становить 2 м/с, то щільність повинна піднятися до 2000 Вт/м² і так далі.
У цей час використовуються наступні типи турбін:
-
Турбіна Пелтона (Pelton turbine РТ);
-
Турбіна Франциска (Francis turbine РТ);
-
МВТ Турбіна (Michel-Banki turbine);
-
Турбіна Каплана (Kaplan turbine КТ) або турбогвинтовий гідравлічний двигун;
-
Турбіна Дерайза (Deriaz turbine TD).
Вибір типу турбіни залежить від цілого ряду показників, насамперед від висоти потоку бігу води й інших показників, таких як вартість турбіни й експлуатаційні витрати, надійність та інше. На мал. 3.2 наведені границі застосування вищезгаданих турбін, що рекомендуються, залежно від напору, обсягу води, а також потужності кожної машини.
Рисунок 3.2 - Границі рекомендованого використання турбін
Важливим показником при виборі певного типорозміру тієї або іншої турбіни є співвідношення числа обертів колеса ротора, напору й відносної швидкості nс, що визначається як
(3.2)
де n - є дійсним числом обертів у той або інший період часу (швидкість обертання).
3.1 РТ-турбіна
Це турбіна вільного потоку (дії) води. Потенційна енергія води в турбіні стає кінетичною енергією, коли струмінь води, проходячи інжектори, направляється на лопатки рушійного колеса. Робота турбіни відбувається при тиску, близькому до атмосферного. Тому необхідний досить низький напір води для напрямку струменя на лопатки рушійного колеса. У РТ-турбінах використовуються багаторазові інжектори, лопатки й колесо, що рухається, великого діаметра (рис. 3.3).
Рисунок 3.3 - Поперечний розріз РТ-турбіни
Застосування РТ-турбін, як малих гідроустановок, є економічно виправданим, коли є витрати води вище 30 літрів у секунду з напором від 20 м. Необхідне співвідношення H, Q і необхідної потужності РТ-турбіни наведене на мал. 3.2. Діаметр лопаток колеса турбіни D показаний на мал. 3.3. Величина діаметра залежить від значення напору Н, потоку Q і від наведеної швидкості nс:
D=97,5 Q/nc0,9 ·H1/4, (3.3)
де nc=240(a/D)z1/2(об/хв):
a – діаметр струменю води;
D – діаметр колеса в точці реактивного падіння води (тобто, діаметр вінця лопаток в точках дотику з водою);
z — число струменів.
Діаметр інжектора на виході струменя може бути визначений як
a=0,55Q1/2 H1/4 , мм. (3.4)
Оптимальний діаметр колеса ротора може бути визначений як
| Dопт = 5,88Q1/2z-9/2H-1/4 , мм. | (3.5) |
Технічне обслуговування і ремонт РТ-турбін досить прості завдяки відносно простій конструкції ротора й доступу до нього.
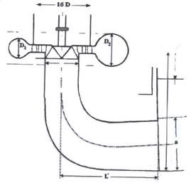
3.2 FТ-турбіна
Область застосування турбін Франциска для малих гідроустановок перебуває в межах від 3 до 150 м висоти напору й від 100 л/с проектного потоку рушійної води (рис. 3.4).
Рисунок 3.4 - FT - турбіна у розрізі
Відповідно до місцевих умов, турбіни можуть бути горизонтально або вертикально розташовані. Горизонтальне розташування найбільш підходяще, тому що це полегшує пряме з'єднання з електричним генератором (синхронним або асинхронним). Вертикальне розташування більш складне для виконання ремонтів і підтримки в робочому стані. Такі FТ-турбіни іноді можуть використатися в широкому діапазоні напору (від 3 до 600 м). РТ-турбіни мають більший ККД, ніж у FТ-турбіни (мал. 3.5). Для них крива відносини Qеф/Qпроект = 25%, більш полога. Крім того, існують інші недоліки турбін FТ у порівнянні із РТ-турбінами, а саме вони:
-
вимагають більшої уваги при їхньому обслуговуванні й ремонтах, дуже чутливі до кавітацій;
-
мають не оптимальну криву ККД турбіни, особливо при малих потоках води;
-
більш чутливі до конструкційних матеріалів у місцях надходження протікання води різної якості;
-
працюють хитливо при зниженні потужності до 40% щодо максимальної;
-
вимагають більшої уваги й більш високої кваліфікації персоналу при монтажі й обслуговуванні.
Рисунок 3.5 - Ефективність турбін для малих гідроустановок
-
РТ-турбіни при nс = 20
-
МВТ-турбіни при nс = 100
-
FТ-турбіни при nс = 100
-
FТ-турбіни при nс = 360
Емпірично визначено, що при напорі від 10 до 50 м швидкість обертання колеса FТ-турбіни знаходиться у межах 900...1200 об/хв. для напорів вище 50 м швидкість становить 1200...1500 об/хв.
3.3 МВТ-турбіни
Зображені на малюнку 3.6. У цей час ці турбіни (їх також називають радіальними турбінами) випускаються потужністю аж до 800 кВт. Їхній потік варіюється від 25 до 700 л/с (відповідно до типових розмірів машин) з напором води від 1 до 200 м. Число лопаток, встановлених навколо ротора, варіюється від 26 до 30 по окружності колеса при діаметрі колеса від 200 до 600 мм.
Рисунок 3.6 - МВТ-турбіна з вертикальним входом
МВТ-турбіни конструктивно використовують вільний випуск води або випуск із труби секційного типу. На рис. 3.6 показана турбіна із проходженням води навколо її ротора. У порівнянні з іншими видами турбін МВТ може мати сегментне компонування ротора (поздовжніх осередків ротора), що надає цим турбінам великої переваги. МВТ-турбіни можуть компонуватися декількома осередками. При низьких або середніх потоках води вони працюють із однієї або двома із трьох наявних осередків. Для одержання повної потужності при проектних потоках води використовуються три із трьох осередків. При такій диспозиції можна використати будь-який потік води з відносно оптимальною ефективністю. Завдяки такій можливості турбіна може бути використана навіть при 20% від повної потужності. Ця особливість важлива для проектів, коли можливо поступове задоволення попиту на електроенергію в часі. У цих випадках мала гідроустановка досягає видачі повного потенціалу енергії тільки через деякий час. Головні переваги МВТ це швидке компонування осередків і легкий доступ до всіх елементів устаткування протягом усього часу їхнього обслуговування. На мал. 3.7 наведені залежності ККД від Q МВТ-турбін при різній кількості осередків (сегментів) у порівнянні з FТ-турбіною.
Рисунок 3.7 - Криві ККД при різній кількості осередків в МВТ-турбіні та FT-турбіні
3.4 КТ-турбіна
Її ще називають гідравлічний турбогвинтовий двигун. Такі турбіни призначені для застосуванні при низьких потоках або при потоках води з обмеженою потужністю й мінливістю протягом року. КТ-турбіни рекомендуються для напору приблизно від 0,8 до 5 м. Щоб запустити КТ-турбину, вакуумний насос наповнює сифон водою й формує підйом води між верхнім і нижнім б’єфом води. Залежно від зміни витрати води лопатки колеса можуть регулюватися (рис. 3.8), що дозволяє пристосовуватися до змін потоку в ріці й підвищує ефективність турбіни.
Рисунок 3.8 - Розріз КТ-турбіни
Генератори з вихідними потужностями нижче 100 кВт можуть приводитися шківом або ременем. Колесо турбіни повинне встановлюватися таким чином, щоб нижня крапка колеса розташовувалася на максимальному рівні над верхнім плином. Визначення типорозміру КТ-турбіни, що щонайкраще буде пристосована до потоків і напору води в ріці, може ґрунтуватися на кривих, наведених на рис 3.9.
Рисунок 3.9 - Головні криві потоку для КТ-турбін
3.5 DТ-турбіни
Конструкція турбіни побудована не у вигляді радіальної, не у вигляді осьової форми, а має діагональну або напівосьову форму. У цих турбінах вода, що всмоктується (на вході) прямує по приблизно конічній поверхні навколо колеса ротора. Турбіна, розроблена в 1960 роках, може досягти потужності аж до 200 Мвт. Її потік може варіюватися в досить широкому діапазоні (від 1,5 до 250 м³/с залежно від типорозміру машини), з висотою напору від 5 до 1000м. Діаметр ротора турбіни може бути до 7000 мм, використовуючи від шести до восьми лопаток на колесі ротора. Діагональні турбіни працюють дуже економічно як у режимі турбіни, так і в насосному режимі. По характеристиках вони близькі до турбін Франциска за винятком розміру лопаток колеса ротора.
4. Перспективні конструкції й компонування гідроагрегатів малих ГЕС
4.1 Класифікація малих ГЕС і вимоги до їхнього устаткування
У цей час відсутній єдиний підхід до визначення поняття малих ГЕС. Більшість країн в основу їхньої класифікації закладають значення встановленої потужності; у матеріалах РЕВ дається наступна класифікація: мікрогідроелектростанції - це ГЕС потужністю менш 0.1 Мвт; мінігідроелектростанції - потужністю 0.1-1 Мвт; малі гідроелектростанції - потужністю 1-10 Мвт. Малі ГЕС можна класифікувати й за іншими критеріями. Так, у країнах-членах РЕВ малі ГЕС класифікують:
по напору - низьконапірні ГЕС із напором менш 20м, средньонапорні з напором 20-100м, високонапорні з напором більше 100м;
по режиму роботи - ГЕС, що працюють паралельно з енергосистемою (робота з водотоку); ГЕС, що працюють на ізольованого споживача (робота із графіка навантаження); ГЕС, що працюють на ізольованого споживача паралельно з іншими енергоджерелами (наприклад, з дизельною електростанцією, вітроенергоустановкою і т.п.);
по ступеню автоматизації - повністю автоматизовані ГЕС (що працюють без чергового персоналу).
















