151722 (594704), страница 3
Текст из файла (страница 3)
При повышенной гидравлической нагрузке горячего водоснабжения у большинства абонентов, что характерно для новых жилых районов, часто отказываются от установки регуляторов расхода на тепловых пунктах, ограничиваясь установкой только регуляторов температуры 13 в узле присоединения абонентской системы горячего водоснабжения к тепловой сети. Такое присоединение показано на рисунке 1.2, в. Роль регуляторов расхода воды в этой схеме выполняют постоянные гидравлические сопротивления 12, устанавливаемые на тепловых пунктах при начальной регулировке системы теплоснабжения. Постоянное сопротивление рассчитывается индивидуально для каждого ввода из условия получения одинакового закона изменения расхода сетевой воды у всех абонентов при изменении нагрузки горячего водоснабжения.
На схемах, приведенных на рисунке 1.2, г и д, показаны тепловые пункты, в которых местное регулирование отопительной нагрузки производится по внутренней температуре воздуха в отапливаемых помещениях. На рисунке 1.2, г отопительная установка присоединена по зависимой схеме, на рисунке 1.2, д — по независимой.
Клапан регулирующего устройства регулирует подачу сетевой воды на отопление. Поддержание требуемого расхода воды на отопление в местной отопительной установке независимо от подачи сетевой воды осуществляется насосами 16.
Независимое присоединение отопительных установок тепловой сети (рисунок 1.2, д) позволяет существенно улучшить качество сетевой воды, а следовательно, и воды, поступающей в систему горячего водоснабжения, и повысить надежность теплоснабжения. Это особенно важно для крупных районов, в которых при длинных магистралях и разнородной тепловой нагрузке давление в обратном трубопроводе тепловой сети в условиях непосредственного водоразбора может изменяться в широких пределах, что при зависимой схеме присоединения нарушает нормальную работу отопительной установки.
Согласно СНиП 41-01-2003 системы отопления должны обеспечивать в отапливаемых помещениях нормируемую температуру воздуха в течение отопительного периода при параметрах наружного воздуха не ниже расчетных. Для обеспечения требуемой гидравлической и тепловой устойчивости систем водяного отопления потери давления должны составлять:
- в стояках однотрубных систем - не менее 70% общих потерь давления в циркуляционных кольцах без учета потерь давления в общих участках;
- в стояках однотрубных систем отопления с нижней разводкой подающей и верхней разводкой обратной магистрали - не менее 300 Па на каждый метр высоты стояка;
- в циркуляционных кольцах через верхние приборы (ветки) двухтрубных вертикальных систем, а также через приборы однотрубных горизонтальных систем - не менее естественного давления в них при расчетных параметрах теплоносителя.
Наиболее эффективной и регулируемой является двухтрубная система, для которой и будут в дальнейшем производиться все расчеты.
2. Автоматические системы регулирования потребления тепла в гражданских зданиях
2.1 Методы регулирования отпуска тепла в системах централизованного теплоснабжения
Автоматическое управление отпуском теплоты на здания может производиться по отклонению регулируемой величины, по возмущению и путем комбинирования этих двух методов.
В первом случае датчики, замеряющие температуру внутреннего воздуха, устанавливаются в одном или нескольких отапливаемых помещениях и приводят в действие регулятор при отклонении этой температуры от установленного значения. Для осуществления программного регулирования датчики оборудуются специальным устройством, связанным с часовым механизмом.
При регулировании по возмущению датчики устанавливаются снаружи здания и замеряют значения метеорологических параметров. Использование этого метода требует соблюдения условия инвариантности системы отопления по отношению к внешним возмущениям.
Математически это условие выражается следующим образом:
Wyпp = Wвозм, (2.1)
где Wyпp — передаточная функция по управляющему воздействию;
Wвозм — то же, по возмущающему воздействию.
Расшифровывая значения указанных передаточных функций, можно получить:
Wсист х Wкомп = Wм + Wб, (2.2)
где Wсист — передаточная функция объекта теплоснабжения, охватываемого данной ступенью управления, от температуры (расхода) теплоносителя на выходе из узла управления к количеству теплоты, передаваемой воздуху отапливаемого помещнеия;
Wкомп — передаточная функция регулятора с соответствующим компенсирующим устройством;
WM, Wб — передаточные функции теплоемких и нетеплоемких наружных ограждений — от изменения метеорологических условий к количеству теплоты, теряемой отапливаемыми помещениями.
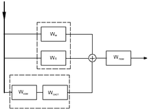
Схема компенсации возмущений, отвечающая уравнению (2.2), приведена на рисунке 2.1.
Достоинство автоматического управления по отклонению заключается в том, что регулятор учитывает всю совокупность факторов, влияющих на температурный режим отапливаемых помещений, и выполняет свою задачу независимо от причин, вызвавших отклонение внутренней температуры.
Δ(t,v,R)
Δ(t,v,R)
Рисунок 2.1 - Схема компенсации возмущений в системе отопления
Эксплуатационные изменения статических и динамических характеристик объекта практически не сказываются на качестве регулирования. Недостатки этого метода заключаются в следующем.
В современных многоэтажных зданиях даже при хорошо отрегулированной системе отопления наблюдается значительный разброс температур воздуха в отапливаемых помещениях, намного превышающий допустимую точность регулирования. В связи с этим выбор представительных помещений с целью сведения к минимуму влияния случайных, локальных факторов на процесс управления представляет большие трудности. Увеличение же с этой целью общего количества датчиков — контрольных помещений приводит к удорожанию автоматики, усложнению ее обслуживания и снижению надежности.
Система автоматического управления по отклонению внутренней температуры обладает неблагоприятными динамическими характеристиками, поскольку замкнутый контур регулирования содержит в данном случае звено с большой инерционностью — отапливаемое здание
В случае охвата ступенью управления целого ряда зданий (ЦТП, КРП) негативное влияние указанных обстоятельств (разброс температур в помещениях, большая инерционность контура регулирования) при регулировании по отклонению еще более возрастает.
Достоинство автоматического управления по возмущению состоит в том, что оно производится по основным определяющим режимам теплопотребления зданий (температура наружного воздуха, скорость ветра, солнечная радиация). Влияние локальных, случайных факторов на температуру воздуха в том или ином помещении на процесс управления исключается.
При управлении по возмущению система обладает хорошими динамическими свойствами, так как в контур регулирования не входит отапливаемое помещение. При этом регулятор начинает выполнять свою задачу еще до того, как возмущающее воздействие проникло в отапливаемое помещение и вызвало в нем отклонение регулируемой величины — температуры воздуха — от заданного значения.
Недостаток этого метода заключается в том, что регулятор реагирует только на те возмущения, которые оцениваются соответствующими датчиками и заложены в закон управления.
Учитывая многообразие возмущений, действующих в системе теплоснабжения, и особенности этой системы как объекта управления, становятся очевидными те трудности принципиального характера, которые возникают при применении рассматриваемого метода управления.
Необходимо отметить, что автоматическая разомкнутая система управления по возмущению в «чистом» виде не получила применения в практике теплоснабжения и отопления.
Наиболее распространенная схема управления по возмущению предусматривает наличие обратной связи по параметру теплоносителя в тепловом пункте. В связи с этим система управления оказывается частично замкнутой (по регулирующему параметру) и в ее контур включается источник теплоты, тепловые сети, а при установке датчика температуры на обратном трубопроводе — и система отопления. Таким образом, создается
принципиальная возможность исключить влияние случайных отклонений режима работы тепловой сети на тепловой режим здания.
Рассматриваемая схема реализует следующий закон управления:
П = F(B), (2.3)
где П — параметр обратной связи;
В - внешние возмущения, заложенные закон управления.
В качестве обратной связи П в различных схемах автоматизации систем теплоснабжения и отопления используются температура воды на входе в пункт управления, температура обратной воды, полусуммы температур прямой и обратной воды, расход воды, температура и расход воды.
Во многих существующих системах автоматизации для оценки внешних возмущений используются датчики температуры наружного воздуха. Величина сигнала от этого датчика сравнивается с температурой теплоносителя, которая должна быть равна температуре по отопительному графику, заложенному в закон управления. Преимуществом такой системы является простота схемной реализации, а недостатком — отсутствие учета при управлении других метеорологических факторов (кроме наружной температуры), а также динамических свойств объекта.
Для формирования сигнала, характеризующего величину внешних возмущений В, могут применяться физические и математические модели.
В первом случае используется датчик, обеспечивающий комплексный учет метеорологических параметров (температуры наружного воздуха, скорости ветра, солнечной радиации), действующих на здание или его зону (фасад). Такого рода датчик должен представлять собой физическую модель, теплофизические характеристики которой подобны теплофизическим характеристикам здания (или его зоны) по всем каналам передачи внешних возмущений.
Во втором случае параметры внешней среды замеряются с помощью стандартных метеорологических датчиков. Полученная от этих датчиков информация поступает на вычислительное устройство, которое в зависимости от замеренных величин, времени суток, дня недели, а также других факторов рассчитывает в соответствии с программой, построенной для эталонной модели здания, требуемое значение параметра П3. Значение П3 сравнивается с фактически замеренным значением параметра Пф, в результате чего регулятор вырабатывает соответствующее корректирующее воздействие.
Как уже отмечалось, наряду с регулированием по отклонению и по возмущению находят применение системы комбинированного управления. Один из вариантов системы комбинированного управления, при котором часть отопительного сезона регулирование отпуска теплоты производится по отклонению, а часть — по возмущению.
Следует отметить, что системы адаптивного управления, которым в последнее время в отопительной технике уделяется все большее внимание, также основываются на совместном использовании принципов управления по возмущению и по отклонению. Особенность этих систем состоит в том, что математическая эталонная модель здания, по которой определяется величина управляющего воздействия, не является жестко детерминированной, а корректируется в процессе эксплуатации в соответствии с информацией о фактическом тепловом состоянии объекта.
Наиболее целесообразным методом регулирования отпуска теплоты в системах централизованного теплоснабжения современных городов с разнородной тепловой нагрузкой (отопление, горячее водоснабжение) является сочетание центрального качественного регулирования по отопительной нагрузке или по суммарной нагрузке отопления и горячего водоснабжения с групповым или местным количественным регулированием отдельных видов нагрузки.
Выбор основного импульса для местного регулирования зависит от типа и режима работы установки.
В установках горячего водоснабжения в качестве такого импульса обычно выбирается температура воды после подогревателя в закрытых системах или после смесительного устройства в открытых системах
Выбор импульса для регулирования отопительной нагрузки является более сложной задачей, так как температуры в отдельных помещениях отапливаемых зданий могут существенно различаться и зависят не только от количества теплоты, поданной в здание, но и от качества работы отопительной установки здания, условии эксплуатации отдельных помещений, бытовых тепловыделений, а также солнечной инсоляции и инфильтрации, которые, в свою очередь, зависят от размещения отдельных помещений здания по отношению к сторонам света и розе ветров. Поэтому для экономичного удовлетворения отопительной нагрузки необходимо в дополнение к местному регулированию осуществлять индивидуальное регулирование отдельных помещений или отдельных зон каждого здания, подверженных различному влиянию солнечной инсоляции, ветровой инфильтрации, бытовых тепловыделений и других условий.
Для местного регулирования отопительной нагрузки используются обычно следующие раздельные импульсы:
а) внутренняя температура представительного помещения или средняя внутренняя температура нескольких помещений;
















