150837 (594599), страница 3
Текст из файла (страница 3)
Ток короткого замыкания в максимальном режиме определяется по формуле (2.5):
Ударный ток короткого замыкания в точке К1 в максимальном режиме определяется по формуле (2.6):
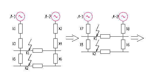
В результате преобразования схема приобретает вид (рисунок 2.3):
Рисунок 2.3 – Схема замещения.
2.3.4 Расчет тока короткого замыкания в точке К2
Для расчета тока короткого замыкания в точке К2 необходимо последовательно сложить сопротивления Х7 и Х5:
Полученные результаты ЕС и X10 подставляются в формулу (3.5):
Истинное значение тока короткого замыкания в точке К2 определяется приведением его к напряжению 10 кВ по формуле:
(2.8)
Определение ударного тока короткого замыкания в точке К2 производится по формуле (2.7), ударный коэффициент КУ принимается равным 1,8 для системы связанной со сборными шинами 10 кВ через трансформатор единичной мощности:
2.3.5 Определение тока короткого замыкания в точке К2 при включенном секционном выключателе 10 кВ
Полученные значения Х8 и Х6 складываются последовательно:
Параллельно складываются Х10 и Х11:
Ток короткого замыкания в максимальном режиме для точки К2 определяется по формуле (2.5):
Истинное значение тока короткого замыкания определяется приведением его к напряжению 10 кВ по формуле (2.8):
Ударный ток короткого замыкания в максимальном режиме для точки К2 определяется по формуле (2.8):
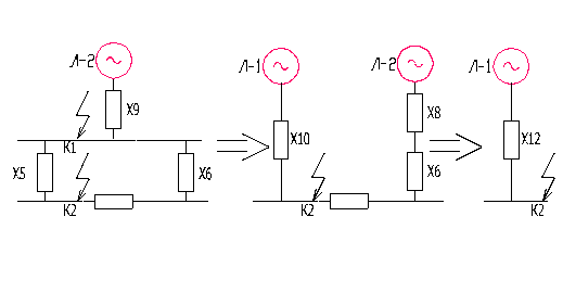
Этапы преобразования схемы замещения приведены на рисунке 2.4.
Рисунок 2.4 – Этапы преобразования схемы замещения
Полученные результаты токов трехфазного короткого замыкания в точках К1, К2 приведены в таблице 2.4.
Таблица 2.4 – Расчетные токи трехфазного короткого замыкания.
| Место короткого замыкания | Трехфазное минимальное короткое замыкание | Трехфазное максимальное короткое замыкание | ||
| I″(3), кА | ίУ(3), кА | I″(3), кА | ίУ(3), кА | |
| Точка К1 | 1,52 | 3,45 | 2,9 | 6,6 |
| Точка К2 | 4,12 | 10,46 | 7,2 | 18,3 |
2.4 Выбор электрических аппаратов и токоведущих частей для заданных цепей
2.4.1 Выбор выключателей для цепей 35 и 10 кВ
На подстанции номер 48П «Петрозаводская птицефабрика» установлены масляные выключатели, которые физически и морально устарели, из-за чего требуют более частых ремонтов и больших затрат на капитальный ремонт.
Выключатели являются основными коммутационными аппаратами и служат для отключения и включения цепей в различных режимах работы. Наиболее ответственной операцией является отключение токов короткого замыкания и включение при срабатывании автоматического повторного включения или ручного опробования оперативным персоналом на существующее короткое замыкание.
Выбор выключателей производится по следующим параметрам:
-
по напряжению установки – Uуст ≤ Uн;
-
по длительному току – Iраб.max ≤ Iн;
-
проверка на электродинамическую прочность I″ ≤ Iдин; ίУ ≤ ίдин;
-
на термическую стойкость – ВК = IТ2 · tТ;
(2.9)
где ВК - тепловой импульс, кА2· с;
IТ - ток термической стойкости аппарата, кА;
tТ - время термической стойкости, с.
Тепловой импульс определяется по формуле:
(2.10)
где tотк - время отключения короткого замыкания, с
ТА - постоянная времени цепи короткого замыкания, с.
Время отключения короткого замыкания определяется по формуле:
(2.11)
где tз – время действия релейной защиты, с, принимается равным 0,3;
tв – полное время отключения выключателя, с.
2.4.1.1 Выбор выключателя в цепи трансформатора на стороне напряжения 35 кВ
Определение максимального тока в цепи трансформатора производится по формуле:
(2.12)
где IТmax – максимального тока в цепи трансформатора, А;
SТ – мощность трансформатора, кВА;
UН – номинальное напряжение, кВ;
КТ – коэффициент перегрузки трансформатора.
По каталогу выбирается выключатель типа ВГБЭ-35-12,5/630 УХЛ1[3].
Технические характеристики выключателя:
-
номинальное напряжение: Uн = 35 кВ;
-
номинальный ток: Iн = 630 А;
-
ток электродинамической устойчивости: Iдин = 12,5 кА, ίдин= 32 кА;
-
термическая стойкость 468,75 кА2·с;
-
полное время отключения 0,065 с.
Определение времени отключения короткого замыкания производится по формуле (2.11):
Тепловой импульс определяется по формуле (2.10):
Значение тока короткого замыкания берется из таблицы 2.4, ТА принимается равной 0,02 с.
Расчетные данные и характеристики выключателя сводятся в таблицу 2.5:
Таблица 2.5 – Выбор выключателя в цепи трансформатора на стороне 35 кВ.
| УСЛОВИЯ ВЫБОРА | РАСЧЕТНЫЕ ДАННЫЕ | ВЫКЛЮЧАТЕЛЬ ТИПА: ВГБЭ-35-12,5/630 УХЛ1 |
| Uуст ≤ Uн | Uуст = 35 кВ | Uн = 35 кВ |
| Iраб.max ≤ Iн | Iраб. max = 231,2 А | Iн = 630 А |
| I″ ≤ Iдин | I″ = 2,9 кА | ίдин = 12,5 кА |
| ίУ ≤ ίдин | ίУ = 6,6 кА | ίдин = 32 кА |
| ВК ≤ IТ2 · tТ | ВК = 3,24 кА2 · с | ВК = 468,75 кА2 · с |
2.4.1.2 Выбор секционного выключателя в цепи линий на стороне напряжения 35 кВ.
По каталогу выбирается секционный выключатель такого же типа, как и в подпункте 2.4.1.1
Определение теплового импульса:
Значение тока короткого замыкания берется из таблицы 2.4.
Расчетные данные и характеристики выключателя сводятся в таблицу 2.6:
Таблица 2.6 – Выбор секционного выключателя на стороне 35 кВ.
| УСЛОВИЯ ВЫБОРА | РАСЧЕТНЫЕ ДАННЫЕ | ВЫКЛЮЧАТЕЛЬ ТИПА: ВГБЭ-35-12,5/630 УХЛ1 |
| Uуст ≤ Uн | Uуст = 35 кВ | Uн = 35 кВ |
| Iраб.max ≤ Iн | Iраб. max = 231,2 А | Iн = 630 А |
| I″ ≤ Iдин | I″ = 2,9 кА | ίдин = 12,5 кА |
| ίУ ≤ ίдин | ίУ = 6,6 кА | ίдин = 32 кА |
| ВК ≤ IТ2 · tТ | ВК = 3,24 кА2 · с | ВК = 468,75 кА2 · с |
2.4.1.3 Выбор выключателей в цепи трансформатора на стороне 10 кВ
Определение максимального тока в цепи трансформатора производится по формуле (2.12):
По каталогу выбирается выключатель типа ВВ/TEL-10-20/1000 УХЛ4.
Технические характеристики выключателя:
-
номинальное напряжение: Uн = 10 кВ;
-
номинальный ток: Iн = 1000 А;
-
ток электродинамической устойчивости: Iдин = 20 кА, ίдин= 52 кА;
-
термическая стойкость 1200 кА2·с;
-
полное время отключения 0,05 с.
Определение времени отключения короткого замыкания производится по формуле (2.11):
Определение теплового импульса производится по формуле (2.10), значение тока короткого замыкания (I″) в максимальном режиме берется из таблицы 2.4, а значение ТА принимается 0,045 [2].
Расчетные данные и характеристики выключателя сводятся в таблицу 2.7:
Таблица 2.7 – Выбор выключателя в цепи трансформатора на стороне 10 кВ.
| УСЛОВИЯ ВЫБОРА | РАСЧЕТНЫЕ ДАННЫЕ | ВЫКЛЮЧАТЕЛЬ ТИПА: ВВ/TEL-10-20/1000 УХЛ4 |
| Uуст ≤ Uн | Uуст = 10 кВ | Uн = 10 кВ |
| Iраб.max ≤ Iн | Iраб.max = 809,2 А | Iн = 1000 А |
| I″ ≤ Iдин | I″ = 7,2 кА | Iдин = 20 кА |
| ίУ ≤ ίдин | ίУ = 18,3 кА | ίдин = 52 кА |
| ВК ≤ IТ2 · tТ | ВК = 6,7 кА2 · с | ВК = 1200 кА2 · с |
2.4.1.4 Выбор выключателей в цепи линий 10 кВ
Определение максимального тока в цепи линии производится по формуле:
(2.13)
где Imax – максимальный ток в цепи линии, А;
Pmax – мощность одной линии 10 кВ, МВА, равна 2,3 МВА;
По каталогу выбирается выключатель то типа ВВ/TEL-10-20/630 УХЛ4
Технические характеристики выключателя:
-
номинальное напряжение: Uн = 10 кВ;
-
номинальный ток: Iн= 630 А;
-
ток электродинамической устойчивости: Iдин = 20 кА, ίдин= 52 кА;
-
термическая стойкость 1200 кА2·с;
-
полное время отключения 0,05 с.
Определение теплового импульса производится по формуле (2.10), значение тока короткого замыкания (I″) в максимальном режиме берется из таблицы 2.4, а значение ТА принимается 0,045 [2].
Расчетные данные и характеристики выключателя сводятся в таблицу 2.8:
Таблица 2.8 – Выбор выключателей в цепи линий 10 кВ.
| УСЛОВИЯ ВЫБОРА | РАСЧЕТНЫЕ ДАННЫЕ | ВЫКЛЮЧАТЕЛЬ ТИПА: ВВ/TEL-10-20/630 УХЛ4 |
| Uуст ≤ Uн | Uуст = 10 кВ | Uн = 10 кВ |
| Iраб.max ≤ Iн | Iраб.max = 166,2 А | Iн = 630 А |
| I″ ≤ Iдин | I″ = 7,2 кА | Iдин = 20 кА |
| ίУ ≤ ίдин | ίУ = 18,3 кА | ίдин = 52 кА |
| ВК ≤ IТ2 · tТ | ВК = 20,8 кА2 · с | ВК = 1200 кА2 · с |
2.4.1.5 Выбор секционного выключателя в цепи линий 10 кВ
Определение максимального тока для двух секций работающих параллельно производится по формуле (2.13):
По каталогу выбирается выключатель того же типа, как и в подпункте 2.4.1.4.















