150675 (594575), страница 2
Текст из файла (страница 2)
Максимальное значение суммарной нагрузки:
Максимальная реактивная мощность потребителя определяется по формуле (3):
(3)
где,
- максимальная активная мощность потребителя
Сумма реактивных мощностей всех потребителей:
По типовым суточным графикам нагрузок потребителей определяем активную суммарную мощность для каждого часа (таблица 2).
Таблица 2
| Часы | Потребители | Суммарная мощность | ||||
| 3780 | 1040 | 660 | 648 | 750 | ||
| 1 | 1890 | 707 | 224 | 227 | 750 | 3798 |
| 2 | 1890 | 728 | 211 | 227 | 450 | 3506 |
| 3 | 1890 | 707 | 205 | 227 | 225 | 3254 |
| 4 | 1890 | 686 | 198 | 227 | 225 | 3226 |
| 5 | 2079 | 707 | 191 | 227 | 225 | 3429 |
| 6 | 2079 | 728 | 198 | 227 | 225 | 3457 |
| 7 | 2075 | 707 | 224 | 227 | 225 | 3458 |
| 8 | 2646 | 853 | 409 | 486 | 225 | 4619 |
| 9 | 3402 | 957 | 607 | 648 | 0 | 5614 |
| 10 | 3780 | 1040 | 660 | 648 | 0 | 6128 |
| 11 | 3402 | 1019 | 594 | 616 | 0 | 5631 |
| 12 | 3024 | 978 | 488 | 518 | 0 | 5008 |
| 13 | 3213 | 957 | 462 | 324 | 0 | 4956 |
| 14 | 3402 | 1019 | 607 | 486 | 0 | 5514 |
| 15 | 3402 | 957 | 568 | 583 | 0 | 5510 |
| 16 | 3213 | 936 | 515 | 518 | 0 | 5182 |
| 17 | 3213 | 957 | 475 | 486 | 750 | 5881 |
| 18 | 3024 | 978 | 554 | 518 | 750 | 5824 |
| 19 | 3024 | 936 | 528 | 583 | 750 | 5821 |
| 20 | 2835 | 915 | 462 | 551 | 750 | 5513 |
| 21 | 2835 | 915 | 475 | 648 | 750 | 5623 |
| 22 | 2457 | 853 | 515 | 616 | 750 | 5209 |
| 23 | 1890 | 728 | 370 | 421 | 750 | 4159 |
| 24 | 1890 | 707 | 251 | 356 | 750 | 3954 |
Максимальное значение суммарной активной мощности приходиться на 10 ч:
Коэффициент разновременности максимумов нагрузок проектируемой подстанции определяем по формуле (4):
(4)
Определяем полную максимальную мощность потребителей с учетом потерь по формуле (5):
(5)
где
- постоянные потери в стали трансформаторов равные 1-2%;
- переменные потери в сетях и трансформаторах равные 6-10%.
Мощность на шинах определяем по формуле (6)
(6)
Мощность на шинах 27,5 кВ:
Мощность на шинах 220 кВ:
Необходимая мощность трансформатора рассчитывается по формуле (7):
, (7)
где
- коэффициент допустимой перегрузки трансформатора, равный 1,4.
На основании расчетов применяются понижающие трансформаторы типа ТДТНЭ – 40000/220.
Определяем полную мощность проектируемой тяговой подстанции по формуле (8):
(8)
1.2 Расчет токов короткого замыкания
Расчет относительных сопротивлений до точек короткого замыкания при максимальном режиме.
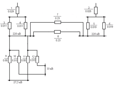
Для расчета относительных сопротивлений до точек короткого замыкания при максимальном режиме составляется принципиальная схема цепи короткого замыкания (рис.1):
рис. 1
Схема замещения (рис.2):
Рис.2
Принимаем
и рассчитываем все сопротивления схемы замещения при этой базисной мощности.
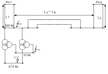
Сопротивления до шин районной подстанции РП1 (РП2)определяем по формуле (9):
(9)
Сопротивление линий определяем по формуле (10):
(10)
Для
сопротивление линий считаем по формуле (11):
(11)
где
- реактивное сопротивление воздушной линии равное 0,4 Ом/км.
Определяем относительные сопротивления обмоток трансформаторов проектируемой тяговой подстанции по формуле (12):
(12)
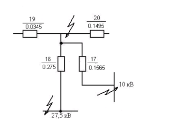
Результаты расчетов проставляем на схему замещения рис.2, заменим параллельное соединение последовательным рис.3:
Рис.3
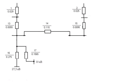
Пользуясь формулами преобразования, сворачиваем схему:
Рис.4
Рис.5
Преобразуем полученную схему замещения (рис.5), заменив параллельное соединение сопротивлений
и
последовательным, тем самым находим относительное базисное сопротивление до точек короткого замыкания по формуле (13):
(13)
Находим относительное базисное сопротивление до точки
:
Находим относительное базисное сопротивление до точки
:
Находим относительное базисное сопротивление до точки
:
Расчет токов и мощности к.з. в точке
:
;
;
;
;
Расчет токов и мощности к.з. в точке
;
;
;
;
.
Расчет токов и мощности к.з. в точки
:
1.3 Расчет максимальных рабочих токов
Вводы 220 кВ (по формуле (14)):
(14)
где
- сумма номинальных мощностей понижающих тр-ров,
- коэффициент перспективы развития потребителей, равный 1,3;
СШ 220 кВ (по формуле (15)):
(15)
где
- коэффициент распределения нагрузки по шинам первичного
напряжения, равный 0,5-0,7.
Первичная обмотка понижающего трансформатора:
- коэффициент допустимой перегрузки трансформаторов, (1,5).
Обмотка низшего напряжения:
СШ 10 кВ:
Питающие линии потребителей 10 кВ рассчитываем по формуле (16):
(16)
где
- максимальная мощность потребителей;
- коэффициент мощности потребителей.
;
Ввод 27,5 кВ (по формулу (17)):
(17)
СШ 27,5 кВ (по формуле (18)):
(18)
















