150644 (594566), страница 4
Текст из файла (страница 4)
2. ЭЛЕКТРИФИКАЦИЯ ТЕХНОЛОГИЧЕСКИХ ПРОЦЕССОВ В КОТЕЛЬНОЙ
2.1 Описание технологического процесса
Паровые котельные оборудуются только паровыми котлами и применяются в основном для выработки пара на технологические нужды, а в отдельных случаях при отсутствии водогрейных котлов требуемых типоразмеров и небольших жилищно-коммунальных нагрузках - для выработки горячей воды для систем теплоснабжения.
Принципиальная схема котельной с паровыми котлами, отпускающей пар на технологические нужды и горячую воду на теплоснабжение, показана на рис. 2.1.
Вырабатываемый в котлах 1 пар по паропроводам направляется к технологическим потребителям и в пароводяной теплообменник 4 для подогрева воды, циркулирующей в системе теплоснабжения. Конденсат от технологических потребителей и после пароводяного теплообменника поступает в деаэратор 9, для работы которого используется редуцированный пар от котлов. Для восполнения потерь конденсата в деаэратор с помощью подпиточного насоса 12 подается также подпиточная вода после химводоочистки 11. Из деаэратора вода подается питательным насосом 10 в котлы.
Циркуляция воды в системе теплоснабжения осуществляется с помощью сетевых насосов 6. Отпуск тепла на теплоснабжение регулируется путем изменения расхода пара с помощью регуляторов 3 в соответствии с требуемым температурным графиком. Подпитка воды в тепловую сеть производится подпиточным насосом 12 установленным после химводоочистки 11 на всасывание сетевого насоса.
Топливо, сгорая в топке, т.е. вступая в химическую реакцию с кислородом воздуха, образует горячие газы, которые с помощью тяговых устройств движутся по газоходам котельного агрегата, отдавая тепло поверхностям нагрева, охлаждаются и выбрасываются в окружающую среду.
Мощность и число паровых котлов определяется значением нагрузок по горячей воде и паровой нагрузки с учетом собственных нужд котельной.
Мощность котельных выбирается по расчетной максимальной тепловой нагрузке потребителей. При этом типоразмеры установленных котлоагрегатов должны быть такими, чтобы при выходе из строя наибольшего по производительности котла оставшиеся котлы обеспечивали максимальный отпуск тепла технологическим потребителям и требуемое для наиболее холодного месяца среднее количество тепла для нагрузок ЖКС.
Принципиальная схема котельной с паровыми котлами, отпускающей пар и горячую воду.
1-котлы; 2-распределительное устройство; 3-регулирующий клапан; 4 пароводяной теплообменник; 5-конденсатоотводчик; 6-сетевой насос; 7 фильтр; 8-регулятор подпитки; 9-деаэратор; 10-питательный насос; 11 аппарат химводоочистки; 12-подпиточный насос; 13-расширительный бак.
Рис. 2.1
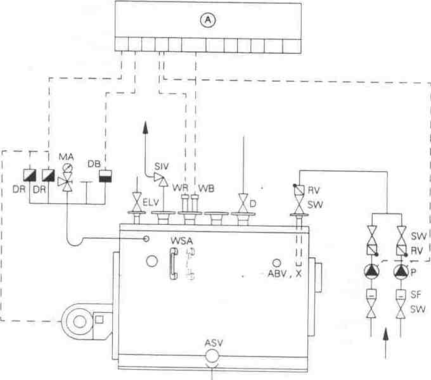
На рисунке 2.2 показано оснащение устройствами безопасности парового котла, для режима 24- или 72-часовой эксплуатации без постоянного операторского надзора с двух позиционным регулированием уровня воды.
Рис 2.2 Оснащение устройствами безопасности
ABV - Вентиль продувки по солесодержанию (с ручной установкой).
ASV - Быстрозапорный продувочный вентиль с мембранным приводом.
D - Быстрозапорный продувочный вентиль с мембранным приводом.
DB - Ограничитель максимального давления.
DR - Регулятор давления.
ELV - Деаэрационный клапан.
HWB - Ограничитель наивысшего уровня воды.
LFE - Электрод для измерения электропроводности.
МА - Манометр.
MV - Управляющий клапан (трехходовой электромагнитный клапан).
Р - Насос питательной воды.
RV - Обратный клапан.
SF1 - Грязеловушка.
SF2 - Грязевой фильтр.
SIV - Предохранительный клапан.
SW - Вентиль питательной воды.
WB - Ограничитель уровня воды.
WR - Регулятор уровня воды.
WSA - Указатель уровня водя.
Х - Охладитель пробоотборника.
А - Шкаф автоматики фирмы Viessmann со схемой блокировки по превышению давления для эксплуатации без постоянного надзора.
2.2 Описание работы и технические характеристики технологического оборудования
Основные элементы современной котельной установки - топка, котел, пароперегреватель, водяной экономайзер, воздухоподогреватель (в совокупности называемые котельным агрегатом), а также тягодутьевые и питательные устройства, оборудование топливоподачи.
Котел «Турбомат» представляет собой горизонтально расположенный цилиндрический барабан, внутри которого расположен внутренний цилиндр, передняя часть цилиндра является топкой. Перед топкой установлена горелка фирмы «VIESSMANN» оборудованная вентилятором с двигателем Р=5,5 КВт. В процессе регулирования нагрузки котла приходится изменять объем подаваемого воздуха, для этого вентилятор оборудован заборными жалюзями с шаговым электродвигателем типа SQM 10.
Дымовые газы из топки направляются к задней поворотной камере, затем по жаровым трубам второго хода поступают в переднюю поворотную камеру и через жаровые трубы третьего хода - в сборный газоход. Проходя внутри труб горячие дымовые газы, отдают тепло металлическим стенкам, которые снаружи омываются водой. За счет испарения вода превращается в пар.
Для поддержания постоянного уровня питательной воды в котле установлены два подпиточных насоса фирмы «GRINFOSE», типа CR4-160/14F, мощностью Р=3 кВт.
Непрерывно поступающие в котел с питательной водой соли и образующийся в котловой воде шлам скапливаются в водяном объеме котла. Чтобы соли не накапливались в котловой воде, часть воды из котла непрерывно отводят (для этого в нижней части котла установлен электроклапан), одновременно добавляют питательную воду с меньшим солесодержанием. Этот процесс называют непрерывной продувкой.
Котел оснащен автоматическим устройством продувки по солесодержанию. Клапан удаления соли служит в комбинации с регулятором удаления соли и токопроводящим электродом для непрерывного отвода солей из котла.
На регуляторе обессоливания установлено заданное значение электропроводности. При изменении электропроводности котловой воды от заданного значения сервопривод LGR 16-5 клапана получает управляющий импульс от регулятора обессоливания на закрытие - открытие.
Полученные в топке газы, пройдя газоходы пароперегревателя и котла, обычно имеют высокую температуру (около 300-450°С), поэтому их невыгодно выбрасывать в дымовую трубу. Для повышения экономичности установки за котлом устанавливают дополнительные поверхности нагрева: экономайзер, подогревающий воду, идущую на питание котла.
Водяной пар, направляемый из котельной для использования в системах отопления, вентиляции, горячего водоснабжения, а также и в производственных аппаратах превращается в конденсат, который в своей большей части возвращается в котельную. Конденсат по существу представляет собой дистиллированную воду, почти без примесей. Однако в ней могут быть растворены кислород воздуха и углекислота, вызывающие коррозию (ржавление) отдельных элементов котельной установки, поэтому конденсат перед питательным баком предварительно пропускают через деаэратор. При эксплуатации систем теплоснабжения, чтобы снизить тепловые потери, необходимо возвращать, возможно, больше конденсата.
Принципиальная схема деаэрационно-питательной установки.
В конденсатный бак. Умягченная вода от химводоочистки
Рис 2.3
Питательная вода для котельного агрегата берется из различных источников водоснабжения. Вода содержит соли, которые при нагревании и испарении отлагаются на стенках котла в виде накипи. Накипь затрудняет теплоотдачу, а в трубах, расположенных в топочном пространстве, вызывает перегрев стенки. Чтобы это не происходило, вода обрабатывается в специальных фильтрах, пропускается через деаэратор рис.2.3, а затем сливается в совмещенный с деаэратором питательный бак. Из питательного бака вода при помощи насоса нагнетается через экономайзер в котел. Подача воды регулируется автоматически так, чтобы уровень питательной воды находился в пределах водоуказательного стекла.
Таблица2.1.Экспликация оборудования деаэрационно-питательной установки
| № | Наименование | Ед. изм. | Кол-во | Примечание |
| шт. | ||||
| 1 | ||||
| Колонка деаэратора | — | 1 | Производительность | |
| (дегазатор) | 20м.куб/ч | |||
| 2 | Емкость питательной | |||
| воды. | __ | 1 | Объем 10м.куб/ч. | |
| 3 | Дозирующий насос | __ | 2 | Тип GP-6/30S 1-5,5л/час |
| с аварийным реле | ||||
| Тип Grinfosе | ||||
| 4 | Конденсатный насос | — | 2 | CR4-160/14F |
| ЗкВт. |
Вода, подлежащая дегазации, подводится на распределительную тарелку дегазатора. В дегазаторе происходит подогрев воды до температуры, близкой к температуре насыщения, удаление основной массы газов и конденсация большей части пара. Процесс дегазации завершается в емкости питательной воды, где осуществляется подогрев воды до температуры насыщения с незначительной конденсацией пара и удаления микроколичеств газа.
Для защиты установки от избыточного внутреннего давления предусмотрен предохранительный контур, который срабатывает при 0,7 бар избыточного давления. Для защиты от вакуума на питательной емкости установлен обратный клапан - вакуумная дробилка.
Питательный бак оборудован встроенным термометром, с помощью которого возможно контролировать правильную температуру воды. Для контроля избыточного давления на деаэрационной колонке установлен манометр.
2.3 Расчет вентиляционно-отопительного режима котельного цеха
Цех имеет четыре паровых котла «Турбомат», работающих на газообразном топливе. Такие паровые котлы требуют огромного количества воздуха, неорганизованный подвод которого невозможен, а компоновка современных газо-воздушных трактов, приспособленная к нуждам парового котла настолько сложна, что для транспортировки по ним агента применяются высоконапорные вентиляторы. В результате сложности подачи воздуха по трактам котлов, необходимо, для снижения сопротивления, подводить воздух к горелкам не принудительно, используя канальные системы, а естественным путем из помещения. Вот почему так важно забирать свежий воздух в большом количестве из помещения котельного цеха (15600 м3/ч) и подавать его к горелкам по своим газо-воздушным трактам. А также в зависимости от климатических условий вентиляторы должны быть защищены от атмосферных осадков, поэтому они должны находится в закрытом помещении на высоте не более 5-6 метров, для обеспечения возможности ремонта, замены оборудования и отдельных его элементов.
Выбор способа поддержания необходимых параметров воздушной среды в помещении определяется многими факторами: режимом работы, характером выделяющихся вредностей, количеством и расположением рабочих мест, оборудованием и др. Для таких условий наиболее приемлемым способом является приточно-вытяжная система вентиляции с механическим побуждением,
Количество тепла необходимое для нагревания 15600 м3/ч — требуемый объем воздуха для вентиляторов четырех горелок котлов, вдуваемого с улицы в помещение котельной можно определить по формуле:
Q=V
С'р(t0-tn); (2.1.)
Q=15600
l,3(-3+34)=174,6 кВт.
где V-объем воздуха, м3 -15600;
С'р -теплоемкость воздуха-1.3 кДж/м3.гр.;
t0-температура нагрева наружного воздуха,(-34 до -3°С);
tn- температура наружного воздуха, (-32°С).
Количество тепла выделяемое котлами в помещение определяется по формуле:















