150639 (594564), страница 6
Текст из файла (страница 6)
Устанавливаем предохранитель типа: ПКТ-101-20-31,5У3
-
-
6.2 Выбор типа распределительных устройств на низкой стороне главной понизительной подстанции, выключателей, трансформаторов тока и напряжения.
I. КРУ КЭ-10/20 комплектуется следующим оборудованием:
– выключатели серии VF
– разъединитель штепсельный РВР-10
– трансформаторы тока ТОЛ-10, ТЛК-10, ТШЛ-10
– трансформаторы напряжения ЗНОЛ.09, НОЛ.08
– трансформатор тока нулевой последовательности ТЗЛМ.
II. Выбор выключателей, установленных на вводе в комплектные распределительные устройства а также секционного выключателя.
Номинальный ток силового трансформатора:
А,
Максимальный (послеаварийный) ток силового трансформатора:
А,
Таблица 7.1 - Проверка выключателей 10 кВ
| Расчётные данные | Условия выбора | Каталожные данные | |
| VF 12.12.20 | |||
| U, кВ | 10 | Uуст < Uном | 12 |
| Iраб утяж, А | 962,25 | Iмах < Iном | 1250 |
| Iп,о=Iп,τ, А | 8,79 | Iпо < Iдин | 20 |
| Iуд, кА | 20,00 | Iуд < iдин | 50 |
| Iat, кА | 0,62 | Iа,τ < Iа ном | 20,00 |
| Bk, кА^2 ∙ с | 44,85 | Bк < Iтер^2∙tтер | 1200 |
В качестве выключателей отходящих линий принимаем выключатели этого же типа.
III. Выбор трансформаторов тока на вводе в распределительное устройство 10 кВ главной понизительной подстанции.
Таблица 7.2 - Выбор трансформаторов тока
| Расчётные данные | Условия выбора | Каталожные данные | |
| ТПШЛ-10-1000-0,5/10Р | |||
| U, кВ | 10 | Uуст < Uном | 10 |
| Iраб утяж, А | 962,25 | Iмах < Iном | 1000 |
| Iуд, кА | 20,00 | Iуд < iдин | 128 |
| Bk, кА^2 ∙ с | 44,85 | Bк < Iтер^2∙tтер | 4900 |
Вторичная нагрузка ТТ: амперметр, ваттметр, расчетные счетчики активной и реактивной энергии.
Рисунок 7.1 -Схема вторичных токовых цепей трансформатора тока 10 кВ.
Проверку ТА по вторичной нагрузке проводим, пользуясь схемой включения и каталожными данными приборов. Определим нагрузку по фазам для наиболее загруженного трансформатора тока. Данные внесем в таблицу 7.3.
Таблица 7.3 - Нагрузка трансформаторов тока
| Прибор | Тип | Потребляемая мощность, ВА | ||
| фаза А | фаза В | фаза С | ||
| Амперметр | Э-335 | 0,5 | - | - |
| Ваттметр | Д-335 | 0,5 | - | 0,5 |
| Счетчик энергии | ЦЭ2727 | 4 | - | 4 |
| ИТОГО: | 5 | - | 4,5 | |
Из таблицы 7.3 видно, что наиболее загружены трансформаторы тока фазы А, тогда общее сопротивление приборов:
Ом.
Допустимое сопротивление проводов:
rпров = z2ном - rприб - rконт ,
где z2ном = 0,8– для класса точности 0,5;
rконт = 0,07 Ом – для трех приборов;
rпров = 0,8 − 0,2 − 0,07 = 0,53 Ом.
Принимаем кабель с алюминиевыми жилами, ориентировочная длина которого 4 метра. Так как трансформаторы тока соединены в неполную звезду, значит
, тогда сечение соединительных проводов:
q =
,
q =
мм2.
Правила устройства электроустановок регламентирует минимальное сечение для алюминиевых проводов 4 мм2, поэтому принимаем контрольный кабель АКРВГ с жилами S = 4 мм2.
Схема включения приборов, выбранных на секционном выключателе главной понизительной подстанции, представленной на рисунке 7.2.
Рисунок 7.2 - Схема цепей трансформатора тока секционного выключателя 10 кВ
Проверку ТА по вторичной нагрузке проводим, пользуясь схемой включения и каталожными данными приборов. Определим нагрузку по фазам для наиболее загруженного трансформатора тока. Данные приведены в таблице 7.4.
Таблица 7.4 - Нагрузка трансформаторов тока
| Прибор | Тип | Кол-во | Потребляемая мощность, ВА | ||
| фаза А | фаза В | фаза С | |||
| Амперметр | Э-335 | 1 | 0,5 | - | - |
Из таблицы 7.4 видно, что наиболее загружены трансформаторы тока А и В, тогда общее сопротивление приборов:
rприб =
Ом.
Допустимое сопротивление проводов:
rпров =
rприб − rконт,
где
= 0,8 – для класса точности 0,5;
rконт = 0,05 Ом – для одного прибора;
rпров = 0,8 − 0,02 − 0,05 = 0,73 Ом.
Принимаем кабель с алюминиевыми жилами, ориентировочная длина которого 4 метра. Так как трансформаторы тока соединены в неполную звезду, значит lрасч =
, тогда сечение соединительных проводов:
q =
мм2.
Правила устройства электроустановок регламентирует минимальное сечение для алюминиевых проводов 4 мм2, поэтому принимаем контрольный кабель АКРВГ с жилами S = 4 мм2.
IV. Трансформатор напряжения устанавливаем на каждую секцию сборных шин главной понизительной подстанции. Принимаем к установке 3×ЗНОЛ 09.10, с паспортными данными: Uном = 10 кВ, S2ном = 3×150 = 450 ВА, работающий в классе точности 1. К нему подключаются все измеритнльные приборы данной секции шин. Подсчет вторичной нагрузки приведен в таблице 7.5.
Таблица 7.5 - Нагрузка трансформаторов напряжения
| Приборы | Тип | S одной обмотки ВА | Число обмоток | соsφ | sinφ | Число приборов | Общая потреб мощность | ||||||||||
| Р, Вт | Q,ВА | ||||||||||||||||
| Вольтметр | СШ | Э-35 | 2 | 1 | 1 | 0 | 2 | 4 | − | ||||||||
| Счетчик энергии | Ввод 10 кВ трансформатора | ЦЭ2727 | 4 | 2 | 0,38 | 0,925 | 1 | 8 | 19,47 | ||||||||
| Ваттметр | Д-335 | 1,5 | 2 | 1 | 0 | 1 | 3 | - | |||||||||
| Счетчик энергии | Линии 10 кВ | ЦЭ2727 | 4 | 2 | 0,38 | 0,925 | 6 | 48 | 116,8 | ||||||||
| ИТОГО | 63 | 136,3 | |||||||||||||||
Вторичная нагрузка трансформатора напряжения:
S2 =
ВА,
т.к. 150<450 , S2 < S2ном, т.е. трансформатор напряжения будет работать в заданном классе точности.
Для соединения трансформаторов напряжения с приборами принимаем контрольный кабель АКРВГ с жилами сечением 4 мм2 по условию механической прочности. Трансформатор напряжения присоединяется к сборным шинам через предохранитель типа ПКН-001-10У3 и втычной разъединитель.
-
6.3 Выбор соединения силового трансформатора с КРУ - 10 кВ
Соединение может осуществляться гибким подвесным токопроводом, шинным мостом или закрытым комплектным токопроводом. Выбираем комплектный токопровод ТЗК-10-1600-51. Все расчетные и каталожные данные приведены в таблице 7.6.
Таблица 7.6 – Выбор комплектного токопровода
| Расчетные данные | Каталожные данные ТЗК-10-1600 |
| U=10kB | Uhom=10kB |
| Iмакс=962,25 А | Iном=1600А |
| iу=20 кА | iдин=51 кА |
Выбор изоляторов не производим, т.к. они комплектны с токопроводом.
-
6.4 Выбор выключателей напряжением 10 кВ схемы внутреннего электроснабжения и соответствующих трансформаторов тока
Выбор выключателей напряжением 10 кВ схемы внутреннего электроснабжения, а также соответствующие трансформаторы тока приведены в таблице 7.7.
Таблица 7.7 - Выключатели 10 кВ
| Кабельные линии | Uн, кВ | Iр, А | Iутяж, А | Iпо, кА | Iу, кА | Тип выключателя | Тип ТА |
| ГПП-ТП1 | 10 | 36,54 | 80,83 | 8,79 | 20,00 | VF 12.08.16 | ТЛК-10-100-0,5/10Р |
| ГПП-ТП3 | 10 | 129,97 | 202,07 | 8,79 | 20,00 | VF 12.08.16 | ТЛК-10-300-0,5/10Р |
| ГПП-ТП4 | 10 | 129,97 | 202,07 | 8,79 | 20,00 | VF 12.08.16 | ТЛК-10-300-0,5/10Р |
| ГПП-ТП5 | 10 | 130,04 | 202,07 | 8,79 | 20,00 | VF 12.08.16 | ТЛК-10-300-0,5/10Р |
| ГПП-ТП7 | 10 | 260,05 | 404,15 | 8,79 | 20,00 | VF 12.08.16 | ТЛК-10-450-0,5/10Р |
| ГПП-ТП9 | 10 | 130,03 | 202,07 | 8,79 | 20,00 | VF 12.08.16 | ТЛК-10-300-0,5/10Р |
Расчетные и каталожные данные на выключатель приведены в таблице 7.8.
Таблица 7.8 -Проверка выключателей на отходящих линиях 10 кВ
| Расчётные данные | Условия выбора | Каталожные данные | |||
| VF 12.08.16 | |||||
| U, кВ | 10 | Uуст < Uном | 12 | ||
| Iраб утяж, А | 404,15 | Iмах < Iном | 800 | ||
| Iп,о=Iп,τ, А | 8,79 | Iпо < Iдин | 16 | ||
| Iуд, кА | 20,00 | Iуд < iдин | 40 | ||
| Iat, кА | 0,62 | Iа,τ < Iа ном | 16,0 | ||
| Bk, кА^2 ∙ с | 44,85 | Bк < Iтер^2∙tтер | 768 | ||
-
-
6.5 Выбор коммутационной аппаратуры на стороне высшего и низшего напряжения трансформаторных подстанций
В цеховых ТП применяем комплектные трансформаторные подстанции. КТП-630 и КТП-1000 комплектуются выключателями нагрузки типа ВНПу-10 с пружинным приводом со встроенными предохранителями ПК. Результаты выбора сводены в таблицу 7.9.
Таблица 7.9 - Выключатели нагрузки и предохранители
| № ТП | Uн, кВ | Iр, А | Iутяж, А | Iк, кА | Тип выключателя нагрузки | Тип предохранителя |
| ТП 1,2 | 10 | 34,75 | 80,83 | 8,79 | ВНПу-10/100-10зУ3 | ПН2-10-100-31,5У3 |
| ТП 3,4 | 10 | 122,69 | 202,07 | 8,79 | ВНПу-10/400-10зУ3 | ПН2-10-400-31,5У3 |
| ТП 5,6 | 10 | 122,69 | 202,07 | 8,79 | ВНПу-10/400-10зУ3 | ПН2-10-400-31,5У3 |
| ТП 7,8,9,10 | 10 | 122,69 | 202,07 | 8,79 | ВНПу-10/400-10зУ3 | ПН2-10-400-31,5У3 |
По величине тока короткого замыкания в точке К-4 производится выбор только вводных выключателей, установленных на стороне низшего напряжения.
На стороне низшего напряжения цеховых трансформаторных подстанций выбираем автоматические выключатели для низковольтных распределительных устройств. Принимаем к установке распределительное устройство КТП общепромышленные (собственных нужд), представляющее собой трансформаторные подстанции внутренней (У3) установки c автоматическими выключателями серии "Электрон", предназначенные для приема электрической энергии трехфазного переменного тока частотой 50 гц, напряжением 10 кВ, преобразования в электроэнергию напряжением 0,4 кВ и ее распределения.
Выбор оборудования низковольтных распределительных пунктов (0,4 кВ) осуществляется по токам нагрузки в нормальном и утяжеленном режимах. Результаты выбора сведены в таблицу 7.10.
Таблица 7.10 Выбор оборудования низковольтных распределительных пунктов
| № ТП, РПН | Место установки выключателя | Iр, А | Iутяж, А | Тип выключателя |
| КТП 1000-10/0,4 | Вводной | 1226,87 | 2020,73 | Э25МВ; Iном = 2500 А; Iо = 65 кА |
| КТП 630-10/0,4 | Вводной | 772,93 | 1273,06 | Э25МВ; Iном = 2500 А; Iо = 65 кА |
-
6.6 Разработка принципиальной схемы электроснабжения прессового цеха
-
Выбор схемы питания 10 кВ
Питание цеховой подстанции осуществляем от двух ячеек на разных секциях шин РП – 10кВ по двум кабельным линиям (обусловлено требованиями надежности электроснабжения) по схеме блок трансформатор – магистраль с выключателями нагрузки на вводе. Такая схема обладает простотой, достаточной надежностью, позволяет быстро отключать трансформаторы и питающие линии. Защита питающих линий и трансформаторов от перегрузок и коротких замыканий обеспечивается двухступенчатой релейной защитой на РП-30, а применение выключателей нагрузки позволяет осуществить отключение трансформаторов при внутренних повреждениях посредством газовой защиты.
-
6.6.2 Выбор схемы распределения электроэнергии
В цехе используется магистральная схема распределения электроэнергии. На ее выбор повлияли следующие факторы: 1. Электроприемники расположены в цехе равномерно. 2. На машиностроительных заводах рекомендуется применять магистральные схемы распределения электроэнергии. Магистральную схему выполняем шинопроводами типа ШРА - 4, которые подключаются к шинам КТП посредством кабелей проложенных в каналах в полу или вдоль стен в монтажных лотках. Электроприемники запитываются непосредственно от шинопровода через автоматические выключатели поставляемые комплектно. Подключение выполнено проводом ПВ 3 в трубах в полу или кабелем ВВГ в каналах пола. Схема представляет собой 4 магистрали, от которых запитываются электроприемники. Группы мелких электроприемников подключаются к групповым силовым распределительным пунктам ШР1 – ШР4 запитанным от шинопровода. Размещение распределительных пунктов осуществляем исходя из минимальной длины кабельных линий, удобства подключения и обслуживания в период эксплуатации, а также возможности дальнейшего развития схемы. Сами распределительные пункты подключаются к шинопроводам посредством кабеля. Питание освещения осуществляется от 4 распределительных пунктов. Пункты подключены к шинам НН КТП кабелем ВВГ проложенным в каналах пола и по кабельным конструкциям.
-
6.6.3 Расчет нагрузок по отдельным узлам схемы
Расчет нагрузок по отдельным узлам схемы проводится аналогично расчету нагрузок отделений цеха (смотри пункт 1.1). Группы небольших по мощности силовых технологических приемников подключаем через силовые распределительные пункты ШР-1 – ШР-4. Расчетную нагрузку каждого пункта определяем по такой же методике, что и для участков цеха. Расчет сводим в таблицу 7.11.
Силовые пункты и остальные технологические приемники подключаем к распределительным шинопроводам и рассчитываем их расчетную нагрузку вышеизложенным методом.
Наиболее мощные приемники присоединяются кабелем непосредственно к ячейкам РУНН КТП.
Принимаю к установке магистральные шинопроводы типа ШМА 4 - 1250 - 44 - 1У3 на 1250 А ( ТУ 36.18.29.01 - 22 - 88 ) распределительные шинопроводы ШРА 4 - 250 - 32 - 1У3 и шкафы распределительные марки: ШР 11 Шкаф рассчитан на номинальные токи до 400 А и номинальное напряжение до 380 В с глухозаземленной нейтралью трехфазного переменного тока частотой 50 Гц и с защитой отходящих линий предохранителями НПН2-60 (до 63А), ПН2-100 (до 100 А), ПН2-250 (до 250 А), ПН2-400 (до 400А).
7. Компенсация реактивной мощности
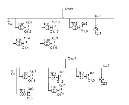
Оптимальный выбор средств компенсации реактивной мощности является составной частью построения рациональной системы электроснабжения промышленного предприятия. Распределительное устройство 10 кВ ГПП имеет четыре системы сборных шин. К секции СШ подключены кабельные линии, питающие трансформаторы цеховых ТП и высоковольтных РП. На рисунке 8.1 приведена схема замещения СЭС для расчета компенсации реактивной мощности. В таблице 8.1 приведены исходные данные для схемы электроснабжения, показанной на рисунке 8.1. Здесь обозначено: Sнтi – номинальная мощность трансформатора i-ой ТП; Q1i и Qтi – реактивная нагрузка на один трансформатор i-ой ТП и потери реактивной мощности в нем; Rтрi – активное сопротивление трансформатора i-ой ТП, приведенное к напряжению 10 кВ; Rлi – активное сопротивление i-ой кабельной линии.
Сопротивление трансформатора определяем по формуле:
Rтрi =
. (8.1)
Сопротивление кабельной линии определим по формуле:
Rл = Rу · l, (8.2)
где l – длина кабельной линии, км;
Rу – удельное сопротивление кабеля, Ом/км.
Результаты расчётов приведены в таблице 8.1.
Рисунок 8.1 - Схема замещения СЭС
Таблица 8.1 – Расчёт сопротивлений
| Трансформаторная подстанция | Sтн, кВА | Q1i, квар | ΔQтi, квар | Rтi, Ом | Rлi, Ом | число тр-ров ТП |
| ТП1 | 1000 | 478,92 | 33,92 | 1,22 | 0,38 | 1 |
| ТП2 | 1000 | 478,92 | 33,92 | 1,22 | 0,46 | 1 |
| ТП3 | 2500 | 1 672,50 | 142,41 | 0,38 | 0,21 | 1 |
| ТП4 | 2500 | 1 672,50 | 142,41 | 0,38 | 0,24 | 1 |
| ТП5 | 2500 | 1 697,41 | 142,41 | 0,38 | 0,18 | 1 |
| ТП6 | 2500 | 1 697,41 | 142,41 | 0,38 | 0,23 | 1 |
| ТП7 | 2500 | 1 693,02 | 142,41 | 0,38 | 0,01 | 1 |
| ТП8 | 2500 | 1 693,02 | 142,41 | 0,38 | 0,13 | 1 |
| ТП9 | 2500 | 1 693,02 | 142,41 | 0,38 | 0,20 | 1 |
| ТП10 | 2500 | 1 693,02 | 142,41 | 0,38 | 0,33 | 1 |
| ИТОГО | 14 469,75 | 1 207,09 |
Параметры синхронных двигателей приведены в таблице 8.2.
Таблица 8.2 - Параметры синхронных двигателей
| Обознач. в схеме | Тип двигателя | Uном, кВ | Рсд.нi, кВт | Qсд.нi, квар | Ni, шт | ni, об/мин | Д1i, кВт | Д2i, кВт |
| СД 3200 | СТД | 10 | 3200 | 1600 | 2 | 3000 | 7,16 | 10,1 |
Располагаемая реактивная мощность СД:
Qсд.мi =
, (8.3)
где αмi – коэффициент допустимой перегрузки СД по реактивной мощности, зависящий от загрузки βсдi по активной мощности и номинального коэффициента мощности соsφнi.
Примем, что все синхронные двигатели имеют βсд = 0,9, тогда αм = 0,58.
Результаты расчета приведены в таблице 8.2.
Определение затрат на генерацию реактивной мощности отдельными источниками.
Определение удельной стоимости потерь активной мощности от протекания реактивной мощности производим по формуле:
С0 = δ
, (8.4)
где δ – коэффициент, учитывающий затраты, обусловленные передачей по электрическим сетям мощности для покрытия потерь активной мощности:
α – основная ставка тарифа, руб/кВт;
β – стоимость 1 кВт∙ч электроэнергии (дополнительная ставка тарифа);
Для 110 кВ: α = 2165,76 руб/кВт год; β= 0,941 руб/кВ∙ч
Км = ∆Рэ/∆Рм = 0,93 – отношение потерь активной мощности предприятия ∆ Рэ в момент наибольшей активной нагрузки энергосистемы к максимальным потерям ∆Рм активной мощности предприятия;
τ – время использования максимальных потерь, ч.
С0 = 1,02×(2165,76×0,93 + 1,04×2198,77) = 4205,69 руб/кВт.
Непосредственное определение затрат на генерацию реактивной мощности:
- для низковольтных БК (0,4 кВ)
З1г.кн = Е·КБКН + С0·ΔРБКН , (8.5)
З1г.кн = 0,223·360000+4205,69·4 = 93502,78 руб/Мвар
- для высоковольтных БК (10 кВ)
З1г.кв = З10 = Е∙КБКВ∙ Кпр.ц + С0∙ΔРБКв , (8.6)
З1г.кв = 0,213·180000+4205,69·4 = 46751,39 руб/Мвар
- для синхронных двигателей
З1г.сдi = С0∙
; З2г.сдi = С0∙
. (8.7)
Результаты расчета затрат для СД приведены в таблице 8.3.
Таблица 8.3 – Расчёт затрат для СД
| Обозначение СД на схеме | Qсд.мi, Мвар | З1г.сдi, руб/Мвар | З2г.сдi, руб/Мвар2 | Rэ.сдi, Ом | Qсдi, Мвар |
| СД 3200 | 4,15 | 18820,48 | 8296,39 | 0,21 | 1,56 |
| Итого: | 4,15 | - | - | - | 1,56 |
Определение эквивалентных активных сопротивлений ответвлений с ТП, подключенных к 1-ой секции СШ ГПП. Для расчета оптимальной реактивной мощности, генерируемой низковольтными БК, необходимо знать эквивалентные сопротивления соответствующих ТП.
Эквивалентные сопротивления для СД:
Rэ.сд =
, (8.8)
Результаты расчётов приведены в таблице 8.4.
Таблица 8.4 – Выбор конденсаторных установок
| Место установки БК | Rэi, Ом | Qсi, Мвар | Qкi, квар | Qкi+ Qсi, квар | Тип принятой стандартной БК | Qстi, квар | |
| Расчетное | Принятое | ||||||
| ТП1 | 1,60 | 0,16 | 0,16 | 0,00 | 164,61 | УК9-0,4-112,5 У3 УКМ58М-0,4-50-25 У3 | 162,5 |
| ТП2 | 1,68 | 0,18 | 0,18 | 0,00 | 181,79 | УКМ58М-0,4-150-37,5 У3 УК1(2)-0,4-37,5 У3 | 187,5 |
| ТП3 | 0,59 | 0,87 | 0,87 | 907,75 | 1773,55 | 2хУКМ58М-0,4-603-67 У3 УКМ58М-0,4-536-67 У3 УК1(2)-0,4-37,5 У3 | 1779,5 |
| ТП4 | 0,62 | 0,91 | 0,91 | 907,75 | 1822,18 | 2хУКМ58М-0,4-603-67 У3 УКМ58М-0,4-300-50 У3 | 1826 |
| ТП5 | 0,55 | 0,84 | 0,84 | 618,76 | 1457,07 | 2хУКМ58М-0,4-603-67 У3 УКМ58М-0,4-250-50 У3 | 1506 |
| ТП6 | 0,61 | 0,92 | 0,92 | 618,76 | 1540,15 | 2хУКМ58М-0,4-603-67 У3 УКМ58М-0,4-300-50 У3 УК2-0,4-66,7 У3 | 1543,5 |
| ТП7 | 0,39 | -0,23 | 0,00 | 2065,6 | 2065,6 | 3хУКМ58М-0,4-603-67 У3 УКМ58М-0,4-200-50 У3 | 2009 |
| ТП8 | 0,50 | 0,23 | 0,23 | 2065,6 | 2158,6 | 4хУКМ58М-0,4-536-67 У3 | 2144 |
| ТП9 | 0,57 | 0,23 | 0,23 | 348,87 | 2297,5 | 4хУКМ58М-0,4-603-67 У3 | 2412 |
| ТП10 | 0,71 | 0,41 | 0,41 | 348,87 | 2479,5 | 4хУКМ58М-0,4-603-67 У3 | 2415 |
| ГПП | - | 4,64 | 4,64 | - | - | УКЛ-10,5-4500 | 4500 |
| ИТОГО | - | - | 64,625 | 11316 | 20541,8 | - | 20482 |
Эквивалентные сопротивления для ТП 1-4,5,6, питающихся по радиальной линии (рисунок 8.2, а), определим по формуле:
Rэ = Rл + Rтр. (8.9)
Для питающихся по магистральной линии ТП 7,8, введем обозначения:
r01 = Rл1 ; r12 = Rл2 ;
r1 = Rтр1 ; r2 = Rтр2 ;
Эквивалентная проводимость точки 1 схемы (рисунок 8.2,б) определяется по формуле:
, (8.10)
С учетом полученного, эквивалентные сопротивления присоединений указанных ТП определяются по формулам:
Rэ1 =
, (8.11)
Rэ2 =
. (8.12)
Значения эквивалентных сопротивлений записываем в таблицу 8.4.
Определение реактивной мощности источников, подключенных к 1-ой секции СШ 10 кВ ГПП. Оптимальные реактивные мощности низковольтных БК, подключенных к ТП, определяем в предположении, что к этим шинам ГПП подключена высоковольтная БК (при этом коэффициент Лагранжа λ = З10):
Qсi = Q1i + ΔQтi +
Q1i + ΔQтi +
, (8.13)
где а = 1000/
=1000/10 = 10 кВ-2
Мвар∙Ом.
Результаты расчета мощностей Qсi низковольтных БК сводим в таблицу 8.4.
Реактивные мощности СД:
Qсд =
.
Результаты расчётов приведены в таблице 8.3.
Определение мощности высоковольтной БК, подключаемой к СШ 10 кВ ГПП, производим из условия баланса реактивных мощностей на СШ 10 кВ ГПП:
Q0 =
, (8.14)
Q'эс = α ∙ Рр , (8.15)
Q'эс = 0,31 · 22,8 = 6,94 МВар,
Qр = 2 · Qр1 = 2 ·
+Qад+ Qэту, (8.16)
Qр = 2 ·((13,143+1,207)+1,26) = 27,7 МВар,
Q''эс = Qр −
, (8.17)
Q''эс = 27,72 −
= 20,89 МВар,
Qэс1 =
МВар,
Qр1=
МВар,
Qсi=4,625 МВар.
Подставим все найденные значения в формулу (8.14):
Q0 = 13,86 −4,625 − 1,17 − 3,47 = 4,6 Мвар > 0
Баланс реактивной мощностей на сборных шинах 10 кВ главной понизительной подстанции проверятся как равенство генерируемых Qг и потребленных Qр реактивных мощностей:
Qрi =
, (8.18)
Qг1 =
, (8.19)
Qг1 =( 4,625 + 1,17 + 4,5+3,47)= 13,76 МВар,
Qр = 13,76 МВар.
Погрешность составляет 0,73%
Значение коэффициента реактивной мощности tgφэ, заданного предприятию энергосистемой:
tgφэ =
, (8.20)
tgφэ =
Зная величины мощностей конденсаторных компенсирующих устройств, определяем расчетный коэффициент реактивной мощности на вводе главной понизительной подстанции:
tgφр =
, (8.21)
tgφр =
.
Резерв реактивной мощности:
Qрез% =
-
-
8. Релейная защита синхронного эл. двигателя 10кВ мощностью Р=3200 кВт
Исходные данные:
450>














