150632 (594563), страница 2
Текст из файла (страница 2)
– суммарная мощность потребителей;
Мощность нагрузок: ∑Рн = 400,2 МВт.
2.2.2 Баланс реактивных мощностей
Балансу реактивной мощности в системе соответствует выражение
(4)
где
суммарная реактивная мощность, вырабатываемая генераторами электростанции при коэффициенте мощности не ниже номинального;
Потребление реактивной мощности в системе слагается из нагрузок потребителей
, собственных нужд электрических станций
, потерь мощности в линиях
и трансформаторах
.
Потери реактивной мощности для воздушных линий примем 5% от модуля полной передаваемой по линии мощности при 110 кВ. Потери реактивной мощности в трансформаторах примем 7% от полной мощности, проходящей через трансформатор .
Полные нагрузки подстанций и потери реактивной мощности в трансформаторах сведены в таблицу 2.
Таблица 2 – Полные нагрузки на подстанциях и потери в трансформаторах
| № подстанции | Полная нагрузка, МВА | Потери в трансформаторах, МВАр | |
| Элегаз | S=17,52 | 1,23 | |
| Федоровская | S =6,7 | 0,47 | |
| КНС-1 | S =39,88 | 2,79 | |
| КНС-11 | S =42,31 | 2,96 | |
| КНС-7 | S =17,01 | 1,19 | |
| Брусничная | S =19,1 | 1,33 | |
| Яун-Лор | S =16,28 | 1,14 | |
| Вачимская | S =22,14 | 1,55 | |
| Нагрузка 1 | S =11,51 | 0,8 | |
| Нагрузка 2 | S=61.95 | 4,34 | |
| Нагрузка 3 | S=39,84 | 2,78 | |
| Нагрузка 4 | S=125.9 | 8,8 | |
| Итого | 420 | 29,4 | |
Потери реактивной мощности для воздушных линий:
МВАр
Потребление мощности в системе:
∑Sн = 420+(4.74+j29.37)+(8+j21)=420+29.75+22.47=472.22 МВт.
Итогом расчета баланса полной мощности является определение необходимой обменной мощности:
(5)
Из баланса мощности мы видим,что можно безболезненно для системы подключить нагрузку до 50 МВт.
2.3 Анализ работы трансформаторов установленных в системе
Необходимость в реконструкции подстанции возникает при перспективном росте трансформируемых мощностей, когда коэффициенты нагрузки и аварийной перегрузки трансформаторов превысят допустимые значения, установленные по ГОСТ 14209-85. На время максимума, аварийную перегрузку трансформаторов
рекомендуется принимать равной 140%, продолжительностью до 6 часов, но не более 5 суток, при этом коэффициент загрузки
в нормальном режиме работы трансформатора зависит от количества трансформаторов, установленных на подстанции.
Так как в рассматриваемом сетевом районе потребители в основном 2-й категории надежности, то следует обеспечить их электроснабжение во всех возможных после аварийных ситуациях на подстанциях. Для понижающих подстанций это условие выполняется, если:
(6)
Здесь
– количество и единичная мощность трансформаторов, установленных на подстанциях;
– количество отключенных трансформаторов;
– определяется по наибольшей нагрузке с учетом возможного резервирования (
) по сети низкого напряжения
Наибольшая нагрузка в нормальном режиме:
где
– коэффициент совмещения максимума.
При проектировании можно принять
= 1,
= 0.
Приведем пример расчета потерь мощности и коэффициента аварийной перегрузки трансформатора на подстанции Брусничная.
Тип трансформатора ТДТН-25000/110/35/6.
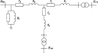
На рисунке 1 - представлена схема замещения трёхобмоточного трансформатора.
Рисунок 1 – Схема замещения трёхобмоточного трансформатора
Количество трансформаторов – 2.
Справочные данные приведены в таблице 3 .
Таблица 3 – Справочные данные трансформатора ТДТН-25000/110/35/6
| МВА | | R, Ом | X, Ом | кВт | кВАр | ||||||||||
| ВН | СН | НН | ВН | СН | НН | ВН | СН | НН | |||||||
| 25 | 115 | 38,5 | 6.6 | 1,5 | 1,5 | 1,5 | 54 | 0 | 33 | 36 | 250 | ||||
Мощность подстанции в нормальном режиме:
S= S35 +S6 = 13,34+j5,4+4,4+j1,8 = 17,74+j7,2МВА.
Мощность, приходящаяся на один трансформатор: S=8,87+j3,6 МВА.
Рассчитаем потери в трансформаторе по формулам:
(7)
, (8)
МВАр.
Коэффициент загрузки трансформатора:
kз=
=0,38 или 38%. (9)
Коэффициент аварийной перегрузки трансформатора:
Kав=
=0,76 или 76%.
Аналогичный расчёт проведём для трансформаторов всех подстанций и результат расчета сведём в таблицу 6. Из таблицы видно, что трансформаторы в замене не нуждаются,
2.4 Расчёт приведённых нагрузок подстанций
Подстанции в расчетной схеме учитываются приведенными нагрузками, которые включают в себя заданную мощность подстанции в рассматриваемом режиме Sн и потери мощности в трансформаторах ∆Sт:
Sпр=Sн+∆Sт.
В таблицу 4 сведем приведенные нагрузки.
Таблица 4 – Приведенные нагрузки подстанций.
| № п/ст | Тип трансформатора, S МВА | Число трансформаторов на п/ст | Мощность подстанции, МВА | Нагрузка трансформатора в нормальном режиме, % | Нагрузка трансформатора в аварийном режиме, % | Потери в трансформаторах, МВА | Приведенная нагрузка, МВА |
| Брусничная | ТДТН-25 | 2 | 17,74+j7,2 │S│=19,15 | 38 | 76 | 0,106+j1,276 | 17,85+j15,58 |
| Элегаз | ТДТН-25 | 2 | 16,7+j5.3 │S│=17,52 | 35 | 70 | 0,0629+j1,14 | 16,76+j6,44 |
| Федоровская | ТДТН-25 | 2 | 6.4+j2 │S│=6,7 | 15 | 27 | 0,1+j0,6 | 6,5+j2,6 |
| КНС-1 | ТДТН-40 | 2 | 38+j12.1 │S│=39.88 | 50 | 100 | 0,16+j2,66 | 38,16+j14,76 |
| КНС-11 | ТДТН-40 | 2 | 40.3+j12.9 │S│=42.31 | 53 | 106 | 0,176+j2,94 | 40,47+j15,84 |
| КНС-7 | ТДТН-40 | 2 | 16.2+j5.2 │S│=17.01 | 21 | 42 | 0,099+j0,9 | 16,3+j6,1 |
| Яун-Лор | ТДТН-25 | 2 | 15.5+j5.5 │S│=16.28 | 33 | 66 | 0,096+j1,08 | 15,6+j6,58 |
| Вачимская | ТДТН-25 | 2 | 21.1+j6.7 │S│=22.14 | 44 | 88 | 0,116+j1,55 | 21,21+j8,25 |
2.5 Расчет и анализ существующего режима
















