150053 (594517), страница 4
Текст из файла (страница 4)
Рис. 1.6. Принципиальная схема ветродвигателя крыльчатого типа с горизонтальной осью вращения:
/ - редуктор; 2 - генератор; 3 - вертикальный вал
Рис. 1.7. Принцип работы ветроколеса:
а - подъемная сила крыла Ру; б - план скоростей воздушного потока и сил, действующих на лопасть
Такие ветродвигатели более быстроходные, имеют меньшую относительную массу, снабжены устройствами, автоматически регулирующими развиваемую мощность, ограничивающими частоту вращения и ориентирующими ось вращения ветроколеса по направлению вектора скорости потока. Коэффициент использования энергии ветра у них примерно в 3 раза выше, чем у двигателей карусельного, роторного и барабанного типов.
В большинстве стран производят и применяют только крыльчатые ветродвигатели. Двигатели других типов изготовляют обычно кустарным путем или производят в очень небольших количествах. Поэтому в дальнейшем мы будем рассматривать только агрегаты и установки с двигателями крыльчатого типа. Основным рабочим органом такого двигателя является ветроколесо с лопастями, расположенными по радиусам и под некоторым углом tp к плоскости вращения. Число лопастей может быть различным и зависит от назначения двигателя. При обтекании воздушным потоком крыла под ним создается зона повышенного давления, а над ним, напротив, пониженного. Это обусловливает возникновение подъемной силы Pv, которая создает вращающий момент на ветроколесе
Электрические зарядные ветроагрегаты, предназначенные для зарядки аккумуляторов с целью освещения жилищ чабанов, полевых станов, юрт оленеводов, палаток и домиков различных экспедиций, а также для питания сигнальных устройств, радиоузлов, приемников и телевизоров, обычно имеют мощность 1 кВт и используются в неэлектрифицированных, удаленных от линий электропередачи и малонаселенных районах, где vv > 3,5 м/с. Агрегаты мощностью от 50 Вт до 1,5 кВт применяют также в качестве энергоустановок для питания устройств катодной защиты магистральных нефте- и' газопроводов, морских эстакад, питания автоматических метеостанций и опреснительных установок индивидуального пользования. Агрегаты снабжены аккумуляторными батареями низкого напряжения (6—24 В), которые работают в буферном режиме.
Агрегат АВЭУ-2 (прежняя марка — АВЭС-0,1) имеет следующие узлы (рис. 5.26): ветроколесо 1 диаметром 2 м, головка 2, хвост 3, стойка 4 и электрический щиток с аккумуляторной батареей. Стойка головки прикреплена к опорному столбу 5 и растяжками 6, на котором укреплен рычаг ручного управления, с помощью которого, тормозя вал генератора, останавливают агрегат.
Ветроколесо имеет две металлические лопасти, поворачивающиеся в подшипниках втулки, закрепленной- на валу генератора. Центробежный регулятор работает по такому же принципу, как 'и агрегат «Беркут». В зависимости от скорости ветра и величины нагрузки частота вращения изменяется в диапазоне от 300 до 800 об/мин.
На стойке, несущей ферму с хвостовым оперением, закреплен генератор с возбуждением от постоянных магнитов. В нем расположены трехфазная неподвижная статорная обмотка и ротор в виде восьмиполюсного постоянного магнита. Они размещены в корпусе из алюминиевого сплава. В зависимости от способа соединения обмоток генератор вырабатывает ток напряжением 26 или 15 В.
Генератор соединен с электрическим щитком трехжильным кабелем, пропущенным сквозь трубу стойки, которая может поворачиваться в
| Скорость ветра, м/с |
| Показатели —-------------------------------- 4 5 6 7 8 и выше |
| Мощность, кВт 0,8 1,6 4,5 7,8 12 Qnpи H#Ј=50M- 5,9 11,3 14,1 16 Q при H #2 = 100 м - 4,6 9,7 12 15 |
Таблица 1
Полезная мощность и подача агрегата «Сокол», м3/чупорном шарикоподшипнике и направляющей втулке. Щиток имеет один-два селеновых выпрямителя, собранных по трехфазной двухполу-периодной схеме, амперметр для контроля работы агрегата, выключатели, предохранитель и зажимы для присоединения нагрузки к аккумуляторной батарее (рис. 5.27). Транзисторный преобразователь используется для питания телевизора.
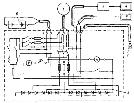
Рис.1.9. Электрическая схема агрегата АВЭУ-2:
/ - ветроэлектроагрегат; 2 — электрощит; 3 - преобразователь; 4 - телевизор; 5 - радиоприемник; 6 - аккумуляторные батареи; 7 - электрическое освещение
Рис. 1.10. Электрический агрегат Д-4 для зарядки аккумуляторных батарей
Для предохранения батарей от перезаряда и выкипания электролита предусмотрена релейная автоматика, которая подключает к генератору дополнительную нагрузку при достижении напряжения аккумулятора 15 В и избытке мощности. Этим снижаются напряжение и ток заряда до 0,5 - 1 А.
Агрегат работает с аккумуляторными батареями 6СТ-128 или ЗСТ-84 напряжением 6,12 или 24 В.
Агрегат Д-4 представляет интерес как пример весьма простого по конструкции и устойчивого в работе устройства для получения электрической энергии. Он имеет ветроколесо с регулятором частоты вращения, редуктор, генератор, опору с хвостом, опорный столб с растяжками и рычагом механизма ручного пуска и останова, а также электрический щиток. Простейший по конструкции редуктор и генератор постоянного тока мощностью 750 Вт составляют головку Колесо и регулятор по принципу действия такие же, как у агрегата «Беркут».
ГЛАВА 2
ВИДЫ ЭНЕРГИИ МИРОВОГО ОКЕАНА
§2.1ОСНОВНЫЕ НАПРАВЛЕНИЯ РАЗВИТИЯ ОКЕАНСКОЙ ЭНЕРГЕТИКИ
Резкое увеличение цен на топливо, трудности с его получением, сообщения об истощении топливных ресурсов — все эти видимые признаки энергетического кризиса вызвали в последние годы во многих странах значительный интерес к новым источникам энергии, в том числе к энергии Мирового океана.
Естественно, этот интерес особенно велик в странах, не обладающих достаточными собственными топливными ресурсами, т. е. запасами нефти, газа, угля и пр. Например, в Японии осуществляется национальная программа «Солнечный свет», которая предусматривает к 2000 г. покрытие более 70 % всего энергетического потребления страны за счет новых источников энергии, в том числе — за счет энергии океана. В Англии на исследования в этой области было выделено 13 млн. фунтов стерлингов. Предполагается, что наилучший принцип преобразования энергии волн ляжет в основу будущих мощных волновых электростанций, способных обеспечить значительную часть (до 30 %) потребности этой страны в электроэнергии. В Норвегии реализуется программа по использованию энергии морских волн; па исследования в этой области израсходовано 10 млн. крон. Ведется строительство двух опытных волновых электростанций, каждая из них будет ежегодно производить около 1,5 млн. кВт-ч электроэнергии предположительной стоимостью не более 0,6 крон за 1 кВт-ч.
В разных видах аккумулирует энергию Мировой океан. Вопрос состоит в том, чтобы найти оптимальные способы ее использования.
По оценкам разных авторов, доступная часть энергии Мирового океана, т. е. та часть, которая может быть практически использована при современном уровне техники преобразования, во много раз превышает уровень современного потребления энергии в мире, который определяется цифрой около 3-1020 Дж в год (44,8 % от этой цифры покрываются нефтью; 32,4 — углем; 20 — газом; 2,8 % — энергией, вырабатываемой гидро- и атомными станциями). Больше всего в океане тепловой энергии, поскольку океан — гигантский тепловой аккумулятор энергии Солнца.
Последнее десятилетие характеризуется определенными успехами в использовании тепловой энергии океана. Так, созданы установки мини-ОТЕС и ОТЕС-1 (OTEG — начальные буквы английских слов Ocean Thermal Energy Conversion, т. е. преобразование тепловой энергии океана — речь идет о преобразовании в электрическую энергию). Установка мини-ОТЕС смогла отдать в электрическую сеть 12—15 кВт, а на собственные нужды потребила около 35 кВт. Опыт, полученный при разработке и опытной эксплуатации установок мини-ОТЕС и ОТЕС-1, позволил приступить к проектированию тепловых океанских станций на сотни мегаватт.
Запасы энергии градиента солености, или осмоса (греч. «толчок», «давление»), по некоторым оценкам, не уступают тепловой энергии океана. Осмотическая энергия — наиболее «таинственный», т. е. наименее очевидный вид энергии океана, поскольку наши органы чувств эту энергию ие воспринимают.
Энергия течений Мирового океана по величине близка к энергии, получаемой от сжигания всех видов топлива на Земле в течение года (примерно 1020 Дж). Начаты работы по использованию энергии Гольфстрима, самого мощного течения в Мировом океане. Предполагается использовать около 1 % его энергии. Авторы проекта считают, что эта цифра не должна заметно отразиться на общем балансе энергии течения.
По оценке Комиссии по экономии энергии и энергоресурсов Мировой энергетической конференции (МИРЭК), сегодня важным энергетическим ресурсом является биомасса, так как дает 10 % мирового потребления первичной энергии. Ожидается, что она будет играть такую же важную роль в будущем обеспечении энергией при выработке технологического тепла и производства синтетических топлив. Синтетическое топливо из биомассы можно сжигать на электростанциях, использовать на транспорте или в промышленности. Часть биомассы доставляет Мировой океан, предполагается, что доля океана в поставке биомассы будет возрастать. Рассматривается создание энергетических плантаций, для которых в океане имеются очень широкие возможности. По оптимистическим оценкам, углеводородное топливо из водорослей может производиться по цене, меньшей мировой рыночной цены на нефть.
Более трети поверхности Мирового океана (130 млн. км'") имеет дно, грунт которою пригоден для выращивания быстрорастущих водорослей, из которых можно легко получить горючие газы метан и этан, широко используемые для самых разных целей. В настоящее время обращено внимание на выращивание бурой водоросли — весьма урожайной культуры (от 600 до 1000 т с гектара в сыром весе). Бурая водоросль не имеет корней, поэтому для нее не очень важен состав грунта. Растет она в толще морской воды, но вода должна быть достаточно богата питательными солями и должно быть много солнца.
Имеются в Мировом океане и другие источники энергии. Например, обсуждался вопрос об использовании сероводорода — горючего газа с неплохой калорийностью. Сероводородом очень богато Черное море, и к тому же его количество там непрерывно возрастает. Есть сероводород и в других районах Мирового океана — общие запасы его очень велики (недостаток этого вида топлива — неприятный запах, но, возможно, будет найден способ его устранения).
Весьма перспективный вид энергии Мирового океана — это энергия волн. В океане много видов воли. Однако с точки зрения выработки электрической энергии заслуживают внимания лишь три их типа: приливные волны, ветровые волны и зыбь. Ветровые волны обладают большой разрушительной силой, т. е. несут значительную энергию. Несколько миллионов штормов ежегодно случается в Мировом океане. По подсчетам академика Н. В. Мельникова, 1 км2 водной поверхности с волнами высотой около 5 м обладает мощностью около 3 млн. кВт. А штормовая погода может охватить площадь в несколько тысяч квадратных километров. Соответственно волновая мощность Мирового океана оценивается цифрой около 3 млрд. кВт! Запасы энергии ветровых волн и зыби огромны, но степень разработанности проблемы ее использования пока недостаточна, лишь в последнее десятилетие были сделаны некоторые шаги в деле практического использования энергии ветровых волн и зыби — для выработки электрической энергии Значительно раньше началось использование энергии приливных волн, отличающихся четкой регулярностью: два раза в сутки в определенное время появляются приливные волны заранее известной высоты. Эти свойства — строгая периодичность и определенная высота — позволили людям очень рано научиться использо вать их энергию: уже в XI в. строили мельницы, работающие за счет энергии прилива (например, во Франции в г. Шербуре до сих пор действует старая мельница, использующая энергию приливных волн). В наши дни приливные электростанции — самые мощные среди других волновых электростанций, но их можно построить не на любом участке побережья (и, как правило, не там, где особенно нужна энергия). У нас в стране, например, природа распорядилась так, что самые мощные приливы имеются вдали от индустриальных центров или районов с большим потреблением энергии. В Советском Союзе самые мощные приливы — у берегов Камчатки, где общая энергия приливных волн равна примерно 1019 Дж в год.
















