148491 (594512), страница 3
Текст из файла (страница 3)
Рисунок 2.1 – Основні складові частини Пріус
При русі Пріус здатний функціонувати в наступних режимах:
-
коли ефективність ДВЗ низька, при пуску і малих швидкостях, потужність підводиться від електродвигуна, що використовує енергію збережену в батареї;
-
при нормальних умовах руху, ефективність двигуна оптимальна, через механізм розподілу потужності частина енергії йде для обертання коліс, а частина на генератор для заряджання акумуляторної батареї;
-
при пришвидшенні, коли необхідна додаткова потужність, використовується електродвигун, що живиться енергією від батареї і генератора;
-
при сповільненні і гальмуванні, електродвигун працює як генератор, що дозволяє перетворювати кінетичну енергію автомобіля в електричну енергію, яка зберігається в батареї;
-
коли необхідно, генератор підзаряджає батарею для підтримання достатніх запасів енергії;
-
час від часу, коли транспортний засіб не рухається і коли ДВЗ працює на неоптимальних режимах навантаження при малій швидкості, ДВЗ автоматично вимикається.
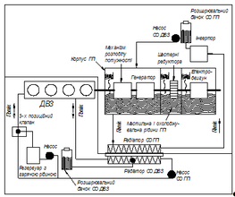
Підтримання робочої температури різноманітних компонентів системи в допустимих межах досягається використанням системи охолодження з двома окремими етиленовими гліколями. Розміщення системи охолодження зображено на рисунку 2.3.
Рисунок 2.2 – ДВЗ і гібридний привід Пріус
Система охолодження ДВЗ подібна системі охолодження в традиційному автомобілі. Її мета – поширювати охолоджувальну рідину через двигун, щоб видалити надлишкову теплову енергію, утворену при згорянні палива в ДВЗ. Насос змушує рідину рухатись від двигуна до радіатора, де непотрібна висока температура розсіюється. Щоб перешкоджати витіканню рідини, вона рухається по замкнутому контуру, який загерметизований автоматичним клапаном тиску (кришка радіатора). Завдяки клапану створюється тиск трохи вищий за атмосферний, що, таким чином, запобігає кипінню рідини навіть при температурі вищій точки кипіння. Для забезпечення змін в об’ємі, викликаних підвищенням температури і коливаннями тиску, в системі передбачається додатковий резервуар. Передбачено також використання резервуару для зберігання гарячої рідини, яка використовується при повторному пуску двигуна. При цьому зменшується викид випускних газів, порівняно з холодним пуском.
Система охолодження гібридного електроприводу є відокремленою від системи охолодження ДВЗ, так як ці дві системи працюють в різних температурних режимах. Приведена в рух електричним насосом, охолоджувальна рідина протікає неперервно через електродвигун, генератор, інвертор, радіатор. Висока температура, відібрана у електричних компонентів віддається в атмосферу через радіатор. Як і в системі охолодження ДВЗ, система охолодження гібридного електроприводу також має резервуар, який враховує розширювальні властивості рідини.
Рисунок 2.3 – Система охолодження і змащення автомобіля Пріус: СО – система охолодження; ГП – гібридний привід
2.1 Короткий опис і характеристика основних складових автомобіля з КЕУ
Система гібридного приводу включає електродвигун і генератор, що працюють в змінному діапазоні напруг 200-500 В. Особливість високої напруги – це забезпечення підвищення ефективності, що дозволяє працювати електродвигуну на більш високих обертах, де використання низької напруги привело б до зменшення ККД електродвигуна.
Основні складові автомобіля з КЕУ:
-
ДВЗ
-
Електродвигун
-
Механізм розподілу потужності
-
Інвертор
-
Генератор
-
Батарея
Характеристику цих складових наведено в таблиці 2.1
Таблиця 2.1 – Характеристика складових Пріус
| Складова | Характеристики | Значення |
| ДВЗ | Тип Максимальна потужність Максимальний момент | Бензиновий, 1,5 л 57 кВт при 5000 об/хв. 115 Н·м при 4200 об/хв. |
| Електродвигун | Тип Максимальна потужність Максимальний момент | Синхронний з постійними магнітами, змінного струму 50 кВт при 1200…1540 об/хв. 400 Н·м при 0…1540 об/хв. |
| Система | Максимальна потужність Максимальний момент при 22 км/год | 82 кВт при 85 км/год. 478 Н·м |
| Батарея | Тип Конструкція Напруга Вихідна потужність | Нікель-метал гідридна 28 модулів по 7,2 В в кожному 201,6 В 21 кВт |
автомобіль енергетичний установка паливний
2.1.1 Двигун внутрішнього згоряння
Тип 1 NZ-FXE 1,5-літровий двигун Пріус, працює на основі циклу Аткітсона, в якому ступінь стиску може змінюватися. Охолодження водяне. Двигун 4-х тактний, 4-х циліндровий, 16 клапанний, з верхнім розміщення 2-х розподільчих валів, ступінь стиску 13:1. Конструкція двигуна забезпечує низький викид шкідливих речовин з випускними газами.
2.1.2 Механізм розподілу потужності
Основні складові ланки в Пріус – це механізм автоматичного розподілу потужності, генератор, електродвигун, інвертор і понижувальні шестерні. Мета механізму розподілу потужності полягає в тому, щоб дозволити передавати потужність від двигуна на генератор і колеса одночасно. Тут потужність передається через планетарну передачу. Водило планетарного механізму з’єднане з валом ДВЗ і потужність від ДВЗ передається на внутрішню сонячну і зовнішню коронну шестерню. Коронна шестерня безпосередньо зв’язана з електродвигуном і передає силу тяги на колеса, сонячна шестерня з’єднана з валом генератора. На рисунках 2.4 і 2.5 зображено схему механізму розподілу потужності окремо і разом з блоком шестерень відповідно. Фотографія фактичного розміщення передачі зображена на рисунку 2.6.
Рисунок 2.4 – Схема механізму розподілу потужності
Рисунок 2.5 – Розташування блоку шестерень між двигуном і колесами
Рисунок 2.6 – Фотографія передачі з числом показаних зубців шестерень
2.1.3 Генератор
Пріус обладнаний синхронним генератором змінного струму, який може обертатись з частотою 10000 об/хв. Генератор є машиною з вісьмома полюсами і забезпечує високою потужністю зарядку батареї і живлення електродвигуна. При пуску генератор обертає сонячну шестерню в механізмі розподілу потужності і, таким чином, приводить в рух водило, що з’єднане з валом ДВЗ. Фотографія ротора генератора розміщена на рисунку 2.7.
Рисунок 2.7 – Ротор генератора
2.1.4 Електродвигун
Синхронний восьмиполюсний електродвигун з постійними магнітами має високий крутний момент і вихідну потужність. Він розроблений високоефективним і має характеристики двигуна постійного струму. Ротор зроблений способом накладання шарів пластин, виготовлених із електромагнітної сталі. Пази ротора виконані V-подібної форми. Крім цього при високій напрузі 500 В електродвигун здатний розвивати потужність 50 кВт. На рисунку 2.8 показано фотографію електродвигуна.
Рисунок 2.8 – Електродвигун
2.1.5 Інвертор
В автоматичний блок управління входять:
-
інвертор електродвигуна;
-
інвертор генератора;
-
конвертер підвищення напруги;
-
інвертор компресора повітряного охолодження;
-
12 В конвертер постійного струму.
Рисунок 2.9 – Інвертор
Складальна одиниця, зображена на рисунку 2.9, містить інвертор, який виробляє 3-фазний змінний струм, щоб вести електродвигун і включає конвертер постійного струму, який виробляє напругу 12 В для живлення допоміжного обладнання. Інвертор забезпечує два напрямки зміни напруги: конвертер підвищення напруги підвищує напругу з 200В до максимальних 500В, чи знижує її для зарядки 200 В батареї.
2.1.6 Батарея
В Пріус використовується компактний, високоефективний нікель-метал гідридний акумулятор. Батарея складається з 28-ми низьковольтних модулів (7,2 В кожний) з’єднаних послідовно, щоб виробляти номінальну напругу 201,6 В. Це забезпечує подачу енергії на електродвигун і отримання її від генератора. Вихідна потужність батареї – 21 кВт.
3. Дослідження механічних, електричних і експлуатаційних характеристик комбінованої енергетичної установки
Мета дослідження – охарактеризувати функціональні характеристики гібридної системи електроприводу і зрозуміти алгоритм побудови, використаний в конструкції основних складових, особливо тяговому електродвигуні, інверторі, генераторі і системі охолодження.
3.1 Дослідження робочих характеристик транспортного засобу
Цей розділ описує дослідження робочих характеристик на двох етапах: початкові дослідження і більш пізні дослідження, при використанні конвертера підвищення напруги.
3.1.1 Дослідження робочих характеристик
Мета: визначити експлуатаційні показники і дати кількісну оцінку корисної дії системи гібридного приводу, яка встановлена в транспортному засобі і основана на алгоритмах, що містяться в електронному контрольному приладі. Тести проводилися при передовому дослідженні трансмісії на динамічних і сталих режимах. Щоб отримати необхідні електричні дані, всі доступні точки автоматичного потоку були налагоджені для вимірювання напруги і струму. Автоматичні вимірювання були отримані між наступними елементами:
-
генератор і інвертор;
-
електродвигун і інвертор;
-
конвертер підвищення і батарея;
-
конвертер підвищення і допоміжні конвертери.
Досліджувані змінні, які були виміряні і ідентифіковані наведені в таблиці 3.1.
Таблиця 3.1 – Перемінні величини для програми дослідження
| Тип змінної | Позначення змінної | Опис змінної |
| Потужність генератора | PГЕН | Електрична |
| Вихідна потужність електро-двигуна (до коліс) | PЕЛД | Механічна |
| Вихідна потужність інвертора (до електродвигуна) | PІНВ | Електрична |
| Підвищувальна потужність | PПІДВ | Електрична |
| Потужність батареї | PБАТ | Електрична |
Кожне дослідження проводилося з вимкненими інвертором компресора повітряного охолодження і допоміжним 12 В конвертером постійного струму. Необхідне пришвидшення і постійна швидкість в процесі дослідження встановлюється положенням педалі акселератора на відстані від установки. Бігові барабани встановлюються так, щоб була змога контролювати викиди транспортного засобу при різних циклах руху. Дослідження гібридної системи електроприводу вимагає контролю зусиль, що створюються додатковими електричними машинами, які входять до складу транспортного засобу Крім цього дослідження вимагають дуже точних силових вимірювань, щоб повністю охарактеризувати робочі характеристики КЕУ. Лабораторна установка для дослідження гібридної системи електроприводу визначає струм і напругу в різних точках системи. На рисунку 3.1 зображено схему елементарної електричної системи Пріус і розміщення встановлених давачів.
Рисунок 3.1 – Розміщення давачів при дослідженні
Залежність даних, що визначаються в процесі дослідження, від часу наведено на рисунку 3.2. Ця характеристика показує потік потужності в різних частинах гібридної системи електроприводу зі зміною швидкості транспортного засобу, вказаної на графіку. З графіка можна побачити, що потужність ДВЗ зростає, коли транспортний засіб пришвидшується до високих швидкостей і знижується, аж до нуля, коли швидкість транспортного засобу постійна, що дозволяє таким чином приводити в рух автомобіль від електродвигуна без допомоги ДВЗ. На найвищих швидкостях ДВЗ і електродвигун одночасно віддають потужність для приводу транспортного засобу. Наступне дослідження, яке мало метою показати ідентичність результатів при тих же дослідженнях, показало можливість зміщення і невідповідність даних. Тому для повного описання робочої характеристики транспортного засобу необхідні додаткові дослідження.
















