147980 (594440), страница 2
Текст из файла (страница 2)
2.3.2 Давление и температура конца процесса сжатия
Давление
в МПа и температура
в градусах Кельвина (К) а конце процесса сжатия:
;
.
2.3.3 Средняя мольная теплоемкость рабочей смеси в конце сжатия
Температура конца процесса сжатия
в градусах Цельсия (ºС):
Средняя мольная теплоемкость остаточных газов в конце сжатия
в
кДж/(кмоль·град):
Средняя мольная теплоемкость остаточных газов в конце сжатия
в
кДж/(кмоль·град):
Средняя мольная теплоемкость рабочей смеси
в кДж/(кмоль·град):
;
Таблица 2.2― Значения параметров процесса сжатия
| Тип двигателя | Параметры | ||
| | | | |
| Карбюраторные | 1,34…1,38 | 0,9…2,0 | 600…800 |
| Рассчитываемый двигатель | 1,36 | 1,56 | 751,5 |
2.4 Процесс сгорания
2.4.1 Коэффициент молекулярного изменения рабочей смеси
.
2.4.2 Температура конца видимого сгорания
Температура газа
в конце видимого сгорания определяется с использованием решения уравнения сгорания, которая имеет вид:
.
где
— коэффициент использования низшей теплоты сгорания на участке видимого сгорания,
=0,8…0,95 Принимаем
=0,85
— потеря теплоты вследствие химической неполноты сгорания, кДж/кг
при
<1
— средняя мольная теплоемкость продуктов сгорания при постоянном объеме, кДж/(кмоль·град):
.
Отдельные средние мольные теплоемкости продуктов сгорания при изменении температуры в диапазоне 1501…2800 ºС, могут быть выражены в зависимости от температуры
:
;
;
;
;
.
Получаем квадратное уравнение вида:
.
Температура в конце видимого сгорания в градусах Цельсия (ºС):
.
Температура
в градусах Кельвина (К):
.
2.4.3 Степень повышения давления цикла
;
2.4.4 Степень предварительного расширения
=1.
2.4.5 Максимальное давление сгорания
Максимальное давление
в МПа в конце сгорания:
Таблица 2.3― Значения параметров процесса сгорания
| Тип двигателя | Параметры | |||
| | | | | |
| Карбюраторные | 3,2…4,2 | 1,0 | 3,5…7,5 | 2400…3100 |
| Рассчитываемый двигатель | 3,76 | 1,0 | 5,86 | 2630 |
2.5 Процесс расширения.
2.5.1 Показатель политропы расширения
Средний показатель адиабаты расширения
:
;
.
2.5.2 Давление и температура конца процесса расширения
Степень последующего расширения:
;
Давление
в МПа и температура
в градусах Кельвина (К) в конце процесса расширения:
;
;
Таблица 2.4― Значения параметров процесса расширения
| Тип двигателя | Параметры | ||
| | | | |
| Карбюраторные | 1,23..1,30 | 0,35…0,6 | 1200…1700 |
| Рассчитываемый двигатель | 1,258 | 0,397 | 1514,1 |
2.6 Проверка точности выбора температуры остаточных газов
Расчетное значение температуры остаточных газов
в К:
;
Расхождение между принятой величиной
и рассчитанной
:
;
2.7 Индикаторные показатели рабочего цикла
2.7.1 Среднее индикаторное давление
Среднее теоретическое индикаторное давление
в МПа:
;
Среднее действительное индикаторное давление действительного цикла
в МПа:
;
где
— коэффициент полноты индикаторной диаграммы
=0,94…0,97 Принимаем
=0,96
2.7.2 Индикаторный КПД
;
2.7.3 Индикаторный удельный расход топлива
Индикаторный удельный расход топлива
в г/(кВт·ч):
;
Таблица 2.5― Значения индикаторных показателей двигателей
| Тип двигателя | Параметры | ||
| | | | |
| Карбюраторные | 0,6…1,4 | 0,3…0,4 | 210,,,275 |
| Рассчитываемый двигатель | 0,9383 | 0,372 | 220,3 |
2.8 Эффективные показатели двигателя
2.8.1 Давление механических потерь
Принимаем: экспериментальные коэффициенты
=0,034;
=0,0113
средняя скорость поршня
=9…16 м/с
=13,5 м/с
Давление механических потерь
в МПа:
;
2.8.2 Среднее эффективное давление
Среднее эффективное давление
в МПа:
2.8.3 Механический КПД
;
2.8.4 Эффективный КПД
;
2.8.5 Эффективный удельный расход топлива
Эффективный удельный расход топлива
в г/(кВт·ч):
;
Таблица 2.6― Значения эффективных показателей двигателей
| Тип двигателя | Параметры | |||
|
|
|
|
| |
| Карбюраторные | 0,6…1,1 | 0,23…0,38 | 0,75…0,92 | 230…310 |
| Рассчитываемый двигатель | 0,75 | 0,29 | 0,80 | 282,6 |
2.9 Основные параметры и показатели двигателя
Рабочий объем цилиндра
в дм2:
;
— коэффициент тактности рабочего цикла,
=4
Диаметр цилиндра
в мм:
;
где
— отношение линейных размеров цилиндра
=0,86…1,07
Принимаем
=0,95
Ход поршня двигателя
в мм:
;
Округляем до 95 мм.
Расчетная средняя скорость поршня
в м/с:
;
Ошибка между принятой и расчетной средней скоростью поршня:
;
Рабочий объем одного цилиндра
в дм3:
;
Литраж двигателя
в дм3:
;
Объем камеры сгорания
в дм3:
;
Полный объем цилиндра
в дм3:
;
.
Эффективная мощность двигателя
в кВт:
;
Поршневая мощность двигателя
в кВт/дм2:
;
Эффективный крутящий момент
в Н·м:
;
Часовой расход топлива
в кг/ч:
;
Масса двигателя
в кг:
;
где
— удельная масса рядного двигателя
=3,5 кг/кВт
2.10 Оценка надежности двигателя
По критерию Б.Я.Гинцбурга:
;
Критерий А.К.Костина:
;
Поскольку у рассчитываемого двигателя
=2,03 кВт/см не превышает значения 2,8 кВт/см, а
=8,97 — значения 9,0, то ориентировочно можно считать двигатель надежным.
2.11 Тепловой баланс
Общее количество теплоты введенное в цилиндр
в Дж/с:
;
Теплота
, эквивалентная эффективной работе, в Дж/с:
;
Теплота
, отводимая охлаждающей жидкостью, в Дж/с:
;
где
— коэффициент пропорциональности,
=0,45…0,53
Принимаем
=0,5
— показатель степени,
=0,6…0,7 Принимаем
=0,63
Теплота
, унесенная из двигателя с отработавшими газами, в Дж/с:
;
где
— температура остаточных газов, Сº:
.
— теплоемкость остаточных газов в кДж/(кмоль·град):
;
— теплоемкость свежего заряда в кДж/(кмоль·град):
;
.
Теплота
потерянная при неполном сгорании топлива в Дж/с:
;
Неучтенные потери теплоты
в Дж/с:
;
.
Основные значения составляющих теплового баланса:
;
;
;
;
;
;
Таблица 2.7― Значения составляющих теплового баланса в процентах
| Тип двигателя | | | | | |
| Карбюраторный | 23…38 | 24..32 | 30…55 | 0…21 | 3…10 |
| Рассчитываемый двигатель. | 29,00195604 | 24,09538035 | 28,01157978 | 14,11670973 | 4,774374102 |
2.12 Построение индикаторной диаграммы
Масштаб хода поршня
мм
Отрезок, соответствующий рабочему объему цилиндра:
;
мм.
Отрезок, соответствующий объему камеры сгорания:
;
мм.
Отрезок, соответствующий полному объему цилиндра:
;
мм.
Масштаб давления
мм.
Отрезок, соответствующий максимальному давлению:
;
мм.
Величины давлений в мм:
;
мм;
;
мм;
;
мм;
;
мм;
;
мм.
Выбираем отношение
радиуса кривошипа
к длине шатуна
; Принимаем
.
Таблица 2.8― Результаты расчетов политроп сжатия
| а, град | (1-cosa)+ג/4*(1-cos2a) | AX, мм | OX, мм | OB/OX, мм | P=Pа*(OB/OX)^1,36, мПа | Р/μр, мм |
| 180 | 2,000 | 95,00 | 107,66 | 1,00 | 0,085 | 2,1 |
| 190 | 1,989 | 94,28 | 106,94 | 1,01 | 0,086 | 2,1 |
| 200 | 1,956 | 92,15 | 104,81 | 1,03 | 0,088 | 2,2 |
| 210 | 1,902 | 88,67 | 101,33 | 1,06 | 0,092 | 2,3 |
| 220 | 1,825 | 83,95 | 96,61 | 1,11 | 0,098 | 2,5 |
| 230 | 1,726 | 78,12 | 90,78 | 1,19 | 0,107 | 2,7 |
| 240 | 1,607 | 71,36 | 84,02 | 1,28 | 0,119 | 3,0 |
| 250 | 1,468 | 63,87 | 76,53 | 1,41 | 0,135 | 3,4 |
| 260 | 1,312 | 55,89 | 68,55 | 1,57 | 0,157 | 3,9 |
| 270 | 1,143 | 47,64 | 60,30 | 1,79 | 0,187 | 4,7 |
| 280 | 0,965 | 39,39 | 52,05 | 2,07 | 0,228 | 5,7 |
| 290 | 0,784 | 31,38 | 44,04 | 2,44 | 0,287 | 7,2 |
| 300 | 0,607 | 23,86 | 36,52 | 2,95 | 0,370 | 9,2 |
| 310 | 0,441 | 17,05 | 29,71 | 3,62 | 0,490 | 12,2 |
| 320 | 0,293 | 11,17 | 23,83 | 4,52 | 0,661 | 16,5 |
| 330 | 0,170 | 6,40 | 19,06 | 5,65 | 0,895 | 22,4 |
| 340 | 0,077 | 2,88 | 15,54 | 6,93 | 1,182 | 29,5 |
| 350 | 0,019 | 0,73 | 13,39 | 8,04 | 1,448 | 36,2 |
| 360 | 0,000 | 0,00 | 12,66 | 8,50 | 1,562 | 39,1 |
Таблица 2.9― Результаты расчетов политроп расширения
| а, град | (1-cosa)+ג/4*(1-cos2a) | AX, мм | OX, мм | OB/OX, мм | P=Pb*(OB/OX)^1,258, мПа | Р/р, мм |
| 360 | 0,000 | 0,00 | 12,66 | 8,50 | 5,865 | 146,6 |
| 370 | 0,019 | 0,73 | 13,39 | 8,04 | 5,468 | 136,7 |
| 380 | 0,077 | 2,88 | 15,54 | 6,93 | 4,531 | 113,3 |
| 390 | 0,170 | 6,40 | 19,06 | 5,65 | 3,505 | 87,6 |
| 400 | 0,293 | 11,17 | 23,83 | 4,52 | 2,646 | 66,2 |
| 410 | 0,441 | 17,05 | 29,71 | 3,62 | 2,005 | 50,1 |
| 420 | 0,607 | 23,86 | 36,52 | 2,95 | 1,547 | 38,7 |
| 430 | 0,784 | 31,38 | 44,04 | 2,44 | 1,222 | 30,6 |
| 440 | 0,965 | 39,39 | 52,05 | 2,07 | 0,991 | 24,8 |
| 450 | 1,143 | 47,64 | 60,30 | 1,79 | 0,823 | 20,6 |
| 460 | 1,312 | 55,89 | 68,55 | 1,57 | 0,701 | 17,5 |
| 470 | 1,468 | 63,87 | 76,53 | 1,41 | 0,610 | 15,2 |
| 480 | 1,607 | 71,36 | 84,02 | 1,28 | 0,542 | 13,6 |
| 490 | 1,726 | 78,12 | 90,78 | 1,19 | 0,492 | 12,3 |
| 500 | 1,825 | 83,95 | 96,61 | 1,11 | 0,455 | 11,4 |
| 510 | 1,902 | 88,67 | 101,33 | 1,06 | 0,428 | 10,7 |
| 520 | 1,956 | 92,15 | 104,81 | 1,03 | 0,411 | 10,3 |
| 530 | 1,989 | 94,28 | 106,94 | 1,01 | 0,400 | 10,0 |
| 540 | 2,000 | 95,00 | 107,66 | 1,00 | 0,397 | 9,9 |
Находим характерные точки для построения действительной индикаторной диаграммы
;
МПа.
;
мм.
;
МПа.
;
мм.
;
МПа.
Действительное давление
:
;
мм.
;
МПа/град.
;
МПа.
; Принимаем
Угол, соответствующий точке
:
;
Положение точки
на индикаторной диаграмме:
; .
.
;
Принимаем характерные углы:
- угол опережения зажигания
; Принимаем
- продолжительность периода задержки воспламенения
;
Принимаем
Начало открытия до ВМТ
; Принимаем
.
Полное закрытие после НМТ
; Принимаем
.
Начало открытия до НМТ
; Принимаем
.
Полное закрытие после ВМТ
; Принимаем
.
Определяются углы поворота коленчатого вала в градусах, соответствующие характерным точкам
— подача искры;
;
;
― начало видимого сгорания;
;
;
― начало открытия выпускного клапана;
;
;
― начало открытия впускного клапана;
;
― полное закрытие впускного клапана;
;
― полное закрытие выпускного клапана;
.
Определяем положения характерных точек по оси обцисс по формуле для перемещения поршня
:
мм;
мм;
мм;
мм;
мм;
мм.
Площадь
мм2.
Среднее индикаторное давление в МПа, полученное по графику индикаторной диаграммы:
;
.
Расхождение между полученной величиной
и величиной
, полученной
в тепловом расчете:
;
<
.
3 Расчет внешней скоростной характеристики
Минимальная частота
мин-1; Принимаем
мин-1.
Максимальная частота
;
мин-1
Принимаем
мин-1.
Шаг расчета – 300 мин-1.
Номинальная расчетная мощность двигателя
кВт, и соответствующий ей удельный расход топлива
г/кВт∙ч.
Частота вращения коленчатого вала при
;
мин-1.
Коэффициенты для карбюраторного двигателя:
;
;
;
;
.
Зависимость эффективной мощности
в кВт:
;
Зависимость эффективного удельного расхода топлива
в г/(кВт∙ч):
;
.
Зависимость среднего эффективного давления
в МПа:
;
.
Зависимость среднего эффективного крутящего момента
в Н∙м:
;
.
Зависимость часового расхода топлива
в кг/ч:
.
Зависимость среднего давления механических потерь
в МПа:
;
.
Зависимость среднего индикаторного давления
в МПа:
.
Зависимость мощности механических потерь
в кВт:
;
.
Зависимость индикаторной мощности
в кВт:
.
Зависимость индикаторного крутящего момента
в Н∙м:
;
.
Зависимость индикаторного удельного расхода топлива
в г/(кНт∙ч):
.
Коэффициент избытка воздуха при минимальной частоте:
;
Принимаем
,
а закон изменения принимаем:
;
.
Зависимость коэффициента наполнения:
;
.
Таблица 3.1― Рзультаты расчета внешней скоростной характеристики
| ηvx | 0,685 | 0,683 | 0,686 | 0,686 | 0,685 | 0,81 | 0,688 | 0,687 | 0,685 | 0,684 | 0,682 | 0,680 | 0,674 | 0,664 | 0,648 | 0,624 |
| ax | 0,76 | 0,77 | 0,78 | 0,79 | 0,80 | 0,81 | 0,83 | 0,84 | 0,85 | 0,86 | 0,87 | 0,88 | 0,89 | 0,90 | 0,91 | 0,92 |
| gix, г/кВт∙ч | 286,1 | 270,6 | 257,0 | 246,2 | 236,8 | 229,2 | 223,9 | 220,0 | 218,1 | 217,4 | 218,0 | 220,3 | 223,2 | 226,5 | 230,3 | 233,4 |
| Mix, Н∙м | 206,9 | 216,4 | 226,0 | 233,0 | 238,7 | 24203 | 244,7 | 245,4 | 244,4 | 241,9 | 237,6 | 231,6 | 223,9 | 215,1 | 204,3 | 191,9 |
| Nix, кВт | 13,0 | 20,4 | 28,4 | 36,6 | 45,0 | 53,3 | 61,5 | 69,4 | 76,8 | 83,6 | 89,6 | 94,6 | 98,5 | 101,4 | 102,7 | 102,5 |
| Nмх, кВт | 0,8 | 1,4 | 2,2 | 3,1 | 4,2 | 5,5 | 6,9 | 8,5 | 10,2 | 12,1 | 14,2 | 16,3 | 18,6 | 21,2 | 23,8 | 26,6 |
| Pix, МПа | 0,896 | 0,939 | 0,980 | 1,011 | 1,036 | 1,051 | 1,060 | 1,063 | 1,059 | 1,048 | 1,029 | 1,004 | 0,971 | 0,932 | 0,885 | 0,832 |
| Pмх, МПа | 0,055 | 0,066 | 0,077 | 0,087 | 0,098 | 0,109 | 0,119 | 0,130 | 0,141 | 0,152 | 0,163 | 0,173 | 0,184 | 0,195 | 0,205 | 0,216 |
| Gтх, кг/ч | 3,72 | 5,52 | 7,30 | 9,01 | 10,66 | 12,22 | 13,77 | 15,27 | 16,75 | 18,18 | 19,54 | 20,84 | 21,99 | 22,91 | 23,65 | 23,93 |
| Mex, Н∙м | 194,1 | 201,6 | 208,5 | 213,2 | 216,4 | 217,3 | 217,2 | 215,4 | 211,9 | 206,9 | 200,0 | 191,7 | 181,6 | 170,2 | 156,9 | 142,1 |
| Pex, МПа | 0,841 | 0,873 | 0,903 | 0,924 | 0,938 | 0,942 | 0,941 | 0,933 | 0,918 | 0,896 | 0,866 | 0,831 | 0,787 | 0,737 | 0,680 | 0,616 |
| gex, г/кВт∙ч | 304,7 | 290,7 | 278,8 | 269,0 | 261,3 | 255,7 | 252,2 | 250,8 | 251,5 | 254,3 | 259,2 | 266,2 | 275,3 | 286,5 | 299,8 | 315,3 |
| Nex, кВт | 12,2 | 19,0 | 26,2 | 33,5 | 40,8 | 47,8 | 54,6 | 60,9 | 66,6 | 71,5 | 75,4 | 78,3 | 79,9 | 80,2 | 78,9 | 75,9 |
| nx | 600 | 900 | 1200 | 1500 | 1800 | 2100 | 2400 | 2700 | 3000 | 3300 | 3600 | 3900 | 4200 | 4500 | 4800 | 5100 |
мин-1
кВт
Н∙м
мин-1
мин-1
МПа
г/кВт
мин-1
мин-1
мин-1
кг/ч
Максимальное значение среднего эффективного давления
в МПа:
;
.
а соответствующая ему частота
в мин-1:
;
.
Максимальное значение эффективного крутящего момента
в Н∙м:
;
при частоте
в мин-1:
;
Минимальное значение эффективного удельного расхода топлива
в г/(кВт∙ч):
;
.
при частоте
в мин-1:
;
.
4 Динамический расчет кривошипно-шатунного механизма двигателя
4.1 Расчет силовых факторов, действующих в кривошипно-шатунном механизме
Площадь поршня
в м2:
;
.
мм
м.
Сила давления газов в общем случае:
.
Масштаб сил давления газов
в Н/мм:
;
.
― часть массы шатуна в сборе, отнесенная к поступательно движущимся массам
;
кг
где
― масса шатуна в сборе.
;
кг
где
― удельная масса шатуна,
кг/м3
― масса поршневого комплекта (поршень, палец, поршневые кольца,
детали стопорения пальца).
;
кг
где
― удельная масса поршня,
кг/м3
Массы частей кривошипно-шатунного механизма, составляющих возвратно-поступательное движение.
;
кг
Сила инерции возвратно-поступательно движущихся масс
:
, Н
где
― радиус кривошипа.
;
м
― угловая скорость коленчатого вала:
;
рад/с
Суммарная сила, действующая на поршневой палец:
, Н
Суммарная нормальная (боковая) сила:
, Н
Суммарная сила, действующая вдоль шатуна:
, Н
Суммарная радиальная сила, направленная по радиусу кривошипа:
, Н
Суммарная тангенциальная сила, направленная перпендикулярно к радиусу кривошипа:
, Н
Центробежная сила инерции вращающейся части шатуна
, направленная по радиусу кривошипа и нагружающая шатунную шейку (шатунный подшипник):
;
Н
где
― часть массы шатуна, отнесенная к вращающимся массам.
;
кг
Результирующая сила
, действующая на шатунную шейку:
, Н
4.2 Построение графиков сил и моментов
Площадь ограниченная кривой
и осью обцисс,
мм2.
Длина диаграммы по оси
,
мм.
Максимальное
Н
Минимальное
Н
Среднее
;
Н
Масштаб крутящего момента
;
Н∙м/мм
Период изменения суммарного крутящего момента
;
.
Длина графика суммарного крутящего момента
мм
Среднее значение суммарного индикаторного крутящего момента двигателя :
Н∙м
Максимальное значение суммарного индикаторного крутящего момента двигателя:
Н∙м
Минимальное значение суммарного индикаторного крутящего момента двигателя:
Н∙м
| ΣMкр. | 0 | -34 | -160 | -350 | -512 | -586 | -518 | -341 | -83 | 209 | 512 | 790 | 991 | 1098 | 1076 | 925 | 696 | 308 | 0 | ||||||||||||||||||||||||||||
| 0,0 | -2,3 | -11,1 | -24,3 | -36,1 | -40,6 | -35,9 | -23,6 | -5,8 | 14,5 | 35,5 | 54,7 | 68,6 | 76,0 | 74,5 | 64,0 | 48,2 | 21,3 | 0,0 | |||||||||||||||||||||||||||||
| Rш.ш. | Н | 23230 | 22371 | 19721 | 15830 | 11903 | 9050 | 7863 | 7727 | 7983 | 9356 | 11343 | 13050 | 14433 | 15374 | 15929 | 16204 | 16362 | 16312 | 16308 | 16242 | 15950 | 15542 | 14735 | 13593 | 11958 | |||||||||||||||||||||
| мм | 76,4 | 73,6 | 64,9 | 52,1 | 39,2 | 29,8 | 25,9 | 25,4 | 26,3 | 30,8 | 37,3 | 42,9 | 47,5 | 50,6 | 52,4 | 53,3 | 53,8 | 53,7 | 53,6 | 53,4 | 52,5 | 51,1 | 48,5 | 44,7 | 39,3 | ||||||||||||||||||||||
| Т | Н | 0 | -33,7 | -6169 | -7744 | -7894 | -6688 | -4460 | -1710 | 1026 | 3309 | 4871 | 5625 | 5658 | 5143 | 4279 | 3242 | 2583 | 1069 | 0 | -1069 | -2583 | -3242 | -4279 | -5190 | -5770 | |||||||||||||||||||||
| мм | 0,0 | -11,1 | -20,3 | -25,5 | -26,0 | -22,0 | -14,7 | -5,6 | 3,4 | 10,9 | 16,0 | 18,5 | 18,6 | 16,9 | 14,1 | 10,7 | 8,5 | 3,5 | 0,0 | -3,5 | -8,5 | -10,7 | -14,1 | -17,1 | -19,0 | ||||||||||||||||||||||
| K | Н | -15453 | -14847 | -12886 | -9845 | -6506 | -3476 | -1263 | -137 | -140 | -975 | -2467 | -3998 | -5501 | -6712 | -7567 | -8099 | -8380 | -8500 | -8531 | -8500 | -8380 | -8099 | -7567 | -6773 | -5610 | |||||||||||||||||||||
| мм | -50,8 | -48,8 | -42,4 | -32,4 | -21,4 | -11,4 | -4,2 | -0,5 | -0,5 | -3,2 | -8,1 | -13,2 | -18,1 | -22,1 | -24,9 | -26,6 | -27,6 | -28,0 | -28,1 | -28,0 | -27,6 | -26,6 | -24,9 | -22,3 | -18,5 | ||||||||||||||||||||||
| N | Н | 0 | -753 | -1393 | -1779 | -1865 | -1633 | -1135 | -455 | 287 | 975 | 1508 | 1830 | 1932 | 1833 | 1560 | 1239 | 844 | 411 | 0 | -411 | -844 | -1239 | -1560 | -1700 | -1853 | |||||||||||||||||||||
| мм | 0,0 | -2,5 | -4,6 | -5,9 | -6,1 | -5,4 | -3,7 | -1,5 | 0,9 | 3,2 | 5,0 | 6,0 | 6,4 | 6,0 | 5,1 | 4,1 | 2,8 | 1,4 | 0,0 | -1,4 | -2,8 | -4,1 | -5,1 | -5,6 | -6,1 | ||||||||||||||||||||||
| Sш.ш. | Н | -15453 | -15231 | -14284 | -12528 | -10229 | -7539 | -4637 | -1717 | 1033 | 3452 | 5428 | 6905 | 7895 | 8459 | 8697 | 8724 | 8650 | 8566 | 8531 | 8566 | 8650 | 8724 | 8697 | 8537 | 8052 | |||||||||||||||||||||
| мм | -50,8 | -50,1 | -47,0 | -41,2 | -33,6 | -24,8 | -15,3 | -5,6 | 3,4 | 11,4 | 17,9 | 22,7 | 26,0 | 27,8 | 28,6 | 28,7 | 28,5 | 28,2 | 28,1 | 28,2 | 28,5 | 28,7 | 28,6 | 28,1 | 26,5 | ||||||||||||||||||||||
| Р | Н | -15453 | -15212 | -14215 | -12400 | -10056 | -7357 | -4494 | -1654 | 992 | 3309 | 5209 | 6653 | 7651 | 8255 | 8550 | 8635 | 8609 | 8555 | 8531 | 8555 | 8609 | 8635 | 8550 | 8331 | 7803 | |||||||||||||||||||||
| мм | -50,8 | -50,0 | -46,8 | -40,8 | -33,1 | -24,2 | -14,8 | -5,4 | 3,3 | 10,9 | 17,1 | 21,9 | 25,2 | 27,2 | 28,1 | 28,4 | 28,3 | 28,1 | 28,1 | 28,1 | 28,3 | 28,4 | 28,1 | 27,4 | 25,7 | ||||||||||||||||||||||
| Рг | Н | -15605 | -15212 | -14063 | -12248 | -9904 | -7205 | -4342 | -1502 | 1144 | 3461 | 5361 | 6805 | 7803 | 8407 | 8702 | 8787 | 8761 | 8707 | 8683 | 8707 | 8761 | 8787 | 8702 | 8407 | 7803 | |||||||||||||||||||||
| мм | -51,3 | -50,0 | -46,3 | -40,3 | -32,6 | -23,7 | -14,3 | -4,9 | 3,8 | 11,4 | 17,6 | 22,4 | 25,7 | 27,7 | 28,6 | 28,9 | 28,8 | 28,6 | 28,6 | 28,6 | 28,8 | 28,9 | 28,6 | 27,7 | 25,7 | ||||||||||||||||||||||
| ∆PГ | Н | 152 | 0 | -152 | -152 | -152 | -152 | -152 | -152 | -152 | -152 | -152 | -152 | -152 | -152 | -152 | -152 | -152 | -152 | -152 | -152 | -152 | -152 | -152 | -76 | 0 | |||||||||||||||||||||
| мм | 0,5 | 0,0 | -0,5 | -0,5 | -0,5 | -0,5 | -0,5 | -0,5 | -0,5 | -0,5 | -0,5 | -0,5 | -0,5 | -0,5 | -0,5 | -0,5 | -0,5 | -0,5 | -0,5 | -0,5 | -0,5 | -0,5 | -0,5 | -0,3 | 0,0 | ||||||||||||||||||||||
| а | 0 | 10 | 20 | 30 | 40 | 50 | 60 | 70 | 80 | 90 | 100 | 110 | 120 | 130 | 140 | 150 | 160 | 170 | 180 | 190 | 200 | 210 | 220 | 230 | 240 | ||||||||||||||||||||||
Таблица 11― Результат вычисления сил, действующих в КШМ
| Rш.ш. | Н | 10398 | 9019 | 8026 | 7742 | 7826 | 8929 | 10930 | 12804 | 13965 | 13625 | 11078 | 9450 | 14719 | 12315 | 7053 | 6426 | 7131 | 8109 | 9439 | 11429 | 13188 | 15176 | 16606 | 17605 |
| мм | 34,2 | 29,7 | 26,4 | 25,5 | 25,7 | 29,4 | 36,0 | 42,1 | 45,9 | 44,8 | 36,4 | 31,1 | 48,8 | 40,5 | 23,2 | 21,1 | 23,5 | 26,7 | 31,0 | 37,6 | 43,4 | 49,9 | 54,6 | 57,9 | |
| Т | Н | -5831 | -5226 | -3917 | -1970 | 453 | 2650 | 4339 | 4911 | 4326 | 2673 | 745 | 0 | 4924 | 8146 | 6970 | 5589 | 4780 | 5044 | 5988 | 7319 | 8325 | 8907 | 8838 | 8086 |
| мм | -19,2 | -17,2 | -12,9 | -6,5 | 1,5 | 8,7 | 14,3 | 16,2 | 14,2 | 8,8 | 2,5 | 0,0 | 16,2 | 26,8 | 22,9 | 18,4 | 15,7 | 16,6 | 19,7 | 24,1 | 27,4 | 29,3 | 29,1 | 26,6 | |
| K | Н | -4145 | -2647 | -1154 | -212 | -36 | -750 | -2255 | -4048 | -5501 | -5583 | -3276 | 17227 | 21647 | 17014 | 8861 | 4607 | 2485 | 1428 | 481 | -1001 | -2452 | -4511 | -6282 | -7861 |
| мм | -13,6 | -8,7 | -3,8 | -0,7 | -0,1 | -2,5 | -7,4 | -13,3 | -18,1 | -18,4 | -10,8 | 56,7 | 71,2 | 56,0 | 29,1 | 15,2 | 8,2 | 4,7 | 1,6 | -3,3 | -8,1 | -14,8 | -20,7 | -25,9 | |
| N | Н | -1896 | -1618 | -1154 | -551 | 121 | 674 | 1060 | 1161 | 994 | 604 | 166 | 0 | 1098 | 1839 | 1601 | 1321 | 1167 | 1283 | 1593 | 2047 | 2452 | 2758 | 2875 | 2761 |
| мм | -6,2 | -5,3 | -3,8 | -1,8 | 0,4 | 2,2 | 3,5 | 3,8 | 3,3 | 2,0 | 0,5 | 0,0 | 3,6 | 6,1 | 5,3 | 4,3 | 3,8 | 4,2 | 5,2 | 6,7 | 8,1 | 9,1 | 9,5 | 9,1 | |
| Sш.ш. | Н | 7158 | 5823 | 4087 | 4983 | -455 | -2755 | -4891 | -6364 | -6999 | -6189 | -3360 | 17227 | 22208 | 18859 | 11275 | 7242 | 5389 | 5245 | 6013 | 7368 | 8686 | 9925 | 10849 | 11283 |
| мм | 23,5 | 19,2 | 13,4 | 6,5 | -1,5 | -9,1 | -16,1 | -20,9 | -23,0 | -20,4 | -11,1 | 56,7 | 73,1 | 62,0 | 37,1 | 23,8 | 17,7 | 17,3 | 19,8 | 24,2 | 28,6 | 32,6 | 35,7 | 37,1 | |
| Р | Н | 6896 | 5589 | 3917 | 1904 | -438 | -2670 | -4773 | -6256 | -6928 | -6159 | -3356 | 17227 | 22180 | 18769 | 11160 | 7120 | 5259 | 5082 | 5794 | 7072 | 8325 | 9526 | 10453 | 10934 |
| мм | 22,7 | 18,4 | 12,9 | 6,3 | -1,4 | -8,8 | -15,7 | -20,6 | -22,8 | -20,3 | -11,0 | 56,7 | 73,0 | 61,7 | 36,7 | 23,4 | 17,3 | 16,7 | 19,1 | 23,3 | 27,4 | 31,3 | 34,4 | 36,0 | |
| Рг | Н | 6805 | 5361 | 3461 | 1144 | -1502 | -4342 | -7205 | -9904 | -12248 | -14063 | -15212 | -15605 | -15212 | -14063 | -12248 | -9904 | -7205 | -4342 | -1502 | 1144 | 3461 | 5361 | 6805 | 7803 |
| мм | 22,4 | 17,6 | 11,4 | 3,8 | -4,9 | -14,3 | -23,7 | -32,6 | -40,3 | -46,3 | -50,0 | -51,3 | -50,0 | -46,3 | -40,3 | -32,6 | -23,7 | -14,3 | -4,9 | 3,8 | 11,4 | 17,6 | 22,4 | 25,7 | |
| ∆PГ | Н | 91,2 | 228 | 456 | 760 | 1064 | 1672 | 2432 | 3648 | 5320 | 7904 | 11856 | 32832 | 37392 | 32832 | 23408 | 17024 | 12464 | 9424 | 7296 | 5928 | 4864 | 4165 | 3648 | 3131 |
| мм | 0,3 | 0,8 | 1,5 | 2,5 | 3,5 | 5,5 | 8,0 | 12,0 | 17,5 | 26,0 | 39,0 | 108,0 | 123,0 | 108,0 | 77,0 | 56,0 | 41,0 | 31,0 | 24,0 | 19,5 | 16,0 | 13,7 | 12,0 | 10,3 | |
| а | 250 | 260 | 270 | 280 | 290 | 300 | 310 | 320 | 330 | 340 | 350 | 360 | 370 | 380 | 390 | 400 | 410 | 420 | 430 | 440 | 450 | 460 | 470 | 480 | |
Продолжение таблицы 4.1
| Rш.ш. | Н | 18212 | 18490 | 18627 | 18511 | 17831 | 17524 | 17142 | 16519 | 15809 | 14912 | 13641 | 11925 | 10345 | 9011 | 8102 | 7820 | 8097 | 10080 | 13090 | 16320 | 19249 | 21565 | 23026 | 23534 |
| мм | 59,9 | 60,8 | 61,3 | 60,9 | 58,7 | 57,6 | 56,4 | 54,3 | 52,0 | 49,1 | 44,9 | 39,2 | 34,0 | 29,6 | 26,7 | 25,7 | 26,6 | 33,2 | 43,1 | 53,7 | 63,3 | 70,9 | 75,7 | 77,4 | |
| Т | Н | 6942 | 5573 | 4156 | 3221 | 1259 | 0 | -1183 | -2765 | -3356 | -4393 | -5238 | -5714 | -5625 | -4871 | -3309 | -1026 | 1710 | 4460 | 6688 | 7894 | 7744 | 6169 | 3411 | 0 |
| мм | 22,8 | 18,3 | 13,7 | 10,6 | 4,1 | 0,0 | -3,9 | -9,1 | -11,0 | -14,5 | -17,2 | -18,2 | -18,5 | -16,0 | -10,9 | -3,4 | 5,6 | 14,7 | 22,0 | 26,0 | 25,5 | 20,3 | 11,2 | 0,0 | |
| K | Н | -9059 | -9854 | -10381 | -10452 | -10010 | -9747 | -9406 | -8972 | -8385 | -7769 | -6835 | -5556 | -3998 | 2467 | -975 | -111 | -137 | -1263 | -3476 | -6506 | -9845 | -12886 | -14995 | -15757 |
| мм | -29,8 | -32,4 | -34,1 | -34,4 | -32,9 | -32,1 | -30,9 | -29,5 | -27,6 | -25,6 | -22,5 | -18,3 | -13,2 | -8,1 | -3,2 | -0,4 | -0,5 | -4,2 | -11,4 | -21,4 | -32,4 | -42,4 | -49,3 | -51,8 | |
| N | Н | 2474 | 2032 | 1588 | 1052 | 484 | 0 | -454 | -903 | -1283 | -1602 | -1715 | -1835 | -1830 | -1508 | -975 | -287 | 455 | 1135 | 1633 | 1865 | 1779 | 1393 | 761 | 0 |
| мм | 8,1 | 6,7 | 5,2 | 3,5 | 1,6 | 0,0 | -1,5 | -3,0 | -4,2 | -5,3 | -5,6 | -6,0 | -6,0 | -5,0 | -3,2 | -0,9 | 1,5 | 3,7 | 5,4 | 6,1 | 5,9 | 4,6 | 2,5 | 0,0 | |
| Sш.ш. | Н | 11418 | 11326 | 11181 | 10788 | 10088 | 9747 | 9479 | 9261 | 9031 | 8929 | 8615 | 7974 | 6905 | 5428 | 3452 | 1033 | -1717 | -4637 | -7539 | -10229 | -15228 | -14284 | -15383 | -15757 |
| мм | 37,6 | 37,3 | 36,8 | 35,5 | 33,2 | 32,1 | 31,2 | 30,5 | 29,7 | 29,4 | 28,3 | 26,2 | 22,7 | 17,9 | 11,4 | 3,4 | -5,6 | -15,3 | -24,8 | -33,6 | -41,2 | -47,0 | -50,6 | -51,8 | |
| Р | Н | 11143 | 11134 | 11067 | 10737 | 10075 | 9747 | 9467 | 9217 | 8939 | 8778 | 8407 | 7727 | 6653 | 5209 | 3309 | 992 | -1654 | -4494 | -7357 | -10056 | -12400 | -14215 | -15364 | -15757 |
| мм | 36,7 | 36,6 | 36,4 | 35,3 | 33,1 | 32,1 | 31,1 | 30,3 | 29,4 | 28,9 | 27,7 | 25,4 | 21,9 | 17,1 | 10,9 | 3,3 | -5,4 | -14,8 | -24,2 | -33,1 | -40,8 | -46,8 | -50,5 | -51,8 | |
| Рг | Н | 8407 | 8702 | 8787 | 8761 | 8707 | 8683 | 8707 | 8761 | 8787 | 8702 | 8407 | 7803 | 6805 | 5361 | 3461 | 1144 | -1502 | -4342 | -7205 | -9904 | -12248 | -14063 | -15212 | -15605 |
| мм | 27,7 | 28,6 | 28,9 | 28,8 | 28,6 | 28,6 | 28,6 | 28,8 | 28,9 | 28,6 | 27,7 | 25,7 | 22,4 | 17,6 | 11,4 | 3,8 | -4,9 | -14,3 | -23,7 | -32,6 | -40,3 | -46,3 | -50,0 | -51,3 | |
| ∆PГ | Н | 2736 | 2432 | 2280 | 1976 | 1368 | 1064 | 760 | 456 | 152 | 76 | 0 | -76 | -152 | -152 | -152 | -152 | -152 | -152 | -152 | -152 | -152 | -152 | -152 | -152 |
| мм | 9,0 | 8,0 | 7,5 | 6,5 | 4,5 | 3,5 | 2,5 | 1,5 | 0,5 | 0,3 | 0,0 | -0,3 | -0,5 | -0,5 | -0,5 | -0,5 | -0,5 | -0,5 | -0,5 | -0,5 | -0,5 | -0,5 | -0,5 | -0,5 | |
| а | 490 | 500 | 510 | 520 | 530 | 540 | 550 | 560 | 570 | 580 | 590 | 600 | 610 | 620 | 630 | 640 | 650 | 660 | 670 | 680 | 690 | 700 | 710 | 720 | |
Продолжение таблицы 4.1
Коэффициент неравномерности крутящего момента
:
;
.
Эффективный крутящий момент двигателя в Н∙м:
;
.
Расхождение между полученным по графику и рассчитанным в тепловом расчете значениями
:
;
<
.
5 Расчет деталей на прочность
5.1 Поршень
Таблица 5.1― Размеры элементов поршневой группы
| Элементы поршневой группы | Расчетные зависимости для карбюраторного двигателя | Значения размеров, мм |
| Высота поршня | 1,05∙D | 104 |
| Расстояние от верхней кромки поршня до оси пальца | 0,6∙D | 60 |
| Толщина днища поршня | 0,06∙D | 5 |
| Высота юбки поршня | 0,7∙D | 70 |
| Диаметр бобышки | 0,4∙D | 40 |
| Расстояние между торцами бобышек | 0,4∙D | 40 |
| Толщина стенки юбки поршня | 3 | 3 |
| Толщина стенки головки поршня | 0,07∙D | 7 |
| Расстояние до первой кольцевой канавки | 0,1∙D | 10 |
| Толщина первой кольцевой перемычки | 0,04∙D | 4 |
| Радиальная толщина кольца - компрессионного - маслосъемного | 0,0425∙D 0,0425D | 4,2 4,2 |
| Высота кольца | 3 | 3 |
| Радиальный зазор кольца в канавке поршня - компрессионного - маслосъемного | 0,85 0,9 | 0,85 0,9 |
| Разность между величинами зазоров замка кольца в свободном и рабочем состоянии | 3.1∙t | 13 |
| Внутренний диаметр поршня | D-2(s+t+Δt) | 74,6 |
| Число масляных отверстий в поршне | 10 | 10 |
| Диаметр масляного канала | 0,4∙a | 1,2 |
| Наружний диаметр пальца | 0,25∙D | 25 |
| Внутренний диаметр пальца | 0,7∙dn | 17,5 |
| Длина пальца | 0,83∙D | 82 |
| Длина втулки шатуна | 0,4∙D | 40 |
Принимаем материал поршня – алюминиевый сплав.
5.1 – Расчетная схема поршневой группы
5.1.1 Днище поршня
Максимальное напряжение изгиба в диаметральном сечении днища поршня
в МПа:
;
.
где
МПа.
Днище поршня должно быть усилено ребрами жесткости, поскольку расчетные напряжение превышает допускаемые 20…25 МПа.
5.1.2 Головка поршня
Головка поршня в сечении
, ослабленная отверстиями для отвода масла, проверяется на сжатие и разрыв.
Для определения напряжения сжатия определяем:
- диаметр поршня по дну канавок
в м:
;
.
- площадь продольного диаметрального сечения масляного канала
в м2:
;
.
- площадь сечения
головки поршня
в м2:
;
.
- максимально сжимающую силу
в МН:
;
.
Напряжение сжатия
в МПа:
;
.
Рассчитанное напряжение сжатия не превышает допустимые значения напряжений на сжатие для поршней из алюминиевых сплавов – (30…40)МПа
Для определения напряжения разрыва в сечении
определяем:
- максимальную угловую скорость вращения коленчатого вала при холостом ходе
в рад∕с:
;
.
- массу головки поршня с кольцами
в кг:
;
.
где
кг – масса поршневого комплекта из динамического расчета
Сила инерции возвратно-поступательно движущихся масс
в МН определяется для режима максимальной частоты вращения при холостом ходе двигателя:
;
.
где
м ― отношение радиуса кривошипа к длине шатуна из динамического расчета.
Напряжение разрыва
в МПа:
;
.
Рассчитанное напряжение разрыва не превышает допустимые значения напряжений на разрыв для поршней из алюминиевых сплавов – (4…10) МПа.
5.1.3 Юбка поршня
Юбка поршня проверяется на износостойкость по удельному давлению
в МПа на стенку цилиндра от максимальной боковой силы
:
;
.
Рассчитанное значение удельного давления не превышает допустимые значения напряжений для современных двигателей – (0,33…0,96) МПа
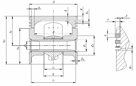
5.2 Поршневое кольцо
Проводим расчет компрессионного кольца. Материал кольца – серый чугун.
Среднее давление в МПа кольца на стенку цилиндра определяется по формуле:
;
.
где
=1∙105 – модуль упругости чугуна
Рассчитанное среднее радиальное давление не превышает допустимые значения, которые составляют (0,11…0,37) МПа.
Для обеспечения хорошей приработки кольца и надежного уплотнения давления кольца на стенку цилиндра в различных точках окружности должно изменяться по эпюре с повышением давления у замка.
где
― значение отношения давления кольца на стенку цилиндра в различных точках окружности к среднему давлению.
Таблица 5.2― Построение эпюры давления кольца двигателя на стенку цилиндра
|
| 0 | 30 | 60 | 90 | 120 | 150 | 180 |
|
| 1,05 | 1,04 | 1,02 | 1,0 | 1,02 | 1,27 | 1,5 |
| Р, МПа | 0,183 | 0,182 | 0,178 | 0,175 | 0,178 | 0,222 | 0,262 |
Напряжение изгиба кольца в рабочем состоянии
в МПа:
;
.
Напряжение изгиба кольца при надевании его на поршень
в МПа:
;
.
где
― коэффициент зависящий от способа надевания кольца.
Рассчитанные напряжения при изгибе кольца не превышает допустимые значения, которые составляют (220…450) МПа.
Рисунок 5.2 ― Эпюра давлений компрессионного кольца на стенку цилиндра
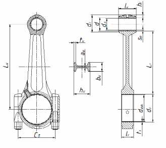
5.3 Шатун
Принимаем материал шатуна – Сталь 40.
Материал втулки – Бронза.
Таблица 5.3 ― Размеры элементов шатуна
| Элементы шатуна | Расчетные зависимости для карбюраторного двигателя | Значения размеров, мм |
| Наружный диаметр пальца | 0,25∙D | 25 |
| Внутренний диаметр поршневой головки со втулкой | 1,2∙ | 30 |
| Наружный диаметр головки | 1,4∙ | 38 |
| Минимальная радиальная толщина стенки головки | ( | 4 |
| Радиальная толщина стенки втулки | ( | 2,5 |
| Длина втулки шатуна | 0,385∙D | 38 |
| Диаметр шатунной шейки | 0,65∙D | 65 |
| Толщина стенки вкладыша | 0,04∙ | 2,5 |
| Расстояние между шатунными болтами | 1,7∙ | 110 |
| Длина кривошипной головки | 0,75∙ | 50 |
| Размеры среднего сечения В-В шатуна: - - - - | 0,50∙ 1,22∙ 0,55∙ 4,0…7,5 | 52 67 19 3 |
5.3.1 Поршневая головка
Минимальная частота вращения коленчатого вала холостого хода в мин-1:
;
.
Максимальная угловая скорость вращения коленчатого вала при холостом ходе
в рад/с:
;
.
Рисунок 5.3 – Схема шатунной группы
Разрывающая сила инерции
в Н при
:
;
где
― масса поршневого комплекта,
кг,
― масса верхней части головки шатуна,
кг
Площадь
в мм2 опасного сечения верхней головки шатуна:
;
.
Напряжение разрыва
а МПа:
;
.
Из условия обеспечения достаточной жесткости поршневой головки напряжение разрыва не превышает максимальных значений (20…50)МПа.
5.3.2 Кривошипная головка
Максимальная величина силы инерции
в МН:
;
где
― масса отъемной крышки кривошипной головки,
;
кг
Для определения напряжения изгиба крышки в МПа находим:
- внутренний радиус кривошипной головки
в м:
;
.
- момент инерции расчетного сечения крышки
в м4:
;
.
- момент инерции расчетного сечения вкладыша
в м4:
;
- суммарную площадь крышки и вкладыша в расчетном сечении
в м2:
;
.
- момент сопротивления расчетного сечения крышки без учета ребер жесткости
в м2:
;
.
Напряжение изгиба
в МПа:
;
.
Крышка кривошипной головки должна быть усилена ребрами жесткости, так как расчетное напряжение превышает допускаемые (100…300) МПа.
5.3.3 Стержень шатуна
Сила, сжимающая шатун
в МН по результатам динамического расчета:
.
Сила, растягивающая шатун
в МН по результатам динамического расчета:
.
Площадь среднего сечения шатуна
в м2:
;
.
Минимальное напряжение
в МПа, возникающее в сечении В-В от растягивающей силы:
;
.
От сжимающей силы в МПа в сечении В-В возникают максимальные напряжения сжатия и продольного изгиба:
- в плоскости качания шатуна:
;
МПа,
где
― коэффициент, учитывающий влияние продольного изгиба шатуна в плоскости качания шатуна,
- в плоскости перпендикулярной плоскости качания шатуна:
;
МПа.
где
― коэффициент, учитывающий влияние продольного изгиба шатуна в плоскости, перпендикулярной плоскости качанию шатуна,
.
Напряжения
и
не превышают предельных значений для углеродистых сталей (160…250) МПа.
6 Расчет системы жидкостного охлаждения
6.1 Емкость системы охлаждения
При номинальной мощности
кВт емкость системы охлаждения
в дм3 выберем из диапазона значений:
;
.
Принимаем
дм3.
6.2 Жидкостный насос
Принимаем:
- количество теплоты отводимой охлаждающей жидкостью от двигателя
Дж/с;
- средняя теплоемкость жидкости
Дж/(кг∙К);
- средняя плотность жидкости
кг/м3;
- температурный перепад жидкости в радиаторе
К.
Циркуляционный расход жидкости в системе охлаждения двигателя
в м2/с:
;
.
Принимаем коэффициент подачи насоса
Расчетная производительность насоса
в м3/с:
;
.
Принимаем:
- скорость жидкости на входе в насос
м/с;
- радиус ступицы крыльчатки
м;
Радиус выходного отверстия крыльчатки
в м:
;
.
Принимаем:
- углы между направлениями скоростей
,
и
:
и
;
- гидравлический КПД
.
Окружная скорость потока жидкости на входе колеса
в м/с:
;
.
Передаточное отношение ременного привода тот коленчатого вала принимаем
.
Частота вращения насоса
в мин-1:
;
.
Радиус крыльчатки колеса на входе
в м:
;
.
Окружная скорость входа потока
в м/с:
;
.
Угол между скоростями
и
принимается
.
Угол
;
.
Принимаются:
- число лопаток на крыльчатке
;
- толщина лопатки у входа
м;
- толщина лопатки у выхода
м.
Ширина лопатки на входе
в м:
;
.
Радиальная скорость потока на выходе из колеса
в м/с:
;
.
Ширина лопатки на выходе
в м:
;
.
Принимаем механический КПД насоса
.
Мощность потребляемая жидкостным насосом
в кВт:
;
.
6.3 Жидкостный радиатор
Принимаем:
- количество теплоты, отводимой от двигателя через охлаждающую жидкость к окружающему воздуху
Дж/с;
- средняя теплоемкость воздуха
Дж/(кг∙К);
- объемный расход жидкости, проходящей через радиатор
;
- средняя плотность жидкости
кг/м3;
- температурный перепад
К;
- температура перед радиатором
К.
Количество воздуха, проходящего через радиатор
в кг/с:
;
.
Массовый расход жидкости, проходящей через радиатор
в кг/с:
;
.
Средняя температура охлаждающего воздуха, проходящего через радиатор,
в К:
;
Принимаем:
- температурный перепад
К;
- оптимальное значение температуры
К.
Средняя температура жидкости в радиаторе
в К:
;
.
Коэффициент теплопередачи радиатора принимаем
Вт/(м2∙К).
Поверхность охлаждения радиатора
в м2:
;
.
6.4 Вентилятор
Принимаем:
- массовый расход воздуха, подаваемый вентилятором
кг/с;
- средняя температура воздуха
К;
- напор, создаваемый вентилятором
Па.
Плотность воздуха при средней его температуре в радиаторе
в кг/м3:
;
.
Производительность вентилятора
в м3/с:
;
.
Задаем скорость воздуха перед фронтом радиатора без учета скорости движения автомобиля
м/с.
Фронтовая поверхность радиатора
в м2:
;
.
Диаметр вентилятора
;
м.
Окружная скорость вентилятора
;
м/с.
где
― коэффициент, зависящий от формы лопастей: для криволинейных
.
Частота вращения вентилятора
в мин-1:
;
.
Мощность
в кВт, затрачиваемая на привод вентилятора:
;
.
где
― КПД вентилятора,
- для литого вентилятора.
Приложения
Приложение 1
Таблица сравнения показателей рассчитанного двигателя с прототипом
| Показатели | Тип двигателя | ||||
| Прототип | Рассчитанный | ||||
| Коэффициент избытка воздуха α | 0,85…0,98 | 0,9 | |||
| Давление остаточных газов | 1,05…1,25 | 1,12 | |||
| Температура остаточных газов | 900…1100 | 1000 | |||
| Степень подогрева заряда | 0…20 | 15 | |||
| Коэффициент остаточных газов γr | 0,04…0,10 | 0,061 | |||
| Температура в конце впуска | 340…370 | 347,8 | |||
| Коэффициент наполнения | 0,70…0,90 | 0,764 | |||
| Показатель политропы сжатия | 1,34…1,38 | 1,36 | |||
| Температура в конце сжатия | 600…800 | 751,5 | |||
| Давление в конце сжатия | 0,9…2,0 | 1,56 | |||
| Степень повышения давления цикла | 3,2…4,2 | 3,76 | |||
| Степень предварительного расширения | 1,0 | 1,0 | |||
| Температура конца видимого сгорания | 2400…3100 | 2630 | |||
| Максимальное давление сгорания | 3,5…7,5 | 5,86 | |||
| Показатель политропы расширения | 1,23…1,30 | 1,258 | |||
| Температура в конце расширения | 1200…1700 | 1514,1 | |||
| Давление в конце расширения | 0,35…0,6 | 0,397 | |||
| Средняя скорость поршня | 9…16 | 13,5 | |||
| Среднее эффективное давление | 0,6…1,1 | 0,75 | |||
| Эффективный КПД | 0,23…0,38 | 0,29 | |||
| Механический КПД | 0,75…0,92 | 0,80 | |||
| Эффективный удельный расход топлива | 2300…3100 | 282,6 | |||
| Отношение | 0,86…1,07 | 1,95 | |||
| Относительная теплота | 23…38 | 29,00195604 | |||
| Относительная теплота | 24..32 | 24,09538035 | |||
| Относительная теплота | 30…55 | 28,01157978 | |||
| Относительная теплота | 0…21 | 14,11670973 | |||
| Относительная теплота | 3…10 | 4,774374102 | |||
| Фазы газораспределения: -открытие впускного клапана до ВМТ | 10…35 | 27 | |||
| -закрытие впускного клапана после НМТ | 40…85 | 50 | |||
| -открытие выпускного клапана до НМТ | 40…70 | 55 | |||
| -закрытие выпускного клапана после ВМТ | 10…50 | 35 | |||
| Показатели | Тип двигателя | ||||
| Прототип | Рассчитанный | ||||
| Критерий Гинцбурга | 1,3…2,8 | 2,03 | |||
| Критерий Костина | 3,5…9,0 | 8,97 | |||
| Масса двигателя | 152,6…450 | 281,05 | |||
Приложение Б
Техническая характеристика двигателя
1. Тип двигателя – карбюраторный..
2. Число тактов – 4.
3. Число и расположение цилиндров – 4, рядное.
4. Порядок работы цилиндров –
5. Расположение и число клапанов в цилиндре – верхнее, по два в цилиндре.
6. Рабочий объем двигателя, дм3 – 2,9.
7. Диаметр цилиндра, мм – 98,8.
8. Ход поршня, мм – 95.
9. Степень сжатия – 8,5.
10. Номинальная мощность, кВт – 80,3.
11. Максимальная рабочая частота вращения, мин-1 – 4400.
12. Габаритные размеры двигателя, мм – 770х525х725.
13. Направление вращения коленчатого вала – правое.
14. Максимальное среднее эффективное давление, МПа – 0,94.
15. Максимальный эффективный крутящий момент, Н∙м – 217,8.
16. Минимальная частота вращения коленчатого вала, мин-1 – 600.
17. Частота вращения при максимальном крутящем моменте, мин-1 – 2200.
18. Сорт топлива – бензин А-76 по ГОСТ 2084-77.
19. Минимальный удельный расход топлива, г/(кВт∙ч) – 250,8.
20. Фазы газораспределения: впуск (начало, конец), выпуск (начало,
конец) – (27, 60), (55, 35).
21. Наличие наддува – нет.
22. Тип системы охлаждения – жидкостный, закрытый с принудительной
циркуляцией.
23. Объем смазочной системы, дм3 – 6.
24. Объем жидкостной системы охлаждения, дм3 – 18.
1>
в
в кДж/(кмоль·град):
:
:
и осью обцисс,
мм2.















