147070 (594255)
Текст из файла
Аннотация
В данной работе будет рассмотрены разнообразные системы впрыска топлива, их история развитие в жизни автомобильной промышленности, особенности строения, которые с каждым годом становятся всё более и более продвинутыми и принципиальные различия. Главной же целью этой работы будет исследование работы, технической эксплуатации форсунок бензиновых двигателей. Также будут рассмотрены примеры промывки форсунок на стендах различных фирм, будет приведена конструкция данных стендов, в том числе будут предложены собственные конструкции экспериментальных установок, предназначенных для промывки и диагностики форсунок. В конце работы будут сделаны соответствующие выводы.
Оглавление
Введение
-
Обзор систем впрыска бензиновых двигателей
1.1 Электронная система разделённого впрыска
1.1.1 Принцип действия
1.1.2 Блок электронного управления
1.2 Система впрыска с одной форсункой
1.3 Центральный впрыск
1.4 Многоточечный впрыск
1.5 Непрерывный впрыск
1.6 Непосредственный впрыск
1.7 Почему возникла необходимость в системах впрыска
1.8 Выводы о системах впрыска
1.9 Эксплуатация современных систем впрыска
-
Исследование работы и процесса технической эксплуатации форсунок бензиновых двигателей
2.1 Конструкция электромагнитных форсунок
2.2 Разработка новинок в области бензиновых форсунок
2.3 Описание экспериментальной установки
2.4 Результаты измерений
2.5 Обзор устройств для технического обслуживания форсунок
2.6 Рекомендации по техническому обслуживанию форсунок
-
Охрана труда и окружающей среды
3.1 Введение
3.2 Анализ вредных и опасных факторов на АТП
3.2.1 Микроклимат
3.2.2 Производственное освещение
3.3 Вредные вещества в воздухе производственных зданий
3.3.1 Промышленная пыль
3.3.2 Промышленные яды
3.4 Шум, звук и вибрации
3.5 Мероприятия по предотвращению и недопущению опасных и вредных факторов
3.5.1 Мероприятия по обеспечению допустимых метеорологических условий труда
3.5.2 Меры борьбы с пылью на производстве
3.5.3 Мероприятия по борьбе с шумом и вибрацией
3.6 Пожаробезопасность
3.6.1 Причины возникновения пожаров
3.6.2 Классификация производств по степени пожарной опасности
3.6.3 Противопожарные преграды
3.6.4 Пожарная безопасность в ремонтных отделениях
3.7 Охрана окружающей среды
3.8 Охрана воздушного бассейна
3.9 Охрана и рациональное использование водных ресурсов
3.10 Расчет количества светильников
Выводы
Список используемых источников
Введение
Системы впрыска топлива изобретены практически одновременно с созданием автомобильного двигателя. Еще в 1881 году, когда большинство автомобилестроителей совершенствовали карбюратор, француз по имени Этив получил патент на систему измерения массы сжатого воздуха. В1883 году немецкий инженер Штиль получил патент на метод впрыска топлива в камеру сгорания цилиндра двигателя. Примерно в то же время в Англии Эдвардом Буглером был создан двигатель, оборудованный системой впрыска топлива под давлением через впускной клапан с полым стержнем.
Первый двигатель с системой впрыска топлива, запушенный в серийное производство, был разработан Компанией Стерлинга (штат Иллинойс, США) в 1887 году. В основном, этот двигатель работал в стационарном режиме. Топливо попадало в форсунку через клапан из топливного бака самотеком.
В Европе Дейтцем был разработан аналогичный стационарный одноцилиндровый двигатель с системой впрыска топлива под низким давлением, работавший на керосине. В период с 1898 по 1901 год было продано более трехсот таких двигателей.
Срвилл Райт также заинтересовался этими системами и 1903 году построил самолет с двигателем, имеющим такую систему.
Оборудованные такими двигателями самолеты меньше страдали от обледенения карбюратора и пожаров в карбюраторах, что резко повысило их надежность. Именно по этим причинам системы впрыска топлива наиболее быстро стали развиваться в авиастроении. В1906 году Пеоном Левавассором был создан насос высокого давления и введен принцип калиброванной форсунки. В 1912 году фирмой Bosch был создан двухтактный двигатель, а котором масляный насос был приспособлен для впрыска топлива.
Первая Мировая война привела к быстрому развитию и совершенствованию карбюраторов. Их надежность в двигателях самолетов повысилась настолько, что идея впрыска топлива была забыта на много лет. В течение 30-х годов немецкий авиационный испытательный центр, фирмы Bosch, БМВ и Мерседес-Бенц вели разработку авиационных двигателей с системой впрыска топлива под высоким давлением. Когда в 1937 году фирма Мерседес-Бенц представила авиационный двигатель DB-601V-12 мощностью 1200 л.с., системы впрыска получили всеобщее признание. Однако большинство технических решений сводились к созданию дизельного двигателя с прямым впрыском топлива в камеру сгорания. В течение последних лет Второй Мировой войны английская фирма в Бирмингеме, специализирующаяся на карбюраторах, разрабатывала системы с впрыском топлива для авиационных двигателей фирмы Роллс-Ройс Мерлин. В период с 1950 по 1986 год было разработано и забыто множество систем впрыска топлива, изготовленных небольшими фирмами. В настоящее время системы впрыска топлива изготовляются, наоборот, крупными фирмами, а все меньшие изгнаны с рынка сбыта.
В 1984 году была разработана электронная система впрыска топлива серии «КЕ» Jetronic с усовершенствованной системой пуска двигателя и системой контроля выхлопных газов. Эта частично механическая и частично электронная система исправно служит и в настоящее время.
Однако остальные механические системы впрыска топлива не выдержали конкуренции с электронными системами и постепенно вышли из употребления.
Далее в работе речь пойдёт о электронных системах впрыска топлива и о главной составляющей этой системе – о форсунке.
1. Обзор систем электронного впрыска
За многие годы развития автомобилестроения много узлов и систем автомобиля было испытано и отвергнуто из-за отсутствия доступной технологии изготовления. Электронные системы управления двигателем являются одним из примеров: хотя первые попытки применения этих систем были предприняты в 1930-50 годах, по-настоящему, жизнеспособная электронная система была запущена в производство только в 1966 году.
Первое зарегистрированное применение электронного клапана подачи топлива произошло в 1932 году, когда инженер по имени Кеннеди усовершенствовал 6-цилиндровый судовой двигатель с искровым зажиганием. В системе отсутствовали транзисторы (они были изобретены только спустя 16 лет) и другие компоненты современной электронной системы. В 1934 году Кеннеди установил 6-цилиндровый двигатель, оборудованный этой системой, на грузовик и успешно проехал на нем от Лос-Анджелеса до Нью-Йорка и обратно. После того, как компания, в которой работал Кеннеди обанкротилась, эта система была забыта.
4 февраля 1957 года Корпорация Bendix зарегистрировала патент на электронную систему впрыска топлива. В патенте было оговорено 39 пунктов, что дало фирме Bendix права на все формы электронных систем впрыска топлива. Срок действия патента заканчивался 18 апреля 1961 года.
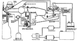
Рис. Система впрыска топлива Kugelfischer (автомобиль Peugeot 404).
1. Впускной коллектор.
2. Форсунка.
3. Топливная магистраль высокого давления.
4. Коллектор.
5. Корпус дроссельной заслонки.
6. Насос.
Рис. Система впрыска топлива Bosch K-Jetronic с системой отсечки топлива при чрезмерных оборотах двигателя и системой экономии топлива.
В 1952 году фирмой была разработана система электрического впрыска топлива хотя на создание этой системы были затрачены многие годы и миллионы долларов, она никогда не поступила в серийное производство. Недостатками этой системы явились высокая стоимость компонентов и высокая степень содержания СО в выхлопных газах при примитивных технологиях 50-х годов.
Однако некоторые результаты этих разработок оказались плодотворными и позже нашли применение.
Первые системы электронного впрыска топлива во время буксировки автомобиля при проведении испытаний открывали форсунки и заполняли цилиндры чистым бензином! К счастью, эта проблема была преодолена.
Основная система включала в себя электронный блок управления, который получал данные от датчиков разрежения во впускном коллекторе, температуры окружающего воздуха, давления воздуха и частоты вращения двигателя. После вычислений в зависимости от скорости и загрузки двигателя форсунки открывались электромагнитами, и рассчитанное количество топлива впрыскивалось в коллектор. Давление топлива поддерживалось постоянным при помощи топливного насоса. Сигнал для открытия форсунок подавался от прерывателя зажигания.
В 1966 году Bendix предоставил фирме Bosch лицензию на производство электронных систем впрыска топлива в Германии и Бразилии.
В конце 60х годов появилось множество систем, в которых объединены механическая и электронная системы впрыска топлива. В это же время начала вставать проблема контроля за загрязнением окружающей среды. Усовершенствование карбюраторов начало приводить к повышению их стоимости. Попытки объединения карбюратора с электронными системами не дали ощутимых результатов. Карбюраторные двигатели стали более «грязными» и стали обладать меньшей приемистостью по сравнению с двигателями, оборудованными электронными системами управления. Все это привело к широкому внедрению электронных систем в автомобилестроение.
В 1956 году Британской компанией была разработана система электронного впрыска топлива АЕ-Вriсо, которая устанавливалась в 1969 года на автомобиле Aston Martin DB6 в качестве альтернативной системы карбюратору Weber. Однако срок службы этих систем оказался слишком коротким, и они более не устанавливались.
В1967 году Bendix возобновил работу над созданием электронной системы впрыска топлива. Эта система устанавливалась с 1976 года на автомобилях Кадиллак Севилья. Фирма Bosch в 1968 году разработала систему D-Jetronic - первую из серии электронных систем впрыска топлива этой фирмы. Эта система устанавливалась на многие модели автомобилей: Citroen, Lancia, Mercedes-Benz, Opel, Renault, SAAB и Volvo. Основы современных электронных систем заложены в системе серии «D» и многое в этих системах позаимствовано из системы D-Jetronic, хотя она изготовлена еще в 1967 году.
В 1973 году система D-Jetronic была заменена системой L-Jetronic. Эта система повлияла на конструкции, созданные позднее и явилась эталоном для создания подобных систем. Большинство схем электронного управления и вспомогательных цепей расположено на одной интегральной плате. В процессе совершенствования системы добавлены датчики содержания кислорода в выхлопных газах, а также добавлен контур обратной связи.
В 1978 году Bendix совместно с Renault разработали систему управления Renix. Эта система была установлена на автомобиле Рено 25. Впоследствии компания Рено продала свою долю, и Bendix самостоятельно продолжил совершенствование этой системы. Еще в 1966 году Рено разработало блок автоматической трансмиссии с электронным управлением. Эта трансмиссия была установлена на автомобиле Рено 16 в 1969 году.
В 1978 году фирмой Bosch была создана первая система управления двигателем Motronic. Эта система была установлена на автомобиле BMW 732L.
Двигатель этого автомобиля был оборудован системой L-Jetronic, a блок электронного управления содержал дополнительную цепь управления зажиганием. Позже система Motronic была дополнена системой управления оборотами холостого хода и системой самодиагностики. Первая система самодиагностики была установлена в 1981 году на автомобиле Кадиллак, оборудованном электронной системой Bendix.
В 90-х годах системы электронного управления двигателем развивались особенно быстро. В это время появилось множество различных модификаций этих систем. В некоторых системах блок электронного управления связан с автоматической коробкой передач, системой регулировки силы тяги и другими системами.
Среди модификаций различаются системы центрального и распределенного впрыска (одновременного и последовательного), системы зажигания с распределителем и без распределителя. Система самодиагностики совершенствуется за счет увеличения параметров, регистрируемых системой. В настоящее время таких параметров может быть более сотни.
Существует несколько способов впрыска топлива: прямой, при
котором топливо впрыскивается непосредственно в каждый цилиндр, а также непрямой, при котором топливо смешивается с воздухом перед впускным клапаном цилиндра.
Прямой способ впрыска топлива не используется из-за ряда чисто технических трудностей его реализации. Во-первых, топливо необходимо впрыскивать в цилиндр под большим давлением что требует мощного насоса и вызывает повышенную шумность, во-вторых, моменты впрыска топлива должны быть синхронизированы с вращением коленчатого вала двигателя.
При непрямом впрыске топлива топливо распыляется под небольшим давлением во впускной тракт, причем впрыск производится одновременно всеми форсунками, независимо от тактов в цилиндрах.
При непрямом впрыске существует два способа подачи топлива:
1) Непрерывный впрыск. При работе двигателя топливо непрерывно распыляется форсунками, а регулирование состава рабочей смеси осуществляется изменением давления впрыска. Однако отношение потребления топлива на холостом ходу и при работе с полной нагрузкой достигает 1:60, причем регулировка должна осуществляться с высокой точностью. Это приводит к неоправданному усложнению конструкции топливной системы.
2) Дробный впрыск. Топливо распыляется через равномерные интервалы времени при постоянном давлении (подробнее см. ниже). Эти интервалы времени могут быть как синхронизированы, так и не синхронизированы с открытием впускных клапанов двигателя.
Так же в двигателе может быть установлена одна форсунка (одноточечный или дроссельный впрыск) или для каждого цилиндра устанавливается своя форсунка (многоточечный или разделенный впрыск).
Форсунка для одноточечного впрыска устанавливается над дроссельной заслонкой, поэтому такая система иногда называется системой с дроссельным впрыском топлива. Она является относительно дешевой. В большинстве систем используется установка форсунок для каждого цилиндра, поскольку, несмотря на дополнительную стоимость, эти системы обладают рядом преимуществ. Независимо от типа системы, их общие принципы работы поясняются.
1.1 Электронная система разделенного впрыска топлива
Принцип действия системы разделенного впрыска топлива рассмотрен на примере системы впрыска топлива Bosch L Jetrcnic.
Система LH Jetronic отличается от системы L Jetronic только установкой датчика массового расхода воздуха с нагретым проводом.
Работа системы L Jetronic заключается в обеспечении оптимального соотношения воздуха и топлива в рабочей смеси для всех режимов работы двигателя, а также в определении времени и длительности впрысков топлива для каждой из форсунок.
Характеристики
Тип файла документ
Документы такого типа открываются такими программами, как Microsoft Office Word на компьютерах Windows, Apple Pages на компьютерах Mac, Open Office - бесплатная альтернатива на различных платформах, в том числе Linux. Наиболее простым и современным решением будут Google документы, так как открываются онлайн без скачивания прямо в браузере на любой платформе. Существуют российские качественные аналоги, например от Яндекса.
Будьте внимательны на мобильных устройствах, так как там используются упрощённый функционал даже в официальном приложении от Microsoft, поэтому для просмотра скачивайте PDF-версию. А если нужно редактировать файл, то используйте оригинальный файл.
Файлы такого типа обычно разбиты на страницы, а текст может быть форматированным (жирный, курсив, выбор шрифта, таблицы и т.п.), а также в него можно добавлять изображения. Формат идеально подходит для рефератов, докладов и РПЗ курсовых проектов, которые необходимо распечатать. Кстати перед печатью также сохраняйте файл в PDF, так как принтер может начудить со шрифтами.
















