147011 (594245), страница 7
Текст из файла (страница 7)
Недолік метода у великій залежності від фізичного стану елементів які використовуються як датчик і введенні додаткових елементів і впливу на них роботи двигуна.
2.4 Спосіб комп'ютерного аналізу вторинної напруги системи
запалювання двигуна внутрішнього згоряння
Винахід ставиться до технічної діагностики, а саме до діагностики систем запалювання двигунів внутрішнього згоряння, і може бути використане для діагностування систем запалювання автомобілів, пускових двигунів тракторів і мобільних сільськогосподарських машин [11]. Спосіб комп'ютерного аналізу вторинної напруги системи запалювання двигуна внутрішнього згоряння здійснюється шляхом порівняння з еталонними значеннями середньої напруги горіння дуги, тривалості іскрового розряду й відносного часу замкнутого стану контактів. При цьому крапкою початку іскрового розряду вважається момент досягнення напруги -600 В, крапкою закінчення іскрового розряду вважається момент, що передує зниженню вторинної напруги до 0, за умови, що іскровий розряд почався, крапкою розмикання контактів переривника вважається момент початку іскрового розряду, а крапкою замикання контактів уважається найближчий попередньому іскровому розряду момент перевищення напругою рівня +50 В, за умови, що між цією крапкою й початком іскрового розряду напруга досягає +180 В. Отримані за кілька сотень циклів результати по кожному циліндрі засереднюються. Технічним результатом є підвищення вірогідності діагнозу.
3 РОБОЧІ ПРОЦЕСИ В БАТАРЕЙНЫХСИСТЕМАХ ЗАПАЛЮВАННЯ
3.1 Основні робочі процеси
Нормальним робочим режимом будь-якої системи батарейного запалювання, що використає індукційну котушку як джерело високої напруги, є перехідний режим, у результаті чого утвориться іскровий розряд у свічі запалювання. Робочий процес може бути розбитий на три етапи [5].
1. Замикання контактів переривника. На цьому етапі відбувається підключення первинної обмотки котушки запалювання (накопичувача) до джерела струму. Етап характеризується наростанням первинного струму й, як наслідок цього, накопиченням електромагнітної енергії, що запасає в магнітному полі котушки.
2. Розмикання контактів переривника. Джерело струму відключається від котушки запалювання. Первинний струм зникає, у результаті чого накопичена електромагнітна енергія перетворюється в електростатичну. Виникає ЭДС високої напруги у вторинній обмотці.
3. Пробій іскрового проміжку свічі. У робочих умовах при певнім значенні напруги відбувається пробій іскрового проміжку свічі з наступним розрядним процесом.
3.1.1 Замикання контактів переривника
На 1-му етапі вторинний ланцюг практично не впливає на процес наростання первинного струму. Струми й напруги у вторинному ланцюзі при відносно малій швидкості наростання первинного струму незначні. Вторинний ланцюг можна вважати розімкнутої. Первинний конденсатор замкнуть накоротко контактами К. Схема заміщення для даного робочого етапу наведена на мал. 3.1 [8].
Процес наростання первинного струму відповідно до другого закону Кирхгофа описується диференціальним рівнянням [8]
, (3.1)
де
— індуктивність первинної обмотки;
— швидкість наростання первинного струму;
— повний опір первинного ланцюга, що представляє собою суму активного опору первинної обмотки, опорів додаткового резистора й проводів.
Рис. 3.1. Схема заміщення класичної системи запалювання після замикання контактів переривника.
Рішенням цього рівняння є вираження
або
(3.2.)
де
— постійна часу первинного контуру;
.
У початковий момент часу при t=0 струм i=0, при цьому швидкість наростання первинного струму
максимальна й не залежить від опору
,. При
струм досягає сталого значення
, а швидкість його зміни дорівнює нулю
. Для сучасних автомобільних котушок запалювання первинний струм досягає свого максимального значення приблизно за 0,02 с.
Під час наростання струму в первинній обмотці наводиться ЭДС самоіндукції
, (3.3)
ЭДС самоіндукції убуває за експонентним законом. При
,
, при
У вторинній обмотці індукується ЭДС взаємоіндукції
, (3.4)
де М — взаємоіндукція.
ЭДС взаємоіндукції мала по1 величині й також змінюється за експонентним законом.
У деякий момент часу контакти розмикаються. Струм розриву за інших рівних умов залежить від часу замкнутого стану контактів
:
, (3.5)
Час
: залежить від частоти обертання колінчатого вала двигуна й, числа циліндрів z, профілю кулачка, тобто співвідношення між кутом замкнутого й розімкнутого станів контактів.
Частота розмикання контактів при чотиритактному двигуні або число іскор у секунду f=zn/(2- 60).
Час повного періоду роботи переривника
, (3.6)
де tp — час розімкнутого стану контактів.
Якщо позначити відносний час замкнутого й розімкнутого станів контактів відповідно через
3 = t3 / Т и
р = tp / Т, то час замкнутого стану контактів
, (3.7)
Аналітичне вираження струму розриву прийме вид
, (3.8)
Таким чином, струм розриву зменшується зі збільшенням частоти обертання вала й числа циліндрів і збільшується зі збільшенням відносного часу замкнутого стану контактів, що визначається геометрією кулачка й від частоти обертання вала не залежить. Струм розриву залежить також від параметрів первинного ланцюга: він прямо пропорційний напрузі батареї U6, зростає зі зменшенням R1, і зменшується зі збільшенням індуктивності L1.
Електромагнітна енергія, що запасає в магнітному полі котушки запалювання до моменту розмикання контактів,
, (3.9)
Показник
.
Якщо рівняння (3.9) продіфференцирувати по L1, і дорівняти до нуля, то можна визначити значення а для одержання найбільшої електромагнітної енергії, що запасає, від джерела постійного струму з напругою U6:
(3.10)
Умова (3.10) для звичайної класичної системи запалювання не може бути дотримано, тому що t3 — показник змінний і залежно від частоти обертання двигуна змінюється в широких межах. Тому на більшості режимів роботи котушки запалювання в діапазоні малих (холостий хід) і середніх частот обертання двигуна внаслідок більших значень t3 струм у первинній обмотці, досягши сталого значення, даремно нагріває котушку й додатковий опір.
Щоб знайти втрати в первинному ланцюзі, необхідно обчислити дійсне значення струму
(3.11)
Визначивши по формулі (3.11) струм
, знаходять потужність втрат Р1піт, що розсіюється в первинній обмотці котушки запалювання, на додатковому опорі й у проводах:
(3.12)
3.1.2 Розмикання контактів переривника.
Після закінчення процесу накопичення в момент запалювання контакти переривника розмикають ланцюг і тим самим переривають первинний струм. У цей момент магнітне поле зникає й у первинній і вторинній обмотках котушки індукується напруга. За законом індукції напруга, индуцируемое у вторинній обмотці, тим вище, чим більше коефіцієнт трансформації й первинний струм у момент його переривання [8].
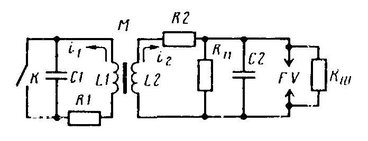
При виводі розрахункових формул для підрахунку первинної й вторинної напруг скористаємося спрощеною схемою заміщення (мал. 3.2). Відповідно до цієї схеми маємо два магнітозв’язаних контури, кожний з яких містить ємність (З1 — конденсатор первинного ланцюга; З2 — розподілена ємність вторинного ланцюга), індуктивність (LI, L2 — індуктивності відповідно первинної й вторинної обмоток котушки запалювання), еквівалентний активний опір (Rl, R2 — сумарні активні опори відповідно первинного й вторинного ланцюгів). У вторинний контур включений шунтуюче опір Rш і опір втрат Rn, що імітують витоки струму на свічі й магнітні втрати.
У момент розмикання контактів переривника електромагнітна енергія, запасена в котушці, перетвориться в енергію електричного поля конденсаторів CI і З2 і частково перетворюється в теплоту. Значення максимальної вторинної напруги можна одержати з рівняння електричного балансу в контурах первинного й вторинного ланцюгів, зневажаючи втратами в них,
(3.13)
де U1m, U2m, — максимальні значення відповідно первинної й вторинної напруг.
Заміняючи
(де Wl і W2 — число витків відповідно первинної й вторинної обмоток котушки запалювання), одержимо аналітичне вираження для розрахунку максимальної вторинної напруги
(3.14)
Вираження (3.14) не враховує втрати енергії в опорі нагару, шунтуючого іскровий проміжок свічі, магнітні втрати в сталі, електричні втрати в іскровому проміжку розподільника й у дузі на контактах переривника. Зазначені втрати приводять до зниження вторинної напруги. На практиці для обліку втрат у контурах уводять у вигляді множника коефіцієнт
, що виражає зменшення максимуму напруги через втрати енергії:
(3.15)
де
— коефіцієнт трансформації котушки запалювання;
— коефіцієнт загасання, що становить для контактних систем 0,75...0,85.















