144465 (594076), страница 6
Текст из файла (страница 6)
A- коэффициент, зависящий от температурной стратификации атмосферы (см.стр.319[29]) А=140 для Московской области.
М- масса вредного вещества, выбрасываемого в атмосферу в единицу времени, г/с
F- безразмерный коэффициент, учитывающий скорость оседания вредных веществ в атмосферном воздухе (см.стр.319[29]), F=1;
m и n – коэффициенты, учитывающие условия выхода газовоздушной смеси из устья дымовой трубы;
Значение коэффициентов m и n определяются в зависимости от параметров
и
:
(формула 12.20[29]);
(формула 12.21[29]);
(формула 12.22[29]);
(формула 12.23[29]);
Коэффициент m определяется в зависимости от параметра f по формуле (12.24[29]):
При
:
Коэффициент n в зависимости от Vм принимается равным
при
<2 (см.стр.320[29]).
Суммарная концентрация вредных примесей должна удовлетворять условию:
Расстояние Хм, м, от дымовой трубы, на котором приземная концентрация вредных веществ при неблагоприятных метеорологических условиях достигается максимального значения:
(формула 12.27[29]) где
безразмерный коэффициент, определяемый из соотношения (стр.321[29])
Проверим высоту дымовой трубы по расчету на рассеивание вредных веществ в атмосфере из условия суммарного действия оксидов серы и азота по формуле:
(формула12.25[29])
Существующая дымовая труба обеспечивает предельно допустимые нормы рассеивания вредных веществ в атмосфере с учетом суммарного действия оксидов серы и азота, принимаем к установке дымовую трубу высотой 8 м.
Определение расстояния от дымовой трубы, на котором приземная концентрация вредных веществ при неблагоприятных метеорологических условиях достигает максимального значения с учетом розы ветров для котельной с двумя котлами “Logano S 825” фирмы “Buderus”.
Нормативная СЗЗ вокруг энергоблока - отопительно-производственной котельной 100 м.
Рельеф местности в районе завода ровный, не оказывает влияния на рассеивание вредных примесей в атмосфере.
Санитарно-защитные зоны котельных дифференцированы в зависимости от высоты дымовых труб; при высоте труб менее 15 м она должна составлять не менее 100 м; при высотах более 15 м — порядка 300 м, если по акустическому расчету проектных решений не требуется дополнительных корректировок в сторону их увеличения.
Потенциал загрязнения атмосферы (ПЗА) — способность атмосферы рассеивать примеси, включает комплекс метеофакторов по табл.1 из [31]
| Приземные инверсии | Повторяемость% | |||||||
| Потенциал загрязнения атмосферы (ПЗА) | повторяемость, % | мощность, км | интенсивность, °С | скорости ветра 0—1 м/сек | в т. ч. непрерывно ряд дней застой воздуха | Высота слоя перемещения, км | Продолжительность тумана, ч | |
| Низкий | 20 - 30 | 0,3-0,4 | 2 - 3 | 10 - 20 | 5 - 10 | 0,7-0,8 | 80-350 | |
| Умеренный | 0,4-0,5 | 3 - 5 | 20 - 30 | 7 - 12 | 0,8-1,0 | 100-500 | ||
| Повышенный | ||||||||
| континентальный | 0,3-0,6 | 2 - 6 | 20 - 40 | 3 - 18 | 0,7-1,0 | 100-600 | ||
| приморский | 0,3-0,7 | 2 - 6 | 10 - 30 | 10 - 25 | 0,4-1,1 | 100-600 | ||
| Высокий | 0,3-0,7 | 3 - 6 | 30 - 60 | 10 - 30 | 0,7-1,6 | 50-200 | ||
| Очень высокий | 0,3-0,9 | 3 - 10 | 50 - 70 | 20 - 15 | 0,8-1,6 | 10-600 | ||
Зона умеренного ПЗА — Западная Сибирь и большая часть европейской территории страны.
- расстояние от дымовой трубы, на котором приземная концентрация вредных веществ при неблагоприятных метеорологических условиях достигает максимального значения должно проверяться расчетом для различных направлений ветра с учетом среднегодовой розы ветров района расположения котельной по формуле [30]:
где
расчетное расстояние, м;
Расстояние, от дымовой трубы, на котором приземная концентрация вредных веществ при неблагоприятных метеорологических условиях достигается максимального значения, м;
, принимаем
Р - повторяемость направлений ветров одного румба при восьмирумбовой розе ветров, %;
P0 - среднегодовая повторяемость направления ветров рассматриваемого румба, % [30]
Значение
отсчитывается от дымовой трубы, пересчитанные размеры наносятся на принципиальную схему поселка Томилино.
| Направление ветра | С | СВ | В | ЮВ | Ю | ЮЗ | З | СЗ |
| Повторяемость, % | 4 | 11 | 20 | 7 | 7 | 11 | 28 | 12 |
| Размер | 32 | 88 | 160 | 56 | 56 | 88 | 224 | 96 |
| Принятый размер | 50 | 100 | 200 | 50 | 50 | 100 | 250 | 100 |
Раздел 4.
ТЕХНОЛОГИЯ СТРОИТЕЛЬНЫХ И МОНТАЖНО-ЗАГОТОВИТЕЛЬНЫХ РАБОТ
4. Технология и организация строительных и монтажно-заготовительных работ
Общие положения.
Настоящий раздел проекта рассматривает вопросы организации строительства теплосети.
Проект выполнен с учетом требований:
-
СНиП 1.04.03-85* "Нормы продолжительности строительства";
-
СНиП 12.01-2004 "Организация строительства";
-
СНиП 3.02.01-87 "Земляные сооружения, основания, фундаменты";
-
СНиП 12-04-2002 «Безопасность труда в строительстве» Часть 2. Строительное производство;
-
СНиП 12-03-2001 «Безопасность труда в строительстве» Часть 1. Общие требования;
-
СНиП 3.01.03-84 "Геодезические работы в строительстве";
-
СНиП 41-02-2003 «Тепловые сети»;
-
СНиП 3.05.03-85 «Правила производства и приемки работ «Тепловые сети»;
-
СП 12-136-2002 «Решения по охране труда и промышленной
безопасности в проектах организации строительства и проектах производства работ».
-
Правила подготовки и производства земляных работ, обустройства и содержания строительных площадок в городе Москве». Постановление Правительства г. Москвы от 07.12.2004 г. № 857-ПП;
-
ПБ 10-573-03 «Правила устройства и безопасной эксплуатации трубопроводов пара и горячей воды»;
-
СП 41-105-2002 «Проектирование и строительство тепловых сетей бесканальной прокладки»;
-
ВСН 29-95 «Строительные нормы по проектированию и бесканальной прокладке в г.Москве.».
Кроме требований, предусмотренных в строительных нормах и правилах, следует соблюдать также требования к монтажу отдельных видов оборудования согласно технической документации заводов изготовителей.
Строительная организация после получения от заказчика утвержденной проектно-сметной документации разрабатывает проект производства работ (ППР). ППР должен составляться на основе решений, принятых в проекте организации строительства.
Отступления от проектных решений при выполнении строительно-монтажных работ заказчик должен согласовать с проектной организацией.
Оборудование, изделия и материалы, применяемые при строительно-монтажных работах, должны соответствовать спецификациям проекта, государственным стандартам или техническим условиям и иметь соответствующие сертификаты, технические паспорта, удостоверяющие качество оборудования, изделий и материалов.
Для удовлетворения бытовых потребностей работающих предполагается использовать инвентарные передвижные вагончики, которые устанавливаются на свободной территории, в непосредственной близости от места работ после предварительного согласования с администрацией распределительно-складского комплекса. Доставку строительных материалов и изделий предполагается осуществлять к месту производства работ автотранспортными средствами и выгружать на свободные места в непосредственной близости от места производства работ. Места выгрузки и временного складирования выбирать таким образом, чтобы не создавать дискомфортных условий для проезда транспорта и прохода пешеходов.
Энергоснабжение от существующих сетей при наличии ТУ на подключение.
Сброс технической воды – в существующую дождевую канализацию.
Характеристика условий строительства и производства работ.
Проектом предусматривается 2-х трубная прокладка трубопроводов:
Ø219х6мм, Ø273х7мм, Ø325х7мм, Ø426х7мм на низких опорах,
теплосеть – подземная канальная – в непроходных монолитных ж/б каналах общей протяженностью ~206м.
Трасса проектируемой теплосети проходит в толще насыпных грунтов. Проектируемая траншея проходит под асфальтовым покрытием, грунту, газону.
Водовыпуск- в проектируемые водосборные колодцы Всб 1; 2; 3; 4; 5 с последующим удалением воды, передвижной насосной установкой.
Архитектурно-строительные решения.
Проектом предусмотрена прокладка теплосети в монолитных железобетонных каналах, на низких опорах из блоков ФБС.
Монолитные железобетонные каналы выполняются из бетона класса В20 армированные арматурой 12 периодического профиля.
Перекрытие каналов выполняется из сборных железобетонных плит для непроходных каналов.
Под монолитные каналы выполнить в траншее подсыпку песком толщиной 100 мм, поверх которой сделать бетонную подготовку из бетона класса В7,5 толщиной 100 мм и превышающую габариты плиты на 100 мм в каждую сторону.
Боковые поверхности каналов обмазать 2 раза горячим битумом по холодной грунтовке.
Обратную засыпку каналов выполнить песчаным грунтом без включения строительного мусора и растительного грунта с послойным уплотнением.
Соединения стальных элементов производить на сварке электродами типа Э42 ГОСТ 9467-75.
Высоту сварных швов принять по наименьшей толщине свариваемых элементов, длину - по периметру сопряжения.
Места монтажной сварки должны быть зачищены до чистого металла и окрашены.
Металлические конструкции покрасить эмалью ПФ-115
ГОСТ 6465-76 за два раза по поверхности огрунтованной ГФ-021
ГОСТ 25129-82.
Определение продолжительности строительства.
Продолжительность выполнения работ по прокладке теплосети определена по СНиП 1.04.03-05 и составляет 4,0 месяца (для прокладки труб Ø до 400мм в ж/б канале с заводской изоляцией, в сухих грунтах, в траншее с креплением стенок, при длине трассы до 600м).
Определение размеров траншеи и камер.
Определяем ширину траншеи по низу:
b = 2,94+0,1*2 = 3,14 м
Глубина траншеи
Н = 1,33+0,5 = 1,83м
Ширина по верху
В = b+2mh = 3,14+2*0,5*1,83 = 4,97м
Для супеси — глубина траншеи Н до 3 м по СНиП III-8-76 заложение откосов 1m = 1 : 0,5.
Составление баланса земляных работ.
Подсчет объемов земляных работ.
Определение объема механических земляных работ
при этом
и
— площади поперечного сечения траншеи в начале и в конце участка;
— длина участка,
=206м;
и
— глубина траншеи;
m — заполнение откосов.
Определение площади поперечного сечения траншеи.
Вырытый объем траншей
Объем ручных земляных работ
h — недобор грунта, устанавливается СНиПом в зависимости от объема ковша экскаватора h=0,15 м
Засыпка трубопровода бульдозером
Объем, вытесняемый непроходным каналом:
На вывоз: 805,5
Vзасыпки = 1528,63-805,5 = 723,1
Баланс земляных масс. Таблица 4.1
Выбор экскаватора:
Определение высоты отвала:
, где
- объём на засыпку бульдозером 723,1 м³;
- длина трассы 206 м;
м
Определяем высоту выгрузки:
, где
- высота отвала, м
м
Определяем радиус вырывания:
,где
- глубина траншеи по верху;
- расстояние от края траншеи до отвала
м
Выбираем экскаватор по ЕНиР 21-7
Отрывку траншеи ведем экскаватором с обратной лопатой марки 70-5015А. Вместимость ковша 0,5 м3; наибольший радиус копания 7,3 м; наибольшая высота выгрузки 3,9 м; мощность 55 кВт; наибольшая глубина копания 4,5 м.
Выбор крана.
Трубы укладываются по мм, max d 426 мм
=72,33 кг на 1 м
Для удешевления и ускорения монтажа трассы теплопровода выбираем не кран, а кран-манипулятор марки DAEWOO ULTRA NOVUS со следующими характеристиками:
-
Грузоподъемность борта - 19, 5 тн.
-
Длина борта - 9,5 м.
-
Двигатель - по лицензии MAN (немецк.)
-
Объем двигателя - 13650 см3, две турбины.
-
Мощность двигателя 420 л.с.
-
Колесная формула 8*4
-
Грузоподъемность стрелы - 10 тн.
-
Вылет стрелы - 20 м.
Выбор бульдозера
z =
м
Выбираем бульдозер (по ЕНиР 2-1-22) ДЗ-29 (Д-535)
Тип отвала — неповоротный.
Длина отвала 2,49+1,49=2,56 м.
Высота отвала 0,8 м.
Определение численного и профессионального состава бригад.
Срок выполнения бригадного комплекса работ выполняемых с применением ведущей машины.
Организация и производство работ
Строительство теплосети складывается из следующих основных видов работ:
-
Подготовительные работы.
Строительная полоса зоны работ по всей трассе – 8м
-
Земляные работы.
-
Бетонные и ж/бетонные работы по теплосети.
-
Сварочные работы.
-
Монтаж и укладка труб в траншею.
-
Засыпка трубопроводов.
-
Испытание и сдача теплосети.
8. Благоустройство.
Подготовительные работы.
До начала и в процессе производства основных видов работ должны быть выполнены следующие подготовительные работы:
-
перенос и закрепление трассы газопровода в натуру;
-
ограждение стройплощадки забором;
- установка передвижных производственных и санитарно-бытовых
вагончиков;
-
устройство открытых складских площадок (по месту, минимальный запас. Монтаж рекомендуется вести с «колес» манипулятором или гидроманипулятором, грузоподъемностью 10 тонн или более);
-
доставка строительной техники.
Земляныеные работы.
Механизированная разработка траншеи производится экскаватором с "обратной" лопатой (ковш объемом– 0,5 м3 ) с отвозкой его на постоянную и временную свалку.
Ширина разрабатываемой траншеи до 5,0м, глубина до 2,2м, котлованов для колодцев глубиной до 3,0м.
Разрабатываемый грунт под асфальтом подлежит замене на привозной песок.
Разработку траншеи предусмотрено выполнить с вертикальными стенками с креплением стенок траншей деревянными щитами. Разработка котлованов принята с креплением стенок досками. Раскопку траншей начинать со стороны низких отметок и вести навстречу уклону. При появлении воды предусмотреть водоотлив с помощью центробежных или диафрагмовых насосов.
Для обеспечения прохода пешеходов через готовые участки траншей с одной стороны на другую предусмотреть устройство переходных мостиков шириной не менее 1,5м , в местах наиболее благоприятных для этого. Готовые участки траншей с целью не проникновения посторонних в зону производства работ, оградить с обеих сторон инвентарным ограждением. По мере готовности траншеи устраивается монолитный ж/б канал, осуществляется засыпка труб в канале и засыпка канала привозным песком. На завершающем этапе работ осуществляется окончательная засыпка траншеи, восстановление асфальтового покрытия.
После укладки труб в проектное положение произвести промывку их водопроводной водой путем подключения к гидрантам или кранам в зданиях и сбросом ее после промывки в существующую канализацию.
Работы по демонтажу и монтажу конструкций вести при помощи автокрана грузоподъемностью 10т.
Каждая труба, поступающая на стройплощадку, должна быть испытана на заводе-изготовителе.
В проекте принята сварка на трассе одиночных труб и секций труб и изоляция труб на заводе-изготовителе.
Трубы к месту укладки перевозятся манипулятором или гидроманипулятором, грузоподъемностью 10 тонн или более.
Для погрузки труб использовать торцевые захваты или мягкие кольцевые стропы. .
Сварка неповоротных стыков производится вручную с применением
наружных эксцентриковых центраторов на монтажных опорах. Монтаж заклеста производится после засыпки прилегающих участков. Укладка изолированных плетей производится с применением мягких полотенец.
Техника безопасности и охрана труда.
Весь комплекс строительно-монтажных работ, а также работы, связанные с организацией строительной площадки и площадок для складирования строительных материалов и изделий необходимо выполнять в строгом соответствии с соответствующими разделами СНиП 12-04-2002 Безопасность труда в строительства. Часть 2. Строительное производство.
СНиП 12-03-2001 "Безопасность труда в строительстве. Часть 1, Общие требования". ПБ 10-382-00 "Правила устройства и безопасной эксплуатации грузоподъемных кранов". СП 12-136-2002 "Решения по охране труда и промышленной безопасности в проектах организации строительства и проектах производства работ".
Противопожарные мероприятия.
Выполнение всех строительно-монтажных работ и обустройство строительного участка производится в соответствии с ППБО1-03 "Правилами пожарной безопасности в Российской Федерации". На территории строительного участка оборудуются пожарные щиты с комплектом первичных средств пожаротушения: ящики с песком, лопаты, багры, ведра, огнетушители.
Бытовые и служебные помещения, емкости и корпуса всех машин и механизмов должны быть надежно заземлены.
Охрана окружающей среды.
Технология выполнения комплекса строительно-монтажных работ не включает в себя процессы в значительной степени неблагоприятно влияющие на окружающую среду. Однако, в период организации строительной площадки, а в дальнейшем при выполнении работ, определенных проектом организации строительства, предусмотреть следующие мероприятия:
-
при устройстве площадок для складирования строительных материалов и изделий, при устройстве внутриплощадочных проездов и подъездной дороги, - обеспечить максимальную сохранность кустарника и деревьев;
- в период эксплуатации строительных машин и механизмов, транспортных средств и другого оборудования не допускать загрязнения почвенно-растительного слоя горюче-смазочными материалами и другими отходами, обеспечивать их сбор и утилизацию;
- после завершения строительно-монтажных работ вся территория должна быть приведена в надлежащий порядок и очищена от всех посторонних предметов.
Составление ведомости состава и объема работ.
Таблица 4.2
| Состав работ в порядке и последовательности | Объём работ | ||||
| их выполнения |
|
| Ед. изм. | Кол-во | |
| 1. Разработка траншеи | м³ | 1399,26 | |||
| 2. Ручная подчистка траншей |
|
| м³ | 129,37 | |
| 3 Сборка труб |
| м | 206 | ||
| 4. Сварка труб на бровке |
|
| стык | 18 | |
| 5. Укладка труб в траншею |
|
| м | 206 | |
| 6. Сварка труб в траншее |
|
| стык | 9 | |
| 7 Предварительные испытания |
|
| м | 206 | |
| 8. Установка запорной арматуры |
| шт. | 6 | ||
| 9. . Гидроизоляция стыков |
| стык | 23 | ||
| 10. Механизированная засыпка |
|
| м³ | 723,1 | |
| 11. Окончательные испытания | м | 206 | |||
Определение технико-экономических показателей.
Общие трудовые затраты на выполнение монтажных работ = 135 чел. дн.
Затраты труда на один погонный метр газопровода
чел. дн./ пог. м
Продолжительность строительства (проектная) = 22 дня.
Планируемый уровень производительности труда =115%.
Определение числа рабочих:
135/(1,15*1*22)=5,4 человек, принимаем 6 человек в бригаде:
5р.-1чел. ;
4р.-1чел.;
3р.-2чел;
2р.-2чел.
Расчет заработной платы с учетом КТУ .
Таблица 4.5
| № | Состав бригады | Разряд | Кол-во чел-дн | Кол-во чел-час | Зарплата по тарифу | КТУ | Зарплата по тарифу с КТУ, руб | Приработок, руб | Премия, руб | Общий заработок |
| 1 | Иванов И.И. | 5 | 22 | 176 | 24500,92 | 0,3 | 7300,776 | 3500,7 | 1600,94 | 29800,56 |
| 2 | Петров П.П. | 4 | 22 | 176 | 21100,12 | 1,5 | 31600,68 | 15300,24 | 7200,71 | 43700,07 |
| 3 | Сидоров С.С. | 3 | 22 | 176 | 18300,28 | 1,4 | 25600,59 | 12400,16 | 5800,91 | 36600,35 |
| 4 | Орлов О.О. | 3 | 22 | 176 | 16200,4 | 0,9 | 14600,16 | 7000,7 | 3300,56 | 26600,66 |
| 5 | Соколов С.С. | 2 | 22 | 176 | 14800,48 | 1 | 14800,48 | 7100,85 | 3400,09 | 25400,42 |
| 6 | Беркутов Б.Б. | 2 | 22 | 176 | 18300,28 | 0,8 | 14600,62 | 7000,95 | 3300,66 | 28700,89 |
| Итого: | 132 | 1056 | 113400 | 5,9 | 108900 | 52700 | 25000 | 191100 |
Ведомость потребностей в основных строительных машинах, транспортных средствах, механизмах и инструменте.
Таблица 4.6.
| №№ П/П | Наименование | Марка или тип | Кол-во |
| 1. | 2. | 3. | 4. |
| 1. | Компрессор передвижной производительностью 9м3/мин | П.ДК-9 | 2 |
| 2. | Трамбовка пневматическая | - | 2 |
| 3. | Автомобиль-самосвал | КАМАЗ-5511 | 4 |
| 4. | Сварочный аппарат | - | 2 |
| 5. | Манипулятор 10,0т | - | 1 |
| 6. | Передвижная электростанция | - | 1 |
| 7. | Экскаватор V=0,5м3 | 1 | |
| 8. | Бульдозер | ДЗ-29 (Д-535) | 1 |
Примечание:
Предусмотренные перечнем марки машин и механизмов не являются обязательными для использования при производстве строительно-монтажных работ и могут быть заменены другими, имеющимися в наличии, с аналогичной технической характеристикой.
Раздел 5.
ОХРАНА ТРУДА В СТРОИТЕЛЬСТВЕ
5. Охрана труда в строительстве
Общие положения.
Вопросы охраны труда неразрывно связаны с технологией производства работ. Решение для всего комплекса строительно-монтажных работ (СМР) предусматривается в . Технологии и организации строительных и монтажно-заготовительных процессов (ТСП), что обеспечивается:
а) ограждением территории и опасных зон при ведении строительно-монтажных работ;
б) устройством дорог (проходов, проездов и переходов) и соблюдением правил внутрипостроечного движения;
в) размещением и безопасной эксплуатацией строительных машин и механизмов;
г) хозяйственно-питьевым и противопожарным водоснабжением;
д) энергоснабжением и электрическим (рабочим и аварийным) освещением территории складов, проходов, проездов, временных зданий и рабочих зон;
е) устройством складов для временного хранения материалов и конструкций;
ж) устройством административных санитарно-бытовых помещений, пунктов питания, здравпункта;
з) устройством противопожарной сигнализации;
вывешиванием знаков безопасности.
Материалы инженерных решений в области промышленной санитарии, гигиены труда и пожарной безопасности, по организации безопасных условий работы на строительной площадке, санитарно-гигиенического обслуживания рабочих, устройству искусственного освещения, загрязнения воздушной среды вредными веществами, представленные в данном разделе, приняты в соотв. с [1].
Организация и производство работ.
Строительство теплосети данного проекта складывается из следующих основных видов работ:
Подготовительные работы.
Строительная полоса зоны работ по всей трассе – 8м.
Земляные работы.
Бетонные и ж/бетонные работы по теплосети.
Сварочные работы.
Монтаж и укладка труб в траншею.
Обратная засыпка.
Испытание и сдача теплосети.
Благоустройство.
Подготовительные работы.
До начала и в процессе производства основных видов работ должны быть выполнены следующие подготовительные работы:
-
перенос и закрепление трассы газопровода в натуру;
-
ограждение стройплощадки забором;
- установка передвижных производственных и санитарно-бытовых
вагончиков;
- устройство открытых складских площадок (по месту, минимальный запас. Монтаж рекомендуется вести с «колес» );
-
доставка строительной техники.
Требования охраны и безопасности труда, содержащиеся в нормативных правовых актах субъектов Российской Федерации и производственно-отраслевых нормативных документах организаций, не должны противоречить обязательным положениям настоящих норм и правил и других нормативных правовых актов, содержащих государственные требования охраны труда (п. 4.3 [3] ).
Обеспечение технически исправного состояния строительных машин, инструмента, технологической оснастки, средств коллективной защиты работающих осуществляется организациями, на балансе которых они находятся (п. 4.5 [3] ).
Организации, осуществляющие производство работ с применением машин, должны обеспечить выполнение требований безопасности этих работ.
Перед началом работ в условиях производственного риска необходимо выделить опасные для людей зоны, в которых постоянно действуют или могут действовать опасные факторы, связанные или не связанные с характером выполняемых работ (п. 4.8 [3] ).
К зонам постоянно действующих опасных производственных факторов относятся:
места вблизи от неизолированных токоведущих частей электроустановок;
места вблизи от неогражденных перепадов по высоте 1,3 м и более;
места, где возможно превышение предельно допустимых концентраций вредных веществ в воздухе рабочей зоны.
К зонам потенциально опасных производственных факторов следует относить:
участки территории вблизи строящегося здания (сооружения);
этажи (ярусы) зданий и сооружений в одной захватке, над которыми происходит монтаж (демонтаж) конструкций или оборудования;
зоны перемещения машин, оборудования или их частей, рабочих органов;
места, над которыми происходит перемещение грузов кранами (п. 4.9 [3] ).
Размеры указанных опасных зон устанавливаются согласно приложению Г [3] ..
Приложение Г[3] .
| Высота возможного падения груза (предмета), м | Минимальное расстояние отлета груза (предмета), м | |
| перемещаемого краном | падающего с здания | |
| До 10 | 4 | 3,5 |
| » 20 | 7 | 5 |
| » 70 | 10 | 7 |
| » 120 | 15 | 10 |
| » 200 | 20 | 15 |
| » 300 | 25 | 20 |
| » 450 | 30 | 25 |
| Примечание - При промежуточных значениях высоты возможного падения груза (предмета) минимальное расстояние их отлета допускается определять методом интерполяции. | ||
В организации, как правило, назначаются лица, ответственные за обеспечение охраны труда в пределах порученных им участков работ, в том числе:
- в целом по организации (руководитель, заместитель руководителя, главный инженер);
- в структурных подразделениях (руководитель подразделения, заместитель руководителя);
- на производственных территориях (начальник цеха, участка, ответственный производитель работ по строительному объекту);
-
при эксплуатации машин и оборудования (руководитель службы главного механика, энергетика и т.п.);
- при выполнении конкретных работ и на рабочих местах (менеджер, мастер).
- при выполнении конкретных работ и на рабочих местах (менеджер, мастер) (п. 5.2 [3] ).
При численности работников более 10 чел. в организации в соответствии с законодательством должен быть создан совместный комитет (комиссия) по охране труда на паритетной основе из представителей администрации, профессиональных союзов или иных уполномоченных работниками представительных органов в соответствии с рекомендациями Минтруда России (п. 5.10 [3] ).
Работодатели обязаны перед допуском работников к работе, а в дальнейшем периодически в установленные сроки и в установленном порядке проводить обучение и проверку знаний правил охраны и безопасности труда с учетом их должностных инструкций или инструкций по охране труда в порядке, определяемом Правительством Российской Федерации. Установление единых требований проверки знаний лиц, ответственных за обеспечение безопасности труда, осуществляется органами государственной власти Российской Федерации в соответствии с их полномочиями.
В организации должны быть созданы условия для изучения работниками правил и инструкций по охране труда, требования которых распространяются на данный вид производственной деятельности. Комплект документов по охране и безопасности труда, издаваемых Госстроем России, должен быть в каждом производственном подразделении организации и предоставляться работникам для самоподготовки (п. 6.1.2 [3] ).
При строительстве объектов с применением грузоподъемных кранов, когда в опасные зоны, расположенные вблизи строящихся зданий, а также мест перемещения грузов кранами, границы которых определяются по приложению Г настоящих норм и правил, попадают транспортные или пешеходные пути, санитарно-бытовые или производственные здания и сооружения, другие места постоянного или временного нахождения людей на территории строительной площадки или вблизи ее, работы следует выполнять в соответствии с ПОС и ППР, содержащими решение следующих вопросов, рекомендованных в приложении Ж, для обеспечения безопасности людей:
применение средств для искусственного ограничения зоны работы башенных кранов;
применение защитных сооружений-укрытий и защитных экранов (п. 6.1.5 [3] ).
Производственные территории и участки работ в населенных пунктах или на территории организации во избежание доступа посторонних лиц должны быть ограждены. Конструкция защитных ограждений должна удовлетворять следующим требованиям:
высота ограждения производственных территорий должна быть не менее 1,6 м, а участков работ - не менее 1,2;
ограждения, примыкающие к местам массового прохода людей, должны иметь высоту не менее 2 м и быть оборудованы сплошным защитным козырьком;
козырек должен выдерживать действие снеговой нагрузки, а также нагрузки от падения одиночных мелких предметов;
ограждения не должны иметь проемов, кроме ворот и калиток, контролируемых в течение рабочего времени и запираемых после его окончания (п. 6.2.2 [3] ).
Места прохода людей в пределах опасных зон должны иметь защитные ограждения. Входы в строящиеся здания (сооружения) должны быть защищены сверху козырьком шириной не менее 2 м от стены здания. Угол, образуемый между козырьком и вышерасположенной стеной над входом, должен быть 70-75° (п. 6.2.3 [3] ).
При производстве работ в закрытых помещениях, на высоте, под землей должны быть предусмотрены мероприятия, позволяющие осуществлять эвакуацию людей в случае возникновения пожара или аварии (п. 6.2.4 [3] ).
На производственных территориях, участках работ и рабочих местах работники должны быть обеспечены питьевой водой, качество которой должно соответствовать санитарным требованиям (п. 6.2.10 [3] ).
Строительные площадки, участки работ и рабочие места, проезды и подходы к ним в темное время суток должны быть освещены в соответствии с требованиями государственных стандартов. Освещение закрытых помещений должно соответствовать требованиям строительных норм и правил.
Освещенность должна быть равномерной, без слепящего действия осветительных приспособлений на работающих. Производство работ в неосвещенных местах не допускается (п. 6.2.11 [3] ).
При температуре воздуха на рабочих местах ниже 10 °С работающие на открытом воздухе или в неотапливаемых помещениях должны быть обеспечены помещениями для обогрева (п. 6.2.13 [3] ).
Колодцы, шурфы и другие выемки должны быть закрыты крышками, щитами или ограждены. В темное время суток указанные ограждения должны быть освещены электрическими сигнальными лампочками напряжением не выше 42 В (п. 6.2.14 [3] ).
Складирование материалов, прокладка транспортных путей, установка опор воздушных линий электропередачи и связи должны производиться за пределами призмы обрушения грунта незакрепленных выемок (котлованов, траншей), а их размещение в пределах призмы обрушения грунта у выемок с креплением допускается при условии предварительной проверки устойчивости закрепленного откоса по паспорту крепления или расчетом с учетом динамической нагрузки (п. 6.3.1 [3] ).
Допуск персонала строительно-монтажных организаций к работам в действующих установках и охранной линии электропередачи должен осуществляться в соответствии с межотраслевыми правилами по охране труда при эксплуатации электроустановок потребителей.
Подготовка рабочего места и допуск к работе командированного персонала осуществляются во всех случаях электротехническим персоналом эксплуатирующей организации (п. 6.4.12 [3] ).
Обеспечение охраны труда при проведении земляных работ.
Механизированная разработка траншеи производится экскаватором с "обратной" лопатой (ковш объемом– 0,5 м3 см. раздел ТСП) с отвозкой его на постоянную и временную свалку.
Ширина разрабатываемой траншеи до 5,0м, глубина до 2,2м, котлованов для колодцев глубиной до 3,0м.
Разрабатываемый грунт под асфальтом подлежит замене на привозной песок.
Разработку траншеи предусмотрено выполнить с вертикальными стенками с креплением стенок траншей деревянными щитами. Разработка котлованов принята с креплением стенок досками. Раскопку траншей начинать со стороны низких отметок и вести навстречу уклону. При появлении воды предусмотреть водоотлив с помощью центробежных или диафрагмовых насосов.
Для обеспечения прохода пешеходов через готовые участки траншей с одной стороны на другую предусмотреть устройство переходных мостиков шириной не менее 1,5м , в местах наиболее благоприятных для этого. Готовые участки траншей с целью не проникновения посторонних в зону производства работ, оградить с обеих сторон инвентарным ограждением. По мере готовности траншеи устраивается монолитный ж/б канал, осуществляется засыпка труб в канале и засыпка канала привозным песком. На завершающем этапе работ осуществляется окончательная засыпка траншеи, восстановление асфальтового покрытия.
После укладки труб в проектное положение произвести промывку их водопроводной водой путем подключения к гидрантам или кранам в зданиях и сбросом ее после промывки в существующую канализацию.
Работы по демонтажу и монтажу конструкций вести при помощи автокрана грузоподъемностью 10т.
Каждая труба, поступающая на стройплощадку, должна быть испытана на заводе-изготовителе.
В проекте принята сварка на трассе одиночных труб и секций труб и изоляция труб на заводе-изготовителе.
Трубы к месту укладки перевозятся автомобильными полуприцепами.
Для погрузки труб использовать торцевые захваты или мягкие кольцевые стропы.
Сварка неповоротных стыков производится вручную с применением
наружных эксцентриковых центраторов на монтажных опорах. Монтаж заклеста производится после засыпки прилегающих участков. Укладка изолированных плетей производится с применением мягких полотенец.
Техника безопасности в строительстве.
Таблица 4 [3].
| Виды грунтов | Крутизна откоса (отношение его высоты к заложению) при глубине выемки, м, не более | ||
| 1,5 | 3 | 5 | |
| Насыпные неуплотненные Песчаные и гравийные Супесь Суглинок Глина Лессы и лессовидные | 1:0,67 1:0,5 1:0,25 1:0 1:0 1:0 | 1:1 1:1 1:0,67 1:0,5 1:0,25 1:0,5 | 1:1,25 1:1 1:0,85 1:0,75 1:0,5 1:0,5 |
Примечание. При напластовании различных видов грунта крутизну откосов для всех пластов надлежит назначать по наиболее слабому виду грунта.
Эксплуатация строительных машин, транспортных средств, производственного оборудования, средств механизации, приспособлений оснвастки, ручных машин и инструмента.
Строительные машины, транспортные средства, производственное оборудование (машины мобильные и стационарные), средства механизации, приспособления, оснастка (машины для штукатурных и малярных работ, люльки, передвижные леса, домкраты, грузовые лебедки и электротали и др.), ручные машины и инструмент (электродрели, электропилы, рубильные и клепальные пневматические молотки, кувалды, ножовки и т.д.) должны соответствовать требованиям государственных стандартов по безопасности труда, а вновь приобретаемые - как правило, иметь сертификат на соответствие требованиям безопасности труда.
Запрещается эксплуатация указанных выше средств механизации без предусмотренных их конструкцией ограждающих устройств, блокировок, систем сигнализации и других средств коллективной защиты работающих.
Эксплуатация строительных машин должна осуществляться в соответствии с требованиями соответствующих нормативных документов.
Эксплуатация грузоподъемных машин и других средств механизации, подконтрольных органам Госгортехнадзора России, должна производиться с учетом требований нормативных документов, утвержденных этим органом.
Средства механизации, вновь приобретенные, арендованные или после капитального ремонта - неподконтрольные органам государственного надзора, допускаются к эксплуатации после их освидетельствования и опробования лицом, ответственным за их эксплуатацию.
Машины, транспортные средства, производственное оборудование и другие средства механизации должны использоваться по назначению и применяться в условиях, установленных заводом-изготовителем.
Организации или физические лица, применяющие машины, транспортные средства, производственное оборудование и другие средства механизации, должны обеспечить их работоспособное состояние.
Перечень неисправностей, при которых запрещается эксплуатация средств механизации, определяется согласно документации завода-изготовителя этих средств.
При техническом обслуживании и ремонте сборочные единицы машины, транспортного средства, имеющие возможность перемещаться под воздействием собственной массы, должны быть заблокированы механическим способом или опущены на опору с исключением возможности их самопроизвольного перемещения.
При техническом обслуживании машин с электроприводом должны быть приняты меры, не допускающие случайной подачи напряжения в соответствии с межотраслевыми правилами по охране труда при эксплуатации электроустановок потребителей.
Рабочие места при техническом обслуживании и текущем ремонте машин, транспортных средств, производственного оборудования и других средств механизации должны быть оборудованы комплектом исправного инструмента, приспособлений, инвентаря, грузоподъемных приспособлений и средств пожаротушения.
Оставлять без надзора машины, транспортные средства и другие средства механизации с работающим (включенным) двигателем не допускается.
Включение, запуск и работа транспортных средств, машин, производственного оборудования и других средств механизации должны производиться лицом, за которым они закреплены и имеющим соответствующий документ на право управления этим средством.
При использовании машин, транспортных средств в условиях, установленных эксплуатационной документацией, уровни шума, вибрации, запыленности, загазованности на рабочем месте машиниста (водителя), а также в зоне работы машин не должны превышать действующие нормы, а освещенность не должна быть ниже предельных значений, установленных действующими нормами (п. 7.1.1-7.1.12 [3] ).
Требования безопасности при эксплуатации мобильных машин и транспортных средств
При размещении мобильных машин на производственной территории руководитель работ должен до начала работы определить рабочую зону машины и границы создаваемой ею опасной зоны. При этом должна быть обеспечена обзорность рабочей зоны, а также рабочих зон с рабочего места машиниста. В случаях, когда машинист, управляющий машиной, не имеет достаточного обзора, ему должен быть выделен сигнальщик.
Со значением сигналов, подаваемых в процессе работы и передвижения машины, должны быть ознакомлены все лица, связанные с ее работой. Опасные зоны, которые возникают или могут возникнуть во время работы машины, должны быть обозначены знаками безопасности и (или) предупредительными надписями.
Техническое состояние и оборудование автомобилей всех типов, марок и назначений, находящихся в эксплуатации, должны соответствовать правилам по охране труда на автомобильном транспорте.
Они должны проходить технические осмотры в соответствии с Правилами проведения государственного технического осмотра транспортных средств Государственной инспекцией безопасности дорожного движения МВД России, утвержденными 15 марта 1999 г. № 190, зарегистрированными Минюстом России 22 апреля 1999 г. № 1763.
При размещении и эксплуатации машин, транспортных средств должны быть приняты меры, предупреждающие их опрокидывание или самопроизвольное перемещение под действием ветра, при уклоне местности или просадке грунта (п. 7.2.1-7.2.3 [3] ).
При обоснованной невозможности снятия напряжения с воздушной линии электропередачи работу строительных машин в охранной зоне линии электропередачи разрешается производить при условии выполнения следующих требований:
а) расстояние от подъемной или выдвижной части строительной машины в любом ее положении до находящейся под напряжением воздушной линии электропередачи должно быть не менее указанного в таблице 2 (п. 7.2.5.2 [3] );
б) корпуса машин, за исключением машин на гусеничном ходу, при их установке непосредственно на грунте должны быть заземлены при помощи инвентарного переносного заземления.
Таблица 2 [3] .
| Напряжение воздушной линии электропередачи, кВ | Расстояние, м | |
| минимальное | минимально измеряемое техническими средствами | |
| До 20 | 2,0 | 2,0 |
| Св. 20 до 35 | 2,0 | 2,0 |
| » 35 » 110 | 3,0 | 4,0 |
| » 110 » 220 | 4,0 | 5,0 |
| » 220 » 400 | 5,0 | 7,0 |
| » 400 » 750 | 9,0 | 10,0 |
| » 750 » 1150 | 10,0 | 11,0 |
При эксплуатации машин, имеющих подвижные рабочие органы, необходимо предупредить доступ людей в опасную зону работы, граница которой находится на расстоянии не менее 5 м от предельного положения рабочего органа, если в инструкции завода-изготовителя отсутствуют иные повышенные требования (п. 7.2.9 [3] );
Требования безопасности при эксплуатации стационарных машин.
Ввод в эксплуатацию производственного оборудования (стационарных машин), смонтированного при строительстве, реконструкции, техническом перевооружении и расширении производственных объектов, производится в составе приемки объекта в установленном порядке (п. 7.3.1 [3] ).
Ввод в эксплуатацию стационарных машин, установленных на строительных площадках (бетонных или растворных заводов, строительных подъемников, компрессорных станций и т.п.), производится совместным решением лиц, ответственных за безопасность труда на данной площадке и при эксплуатации данного вида оборудования с привлечением, в случае необходимости, соответствующих органов государственного надзора.
Стационарные машины, при работе которых выделяется пыль (дробильное, размольное, смесительное и др.), должны быть оборудованы средствами пылеподавления или пылеулавливания.
Движущиеся части стационарных машин, являющиеся источниками опасности, должны быть ограждены сетчатыми или сплошными металлическими ограждениями.
Применение съемных защитных ограждений и ограждающих устройств допускается в том случае, если по конструктивным или технологическим причинам не представляется возможным установить стационарные.
Съемные, откидные и раздвижные ограждения, а также открывающиеся дверцы, крышки, люки, щитки в этих ограждениях или в корпусе оборудования должны быть снабжены устройствами (блокировками), исключающими их случайное снятие или открывание.
Для защиты от поражения электрическим током при эксплуатации машин должны применяться следующие меры безопасности:
токоведущие части производственного оборудования, являющиеся источниками опасности, должны быть надежно изолированы, ограждены или расположены в недоступных для людей местах;
токоведущие части электрооборудования должны быть размещены внутри корпусов (шкафов, блоков) с запирающимися дверями или закрыты защитными кожухами при расположении в доступных для людей местах;
металлические части производственного оборудования, которые вследствие повреждения изоляции могут оказаться под напряжением опасной величины, должны быть заземлены (занулены).
В схеме электрических цепей производственного оборудования должно быть предусмотрено устройство, централизованно отключающее от питающей сети все электрические цепи.
Машины, объединенные в единый технологический процесс с числом работающих более одного, должны снабжаться системами сигнализации, предупреждающими рабочих о пуске. Дистанционный пуск должен производиться после подачи предупредительного звукового или светового сигнала и получения ответного сигнала с мест обслуживания оборудования о возможности пуска (п. 7.3.3-7.3.8 [3] ).
Требования безопасности при эксплуатации средств механизации, средств подмащивания, оснавстки, ручных машин и инструмента.
Персонал, эксплуатирующий средства механизации, оснастку, приспособления и ручные машины, до начала работ должен быть обучен безопасным методам и приемам работ с их применением согласно требованиям инструкций завода-изготовителя и инструкции по охране труда.
Лебедки, применяемые для перемещения подъемных подмостей и устанавливаемые на земле, должны быть загружены балластом, вес которого должен не менее чем в два раза превышать тяговое усилие лебедки.
Балласт должен быть закреплен на раме лебедки. Количество витков каната на барабане лебедки при нижнем положении груза должно быть не менее двух.
Домкраты для подъема грузов должны быть испытаны перед началом эксплуатации, а также через каждые 12 мес. и после каждого ремонта.
Испытания следует проводить статической нагрузкой, превышающей грузоподъемность на 25 %. При испытании домкратов их винты (рейки, штоки) должны быть выдвинуты в крайнее верхнее положение, соответствующее подъему груза на максимальную высоту по эксплуатационной документации.
Съемные грузозахватные приспособления и тара в процессе эксплуатации должны подвергаться техническому осмотру лицом, ответственным за их исправное состояние, в сроки, установленные требованиями ПБ 10-382, утвержденных Госгортехнадзором России 31 декабря 1999 г. № 98. (Не нуждаются в государственной регистрации - письмо Минюста России от 17.08.2000 г. № 6884-ЭР.)
Результаты осмотра необходимо регистрировать в журнале работ.
Съемные грузозахватные приспособления и тара, не прошедшие технического осмотра, не должны находиться в местах производства работ.
Грузовые крюки грузозахватных средств (стропы, траверсы), применяемых в строительстве, промышленности строительных материалов и строительной индустрии, должны быть снабжены предохранительными замыкающими устройствами, предотвращающими самопроизвольное выпадение груза.
Поверхность грунта, на которую устанавливаются средства подмащивания, должна быть спланирована (выровнена и утрамбована) с обеспечением отвода с нее поверхностных вод. В тех случаях, когда невозможно выполнить эти требования, средства подмащивания должны быть оборудованы регулируемыми опорами (домкратами) для обеспечения горизонтальности установки или установлены временные опорные сооружения, обеспечивающие горизонтальность установки средств подмащивания (п. 7.4.1-7.4.6 [3] ).
Эксплуатация ручных машин должна осуществляться при выполнении следующих требований:
проверка комплектности и надежности крепления деталей, исправности защитного кожуха, кабеля (рукава) должна осуществляться при каждой выдаче машины в работу;
до начала работы следует проверять исправность выключателя и машины на холостом ходу;
при перерывах в работе, по окончании работы, а также при смазке, очистке, смене рабочего инструмента и т.п. ручные машины должны быть выключены и отсоединены от электрической или воздухопроводящей сети;
ручные машины, масса которых, приходящаяся на руки работающего, превышает 10 кг, должны применяться с приспособлениями для подвешивания;
при работе с машинами на высоте следует использовать в качестве средств подмащивания устойчивые подмости;
надзор за эксплуатацией ручных машин следует поручать специально выделенному для этого лицу.
Ручные электрические машины должны соответствовать требованиям соответствующих государственных стандартов.
В соответствии с межотраслевыми правилами охраны труда при эксплуатации электроустановок потребителей лица, допускаемые к управлению ручными электрическими машинами, должны иметь I группу по электробезопасности, подтверждаемую ежегодно, и II группу при работе ручными электрическими машинами класса I в помещениях с повышенной опасностью.
Условия использования в работе электроинструмента и ручных электрических машин различных классов устанавливаются межотраслевыми правилами по охране труда при эксплуатации электроустановок потребителей.
Ручные пневматические машины должны соответствовать требованиям соответствующих государственных стандартов.
При работе с пневмомашиной следует:
не допускать работы машины на холостом ходу (кроме случаев опробования);
при обнаружении неисправностей немедленно прекратить работу и сдать машину в ремонт.
Работающие с пневматическими машинами ударного или вращательного действия должны быть обеспечены мягкими рукавицами с антивибрационной прокладкой со стороны ладони.
Инструмент, применяемый в строительстве, промышленности строительных материалов и строительной индустрии, должен осматриваться не реже одного раза в 10 дней, а также непосредственно перед применением. Неисправный инструмент, не соответствующий требованиям безопасности, должен изыматься (п. 7.4.33-7.4.38 [3] ).
Расчет диаметра каната стропы.
Перекрытие каналов выполняется из сборных железобетонных плит для непроходных каналов.
При прокладке теплотрассы осуществляется подъем и монтаж трубопроводов различных диаметров, а также железобетонных плит для сооружения непроходных каналов. В данном расчете подбираем диаметр каната стропы для подъема плиты перекрытия канала марки ВП-37-12 [4] весом 3,48 тонны, т.к. на данном участке этот элемент является более сложным и тяжелым для подъема.
Рассчитываем диаметр каната стропы для подъема плиты перекрытия канала весом марки ВП-37-12 3,48 тонн по [1].
Рис.5.1. Схема строповки плиты.
Q = 3,48∙9,8∙1000 = 34,11 кН
Q = 34,11 кН – вес груза, с зацепкой крюками при угле отклонения ветвей стропа от вертикали 45˚, число ветвей m =4 шт. Для α=45˚ коэффициент
n = 1,42
Расчет усилия в ветвях стропа:
S= (n·Q)/(m·k) = (1,42·34,11)/(4∙0,75) = 16,15 кН.
k = 0,75 – расчетный коэффициент неравномерности нагрузки
Разрывное усилие ветви стропа изготовленного из стального каната, R>k3S.
Стропы с обвязкой и зацепкой k3=6, R = 16,15∙6 = 96,9 кН.
Выбираем канат типа ТК 6х19 по [6] диаметром 14,5 мм с временным сопротивлением разрыву 1600 МПа, имеющий разрывное усилие 99000 Н, или канат типа ТК6х37 по [7] диаметром 15 мм с временным сопротивлением разрыву 1400 МПа, имеющий разрывное усилие 98400 Н .
Если принять число ветвей стропа m =2 шт, то получим усилие на одну ветвь стропа:
S= (n·Q)/(m·k) = (1,42·34,11)/(2∙0,75) = 32,3 кН.
Канат должен в этом случае иметь разрывное усилие:
R = 32,3∙6 = 193,8 кН.
Выбираем канат типа ТК 6х37 по [7] диаметром 20 мм с временным сопротивлением разрыву 1700 МПа, имеющий разрывное усилие 197000 Н, или канат типа ЛКР6х19 по [8] диаметром 21 мм с временным сопротивлением разрыву 1400 МПа, имеющий разрывное усилие 198500 Н.
Определение расчетных параметров стропов.
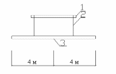
1 – груз (стальная труба D
=325 мм, с толщиной стенки 7 мм)
2 – траверса
3 – строп
Рис. 5.2. Схема строповки трубы.
В данном случае применяются траверсы, работающие на изгиб.
Рис. 5.3. Схемы для расчета усилий в ветвях стропа.
Чтобы определить технические данные гибких стропов, необходимо провести расчет.
Определяем усилие, действующие на одну ветвь стропа:
S=
, где
S – расчетное усилие, приложенное к стропу, без учета коэффициента перегрузки и воздействия динамического эффекта, кН
Q – вес поднимаемого груза, кН( mтрубы=54,9 кг по [11]);
Q = 54,9∙9,8 = 0,54 кН
Q = 0,54 кН;
M – общее число ветвей стропа
K – коэффициент, зависящий от угла наклона ветви стропа к
Вертикали
L=8м, m=0,54
(вес одного погонного метра трубы)
Q=0,54
M=2
K=1(при
=0)
S=4,32/2=2,16 кН
Разрывное усилие в ветви стропа:
R=S*Kз, где
Кз – коэффициент запаса прочности для стропа, определенный в зависимости от типа стропа.
R = 2,16*6=12,96 кН
По таблице выбираем канат типа ТК6
19 (по [7] табл.4.2, стр. 58), диаметром 11мм с временным сопротивлением разрыву проволоки 1400 МПа, имеющий разрывное усилие 52550 Н, или канат типа ЛКР6х19 по [8] диаметром 9,1 мм с временным сопротивлением разрыву 1400 МПа. Из проведенных расчетов видно, что канат для подъема трубы максимального диаметра, применяемой в данном проекте, имеет большой запас прочности, т.к. труба весит намного меньше, чем канат может выдержать при испытании на разрыв.
Производственная санитария.
Самочувствие и работоспособность человека зависит от метеорологических условий производства работ. Действующим нормативным документом, регламентирующим метеорологические условия производственной среды, является [13]. Документом установлены оптимальные и допустимые величины температуры, относительной влажности и скорости движения воздуха.
В случае переохлаждения воздушной среды кровеносные сосуды сужаются, приток крови к ним и снижается. У человека появляется стремление к интенсивным движениям, которые увеличивают обмен веществ в организме с образованием тепла. Чрезмерное охлаждение организма может привести к простудным заболевания.
В случае повышения температуры воздуха человек начинает потеть, его потеря тепла увеличивается за счет испарения пота. При перегреве организма увеличивается приток крови к периферийным кровеносным сосудам. Вследствие расширения сосудов количество протекающей по ним крови и теплоотдача увеличиваются.
Для данного проекта: с категорией выполняемых работ - средней тяжести 2б, в холодный период 15-190С, в теплый период 20-220С.
Влажность воздуха в значительной мере влияет на самочувствие человека и его работоспособность. При слишком низкой влажности (менее 20%) организм человека расслабляется, результатом чего является снижения трудоспособности.
Очень высокая влажность (боле 80%) нарушается процесс терморегуляции. Выделяющийся пот не испаряется, а лишь стекает по поверхности тела. В особенности неблагоприятно сочетание высокой влажности с высокой температурой при выполнении человеком тяжелой работы.
Длительное воздействие влаги в сочетании с низкими температурами может привести к такому заболеванию, как туберкулез легких. При значительном содержании влаги и высокой температуре воздуха возникает головокружение, тошнота, тепловые удары с потерей сознания.
Тепловое самочувствие человека в значительной мере связано с таким метеорологическим параметром, как скорость движения воздуха, так как она влияет на теплообмен организма с окружающей средой. При высокой температуре воздуха увеличение его подвижности благоприятно сказывается на самочувствии человека, при низкой – вызывает неприятные ощущения. Вследствие этого стандартом установлена подвижность воздуха, различная для летнего и зимнего периодов года. В теплый период года скорость движения воздуха в рабочей зоне составляет от 0,2 до 1,0 м/с, а в холодный и переходный периоды – от 0,2 до 0,5 м/с.
Низкая скорость воздуха (менее 0.2 м/с) неблагоприятно влияет на самочувствие человека, в этом случае быстро утомляется и заметно теряет трудоспособность.
Задача обеспечения наилучших условий труда, способствующих его высокой производительности, должна решатся комплексно.
При многих технологических процессах на строительных площадках в воздушную среду выделяется пыль. Пыль – это мельчайшие твердые частицы, способные некоторое время находится в воздухе во взвешенном состоянии. Пыль образуется при монтаже зданий обработке строительных конструкций, отделочных работах, очистке и окраске поверхностей изделий и т.п. Пыль характеризуется химическим составом, размерами и формой частиц, их плотностью, электрическими, магнитными и другими свойствами. Пыль представляет собой гигиеническую вредность, так как она отрицательно влияет на организм человека. Под воздействием пыли могут возникнуть такие заболевания, как пневмокониозы, экземы и другие заболевания дыхательных путей. Чем мельче пыль, тем она опасней для человека. Наиболее опасной для человека считается частицы размером от 0.2 до 7 мкм, которые, попадая а легкие при дыхании, задерживаются в них и, накапливаясь, могут стать причиной заболевания. Существует три пути проникновения пыли в организм человека: через органы дыхания, желудочно-кишечный тракт и кожу.
Помимо этого пыль ухудшает видимость на строительных объектах, снижает светоотдачу осветительных устройств. В результате этих причин снижается производительность и качество труда.
Санитарными нормами [13] установлены предельно допустимые концентрации пыли в воздухе рабочей зоны.
В производственных помещениях необходима тщательная и систематическая пылеуборка помещений с помощью вакуумных установок, очистка от пыли вентиляционного воздуха при его подаче в помещения и выбросе в атмосферу, применение в качестве индивидуальных средств защиты от пыли респираторов, очков и противопыльной спец одежды.
Большая часть несчастных случаев с людьми вызвана: обрушением монтируемых конструкций, падением рабочих с высоты, несовершенством и ошибками при такелажных работах, недостаточной освещенностью, неудовлетворительной последовательностью выполнения рабочих операций и т.д.
Падения монтажников-верхолазов с высоты происходит при наводке, установке и закреплении элементов сборных конструкций при расстроповке, окончательном оформлении узлов и особенно при перемещении на новое рабочее место. Для выявления монтажных операций, имеющих наибольшую опасность для работающих, целесообразно проводить детальное изучение указанных рабочих процессов в производственных условиях монтажной площадки.
Конструкция монтажных приспособлений должна обеспечивать: быстрое и свободное выполнение операций, связанных с их установкой или снятием и выверкой элементов конструкций здания и сооружения, устойчивость элементов конструкций зданий и сооружений до их закрепления в соответствии с проектом, ремонтопригодность и взаимозаменяемость узлов деталей.
Важна правильная организация рабочих мест, система мероприятий по оснащению рабочего места необходимыми техническими средствами: подмостями, люльками, монтажными столиками, а также средствами индивидуальной и коллективной защиты.
-
Расчёт защитного заземления.
Рис. 6.4. Схема расчитываемого заземления.
2>















