144209 (594028), страница 5
Текст из файла (страница 5)
Рисунок 2.1. Организация рабочего места и порядок укладки карт ковровой мозаики (/-9 - порядок укладки карт) Примечание. Источник: [11, с.80]
Готовый цементный раствор
Образование угла фриза из фризовых карт с рисунком показано на рис.2.2, где дается линия разреза, по которой часть плиток из карты удаляется.
После настилки первой угловой карты укладывают прямые фризовые карты 2 вдоль первой захватки помещения по шнуру-причалке. По мере укладки карт фризового ряда временный маячный ряд вдоль стены снимают, а пространство между фризом и стеной (пристенный ряд) заполняют полосками плиток, вырезанными из целых рядовых карт.
б) в)
Рис.2.2. Образование угла фриза {б) из фризовых карт (а) и образец пола из карт ковровой мозаики (в): 1 - линия разреза, 2 - линия соединения карт.
Примечание. Источник: [11, с.81]
Первый фризовый ряд заканчивают укладкой второй угловой фризовой карты. В направлении, перпендикулярном фризовому ряду, укладывают смежную с угловой картой фризовую карту, после чего приступают к устройству второй захватки - первого ряда основного фона также по шнуру-причалке. Этот ряд заканчивают картой фризового ряда. Затем укладывают второй ряд карт основного покрытия (третью захватку) и т.д. Таким образом карты ковровой мозаики укладывают продольными рядами слева направо от стены до стены и обратно - справа налево с переходом на следующий ряд.
Между соседними картами при помощи деревянных клиньев-вставок оставляют зазор, равный ширине швов между плитами в каждой карте (обычно 2 мм), благодаря чему в покрытии не видно следов сопряжения отдельных карт и они не выделяются на поверхности пола. Во избежание искривления швов и нарушения правильности рисунка каждый ряд карт выверяют по угольнику, а при осаживании карт поверхность их контролируют уровнем и правилом.
Уровень всего покрытия периодически проверяют контрольной рейкой. Один конец контрольной рейки ставят на фриз, а другой на временный маячный ряд из крупных керамических плиток, располагаемых параллельно фризовому ряду на расстоянии 1,5-2 м от него. Такие же временные маячные ряды укладывают параллельно первому ряду, отступая от него также на 1,5-2 м.
По мере устройства покрытия временные маячные ряды снимают, а контрольную рейку одним концом опирают вместо фриза на уложенные и выверенные ряды карт покрытия. На рис.2, в показан образец пола из карт керамических плиток (ковровой мозаики).
2.3. механизмы и оборудование для приготовления малярных составов
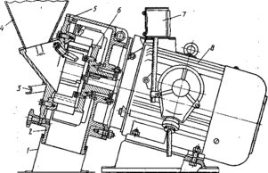
Мелотерки. Мелотерку СО-53А (рис.2.3) используют для помола сухого, мокрого и мерзлого кускового мела. Дробление происходит за счет трения мела о стенки ротора. Измельченный мел высыпается через разгрузочный патрубок. Мелотерка СО-124А (рис.4) предназначена для помола комкового мела влажностью не более 8%, применяемого для приготовления окрасочных составов и меловой пасты. Состоит из электродвигателя, корпуса с крышкой, рабочих органов, пульта управления, воронки и разгрузочного патрубка.
Мелотерки используют также для приготовления шпатлевок (синтетических, масляных и клеевых), загружая кусковой мел транспортной влажности. В этом случае вместо воды к патрубку подводят связующее. Мелотерка выполняет одновременно три операции: дробит мел, смешивает его со связующим и отсеивает случайные включения. Полученный продукт перетирают на краскотерке.
Рис.2.3. Мелотерка СО-53А: 1 - ротор, 2 - статор, 3 - крышка, 4 - воронка, 5-скребок, 6 - корпус, 7 - электродвигатель, 8 - плита
Примечание. Источник: [1, с.158]
Рис.2.4. Мелотерка СО-124А: 1 - патрубки, 2 - корпус, 3 - выключатель, 4 - бункер, 5 - кожух, 6 - ротор, 7 - пульт, 8 - электродвигатель
Примечание. Источник: [1, с.159]
Краскотерки. В крупных краскозаготовительных цехах и мастерских используют одно - и многовальцовые краскотерки, которыс перетирают краску между вальцом и неподвижным притировочным брусом (у одновальцовых) или между вальцами, у которых разная частота вращения. Тонкость помола перерабатываемой массы зависит от зазора между вальцами и состояния их поверхности. Для перетирания масляных клеевых и синтетических окрасочных составов, шпатлевок и меловой пасты применяют жерновые краскотерки, аналогичные по устройству и принципу действия мелотерке СО-53А.
При эксплуатации краскотерок обращают внимание на состояние спиралеобразных канавок на жерновах. По мере работы краскотерки жернова срабатываются, и глубина и длина канавок уменьшаются. При этом увеличивается ширина кольца сплошного соприкосновения жерновов, что ведет к непрерывному снижению производительности. Поэтому периодически регулируют расстояние между жерновами.
Краскотерки СО-110А (рис.2.5) и СО-116А состоят из электродвигателя, верхнего и нижнего жерновов, чаши с разгрузочным лотком, загрузочной воронки с мешалкой и регулировочного устройства для прижима жернова.
Рис.2.5. Жерновые краскотерки СО-11ОА и СО-116А: 1 - основание, 2 - штурвал, 3 - чаща, 4 - лоток, 5 - корпус, 6 - жернов, 7 - сито, 8 - нож, 9 - питатель, 10 - воронка, 11 - электродвигатель, 12 - шпилька, 13 - плита, 14 - ведущий шкив, 15 - ведомый шкив, 16 - вал
Примечание. Источник: [1, с.160]
Смесители. Для изготовления подмазочных паст, шпатлевок, замазок, а также для предварительного смешивания пастообразных масляных красок используют смеситель СО-8.
Рабочий орган представляет собой два смесительных вала, которые вращаются навстречу друг другу с разной частотой. Это способствует лучшему перемешиванию материала. Опрокидывание корыта и выгрузку материала осуществляют с помощью рукоятки без остановки смесителя. Смеситель не следует перегружать материалом, он должен работать плавно, без рывков и ударов.
Смеситель СО-11 (рис.2.6) предназначен для механизированного перемешивания водных и масляных окрасочных составов, К днищу бака 5 цилиндрической формы прикреплен электродвигатель 1 с пакетным выключателем и двухступенчатым цилиндрическим редуктором 3. Смеситель снабжен съемной крышкой 6 и сливным краном 7.
Рис.2.6. Смеситель СО-11: электродвигатель, 2 - трехполюсный выключатель 3 - тор, 4 - лопасти, 5 - бак, 6 - крышка, 7 - сливной кран
Примечание. Источник: [1, с.161]
Смеситель СО-129 для перемешивания малярных составов состоит из станины с направляющими, каретки, системы блоков, противовеса, рабочего органа с приводом, сменных емкостей, электрооборудования. При вращении рабочего органа в одном направлении производится перемешивание, в обратном направлении - выгрузка готового материала.
Мешалки. Для приготовления малярных составов (шпатлевок, замазок, паст) подвижностью 5...12 см по стандартному конусу применяют мешалку СО-137. Она состоит из приемного бункера с решеткой, двух Z-образных валов для перемешивания, электродвигателя и защитно-отключающего устройства.
Мешалки СО-140 (рис.2.7) и СО-150 для приготовления окрасочных материалов вязкостью 65...80 с (по ВЗ-4) или подвижностью не менее 13 см по стандартному конусу состоят из рамы с бункером, корпуса, электродвигателя, клиноременной передачи, рабочего вала с турбинкой, разгрузочного и защитно-отключающего устройства.
Рис.2.7. Мешалка СО-140: 1 - рама с бункером, 2 - вал с турбиной, 3 - электродвигатель, 4 - защитно-отключающее устройство, 5 - рукав для выгрузки, 6 - разгрузочное устройство
Примечание. Источник: [1, с.162]
Насос-эмульгатор 0-58 производительностью 300...500 кг/ч предназначен для приготовления эмульсий, перемешивания окрасочных составов и их перекачивания. На валу электродвигателя закреплен валик насоса с четырехзахватным винтом. Вместимость бункера 40 кг. Нижний конец валика вращается в шарикоподшипнике, расположенном в нижней части корпуса насоса. Там же находятся три окна, через которые засасываются перекачиваемые составы. В верхней части корпуса патрубок с выходной трубкой снабжен краном. При закрытом кране и совпадении отверстий корпуса и кожуха состав интенсивно перемешивается. Для перекачивания окрасочных составов перекрывают отверстия в корпусе кожуха и открывают кран.
Акустическая установка для приготовления эмульсий (рис.2.8).
Рис.2.8. Акустическая установка для приготовления водомасляной эмульсии: / - манометр, 2 - стойки, 3 - электродвигатель, 4 - опорная рама, 5 - насос, 6 - патрубок всасывания, 7 - напорный трубопровод, 8 - кран для слива готовой эмульсии, 9 - резервуар, 10 - три патрубка (ответвления напорного трубопровода)
Примечание. Источник: [1, с.163]
Компоненты эмульсии (олифа и вода), находясь в акустическом поле, интенсивно дробятся на мельчайшие частицы и смешиваются, в результате получают эмульсию с высокой стойкостью и способностью не расслаиваться при длительном хранении. Приготовление эмульсий на акустических установках упрощает технологию процесса и исключает необходимость применения каких-либо веществ, стабилизирующих эмульсию. Вода, входящая в состав эмульсий, после окраски поверхности постепенно испаряется, образуя сплошную масляную пленку. Эта пленка тоньше, чем пленка из чистой олифы. Водомасляная эмульсия, полученная на акустической установке, позволяет экономить до 50% олифы.
Установка размещена на опорной раме 4. На ней установлены вихревой насос 5 с электродвигателем 3 и резервуар на четырех стойках 2. К днищу резервуара одним концом приварен патрубок 6 всасывания, другой конец патрубка присоединен к всасывающей горловине насоса 5. К нагнетательной горловине насоса прикреплен напорный трубопровод 7, другой конец которого введен в резервуар, где он разветвляется на три патрубка 10. К каждому патрубку присоединен многопластинчатый гидродинамический вибратор-излучатель. На напорном трубопроводе установлен манометр 1.
Гидродинамический вибратор-излучатель, осуществляющий эмульгирование, состоит из стального корпуса, в котором закреплены шесть стальных вибрирующих пластин таким образом, что вылет консоли первой - шестой пластины соответственно 10; 10,2; 10,4; 10,6; 10,8 и 11 мм. Такое размещение пластин обеспечивает работу излучателя при различной вязкости эмульсии (вязкость зависит от соотношения олифы и воды, а также от стадии эмульгирования).
В резервуар 9 при закрытых вентилях загружают компоненты эмульсий и включают насос 5. Состав через излучатель пропускают 4...5 раз, затем, проверив готовность, сливают эмульсию через выпускной кран 8 в тару.
По окончании работы установку промывают керосином, который в течение 10 мин пропускают по замкнутой системе «резервуар - насос - излучатель - резервуар». После промывки снимают излучатель и очищают волосяным ершом, а использованный керосин сливают из резервуара через кран, процеживают через сетку № 0,355 (400 отв/см2) и употребляют для последующих промывок. Излучатели до следующего употребления помещают в тару с керосином.
Вихревые диспергаторы (рис.2.9) для получения масляных и других составов в специальных и передвижных малярных мастерских состоят из каркаса бункера, электропривода и выпускного затвора. В бункер закладывают необходимые компоненты и включают электропривод. Время приготовления состава 5...10 мин, после чего его сливают через выпускное отверстие в бидон.
Рис.2.9. Диспергатор СО-178: / - рабочее колесо с кольцами, 2 - термопара, 3 - вал, 4 - рама, 5 - привод, 6 - корпус с подшипниковыми узлами, 7 - улитка, 8 - всасывающий патрубок
Примечание. Источник: [1, с.164]
Вихревая мельница ВМ-6 производительностью 300...350 кг/ч
окрасочных составов и 50 кг/ч эмульсии состоит из корпуса и электродвигателя мощностью 4,5 кВт, прикрепленного к крышке мельницы. К валу электродвигателя крепится устройство с засасывающей воронкой, лопастями и диспергирующей решеткой.
Перед началом работы в корпус мельницы заливают жидкость, а после включения электродвигателя вводят пастообразные или порошкообразные пигменты. При этом происходит засасывание смеси через решетку и удар массы о поверхность решетки, в результате чего частицы пигментов дробятся и перемешиваются. Перемешанная масса через отверстие стекает в корпус, где вновь засасывается через решетку, и процесс повторяется до получения однообразной массы.
Вибросита
Вибросито СО-3 предназначено для процеживания готовых окрасочных составов перед их употреблением. На конец вала электродвигателя насажена
















