125878 (593175)
Текст из файла
Министерство образования Российской Федерации
Магнитогорский Государственный Технический Университет
Имени Г.И. Носова
КУРСОВОЙ ПРОЕКТ
РАСЧЕТНО-ПОЯСНИТЕЛЬНАЯ ЗАПИСКА)
по курсу «Прикладная механика»
на тему: Проектирование привода общего назначения
Исполнил:
студент группы ТМБВ-05-01 Резов М.Г.
проверил: Попереков И.В.
2008 год
СОДЕРЖАНИЕ
Задание на проектирование 5
введение 6
1. Выбор электродвигателя и кинематический расчёт 7
2. Расчет зубчатых колес редуктора 10
3. Расчёт клиноременной передачи 17
4. Предварительный расчёт валов редуктора 21
5. Конструктивные размеры шестерни и колеса 23
6. Конструктивные размеры корпуса редуктора 23
7. Первый этап компоновки редуктора 24
8. Расчет цепной передачи 27
9. Проверка долговечности подшипников 32
10. Второй этап компоновки редуктора 39
11. Проверка шпоночных соединений 41
12. Уточнённый расчёт валов 42
13. Посадки зубчатого колеса и подшипников 46
14. Выбор сорта масла 46
15. Сборка редуктора 46
список литературы 46
ЗАДАНИЕ НА ПРОЕКТИРОВАНИЕ
Спроектировать одноступенчатый горизонтальный цилиндрический косозубый редуктор, цепную и ременную передачу для привода ленточного конвейера:
сила, передаваемая лентой конвейера Fл=13кН,
скорость ленты vл =0,8м/с,
диаметр приводного барабана
=400мм,
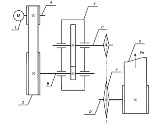
срок службы 5 лет, работа в две смены. Кинематическая схема привода представлена на рисунке 1.
А - вал электродвигателя; В - I вал редуктора; С - II вал редуктора; D - вал приводного барабана.
1 Электродвигатель, 2 ременная передача.3 редуктор, 4 цепная передача, 5 барабан.
Рисунок 1 - Кинематическая схема привода
ВВЕДЕНИЕ
Редуктором называют механизм, состоящий из зубчатых или червячных передач, выполненный в виде отдельного агрегата и служащий для передачи вращения от вала двигателя к валу рабочей машины. Кинематическая схема привода может включать, помимо редуктора, открытые зубчатые передачи, цепные или ременные передачи.
Назначение редуктора - понижении угловой скорости и соответственно повышение вращающего момента ведомого вала по сравнению с ведущим.
Редуктор состоит из корпуса, в котором помещают элементы передачи - зубчатые колеса, валы, подшипники и т.д. В отдельных случаях в корпусе редуктора размещают также устройства для смазывания зацеплений и подшипников или устройства для охлаждения.
Редуктор проектируют либо для привода определенной машины, либо по заданной нагрузке и передаточному числу. Второй случай характерен для специализированных заводов, на которых организовано серийное производство.
Редукторы классифицируются по следующим основным признакам:
типу передачи (зубчатые, червячные или зубчато-червячные);
числу ступеней (одноступенчатые, двухступенчатые) и т.д.,;
типу зубчатых колес (цилиндрические, конические, коническо-цилиндрические, планетарные, волновые);
относительному расположению валов редуктора в пространстве (горизонтальные, вертикальные);
особенностям кинематической схемы (развернутая, соосная, с раздвоенной ступенью).
Редукторы могут иметь колеса с прямыми, косыми и шевронными зубьями. Корпуса
чаще выполняют литыми чугунными, реже - сварными стальными. Валы монтируются на подшипниках качения или скольжения.
1. ВЫБОР ЭЛЕКТРОДВИГАТЕЛЯ И КИНЕМАТИЧЕСКИЙ РАСЧЁТ
Определим коэффициент полезного действия привода по формуле (1.1):
(1.1)
где
- КПД пары цилиндрических зубчатых колес, в соответствии с таблицей 1 [1]
= 0,97.
- Коэффициент, учитывающий потери пары подшипников качения, в соответствии с
таблицей 1 [1]
=0,99.
- КПД открытой ременной передачи, в соответствии с таблицей 1 [1]
= 0,97.
- КПД цепной передачи, в соответствии с таблицей 1 [1]
= 0,92.
- КПД, учитывающий потери в опорах вала приводного барабана, в соответствии с
таблицей 1 [1]
=0,99.
Мощность на валу барабана определим по формуле (1.2):
(1.2)
где
- сила передаваемая лентой конвейера, по заданию
- скорость ленты, по заданию
=08м/с
Требуемую мощность электродвигателя определим по формуле (1.3):
(1.3)
где P6 - мощность на валу барабана P6 = 10,4кВт;
- КПД привода,
=0,84.
Угловую скорость барабана определяем по формуле (1.4):
(1.4)
где
- диаметр барабана, по заданию
=400мм;
- скорость ленты, по заданию
=0,8 м/с
Частоту вращения барабана определяем по формуле (1.5):
(1.5)
В соответствии с таблицей приложения I [1] по требуемой мощности Ртр=12,38кВт с учетом возможностей привода, состоящего из цилиндрического редуктора цепной и ременной передачи, выбираем электродвигателе трехфазный, короткозамкнутый серии 4А, закрытый, с синхронной частотой вращения n= 750об/мин 4А180М8 в соответствии с ГОСТ 19523-81, с параметрами Рдв=15кВт и скольжением s= 2,5%.
Номинальную частоту вращения двигателя определим по формуле (1.6):
(1.6)
где n - синхронная частота вращения двигателя n=750об/мин.
s - скольжение; s=2,5%.
Угловую скорость двигателя определим по формуле (1.7):
(1.7)
где
- частота вращения двигателя,
=731,3об/мин.
Общее передаточное отношение определим по формуле (1.8):
(1.8)
что можно признать приемлемым. Частные передаточные числа (они равны передаточным отношениям) можно принять для редуктора по ГОСТ 2185-66 uред=3,15, для ременной и
цепной передачи определим по формуле (1.9):
(1.9)
где iобщ - общее передаточное отношение, iобщ =19,1
uред - передаточное число редуктора, uред =3,15.
Примем передаточное число для ременной и цепной передачи uрем = 2,0; uц =3,03.
Угловую скорость и частоту вращения ведущего вала редуктора определим по формулам (1.10), (1.11):
(1.10)
(1.11)
где
- угловая скорость двигателя,
=76,5рад/с;
- передаточное число ременной передачи, ирем =2,0.
пдв - частота вращения двигателя, пдв=731,3об/мин.
Угловую скорость и частоту вращения ведомого вала редуктора определим по формулам (1.12), (1.13):
(1.12)
(1.13)
Определим вращающие моменты на валах привода. Вращающий момент на валу А по формуле (1.14):
(1.14)
где Ртр - требуемая мощность электродвигателя, Ртр =12,38 кВт;
- угловая скорость двигателя,
=76,5рад/с.
Вращающий момент на валу В по формуле (1.15):
(1.15)
где
- см. формулу (1.14),
ирем - передаточное число ременной передачи, ирем =2,0
Вращающий момент на валу С по формуле (1.16):
(1.16)
где T1 - см. формулу (1.15),
- передаточное число редуктора,
=3,15
Вращающий момент на валу D по формуле (1.17):
(1.17)
где T2 - см. формулу (1.16),
иц - передаточное число цепной передачи,
Частоты вращения, угловые скорости и вращающие моменты валов сведем в таблицу 1.
Таблица 1 - Частота вращения, угловая скорости и
вращающий момент валов.
| Расположение вала | Частота вращения вала, об/мин | Угловая скорость вала, рад/с | Вращающий момент на валу, |
| Вал электродвигателя (вал А) | пдв=731,3 | | |
| I вал редуктора (вал В) | | | |
| II вал редуктора (вал С) | | | |
| Вал барабана (вал Д) | | | |
2. РАСЧЕТ ЗУБЧАТЫХ КОЛЕС РЕДУКТОРА
Т.к. в задании нет особых требований в отношении габаритов передачи, то для шестерни и колеса выбираем материал со средними механическими характеристиками. Для шестерни выбираем сталь 45 термически обработанную улучшением, с твердостью НВ230. Для колеса - сталь 45 улучшенную с твердостью НВ200
Допускаемое контактное напряжение определим по формуле (2.1):
(2.1).
где
- предел контактной выносливости при базовом числе циклов. В соответствии с
таблицей 3.2. [1] для сталей с твердостью поверхности зубьев менее НВ350 и термообработкой - улучшением:
- коэффициент долговечности при числе циклов нагружения больше базового, что
имеет место при длительной эксплуатации, принимаем KHL = 1;
- коэффициент безопасности, в соответствии с рекомендациями на с.33 [1]
=1,1.
Для косозубых колес расчетное допускаемое контактное напряжение определяем по формуле (2.2):
(2.2)
для шестерни:
для колеса:
Тогда расчетное допускаемое напряжение равно:
Требуемое условие
выполнено.
Коэффициент
, несмотря на симметричное расположение колес, относительно опор, примем выше рекомендуемого для этого случая, т. к. со стороны цепной передачи действуют силы, вызывающие дополнительную деформацию ведомого вала и ухудшают контакт зубьев. Принимаем предварительно по таблице 3.1. [1], как в случае несимметричного расположения колес, значение
= 1,25.
Характеристики
Тип файла документ
Документы такого типа открываются такими программами, как Microsoft Office Word на компьютерах Windows, Apple Pages на компьютерах Mac, Open Office - бесплатная альтернатива на различных платформах, в том числе Linux. Наиболее простым и современным решением будут Google документы, так как открываются онлайн без скачивания прямо в браузере на любой платформе. Существуют российские качественные аналоги, например от Яндекса.
Будьте внимательны на мобильных устройствах, так как там используются упрощённый функционал даже в официальном приложении от Microsoft, поэтому для просмотра скачивайте PDF-версию. А если нужно редактировать файл, то используйте оригинальный файл.
Файлы такого типа обычно разбиты на страницы, а текст может быть форматированным (жирный, курсив, выбор шрифта, таблицы и т.п.), а также в него можно добавлять изображения. Формат идеально подходит для рефератов, докладов и РПЗ курсовых проектов, которые необходимо распечатать. Кстати перед печатью также сохраняйте файл в PDF, так как принтер может начудить со шрифтами.















