125476 (593121), страница 6
Текст из файла (страница 6)
Свердлення, зенкерування і розгортання є найбільш поширеними| технологічними способами обробки круглих отворів.
Свердлення (рис.3.3) - основний метод утворення отворів в металі оброблюваних заготовок.
Рисунок 3.3. Схема різання при свердленні і розсвердлюванні
При свердленні, як правило, використовуються стандартні свердла, що мають дві ріжучі кромки, розташовані діаметрально щодо один одного.
Просвердлені отвори найчастіше не мають абсолютно правильної циліндричної форми. Їх поперечні перерізи представляють форму овалу, а подовжні - невелику конусність.
Глибина різання.
При свердленні глибина різання приймається t=0,5D, а при розсвердлюванні, зенкеруванні або розгортанні t=0,5(D-d), де D-діаметр інструменту, мм; d - діаметр попереднього отвору, мм.
t=0,5(D-d)=0,5(56-40)=8 мм.
Подача.
Подачу призначаю керуючись додатком [5] S=0.8 мм/об.
Призначена подача має бути скоректована по паспорту вибраного верстата. При цьому необхідно витримати умову: Sст ст - остаточно встановлене по паспорту значення подачі. Scт=0,8 мм/об.
Швидкість різання.
Швидкість різання, м/хв, визначається:
, (3.14)
де D - діаметр свердла, зенкера або розгортки, мм;
Kv - загальний поправочний коефіцієнт.
Загальний поправочний коефіцієнт на швидкість різання, такий, що враховує фактичні умови різання визначається по формулі:
(3.15)
де Кмv - коефіцієнт на оброблюваний матеріал; Киv - коефіцієнт на інструментальний матеріал; Кlv - коефіцієнт, що враховує глибину свердлення; Коефіцієнт Kмv розраховується таким чином:
При обробці стали:
.
При обробці сірого чавуну:
.
При обробці ковкого чавуну:
.
Коефіцієнт, що враховує глибину отвору Кlv при свердленні приймається залежно від діаметру свердла.
.
Після визначення швидкості різання, розраховується частота обертання шпінделя верстата np:
(3.16)
де D - діаметр інструменту, мм.
.
Набутого значення np коректується по паспорту верстата і приймається найближчий менший ступінь ncт=125 об/хв.
Обертальний момент, Нм і осьова сила, Н, розраховуються по наступних формулах:
(3.17)
, (
де
и
- коефіцієнти, що враховують умови різання.
;
.
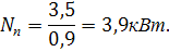
Потужність різання.
Ефективна потужність різання визначається по формулі:
(3.19)
Потрібна потужність різання:
(3.20)
3.9 Розробка управляючої програми
Пристрій програмного управління 2Р22 призначений для передачі управляючої програми на виконавські органи токарного верстата. Він виконує наступні фунцкції|:
- введення УП з клавіатури пульта;
- її обробку і редагування безпосередньо на верстаті;
- складання УП за зразком при обробці першої деталі в ручному режимі;
- використання складних циклів багатопрохідної обробки;
- виведення УП на програмоноситель| та ін.
Керуючись [10] розробимо управляючу програму в системі 2Р22 для обробки зубчатого колеса на токарно-гвинторізному верстаті з ЧПК 16К30Ф3.
Таблиця 3.10. Управляюча програма для обробки зубчатого колеса на токарно-гвинторізному верстаті з ЧПК 16К30Ф3
| Обрабка торця 1 N001 S2 250 F0.5 T1* N002 X423 Z-2.5 E* N003 X296* Обрабка торця 2 (черновая) N004 S2 350* N005 X147 Z1 E* N006 Х51* Обрабка торця 2 (чистовая) N007 X-500 Z150 E* N008 S2 315 F0.8 T2* N009 X147 Z0 E* N010 X51* Точіння фасок N011 X-500 Z150 E* N012 S2 350 F0.5 T3* N013 X338 Z-5.5 E* N014 X340 C3* N015 X122 Z-5.5 E* N016 X120 C-3* | Розточування отвору (чорнове) N017 X-500 Z150 E* N018 S2 500 F0.3 T4* N019 X78 Z1 E * N020 Z0* N021 L09 A1 P4* N022 X71 C-3.5* N023 Z-115 M17* Розточування отвору (чистове) N024 X-500 Z150 E* N025 S2 1000 F0.1 T5* N026 X71 Z1 E* N027 L10 B23* N028 M02* |
3.10 Аналіз розмірного ланцюга
Розмірним ланцюгом називається послідовний ряд взаємозв'язаних лінійних розмірів, створюючих замкнутий контур і що безпосередньо беруть участь в рішенні поставленої задачі. Кожен розмірний ланцюг містить початкову і складових ланок. Під розмірним технологічним ланцюгом розуміють розмірні ланцюги, ланки яких є операційними розмірами і припусками.
Замикаючим розміром в розмірному ланцюзі називається розмір, який в деталі виходить останнім в процесі її обробки.
З схеми розмірного ланцюга можна визначити рівняння замикаючої ланки.
(3.21)
де
- сума збільшуючих складових ланок ланцюга;
- сума зменшуючих складових ланок ланцюга.
Зв'язок між допусками складових розмірів і замикаючих визначається правилом підсумовування допусків Тi :
(3.22)
Проведемо розмірний аналіз для устанавлюваючого розміру при свердленні отвору. Замикаючою ланкою буде розмір А1, для нього складемо розмірну схему.
Рисунок 3.4. Розмірна схема свердлення отвору
Конструкторський розмір А1 – замикаючий розмір.
А1=18-0,4;
А2=43,5-0,15;
А3=105-0,22;
А0=43,5.
Визначемо
и
склавши рівняння:
Допуск Т на розмір A0 буде дорівнювати:
Отриманий розмір
3.11 Нормування технологічного процесу
Для нормування технологічного процесу вибираю операцію з найбільшою кількістю переходів – токарно-револьверну операцію .
Основний час обробки визначаємо по формулі [4]:
(3.23)
де
- довжина урізування інструменту на робочій подачі;
-довжина робочого ходу;
- довжина перебігання;
- число проходів інструменту;
- хвилинна подача інструменту.
Формула для розрахунку допоміжного часу:
(3.24)
де
- час на установку і зняття заготівки;
-час, пов'язане з переходом;
-час на вимірювання.
Оперативний час знаходимо як суму основного і допоміжного :
. (3.25)
Формула для визначення підготовчо-завершального часу:
, (3.26)
де
- час на наладку верстата, інструменту, пристосувань;
- час на отримання інструменту до початку обробки і здачу після закінчення.
Штучний час знаходимо по формулі:
(3.27)
де
= 0,03
- час на обслуговування верстата; Т =0.04
- час нормованого відпочинку. Штучно-калькуляційний час знаходимо по формулі:
, (3.28)
де N – розмір партії. Використовуючи формули (9.1) -(9.6), для визначення Т
, Т
, Т
, Т
, Т
знаходимо Т
для кожної операції.
3.12 Економічне зрівняння технологічного процесу
Вибір найкращого варіанту технологічного процесу зі всіх можливих може бути здійснений різними способами. Якщо зі всіх можливих варіантів є такий, на впровадження якого потрібний найменші капітальні вкладення і який забезпечує найнижчу собівартість одиниці продукції, цей варіант є якнайкращим. Проте на практиці частіше варіанти з великими питомими капітальними вкладеннями забезпечують при впровадженні меншу собівартість одиниці продукції. У цих випадках технологічний варіант визначається за допомогою нормативного коефіцієнта ефективності або приведених витрат.
При визначенні раціональності заміни варіанту техніки, що діє, технології, способу організації виробництва новим розраховують коефіцієнт порівняльної ефективності [8].
(3.29)
Тут С – собівартість продукції, а К – капітальні вкладення,
– нормативний коефіцієнт ефективності,
= 0,15.
Порівняємо такі варіанти технологічного процесу (операція 020):
1. Обробка деталі на токарно-револьверному верстаті.
2. Обробка деталі на верстаті з ЧПК.
Собівартість продукції визначається шляхом складання всіх витрат, а саме:
, (3.30)
де
- вартість основних і допоміжних матеріалів, для обох видів обробки величина
однакова і постійна;
– витрати, пов'язані із заробітною платою основного робочого;
– витрати, пов'язані із заробітною платою допоміжного робочого (наладчик) з урахуванням всіх видів доплат і нарахувань;
Ао – амортизаційні відрахування від вартості устаткування;
Ат.о – амортизаційні відрахування від вартості технологічного оснащення на одну деталь;
Ро – витрати, пов'язані з ремонтом і обслуговуванням устаткування;
И – витрати, пов'язані з інструментом;
Ло – витрати на технологічну електроенергію;
Пл – витрати, пов'язані з амортизацією виробничих площ;
Ппр – витрати на ремонт і обслуговування управляючих пристроїв і програм.
Витрати, пов'язані із заробітною платою основних робочих визначаються по формулі:
(3.31)
де
– норматив годинної заробітної плати верстатника ;
– коефіцієнт верстатного обслуговування.
При обробці на універсальному устаткуванні:
=12,5 грн. /год. – для верстатника 3-го розряду;
=1, оскільки багатоверстатне обслуговування неприпустимо при даному виробництві.
На підставі цього отримуємо:
- заробітна плата основного робочого для токарно-револьверної операції для серійного типу виробництва:
грн.
- заробітна плата основного робочого для токарно-револьверної з ЧПК для середньосерійного типу виробництва (при використанні оператора 3-го розряду
= 8,4 грн/год і
=0,7):
грн.
Витрати, пов'язані із заробітною платою допоміжних робочих визначаються по формулі:
, (3.32)
де
– норматив заробітної плати наладчика ; m – число змін роботи верстата;
– число верстатів, що обслуговуються наладчиком за зміну:
=6;
– дійсний річний фонд часу роботи верстата.
грн.
Витрати, пов'язані з амортизаційними відрахуваннями на устаткування:
, (3.33)
де Ф – вартість устаткування;
– норма амортизаційних відрахувань.
грн;
грн.
Витрати, пов'язані з амортизаційними відрахуваннями на технологічне оснащення:
(3.34)
де
– вартість технологічного оснащення;
– річна програма випуску виробів.
грн;
грн.
Витрати, пов'язані з ремонтом і обслуговуванням устаткування
, (3.35)
де Нм, Не – нормативи річних витрат на ремонт електричної і механічної частин устаткування;
Км., Ке – коефіцієнти складності ремонту електричної і механічної частин устаткування;
– коефіцієнт запасу точності устаткування (
=1).
грн;
грн.
Витрати, пов'язані з інструментом:
, (3.36)
де
– вартість інструменту;
– термін служби інструменту.
грн;
грн.
Витрати на технологічну електроенергію:
,
де Nэ – потужність електродвигуна;
– тариф електроенергії.
грн;
грн.
Витрати, пов'язані з амортизацією виробничих площ:
, (3.37)
де
– річні витрати;
– площа в плані;
– коефіцієнт враховує площу системи управління.
грн;
грн.
Розрахунок економічної частини ведемо методом повної собівартості з урахуванням капітальних вкладень. Згідно цьому, повна собівартість по витратах на одну деталь:
грн;
грн.
У капітальні вкладення включаються витрати на виробниче устаткування, інструменти і пристосування.
грн; (3.38)
де
- коефіцієнт, що враховує додаткові витрати на установку устаткування;
Ц – ціна устаткування.
грн;
грн.
Коефіцієнт порівняльної ефективності:
Застосування обробки на верстаті з ЧПК є більш вигідно.
-
4. ІНЖЕНЕРНІЙ АНАЛІЗ ОБ'ЄКТУ ВИРОБНИЦТВА
4.1 Опис об'єкту моделювання
Об'єктом дослідження є пружна втулково-пальцева муфта МУВП, розташована на вхідному валу редуктора, вживана для з'єднання вхідного валу редуктора і ротора електродвигуна. Муфта, яка представлена на рисунку 4.1 розглядатиметься в системі робочий орган (зірочка) – редуктор – МУВП – двигун.
Рисунок 4.1. Муфта пружна втулково-пальцева
Пружна втулково-пальцева муфта має всі властивості, які необхідні при роботі на великих швидкостях обертання (n=2880 об/хв):
- здатність пом'якшувати поштовхи і удари. Кінетична енергія удару при цьому частково поглинається і переходить в тепло, частково акумулюється пружними елементами, перетворюючись на потенційну енергію деформації;
- пружні муфти можуть служити засобом захисту від резонансних крутильних коливань, що виникають в механізмі унаслідок нерівномірності обертання;
- пружні муфти допускають порівняно великі зсуви осей валів, що сполучаються. При цьому, завдяки деформації пружного елементу, вали і опори навантажуються порівняно малими силами і моментами.
МУВП мають наступні характеристики, які враховуватимуться при динамічному аналізі:
- жорсткість (або зворотна величина - податливість), що є залежністю відносного кута повороту напівмуфти від величини обертального моменту Мкр; Жорсткість муфти визначається як похідна від обертального моменту по куту закручування і є величиною змінною, залежною від
.
Обертальний момент у свою чергу пропорційний куту закручування
.
Рисунок 4.2. Залежність обертального моменту від кута закручування
- демпфування, тобто здатність необоротно поглинати механічну енергію;
- енергоємність, що є роботою пружної деформації муфти при дії деякого обертального моменту. Енергоємність є порівняльною характеристикою муфт і не може бути використана при динамічному аналізі.
4.2 Розробка структурної схеми об'єкту
Досліджувана муфта при роботі редуктора навантажена обертальним моментом, який при включенні, виключенні двигуна, а також залежно від особливостей роботи редуктора змінюється в часі. В результаті в ній виникають крутильні коливання, що обумовлюють динамічні навантаження, зменшення довговічності редуктора, а в деяких випадках і втрату стійкості динамічної системи. З метою дослідження забезпечення оптимальних динамічних характеристик приводу необхідне дослідження його елементів, зокрема муфт, зубчатих зачеплень, приводного електродвигуна.
Структурна схема для дослідження пружної муфти, складатиметься з виконавчого органу (зірочки) 1, вихідного валу 2, зубчатого циліндричного прямозубого колеса 3, проміжного валу 5 з прямозубої циліндричної шестерні 4 і косозубого циліндричного колеса 6, валу 8 з шестернею 7 і конічним колесом з круговим зубом 9, конічної шестерні 10, вихідного валу редуктора 11, МУВП 12 і двигуна 13.
Рисунок 4.3. Початкова структурна схема досліджуваного об'єкту
Для зручного математичного опису даної структурної схеми приведемо її до двохмасової, представивши перераховані елементи як розподілені (вали) і зосереджені (зубчаті колеса, зірочка, двигун) маси зі своїми моментами інерції.
Початкові дані, необхідні для приведення системи до двохмасової приведемо в таблиці 4.1. для зручності подальшого дослідження.
Таблиця 4.1. Початкові дані для приведення системи до двохмасової
| № Елементу | Довжина (ширина), мм | Діаметр, мм |
| 1 | 20 | 420 |
| 2 | 63/90/80/5/115/35 | 56/60/71/80/71/60 |
| 3 | 100 | 390 |
| 4 | 110 | 130 |
| 5 | 30/80/5/122/25 | 45/50/60/50/45 |
| 6 | 60 | 351,03 |
| 7 | 70 | 60,96 |
| 8 | 30/75/40/80/20 | 25/28/30/35/25 |
| 9 | 30 | 255,98 |
| 10 | 30 | 49,9 |
| 11 | 55/40/94 | 25/28/25 |
Визначаємо моменти інерції всіх елементів приводу, що обертаються. Момент інерції ротора двигуна підрахуємо по наступній залежності:
де
– маховий момент двигуна по [17] .
=0,237 кг·м2.
Момент інерції деталі, що є суцільним тілом обертання, визначається по залежності:
де — щільність матеріалу деталі;
- діаметр деталі;
– довжина деталі
Вали є розподіленими масами. При довжині валу до 300 мм до моментів інерції зосереджених мас, що знаходяться на нім, приєднують третину моменту інерції валу. При довжині деталі більше 300 мм до моментів інерції зосереджених мас приєднують шосту частину моменту інерції валу.
Момент інерції ступінчастого валу визначається по формулі:
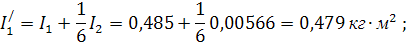
Обчислимо момент інерції зубчатого колеса 3:
Моменти інерції останніх елементів приведемо в таблиці 4.2.
Таблиця 4.2. Моменти інерції елементів, що становлять
| № Элементу | Момент інерції, кг·м2 |
| 1 | 0,485 |
| 2 | 0,00566 |
| 3 | 1,771 |
| 4 | 0,024 |
| 5 | 0,00119 |
| 6 | 0,697 |
| 7 | 0,00074 |
| 8 | 0,000165 |
| 9 | 0,0986 |
| 10 | 0,000142 |
| 11 | 0,0000634 |
| 12 | 0,00769 |
| 13 | 0,014 |
Далі приведемо систему до двохмасової. Приведемо моменти інерції валів до зосереджених мас (колесам, зірочці). Кожну напівмуфту представимо у вигляді зосереджених мас з моментами
Результати даного приведення приведені на рисунку 4.4.
Рисунок 4.4. Перший етап приведення моментів інерції
Приведені моменти інерції розрахуємо по наступних формулах:
Моменти інерції мас(зубчатого зачеплення), що обертаються, приведемо в одну масу по наступній залежності:
де
- передатне відношення передач від валу 1 до валу з номером k.
Приведену схему представимо на рисунку 4.5.
Рисунок 4.5. Другий етап приведення моментів інерції
Приведені моменти інерції розрахуємо по наступних формулах:
Підсумовуючи отримані моменти інерції, отримаємо приведену схему, таку, що складається з двох мас.
Рисунок 4.5. Остаточна схема приведених моментів інерції
0,00385=183,382
4.3 Обгрунтування допущень, прийнятих в системі
Для забезпечення можливості дослідження динамічних характеристик моделі і для спрощення процесу складання диференціальних рівнянь, що описують модель, приймемо деякі допущення у властивостях досліджуваного об'єкту.
Всі ланки є абсолютно твердими тілами. Зуби не згинаються при контакті, зубчаті колеса не деформуються. Допущення прийняте щоб уникнути появи нелінійного елементу в моделі оскільки метал, що деформується, змінюється згідно із законом Гука. Дослідження моделі з даним допущенням не приведе з істотної погрішності результатів (оскільки деформації металу дуже малі в порівнянні з коливаннями, що виникають в досліджуваному об'єкті), а тільки спростить складання математичної моделі системи.
Кінематичні пари не мають зазорів між елементами. Зазори між зубами в зубчатому зачепленні, що впливають на динаміку приводу, виникають при першому включенні двигуна. При подальшій роботі зуби щільно прилягають один до одного. Приймемо допущення, що досліджуваний двигун вже знаходився в роботі, а перше його включення відбувалося на безпечних режимах.
Механічна характеристика двигуна при постійній його роботі (на сталому режимі) є константою, тобто момент, що крутить, на роторі двигуна МД=const. Крива моменту при включенні двигуна представлена на рисунку 4.6.
Рисунок 4.6. Обертальний момент двигуна у момент його включення
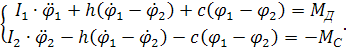
4.4 Розробка фізичної і математичної моделі об'єкту
Фізична модель приводу конвеєра, представлена на рисунку 4.6. складатиметься з двох мас, сполучених пружиною з жорстокістю С і демпфером з демпфуючою здатністю h. З правого боку на систему діятиме рушійний момент (момент електродвигуна) МД, з лівого боку діє момент сил опору Мс.
Рисунок 4.7. Фізична модель об'єкту
Для дослідження динамічних характеристик МУВП (зміни крутильних коливань) необхідно описати систему за допомогою системи диференціальних рівнянь. Початковими даними для складання системи диференціальних рівнянь служитимуть: моменти інерції
, демпфуюча здатність муфти h, момент ротора двигуна МД, момент сил опору Мс.
Демпфуюча здатність МУВП h розраховується по наступний формулі:
де
– обертальний момент, що передається муфтою
=12,2 Н•м ;
n – частота обертання муфти, n=2880 об/хв.
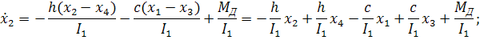
Диференціальні рівняння складаються на основі узагальненої координати, кута закручування валів
. Різниця між кутом закручування валу двигуна
і кутом закручування вхідного валу редуктора
2 буде кутом закручування муфти. Рівняння матимуть наступний вигляд:
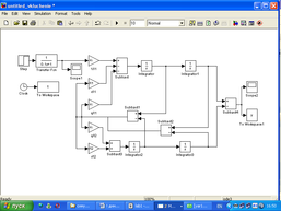
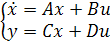
4.5 Розробка схеми моделі в Simulink
Для розробки досліджуваної моделі за допомогою середовища Matlab необхідно дану систему рівнянь перетворення Лапласа:
.
Для цього необхідно підрахувати матриці A,B,C,D. Для розрахунку матриць введемо наступні заміни:
Звідси похідні від x будуть рівні:
Знаходимо матриці A,B,C,D і підставляємо в рівняння Лапласа. Матриця D матиме два рядки оскільки система має два виходи (кут закручування валу двигуна
і кут закручування вхідного валу редуктора
) і один стовпець - вхід (момент, що діє на систему).
Маючи матриці можна реалізувати модель системи в середовищі Matlab.
Подамо на вхід системи для иммитации включення двигуна момент, наростаючий по параболі. Початковими даними будуть:
I1=0,0179;
I2=183,382;
q= 75
;
r=0,008;
Md=12.2 – момент двигуна на сталому режимі
Графік вхідного сигналу (моменту) матиме наступний вигляд:
Рисунок 4.8. Графік вхідного сигналу
З графіка видно, що момент ротора двигуна виходить на сталій режим за секунд .
Модель Simulink буде мати такий вигляд:
Рисунок 4.9. Модель системи при плавному включенні двигуна
Використовуючи блок Scope проаналізуємо отриманий результат:
Рисунок 4.10. Коливання кута закручування муфти у момент включення двигуна при q= 75
.
З графіка видно, що при плавному застосуванні на систему моменту від ротора двигуна при q=75
муфта обернеться на 13,68 градуси (0,16 рад.) що неприйнятно для приводу конвеєра. Коливальний процес триватиме 15 секунд. Міняючи жорсткість муфти можна добитися кращі показники системи: При жорсткості q= 130
коливальний процес буде мати наступний вигляд:
Рисунок 4.11. Коливання кута закручування муфти у момент включення двигуна при q= 130
При даній жорсткості муфта обернеться на 5 градусів (0,093 радий.). Коливальний процес триватиме 12 секунд.
Оптимальні параметри муфти отримаємо при q=270
. При даній жорсткості муфта обернеться на 2,57 градусів (0,047 радий.). Коливальний процес триватиме 10 секунд. Представимо результат на рисунку 4.12.
Рисунок 4.11. Коливання кута закручування муфти у момент включення двигуна при q= 270
Такі ж результати отримаємо використовуючи М-file в Matlab. Представимо програму з Matlab.
I1=
; I2=183,382; q= 270 ; r=0.008;
Md=12.2; Ms=11.7;
G=[I1 0;0 I2];
R=[r -r;-r r];
T=[q -q;-q q];
M=[Md;-Ms];
a=[zeros(2,2) eye(2,2);-inv(G)*T -inv(G)*R]; b=[0;0;inv(G)*M];
c=eye(4,4); d=zeros(4,1);
x0=[0;0;0;0]; t=0:0.1:30; u=ones(1,length(t)-exp(-t/0.1)); S=ss(a,b,c,d);
[y,t,x]=lsim(S,u,t,x0);
figure; plot(t,x(:,1)-t,x(:,2)),grid;
У результаті отримаємо оптимальну жорсткість муфти, знайдену эксперементальным шляхом засобами ,Matlab рівну 270
.
ВИСНОВКИ
Результатом бакалаврської роботи було досягнення поставленої задачі, а саме покращення ефективності констукторсько-технологічної підготовки. Була розроблена електронна модель підготовки виробництва триступеневого конічно-циліндричного редуктора з усіма необхідними розрахунками конструктивних елементів (вали, колеса), а також вибором стандартних (підшипники, муфти) елементів. На основі наведених проектувальних та перевірних розрахунків була створена 3D-модель редуктора.
Для подальшої розробки був обраний вхідний вал. Для контролю точності поверхні вала
під шестерню спроектовано калібр-скобу, а для контролю отвору
була спроектована калібр-пробка.
Наступним етапом була технологія обробки деталі за умов серендньосерійного виробництва. Для даного зубчатого колеса проведено аналіз технологічності. Визначено економічний метод отримання заготівки (штампування в підкладних штампах). На основі цього спроектована заготівка. Далі був розроблений, згідно з кресленням деталі, маршрут обробки деталі та призначені припуски на механічну обробку. Згідно з обраним маршрутом обробки, обране металообробне обладнання та технологічне оснащення – приладдя, вимірювальний та різальний інструмент. Розраховані режими різання для свердління отвору Ø56 та пронормована операція, яка містить найбільшу кількість переходів – токарно-револьверна. Проведена розробка управляючої програмі для токарно-револьверної операції в системі 2Р22. Також був проведен порівняльний економічний аналіз обробки деталі на токарно-револьверному верстаті з обробкою на верстаті з ЧПК. На основі усіх отриманих та обраних показників розроблений комплект технологічної документації, складений із маршрутних та операційних карт, а також карт ескізів. Також розроблені креслення карт налагодження на 3 операції токарно-револьверну, зубофрезерну, радіально-свердлильну.
Для визначення динамічних процесів в вхідній муфті проведено її динамічний аналіз. У результаті було встановлено, що на коливання, виникаючи в муфті під час роботи редуктора суттєво впливає величина жорсткості муфти, яка була визначена експериментально за допомогою Matlab. Оптимальним значенням жорсткості має бути 270
.
-
ПЕРЕЛІК ВИКОРИСТАНИХ ДЖЕРЕЛ
-
Методические указания по курсовому проектированию деталей машин. Раздел 1. Краткая инструкция, расчет исходных данных (для студентов всех специальностей)/ Сост.: В.С. Исадченко, В.П. Онищенко, О.К. Помазан. – Донецк: ДПИ, 1981. – 51 с.
-
Методические указания к самостоятельной работе над курсовым проектом по деталям машин. Раздел 2. Этапы "Эскизный проект" и "Технический проект". Проектирование зубчатых и червячных передач (для студентов технических специальностей)/ Сост.: В.С. Горелик, В.С. Исадченко, В.И. Проскурин, П.М. Матеко, А.Л. Симонов, В.П. Алиферов. – Донецк: ДПИ, 1992. – 84 с.
-
Методические указания по курсовому проектированию деталей машин. Раздел 3. Расчет и конструирование валов (для студентов всех специальностей)/ Сост.: П.М. Матеко, А.Л. Симонов, В.Ф. Ващенко. – Донецк: ДПИ, 1981. – 48 с.
-
Методические указания по курсовому проектированию деталей машин. Конструирование муфт и корпусов (для студентов механических специальностей) / Сост.: В.С. Исадченко, П.М. Матеко, В.С. Горелик. – Донецк: ДПИ, 1987. – 43 с.
-
Методические указания по курсовому проектированию деталей машин. Конструирование муфт и корпусов (для студентов механических специальностей) / Сост.: В.С. Исадченко, П.М. Матеко, В.С. Горелик. – Донецк: ДПИ, 1987. – 43 с.
-
Допуски и посадки: Справочник в 2-х ч. Ч. 1/ Под ред. В.Д. Мягкова. — 5-е изд., перераб. и доп. — Л.: Машиностроение. Ленингр. отд-ние, 1979. — 544 с.
-
Курсовое проектирование по технологии машиностроения: [Учеб. пособие для машиностроительных спец. вузов]. Горбацевич А. Ф., Шкред В. А.. – 4-е изд., перераб. и доп. – Мн.: Выш. школа, 1983. – 256 с.
-
Справочник технолога-машиностроителя в 2-х томах. Том 2/ Под ред. Косиловой А.Г., Мещерякова Р.К. - 4-е изд., перераб. И доп., 1986 – 656 с.
-
Справочник технолога "Обработка металлов резанием". Под ред. Панова А.А.1986 р.
-
Методические указания к лабораторным работам по дисциплине "Станки с ЧПК и программирование станков с ЧПК". (для студенитов всех специальностей 7.090203)/ Сост.: Л.П. Калафатова, И.В. Киселева, А.В. Байков. – Донецк: ДПИ, 1998. – 47 с.
-
ГОСТ 1050-88. Сталь качественная и высококачественная.
-
ГОСТ 6639-69. Номинальные линейные размеры.
-
ГОСТ 21150-80. Смазка ЛИТОЛ-24. Технические условия.
-
ГОСТ 21424-93. Муфты упругие втулочно-пальцевые. Параметры и размеры.
-
ГОСТ 520-89. Подшипники качения. Общие теххнические условия
-
ГОСТ 2.403-75. Единая система конструкторской документации. Правила выполнения чертежей цилиндрических зубчатых колес.
-
Курсовое проектирования "Конструирование и расчет металлорежущих станков и станочных комплексов". Кочергин А.И., 1991 р.
18."Математичне модледювання процесів та систем механіки", Струтинський В.Б., 2001 р.















