125476 (593121), страница 2
Текст из файла (страница 2)
Рисунок 1.3. Електродвигун 4А160М4У3
Таблиця 1.3. Розміри електродвигуна 4А160М4У3
| Серія і типорозмір | Габаритні розміри, мм | Установочні та приєднувальні розміри, мм | ||||||||||
| L | H | D | l1 | l2 | l3 | d | d1 | b | h | h1 | ||
| 4A 100S2 У3 | 365 | 265 | 235 | 60 | 112 | 63 | 28 | 12 | 160 | 100 | 12 | |
Перевіримо умову можливості запуску електродвигуна під навантаженням:
;
3,78۰1,3 4۰2;
4,914<8.
Умова виконується, тобто даний електродвигун можна використовувати з даним редуктором.
1.1.2 Розрахунок загального і поодиноких передатних відношень редуктора
Визначимо загальне передатне число редуктора:
(1.7)
Приймаємо
Передатне число редуктора:
1.1.3 Розрахунок частот обертання, потужностей і обертальних моментів на валах
Визначимо частоти обертання валів:
;
;
;
Визначимо потужність на валах редуктора:
;
;
;
.
Визначимо кутові швидкості зубчатих коліс і шестерень по формулі:
; (1.8)
;
;
;
Обертальний момент визначимо по формулі:
; (1.9)
;
;
1.1.4 Вибір розрахункового навантаження
Визначаємо загальний час роботи редуктора приводу по формулі:
, (1.10)
де
– час роботи редуктора,
=10 років;
– число робочих днів в році, nр.д=300;
– число змін,
=3;
– тривалість зміни,
=8;
– коефіцієнт використання приводу,
=0,6.
.
Визначимо число циклів навантаження на всіх ступенях редуктора:
, (1.11)
де
– число циклів вантаження на всіх ступенях редуктора.
;
;
;
.
Оскільки число навантажень на кожному ступені 1,2 3 і 4 валів перевищує значення, то розрахунок ведемо по першому ступеню діаграми.
Визначимо номінальний момент на валах:
; (1.12)
;
;
Результати розрахунку початкових даних представимо у вигляді таблиці.
Таблиця 1.4. Кінематичні і силові параметри редуктора
| № вала | n, об/хв | w, 1/c | P, кВт | Т, кН۰м | Тн, кН۰м |
| 1 | 2880 | 301,44 | 3,518 | 0,0117 | 0,0152 |
| 2 | 576 | 60,288 | 3,344 | 0,0555 | 0,0722 |
| 3 | 91,428 | 9,569 | 3,244 | 0,339 | 0,441 |
| 4 | 29,025 | 3,038 | 3,147 | 1,0359 | 1,347 |
1.2 Проектування конічної передачі
Початковими даними для проектування є:
-
обертальний момент на валу колеса, Т2=0,0722 кН·м;
-
частота обертання шестерні, n1=2880 об/хв;
-
передатне число u1-2=5.
1.2.1 Вибір матеріалів для виготовлення колеса і шестерні
Для нежорстких умов до габаритів передачі вибираємо [2]:
Термообробка: поліпшення;
Твердість поверхні зуба шестерні: HB360.380;
Твердість поверхні зуба колеса: HB300.340;
Матеріал зубів шестерні і колеса – сталь 45 [11];
Механічні властивості матеріалів: Нlim = 670Мпа; Flim = 590 Мпа.
1.2.2 Приблизне визначення граничних та допустних напруг для матеріалів конічної передачі
Допустна напруга при проектувальному розрахунку на витривалість зубів при вигині визначається по формулі:
, (1.13)
де
– гранична напруга зубів передач на витривалість.
;
.
Допустна напруга при проектувальному розрахунку на контактну витривалість визначається по формулі:
, (1.14)
де
– коефіцієнт запасу міцності для зубчатих коліс з однорідною структурою схильних до поліпшення.
;
.
1.2.3 Наближений проектувальний розрахунок головного і основних параметрів передач з умови забезпечення контактної міцності зубів
Діаметр зовнішнього ділильного кола колеса (на додатковому конусі)
, (1.15)
де
- коефіцієнт, що враховує знижену здатність навантаження конічних передач в порівнянні з циліндричними;
= 1,2+0,2u – для кривозубих коліс.
.
приймаємо рівним 1;
- коефіцієнт ширини зубчатого вінця по зовнішній конусній відстані [2];
- коефіцієнт навантаження приймаємо рівним 1,3.
;
Визначення зовнішньої конусної відстані:
.
Вибираємо числа зубів шестерні .
Числа зубів колеса визначимо по формулі:
,
де
– число зубів колеса;
– число зубів шестерні;
– передатне відношення передачі.
.
Визначимо основні розміри коліс передач:
Діаметр ділильного кола:
Шестерні:
.
Колеса:
.
Діаметр окружністі впадин:
Шестерні:
.
Колеса:
Фактичний середній модуль:
.
Діаметр кола виступів:
Шестерні:
.
Колеса:
.
Кути ділильних конусів:
Шестерні:
.
Колеса:
.
Міжосьова відстань:
.
Середня конусна відстань:
.
Ширина зубчатого вінця:
,
приймаємо
.
.
Кут нахилу кругових зубів:
1.3 Розрахунок циліндричних передач
1.3.1 Наближений проектувальний розрахунок головного і основних параметрів передач з умови забезпечення контактної міцності зубів
Розрахунок передачі №2 і №3 представимо у вигляді таблиці.
Таблиця 1.5. Результати проектувального розрахунку головного і основних параметрів передач №2 і №3
| Передача №2 | Передача №3 | |
| 1 | 2 | 3 |
| Розрахункова міжосьова відстань, мм | 198,117 | 231,794 |
| Закруглена міжосьова відстань, мм | 200 | 250 |
| Модуль, мм | 3 | 5 |
| Сумарне число зубців | 131 | 100 |
| Число зубів шестерні/колеса | 18/113 | 24/76 |
| Фактичне передатне число передачі | 6,28 | 3,17 |
| Погрішність отриманого передатного числа передачі, % | 0,3 | 0,6 |
| Фактичний кут нахилу зубів, град | 10,73 | - |
| Діаметр ділильної окружності шестерні/колеса | 54,96/345,04 | 120/380 |
| Діаметр окружності впадин шестерні/колеса | 47,46/337,53 | 107,5/367,5 |
| Діаметр окружності виступів шестерні/колеса | 60,96/351,03 | 130/390 |
| Ширина зубчатого вінця шестерні/колеса | 70/60 | 110/100 |
.
1.3.2 Перевірочний розрахунок конічної зубчатої передачі
Призначимо ступінь точності виготовлення зубчатих передач залежно від окружної швидкості:
; (1.16)
.
Приймаємо середній "8" ступінь точності і "6" клас шорсткості.
Уточнення розрахункового навантаження.
Додаткові навантаження враховуються коефіцієнтом навантаження при розрахунку на втому вигину і - при розрахунку на контактну втому.
Перевірочний розрахунок фактичної згинальної напруги.
Перевірка міцності полягає у визначенні фактичної контактної і вигинистої напруги і в порівнянні їх з тими, що допускаються. Значення всіх коефіцієнтів [2].
Фактична напруга вигину в небезпечних перерізах підстави зубів шестерень визначає по формулі:
Фактична напруга вигину в небезпечному перерізу зуба колеса визначаєтья по формулі:
Величина окружного зусилля розраховується так:
Перевірочний розрахунок фактичної контактної напруги.
Фактичні контактні напруження на робочих поверхнях зубів визначають по формулі [2]:
, (1.17)
де
– коефіцієнт навантаження.
.
Визначення граничної допустної напруги матеріалу коліс.
Допустна напруга при перевірочному розрахунку на вигинисту витривалість визначає по формулі [2]:
, (1.18)
де
– коефіцієнт запасу міцності (при ХТО–загартування поліпшенням);
– коефіцієнт довговічності, що враховує зміну ;
– коефіцієнт, що враховує вплив шорсткості перехідної поверхні зубів ;
– коефіцієнт, що враховує чутливість матеріалу до концентрації напруги;
– коефіцієнт, що враховує розмір зубчатого колеса.
;
;
;
; (1.19)
.
Базове число циклів
.
Оскільки
, то
.
Підставивши набутих значень у формулу отримаємо:
.
Допустна напруга при перевірочному розрахунку на контактну витривалість.
Допустна напруга при перевірочному розрахунку на контактну витривалість визначається по формулі [1.20] :
, (1.20)
де
– коефіцієнт довговічності, що враховує зміну.
;
; (1.21)
.
Базове число циклів
.
Оскільки
, то
.
,
де
– коефіцієнт, що враховує вплив початкової шорсткості;
– коефіцієнт, що враховує вплив окружної швидкості;
– коефіцієнт, що враховує розміри зубчатого колеса.
Підставивши набутих значень у формулу 1.20 отримаємо:
.
1.3.3 Перевірочний розрахунок циліндричних зубчатих передач
Результати перевірочного розрахунку занесемо в таблицю 1.3.2
Таблиця 1.6. Результати перевірочного розрахунку передач №2 і №3
| Передача №2 | Передача №3 | |
| Окружна швидкість, м/с | 1,66 | 0,57 |
| Ступінь складності | 9 | 9 |
| Окружне зусилля, Н | 2627 | 7350 |
| Фактична напруга вигину в небезпечних перетинах підстави зубі шестерні/колеса, Мпа | 46,67/45,14 | 82,02/85 |
| Фактична контактна напруга на робочих поверхнях зубів, Мпа | 376 | 486 |
| Допустна напруга шестерні на вигинисту витривалість/колеса, Мпа | 362/349 | 345/334 |
| Допустна напруга на контактну витривалість, Мпа | 536 | 536 |
З розрахунків видно, що фактична напруга менше допустних.
<
;
<
;
<
;
<
;
<
;
<
.
1.4 Конструювання зубчатих коліс
Конструктивна форма коліс залежить від їх розмірів, матеріалу, а також від технології отримання заготівки і механічної обробки.
Спочатку розрахуємо діаметри валів [2]:
; (1.22)
;
;
;
.
Заздалегідь обчислений діаметр валу округлятимемо до найближчого стандартного по [12]:
(для з'єднання з валом електродвигуна);
;
;
.
Визначимо розміри конструктивних елементів дискових коліс [2].
Колесо 2(конічне):
приймаємо стандартне значення с=10 мм;
приймаємо стандартне значення
=210 мм;
S=1,1 8,25 = 9,08 мм,
приймаємо стандартнe значення S=9 мм;
приймаємо стандартнe значення
приймаємо
приймаємо cтандартнe значення
приймаємо стандартнe значення
R=6 мм .
Рисунок 1.4. Параметри конічного колеса
Колесо 4:
приймаємо
,
приймаємо
приймаємо стандартне значення
,
приймаємо стандартне значення
;
;
R=6 мм.
Рисунок 1.5. Параметри циліндричного колеса
Колесо 6:
приймаємо
,
приймаємо
,
приймаємо
приймаємо стандартне значення
,
приймаємо стандартне значення
.
1.5 Проектування валів
1.5.1 Проектний розрахунок валу
Цей розрахунок виконується для попереднього визначення діаметру валу. Діаметр розрахункового перетину валу визначуваний по формулі 1.23:
, (1.23)
де
– напруга кручення, що допускається .
;
;
;
.
По [12] приймаємо:
( з урахуванням з'єднання з електродвигуном);
;
;
.
1.5.2 Визначення навантажень, що діють на вал
Основними навантаженнями, що діють на вал, є зусилля в зубчатих зачепленнях, а також крутильні моменти. Визначимо сили, що діють в передачах.
Рисунок 1.6. Схема приложения сил к промежуточному валу со стороны зубчатых передач
- окружна сила :
;
- радіальна сила:
;
- осьова сила:
.
Знайдемо реакції опор у вертикальній плоскості:
Знайдемо реакції опор в горизонтальній плоскості:
Рисунок 1.7. Розрахункова схема і епюри крутильних моментів
Сумарні моменти:
Сумарні реакції:
1.5.3 Наближений розрахунок валу
Перший небезпечний перетин прийнятий під шестернею, оскільки там концентратор напруги – паз шпони.
Другий небезпечний перетин прийнятий на перепаді діаметрів між колесом і шестернею.
Третій небезпечний перетин прийнятий під колесом, оскільки там концентратор напруги паз шпони. Згідно з [3]:
Еквівалентна напруга [3]:
<
Напруги для матеріалу валу з сталі 40:
Оскільки умови виконуються, то можна вважати, що міцність валу достатня.
1.6 Проектування вузлів підшипників кочення
1.6.1 Вибір підшипників кочення
При виборі підшипників кочення виходять з конкретних умов експлуатації редуктора.
Для валу 1 приймаємо підшипники роликові радіально-упорні 7305.
Для валу 2 приймаємо підшипники роликові радіально- упорні 7305.
Для валу 3 приймаємо підшипники роликові радіально- упорні 7309.
Для валу 3 приймаємо підшипники роликові радіально- упорні 7312.
Таблиця 1.7. Характеристики підшипників
| № валу | Визнач. Підшип. | | | | |
| 1,2 | 7305 | 25 | 62 | 18,25 | 29,6 |
| 3 | 7309 | 45 | 100 | 27,25 | 76,1 |
| 4 | 7312 | 60 | 130 | 33,5 | 118 |
1.6.2 Розрахунок підшипників кочення
Для вибраного підшипника кочення 7305 визначимо по каталогу величини динамічною С і статичній вантажопідйомності Со, а також користуючись ескізом вантаження опор валу визначимо довговічність підшипника
Визначимо приведене навантаження на підшипник:
, (1.24)
де
– радіальне навантаження на підшипник;
– коефіцієнти приведення ;
– коефіцієнт кільця ;
– коефіцієнт безпеки ;
– температурний коефіцієнт .
Рисунок 1.5. Схема вантаження опор валу осьовими силами
Опора A:
Опора В:
Розраховуємо довговічність більш навантаженого підшипника:
де
– динамічне еквівалентне навантаження;
– частота обертання кільця;
– необхідна довговічність;
– величина, залежна від форми кривої втоми.
Оскільки фактична довговічність підшипника перевищує раніше розраховане значення 43200 годин, то даний підшипник підходить для роботи на вихідному валу.
Змащувальний матеріал: масло індустріальне 40А [13] (розбризкуванням з ванни редуктора).
1.7 Вибір і розрахунок муфт
Муфти є вузлами, що часто визначають надійність і довговічність всієї машини. На вході редуктора використовуємо сполучну муфту пружню втулково – пальцеву, яка служить для з'єднання вхідного валу редуктора з валом електродвигуна [4]. Муфта типу МУВП.
Рисунок 1.6. Муфта пружна втулково-пальцева
Вибираємо муфту по розрахунковому моменту
Нм, діаметрам кінців валів, які з'єднуються
мм.
Матеріал муфти: сталь 35 [11], пальців сталь 45 [11], втулки – спеціальна гума.
На рисунку 1.6 зображена пружна втулково-пальцева муфта. Її розміри приведені в таблиці 1.8.
Таблиця 1.8. Параметри муфти пружній втулково-пальцевій [14]
| [T], Нм | Параметр, мм | Кількість пальців | Маса, кг | |||||||||
| d | D | D1 | L | l | d1 | dn | lвт | c | В1 | |||
| 125 | 28 | 120 | 84 | 89 | 42 | 50 | 14 | 15 | 5 | 42 | 4 | 4,13 |
Перевірочний розрахунок пальців на вигин:
, (1.25)
де
- розрахунковий момент, Нмм;
- діаметр кільця розташування центрів пальців, мм;
- товщина втулки розпору, мм;
- довжина пружної втулки, мм;
- діаметр пальців, мм;
- кількість пальців;
- напруга, що допускається, при вигині пальців.
Мпа – межа текучості матеріалу пальців;
Мпа.
Мпа.
Перевірочний розрахунок пальців на зминання:
Мпа.
1.8 Змазування передач
У даному редукторі проектується система картера мастила. У корпус редуктора масло заливається так, щоб вінець другої передачі був залитий на 0.5b.
При цьому максимальний об'єм масла, що заливається в редуктор
(1.26)
де B – внутрішня ширина редуктора; B = 270 мм;
L – внутрішня довжина редуктора; L =770 мм;
hmax – максимальна висота масла в корпусі; hmax =53мм.
Мінімальний об'єм масла, що заливається в редуктор:
(1.27)
де hmin – мінімальна висота масла в корпусі;
hmin = 28.
.
Рекомендується, що на 1 кВт передаваній редуктором потужності повинне доводитися приблизно 0,5 л масла.
літрів.
В'язкість масла визначають залежно від контактної напруги і окружної швидкості коліс. Окружна швидкість V=6,782,
м/с . Виходячи з цього в'язкість масла приймаємо рівною 22۰10-6м2/c згідно з [13] вибираємо індустріальне масло І-20А.
Змазування підшипників проводиться в редукторі тим же маслом, яким змащуються і зубчаті передачі. При мастилі картера коліс підшипники кочення змащуються бризками масла.
2. МЕТРОЛОГІЧНА ПІДГОТОВКА ВИРОБНИЦТВА
2.1 Технічний опис складальної одиниці
Проміжний вал поз. 1 складальної одиниці (рис.2.1) призначений для передачі моменту до третього валу редуктора. Передача обертання здійснюється через циліндрову косозубу передачу вал - зубчате колесо (поз.2).
Шестерня (поз.3) виготовляється знімною.
Опори валу — роликопідшипники радіально-упорні № 7305 0-го класу точності навантажені радіальним і осьовим навантаженням.
Збірка валу проводиться в наступній послідовності: на вал надягає конічне зубчате колесо (поз.2), потім дистанційне кільце (поз.4), косозуба шестерня (поз.3), дистанційне кільце (поз.5). Після чого по черзі напресовуються підшипники (поз.6 і 7). Після цього вал встановлюється в редуктор з регулюванням осьової гри за допомогою набору прокладок привертними кришками (поз.8 і 9).
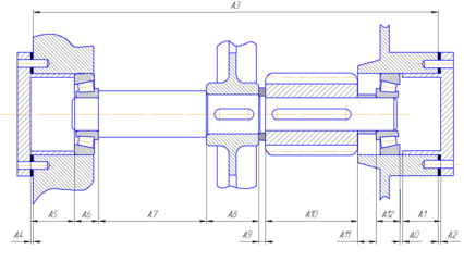
Рисунок 2.1. Складальна одиниця (проміжний вал редуктора)
2.2 Початкові дані
Тип виробництва – одиничний;
Передаванний критильний момент – 0,0722·103 Н۰м;
Частота обертання вала n =576 об/хв;
Параметри шестерні: m n = 3 мм; z = 18 ; β = 10,730; d =54,96 мм; a w = 200 мм. Навантаження, які діють на підшипникові опори: RA = 2446 Н; RB = 1173 Н.
2.3 Технічні вимоги до складальної одиниці
Визначаємо величину бічного зазору і призначаємо вид сполучення для шестерні (поз. 3). Для цього розраховуємо мінімальний необхідний бічний зазор в зубчатому зачепленні [4]:
Jn min ≥ ν + aw (α1۰Δt1 – α2۰Δt2 )·2 sinαw,
де ν – бічний зазор для розміщення шаруючи мастила;
aw – міжосьова відстань швидкохідній ступені.
Δt1, Δt2 – різниця між робочою температурою матеріалу зубчатого колеса і корпусу і стандартною нормальною температурою відповідно (Δt1= 60º-20º = 40ºС; Δt2 = 30º - 20º = 10ºС);
α1, α2 – коефіцієнти теплового лінійного розширення матеріалу зубчатого колеса і корпусу відповідно ( α1 = 12۰10-6 мм / ºС;ν = 0,01 ; mn = 0,01·3 = 0,030 мм = 30 мкм; α2 = 10۰10-6 мм/ºС);
α w – кут профілю початкового профілю зуба (α w = 20º );
Jn min ≥ 0,030 + 200 (12·10─6۰40 −10∙10−6۰10)∙2 sin20˚ = 0,082 мм = 82 мкм.
Призначаємо вид сполучення C, яке забезпечить мінімальний бічний зазор в зачепленні:
Jn min = 115 мкм > 82 мкм.
Граничне відхилення міжосьової відстані:
fa =
мм =
мкм.
В процесі експлуатації зубчата передача повинна працювати плавно, без шуму.
Для нормальної роботи вузла необхідно забезпечити осьову гру – осьове переміщення підшипника з одного крайнього положення в інше. Приймаю осьову гру рівної 0,04.0,07 мм.
2.4 Розмірний аналіз складальної одиниці
Розмірний аналіз складальної одиниці проводитимемо методом регулювання, при якому наказана точність початкового (що замикає) розміру досягається навмисною зміною (регулюванням) величини одного із заздалегідь вибраних составляючих розмірів, званого компенсатором. Для заданої складальної одиниці (рис. 2.2) роль компенсуючих розмірів виконують прокладки.
Рисунок 2.2. Складальний розмірний ланцюг
Для нормальної роботи роликових радіально-упорних підшипників між кришкою і торцем підшипника необхідно забезпечити зазор для компенсації теплового розширення валу. Величину зазору приймаю рівною А0 = 0,04…0,07 мм. На рисунку 2.2 представлена розмірний ланцюг з ланкою А0. Ланки
– збільшуючи,
- уменшаючи.
Сума розмірів ланок є компенсатором. Номінальні розміри ланок ланцюга, їх характеристики, відхилення і допуски приведені в таблиці 2.1.
Таблиця 2.1. До розрахунку розмірного ланцюга методом регулювання
| Ланка | Номіналь-ний розмір, мм | Характер линки | Верхнє відхилення ЕS, мкм | Нижнє відхилення EI, мкм | Допуск Т, мкм |
| 1 | 2 | 3 | 4 | 5 | 6 |
| А1 | 29 | зменшуючє | +52 | 0 | 52 |
| А2 | 2 | компенсатор | розраховується | ||
| А3 | 308 | збільшуючє | 0 | - 130 | 130 |
| А4 | 2 | компенсатор | розраховується | ||
| А5 | 29 | зменшуючє | +52 | 0 | 52 |
| А6 | 18.25 | зменшуючє | 0 | - 200 | 200 |
| А7 | 88.5 | зменшуючє | 0 | - 87 | 87 |
| А8 | 40 | зменшуючє | 0 | - 62 | 62 |
| А9 | 5 | зменшуючє | 0 | - 30 | 30 |
| А10 | 70 | зменшуючє | 0 | - 74 | 74 |
| А11 | 14 | зменшуючє | 0 | - 43 | 43 |
| А12 | 18.25 | зменшуючє | 0 | - 200 | 200 |
| А0 | 0.07 | зменшуючє | 0 | - 30 | 30 |
Визначуваний номінальний розмір компенсатора:
(2.1)
Розподілимо номінальний розмір до: А2=2, А4=2,07мм. На виготовлення всіх розмірів (деталей) розмірного ланцюга призначаю допуски по 9 квалітету. Визначаємо величини допусків на виготовлення всіх деталей і проставимо граничні відхилення в тіло деталей, тобто по ходу обробки сполученних поверхонь. Ланки А6 і А8 є шириною кільця підшипника і допускного відхилення, його по [15] рівні: es = 0 мм; ei = -0,2 мм = - 200 мкм.
Сума допусків складових ланок:
Допуск замикаючої ланки:
Граничні відхилення компенсатора:
;
;
.
Визначимо величину компенсації :
(2.2)
Перевіряю розрахунок:
.
Розраховую граничні розміри компенсатора:
Приймаю
за постійні прокладки.
Кількість змінних прокладок:
Товщина змінних прокладок:
Через велику кількість отриманних прокладок, приймаємо стандартні прокладки 1 прокладки 0,9 мм, і 1 прокладка 0,03 мм.
Таким чином, в комплект входять постійні прокладки товщиною 2,0 мм 1,3 мм, 0,9 мм і 1 змінна прокладка товщиною 0,03 мм.
2.5 Розрахунок розмірів калібрів для гладкого циліндричного з'єднання
У даній курсовій роботі необхідно розрахувати калібр-пробку і калібр-скобу для отвору
і для валу
.
Для розрахунку розмірів калібрів виберемо по [5] наступні дані:
-
зсув поля допуску калібру всередину поля допуску деталі Z (Z1) і (1);
-
допустимий вихід розміру зношеного калібру за межу поля допуску калібра-пробки Y і калібра-скоби Y1;
-
допуск на виготовлення калібра-пробки H і калібру скоби H1;
-
допуск на виготовлення контркалібру для пробки Hp|.
Граничні розміри для отвору
:
Dmax = D + ES = 25 + 0,021 = 25,021 мм;
Dmin = D + EI = 25 + 0 = 25 мм.
По [5] для IT7 і інтервалу розмірів 18…30 мм знаходимо дані для розрахунку калібрів Z = 0,003 мм; Y = 0,003 мм; (= 0 мм; H = 0,004 мм. Формули для розрахунку розмірів калібрів по [5].
Граничні розміри прохідного нового калібра-пробки:
ПРmax = Dmin + Z + H / 2 = 25 + 0,003 + 0,004 / 2 = 25,005 мм;
ПРmin = Dmin + Z – H / 2 = 25 + 0,003 – 0,004 / 2 = 25,001 мм.
Виконавчий розмір калібра-пробки ПР 25,005–0,004.
Найменший розмір зношеного прохідного калібра-пробки:
ПРізн = Dmin – Y = 25 – 0,003 = 24,997 мм.
Коли калібр ПР матиме цей розмір, його потрібно вилучити з експлуатації.
Граничні розміри непрохідного нового калібра-пробки:
НЕmax = Dmax + H / 2 = 25,021 + 0,004 / 2 = 25,023 мм;
НЕmin = Dmax – H / 2 = 25,021 – 0,004 / 2 = 25,019 мм.
Виконавчий розмір калібра-пробки НЕ 25,023–0,004. Граничні розміри для валу
:
dmax = d + es = 25 + 0,041 = 25,041 мм;
dmin = d + ei = 25 + 0,028 = 25,028 мм.
По [5] для IT6 і інтервалу розмірів 18…30 мм знаходимо дані для розрахунку калібрів (1 = 0 мм; Z1 = 0,003 мм; Y1=0,003 мм; Н1=0,004 мм; Нр=0,0015 мм. Формули для розрахунку розмірів калібрів по [5].
Граничні розміри прохідного нового калібра-скоби:
ПРmax = dmax – Z1 + H1 / 2 = 25,041 – 0,003 + 0,004 / 2 = 25,040 мм;
ПРmin = dmax – Z1 – H1 / 2 = 25,041 – 0,003 – 0,004 / 2 = 25,036 мм.
Виконавчий розмір калібра-скоби ПР 25,036+0,004.
Найбільший розмір зношеного прохідного калібра-скоби:
ПРізн = dmax + Y1 = 25,041 + 0,003 = 25,044 мм.
Коли калібр ПР матиме цей розмір, його потрібно вилучити з експлуатації. Граничні розміри непрохідного нового калібра-скоби:
НЕmax = dmin + H1 / 2 = 25,028 + 0,004 / 2 = 25,030 мм;
НЕmin = dmin – H1 / 2 = 25,028 – 0,004 / 2 = 25,026 мм.
Виконавчий розмір калібра-скобы НЕ 25,026+0,004. Граничні розміри прохідного контркалібру:
К–ПРmax = dmax – Z1 + Hp / 2 = 25,041 – 0,003 + 0,0015 / 2 = 25,03875 мм;
К–ПРmin = dmax – Z1 – Hp / 2 = 25,041 – 0,003 – 0,0015 / 2 = 25,03725 мм.
Виконавчий розмір контркалібру К–ПР 25,03725–0,0015. Граничні розміри контркалібру для контролю зносу:
К–Іmax = dmax + Y1 + Hp / 2 = 25,041 + 0,003 + 0,0015 / 2 = 25,04475 мм;
К–І min = dmax + Y1 – Hp / 2 = 25,041 + 0,003 – 0,0015 / 2 = 25,04325 мм.
Виконавчий розмір контркалібру К– ПР 25,03725–0,0015. Граничні розміри непрохідного контркалібру:
К–НЕmax = dmin + Hp / 2 = 25,028 + 0,0015 / 2 = 25,02875 мм;
8>














