125256 (593088), страница 5
Текст из файла (страница 5)
- разработка инструкций по технике безопасности при эксплуатации, монтаже, демонтаже и техническом обслуживании этих машин;
- разработка ППР и типовых технологических карт на каждый вид работы с исследующей привязкой их к местным условиям.
Одной из важных задач, стоящих в связи с этим перед конструкторскими организациями и заводами-изготовителями, является дальнейшее совершенствование существующих и разработка новых видов строительных машин и оборудования, обеспечивающих наибольшую безопасность в работе.
Для обеспечения безопасности работ в действующих электроустановках должны выполняться следующие организационные мероприятия:
- назначение лиц, ответственных за организацию и безопасность производства работ;
- оформление наряда или распоряжения на производство работ;
- осуществление допуска к проведению работ;
- организация надзора за проведением работ;
- оформление окончания работы, перерывов в работе, переводов на другие рабочие места;
- установление рациональных режимов труда и отдых;
- проверка отсутствия напряжения;
- отключение установки (части установки) от источника питания;
При проведении работ со снятием напряжения в действующих электроустановках или вблизи них:
- отключение установки (части установки) от источника питания электроэнергией;
- механическое запирание приводов отключенных коммутационных аппаратов, снятие предохранителей, отсоединение концов питающих линий и другие мероприятия, обеспечивающие невозможность ошибочной подачи напряжения к месту работы;
- установка знаков безопасности и ограждение остающихся под напряжением токоведущих частей, к которым в процессе работы можно прикоснуться или приблизиться на недопустимое расстояние;
- наложение заземлений (включение заземляющих ножей или наложение переносных заземлений;
- ограждение рабочего места и установка предписывающих знаков безопасности.
Чтобы предупредить возможность случайного проникновения и тем более прикосновения к токоведущим частям, находящимся под напряжением, используются защитные сетчатые и смешанные ограждения, а также система предупредительных плакатов.
Временными ограждениями могут быть специальные сплошные или решетчатые деревянные ширмы, щиты, изделия из миканита, резины и других изоляционных материалов в сухом состоянии, хорошо укрепленные или прочно установленные. Применяются следующие предупредительные плакаты для электроустановок:
- предостерегающие, в том числе «Высокое напряжение— опасно для жизни!», «Под напряжением. Опасно для жизни!», «Стой! Высокое напряжение», «Не влезай, убьет!», «Стой! Опасно для жизни»;
- запрещающие: «Не включать — работают люди», «Не открывать — работают люди», «Не включать — работа на линии»;
- разрешающие: «Работать здесь», «Влезать здесь»;
- напоминающие: «Заземлено».
Каждый плакат имеет свою форму, соответствующее изображение. Их рисунки, размер и исполнение, место и условия применения определены Правилами.
При выполнении конкретных работ или работ с повышенной опасностью выписывается наряд-допуск:
- записи в наряде должны быть разборчивыми. Заполнение наряда карандашом и исправление текста запрещаются.
- система нумерации нарядов устанавливается руководством организации.
- при указании дат пишут число, месяц и две последние цифры, обозначающие год, например: 29.09.00, 19.12.01, 30.01.02.
- кроме фамилий работников, указываемых в наряде, записываются их инициалы и группа по электробезопасности.
- в наряде указываются диспетчерские наименования (обозначения) электроустановок, присоединений, оборудования.
- в случае недостатка строк в таблицах основного бланка наряда разрешается прикладывать к нему дополнительный бланк под тем же номером с указанием фамилии и инициалов выдающего наряд для продолжения записей. При этом в последних строках соответствующей таблицы основного бланка следует записать: «См. дополнительный бланк».
5.2 Расчет защитного заземления
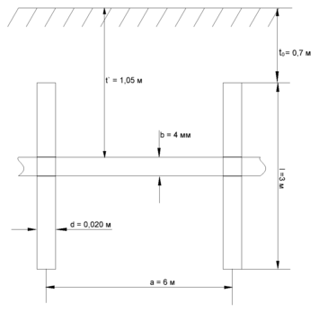
Производим расчёт защитного заземления питающей подстанции 10/0,4 кВ кузнечнопрессового цеха.
Исходные данные:
Стальной пруток d = 20 мм, l = 3 м; заземлитель горизонтальный – плоса 40x4 мм; глубина заложения горизонтального заземлителя – 0,7 м; климатическая зона – III; грунт – суглинок.
По таблице 63 [1] определяем удельное сопротивление грунта ρ = 100 Ом*м
Нормируемое сопротивление заземляющего устройства Rзн = 4 Ом [1, таблица 62]
Согласно ПУЭ допустимое сопротивление ЗУ с учётом удельного сопротивления грунта:
где ρгр – удельное сопротивление грунта, Ом*м;
Rзн – сопротивление заземляющего устройства, Ом;
Обычно отношение расстояния между вертикальными стержнями а к их длине l принимают равными: а/l = 1; 2; 3. Принимаем а = 2 ∙l = 2∙3 = 6 м.
Определяем расстояние от середины стержня до поверхности грунта [1,стр. 150]:
t` = t0 + 0,5∙l (5.2)
где t0 - глубина заложения горизонтального заземлителя, м;
l – длина прутика, м;
t` = 0,7 + 0,5∙3 = 1,05 м (5.2)
Значение коэффициента сезонности для вертикальных заземлителей для III климатической зоны кс =1,5 [1,таблица 64]
Определяем расчётное удельное сопротивление грунта для стержневых заземлителей:
ρрасч.в = кс∙ ρгр , (5.3)
ρрасч.в = 1,5∙100 =150 Ом∙м (5.3)
Определяем сопротивление растеканию вертикальных заземлителей [1,стр145]:
где d – диаметр заземлителя, м;
ρрасч.в – расчётное удельное сопротивление грунта для стержневых заземлителей
l – длина прутка, м.
t` – расстояние от середины стержня до поверхности грунта, м;
Определяем количество вертикальных заземлителей [1,стр. 145]:
где ηв – коэффициент использования вертикальных заземлителей, зависящий от количества заземлителей и расстояния между ними [1, таблица 65, 66]
Количество вертикальных заземлителей для определения ηв можно принять равными Rв/ Rз = 45,2/4 = 11,3; ηв = 0,75
Применяем к установке 15 шт.
Определяем длину горизонтального заземлителя (полосы):
lг = 1,05∙nв∙a = 1,05∙15∙6 = 94,5 м (5.6)
Значение коэффициента сезонности для горизонтальных заземлителей для III климатической зоны кс = 2 [1,таблица 64]
Определяем расчетное удельное сопротивление для горизонтальных заземлителей:
ρрасч.г = кс∙ ρгр = 2∙100 = 200 Ом∙м (5.7)
Определяем сопротивление растеканию горизонтальных заземлителей [1, стр 145]:
где lг – длина горизонтального заземлителя, м;
ρрасч.г – расчетное удельное сопротивление горизонтальных заземлителей, Ом∙м;
t` – расстояние от середины стержня до поверхности грунта, м;
Определяем действительное сопротивление растеканию горизонтального заземлителя с учётом коэффициента использования:
где ηг – коэффициент использования горизонтального электрода при размещении вертикальных электродов по контуру ηг = 0,4 [1, таблица 68]
Определяем сопротивление растеканию вертикальных заземлителей с учётом сопротивления горизонтального заземлителя:
Определяем уточнённое количество вертикальных заземлителей:
где ηв – коэффициент использования вертикальных заземлителей, зависящий от количества заземлителей и расстояния между ними [1, таблица 65, 66]
Применяем к установке 10 шт.
Определяем сопротивление растеканию тока всего устройства защитного заземления:
где R`г – действительное сопротивление растеканию горизонтальных заземлителей с учётом коэффициента использования, Ом;
R`в – сопротивление растеканию вертикальных заземлителей с учётом сопротивления горизонтального заземлителя, Ом;
nву – количество вертикальных заземлителей.
Вывод: так как Rт ≤ Rзн, следовательно, расчет выполнен верно.
Чертим схему расположения заземлителей в земле (рисунок 1).
Рисунок 1 – Схема расположения заземлителей в земле в условиях кузнечнопрессового цеха завода «ОАО Азовмаш»
5.3 Разработка схемы и сети пожарной сигнализации и
автоматизации
Ряд газов, выделяющихся на начальной стадии горения (тления), определяются составом именно тех материалов, которые участвуют в этом процессе. Однако в большинстве случаев можно уверенно выделить и основные характерные газовые компоненты. Подобные исследования проводились в Институте пожарной безопасности (г. Балашиха Московской обл.) с использованием стандартной камеры объемом 60 м3 для имитации пожара. Состав выделяющихся при горении газов определялся при помощи хроматографии.
Эксперименты показали, что порог обнаружения системы раннего предупреждения пожара в атмосферном воздухе при нормальных условиях должен находиться для большинства газов, в том числе водорода и оксида углерода, на уровне 0,002%. Желательно, чтобы быстродействие системы было не хуже 10 с. Такой вывод можно рассматривать как основополагающий для разработок целого ряда предупреждающих пожарных газовых сигнализаторов.
Существующие средства газоанализа экологической направленности (в том числе на электрохимических, термокаталитических и других сенсорах) слишком дороги для такого использования. Внедрение в производство пожарных извещателей на основе полупроводниковых химических сенсоров, изготавливаемых по групповой технологии, позволит резко снизить стоимость газовых сенсоров.
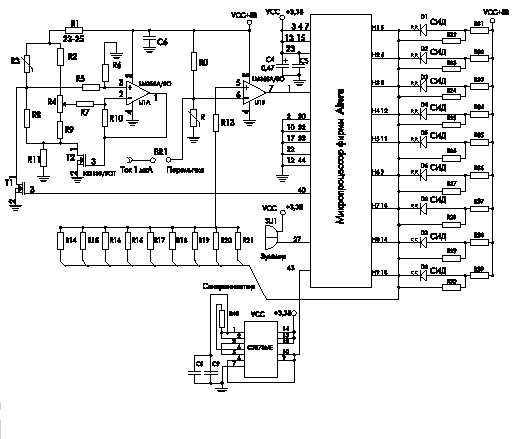
На примере рассмотрим индикатор оксида углерода и водорода СО-12.
Отмеченный на международных выставках способ раннего обнаружения пожара обеспечивает одновременный контроль относительных концентраций в воздухе двух или более газов, таких как ароматические углеводороды, водород, оксид и диоксид углерода. Полученные значения сравниваются с заданными, и в случае их совпадения формируется сигнал тревоги. Контроль и сравнение относительных концентраций газовых компонент проводятся с заданной периодичностью. Возможность ложных срабатываний измерительного устройства при повышении концентрации одного из газов исключена, если нет возгорания. В качестве измерительного устройства предложен индикатор СО-12, предназначенный для обнаружения в воздушной атмосфере газообразного оксида углерода и водорода в диапазоне их концентраций от 0,001 до 0,01%. Прибор представляет собой девятиуровневый пропорциональный индикатор в виде линейки светодиодов трех цветов - зеленого (диапазон малых концентраций), желтого (средний уровень) и красного (высокий уровень). Каждому диапазону соответствуют три светодиода. При загорании красных светодиодов включается звуковой сигнал, предостерегающий людей об опасности отравления. Принцип работы индикатора основан на регистрации изменения сопротивления (R) полупроводникового газочувствительного сенсора, температура которого стабилизируется на уровне 120 °С в процессе измерений. При этом нагревательный элемент включен в обратную связь операционного усилителя и терморегулятора и периодически, каждые 6 с, отжигается в течение 0,5 с при температуре 450°С. Далее следует изотермическая релаксация сопротивления R при взаимодействии с угарным газом. Процессом измерения и выводом на индикатор данных управляет программируемое устройство. Принципиальная электрическая схема устройства показана на рисунке 1.
Индикатор можно эффективно использовать в качестве пожарного сигнального устройства как в жилых помещениях, так и на промышленных объектах. Дачные домики, коттеджи, бани, сауны, гаражи и котельные, предприятия с производством, основанном на использовании открытого огня и термообработки, предприятия горнодобывающей, металлургической и нефтегазоперерабатывающей промышленности и, наконец, автомобильный транспорт - вот далеко не полный список объектов, где индикатор СО-12 может быть полезен.
Подобные пожарные извещатели раннего обнаружения, объединенные в единую сеть и контролирующие газовыделение при тлении материалов перед их возгоранием, при размещении на промышленных объектах позволяют предупредить аварийные ситуации не только на наземных объектах пожарной охраны, но и в подземных сооружениях, угольных разрезах, где в результате перегрева оборудования, транспортирующего уголь, может произойти возгорание угольной пыли. Каждый датчик, имеющий световой и звуковой сигналы оповещения, способен не только информировать о степени загазованности территории, но и предупредить об опасности персонал, находящийся в непосредственной близости к экстремальному месту. Стационарные пожарные датчики, установленные в жилых помещениях, могут предотвратить взрыв бытового газа, отравление угарным газом и возникновение пожара из-за неисправности бытовой техники или грубого нарушения условий ее эксплуатации путем автоматического отключения от сети.
















