124674 (593002), страница 4
Текст из файла (страница 4)
- выключение напряжения питания подогревателя диф-
фузионного насоса;
- закрытие шиберной заслонки 3;
- закрытие вакуумного крана 6;
-
выключение форвакуумного насоса 10 с одновременным
открытием клапана 9.
Рисунок 6. Устройства вакуумной камеры
2.1.3. Устройство вакуумной камеры.
Герметизация вакуумной камеры осуществляется прижатием кварцевого колпака 1 к основанию 4 через прокладку из вакуумной резины 3. Внутри камеры расположены на кронштейнах резистивный нагреватель 8 подложки 7 (кронштейны на рисунке не показаны). Температура подложки контролируется термопарой 2, размещенной с тыльной стороны подложки 7. Заслонка 6 предназначена для предотвращения попадания вещества с испарителей 5 в начальный момент нагрева последних, а в дальнейшем при распылении отводится в сторону при помощи электромагнита, подносимого с внешней стороны колпака. Заслонка 6 свободно вращается на оси, закрепленной к основанию камеры 4.
-
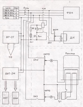
Структура электрической схемы базовой установки
Установка для нанесения тонких пленок термическим испарением в вакууме подключается к трехфазной сети переменного тока. Условно электрическая схема может быть разделена на три блока по функциональному назначению (рис. 7). Первый блок предназначен для электрообеспечения средств создания вакуума и обеспечивает включение электродвигателя форвакуумного насоса, а также подачу напряжения на электрический воздушный тэн, предназначенный для подогрева масла диффузионного насоса вакуумной установки. С целью обеспечения управления температурой подогрева тэн включен через лабораторный автотрансформатор. Температура масла в диффузионном насосе не измеряется, опосредованный ее контроль обеспечивается возможностью непосредственного контроля напряжения на нагревателе стрелочным вольтметром, расположенным на стойке управления.
Вторая часть электрической схемы установки предназначается для обеспечения процесса нанесения тонких пленок. Силовая часть обеспечивает подачу тока на испарители-лодочки, из которых и происходит распыление металлов. Она состоит из лабораторного автотрансформатора мощностью
2 кВт, в нагрузку к которому подключена первичная обмотка силового трансформатора, питающего от вторичной сильноточной обмотки испарители. При этом испарители при помощи переключателя подключаются ко вторичной обмотке силового трансформатора поочередно. Контроль тока через испарители осуществляется по первичной обмотке силового трансформатора. Для обеспечения подогрева подложки выполнена отдельная электрическая цепь, состоящая из ЛАТРа, амперметра и, собственно, электрической нагревательной спирали из нихрома, расположенной внутри камеры (рис. 6) в непосредственной близости от подложки.
Третий функциональный блок состоит из вольтметра постоянного тока В7-27, предназначенного для измерения температуры подложки и прибора ВИТ-2П, работающего с преобразователями ПМТ и ПМИ (рис. 7), предназначенных для измерения уровня вакуума в системе.
Р
исунок 7. Электрическая схема базовой установки
-
Модернизация электрической схемы установки вакуумного
напыления
В параграфе 2.1.4 описана электрическая схема базовой установки. Как следует из рис. 7, ее исполнение не позволяет выполнять одновременное испарение металлов из двух лодочек, кроме того управление по первичной обмотке трансформатора при разогреве лодочек приводит к значительным потерям электрической мощности и не позволяет осуществлять достаточно точную регулировку тока через испарители. Базовая электрическая схема не предусматривала возможность поддержания постоянной температуры подложки. В настоящей работе мы выполним модернизацию блока управления температурой подложки и испарителей с целью обеспечения более высокой точности управления токами через испарители и нагреватель подложки, а также осуществление режима поддержания постоянства температуры подложки.
Р
ис. 8 Виды испарителей: проволочные (1—10), ленточные (//—14) тигли (15—19) и электронно-лучевой (20)
2.2.1. Расчет силового трансформатора
Для конструктивного расчета силового трансформатора устанавливаем следующие исходные данные:
- напряжение питающей сети -
U1 = 200 В;
- действующее напряжение вторичных обмоток U2 = U3 = 40 В, U4 = 20 В;
- действующие токи вторичных обмоток I2 = I3 = 50 A; I4 = 5 A.
-
Определяем сумму мощностей всех вторичных обмоток при полной нагрузке
PII = P2 + P3 + P4 = I2U2 + I3U3 + I4U4 = 2 х 40 х 50 + 5 х 20 = 4100 Вт.
Мощность трансформатора определяется формулой Pтр = PII/
=
= 4100/0,9
4600 Вт. Принимаем величину индукции В = 11
103 гс, плотность тока
= 2,8 А/мм2.
2. Определяем необходимую активную площадь сечения сердечника Sc по формуле:
| Sc = 700 | 2.1 |
где a = 5,0, f = 50 Гц - частота питающей сети:
Sc = 700
= 85,6 см2
Поперечное сечение сердечника с учетом коэффициента заполнения
k3 = 0,92, Sс
= Sc/k3 = 93 см2.
-
Определяем число витков обмоток
2.2
2.3
С учетом 10% поправки
;
.
-
Определяем диаметры проводов обмоток
d2 = d3 = 1,13
= 4,8 мм; d4 = 3,1 мм. 2.4
-
Ток в первичной обмотке определяем по формуле
-
I1 = 1,1
= 1,1
. 2.5
-
Определяем число витков в первичной обмотке
2.6
при диаметре провода d1 = 3,25 мм.
-
Разработка трехканального устройства регулирования тока
Для обеспечения независимого управления нагревом лодочек-испарителей, а также температурой подложки, на которую осуществляется нанесение тонкой металлической пленки, разработано трехканальное устройство управления током. Устройство предназначается для регулирования температуры мощных низковольтных нагревательных элементов. Оно состоит из трех независимых блоков, подключенных к отдельным понижающим обмоткам силового трансформатора и позволяет осуществлять регулировку тока в каждой из нагрузочных цепей независимо друг от друга. Принципиальная электрическая схема трехканального устройства управления токами нагрузки, чертежи печатной платы и монтажной платы приведены на рис. 9.
Сетевое напряжение (220 В) понижается силовым трансформатором до расчетных значений напряжений U2, U3, U4 (см.п.2.2.1) и подается на схемы регулирования тока 1,2 и 3, состоящие из мощных силовых симисторов и интегральных драйверов. Интегральный драйвер выполнен на основе интегральной микросхемы КР1182ПМ1, предназначенной для регулирования тока через активную нагрузку мощностью до 150 Вт, либо для управления внешними тиристорами, либо симисторами. На выводах 14 и 15, а также 10 и 11 микросхемы формируются импульсы с частотой питающей электросети, скважность импульсов зависит от сопротивления переменного резистора, которым и осуществляется регулирование тока через активную нагрузку (лодочку-испаритель). Каналы 1 и 2, управляющие мощными симисторами ТС-161-160-2, обеспечивают регулировку тока через испарители. Канал 3 предназначается для управления током через нихромовую спираль, служащую для подогревания подложки, в нем использован симиcтор средней мощности ТС122-25-2, рассчитанных на токи до 10 А. Оптимальная технология изготовления печатной платы трехканального устройства регулирования тока приведены в табл.2
Рис. 9 Принципиальная схема управления тока спиралей
Примечание: Блоки А1; А2; А3 эдентичны, за исключением блока А3 где установлен семистор ТС122-25-2
-
Обеспечение поддержания постоянной температуры подложки
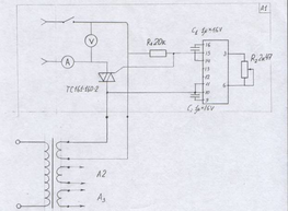
Поскольку при напылении тонких пленок не требуется сверхпрецизионной точности поддержания температуры (параграф 1.1), то в качестве регулирующего температуру подложки устройства был выбран прибор Ш4541- позволяющий одновременно производить измерение и регулирование температуры в пределах 0-1100 0С при использовании хромель-алюмелевой термопары. Измерительный механизм прибора Ш4541 - магнитоэлектрической системы, с подвижной частью на кернах. Двухпозиционный регулирующий сигнал обеспечивается посредством индуктивного датчика положения стрелки, представляющего собой жестко закрепленный на стрелке экран, взаимодействующий с контурными катушками генератора. При температуре ниже заданной, когда указатель стрелки находится левее указателя задачи регулирующего устройства, экран, закрепленный на стрелке, находится вне зазора контурных катушек и генератор вырабатывает высокочастотные колебания. Транзистор VT2 (рис. 10) при этом открыт и на контактах колодки 5,6 возникает выходной сигнал - напряжение постоянного тока порядка 12V при токе до
100 mА. При достижении температуры подложки заданного значения, когда указатель стрелки совпадает с указателем задачи регулирующего устройства, экран входит в зазор и генерация срывается, что приводит к запиранию транзистора VT2 и к исчезновению выходного сигнала. Схема включения регулирующего устройства приведена на рис. 11.
Рис 10. Схема электрическая принципиальная Ш4541
ВК - термоэлектрический преобразователь;
Х - разъем РП10-11
ХТ - колодка.
R - медный резистор
Рис. 11. Схема включения регулирующего устройства
2.2.4. Структура модернизированной электрической схемы
Структура модернизированной электрической схемы установки представлена на рис. 12. Без изменений остался только функциональный блок, предназначенный для управления вакуумной системой. Охарактеризуем отличительные особенности модернизированной электрической схемы. Прежде всего функциональные блоки измерения и управления температурой фактически стали одним устройством за счет использования вместо измерительного милливольтметра В7-27 прибора Щ4541, являющегося одновременно и измерительным милливольтметром постоянного тока, и регулирующим устройством температуры, обеспечивающим вместе с блоком 3 трехканального устройства регулировки тока постоянство температуры подложки в процессе напыления пленок. Из рис. 11 видно, что, в отличие от базовой схемы, модернизированная позволяет осуществлять нагрев лодочек-испарителей как по отдельности, путем поочередного замыкания цепи электропитания блоков регулировки тока 2 и 1 выключателями SA2, SA4, либо SA2, SA3, так и реализовывать процесс одновременного напыления из двух лодочек (при этом цепи з
амыкаются одновременным включением SA2, SA3, SA4.
Рисунок 12. Структурная схема усовершенствованной электрической схемы установки
= 1,1
. 2.5 














