124182 (592897), страница 6
Текст из файла (страница 6)
- коэффициент, характеризующий профиль ручья (коэффициент давления).
Для клинового ручья коэффициент давления может быть определен по формуле
Допустимое значение
определяем по графику на рис. 3.14 [11]:
,
7,47 МПа ≤ 65 МПа
Вывод: расчетное напряжение смятия не превышает допустимого, следовательно, шкив подобран правильно.
3.5 Расчет тяговой способности канатоведущего шкива
Тяговое усилие канатоведущего шкива определяется силой трения канатов о шкив. Если кабину лифта начать постепенно перегружать, то при определенном значении массы груза сила трения окажется недостаточной, и канаты начнут скользить по шкиву. Причем начало скольжения канатов происходит при совершенно определенном соотношении между усилиями в левой и правой ветвях каната.
Во избежание полного проскальзывания каната относительно шкива необходимо выполнить условие формулы Эйлера
, (3.18)
где
– коэффициент трения между канатом и ручьем шкива,
[11];
– угол обхвата шкива, рад,
Величина
называется тяговым коэффициентом или тяговым фактором, и чем она больше, тем большее тяговое усилие может создавать канатоведущий шкив.
Как следует из формулы (3.18), величина тягового фактора шкива зависит от величины коэффициента трения каната о шкив и угла обхвата шкива канатом
.
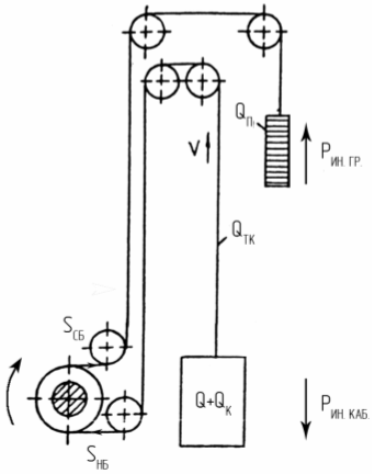
При проектировании лифтов с канатоведущими шкивами необходимо проводить проверку тяговой способности шкива. Для расчета выбирается такой режим работы, когда усилие в более загруженной ветви достигает максимума, а в менее загруженной ветви - минимума. Обычно это соответствует периоду пуска полностью груженной кабины с первого этажа (рис. 3.8).
Рис 3.8. Кинематическая схема лифта
В этом случае усилие в точке набегания канатов на шкив
,
где Q, Qк, Qтк - масса груза, кабины и тяговых канатов, кг;
– ускорение пуска. В соответствии с ПУБЭЛ [4] максимальное ускорение пуска для лифтов, в которых допускается транспортировка людей,
g – ускорение свободного падения,
– коэффициент трения башмаков (для металлических башмаков принимается равным 0,12);
,
– ширина и глубина кабины соответственно, м;
– расстояние между башмаками по вертикали, м.
Усилие в точке сбегания (см. рис. 3.8)
,
где
– сила инерции противовеса в период пуска, направленная в сторону, противоположную направлению движения противовеса, кг.
В соответствие с выводами, полученными в [11]
Подставив полученное значение в формулу Эйлера получим
1,5<3
Условие 3.18 выполняется.
Вывод: тяговая способность канатоведущего шкива достаточна для работы лифта.
3.6 Расчет электродвигателя
Потребная мощность двигателя лебедки для обычных лифтов выбирается по условию движения полностью груженой кабины с первого этажа без учета инерционных нагрузок:
(3.19)
где
– КПД передачи (для червячной передачи η = 0,6…0,8; КПД возрастает с увеличением числа заходов червяка);
– КПД шкива или барабана (ηшк = 0,94…0,98; меньшие значения относятся к шкивам на подшипниках скольжения, большие – к шкивам на подшипниках качения).
В лифтах с противовесом окружное усилие
Сопротивление на отклоняющих блоках можно с достаточной точностью определить по формуле
, (3.20)
где Sбл - усилие в канате при набегании на отклоняющий блок, Н;
- угол обхвата блока канатами;
- коэффициент сопротивления (для блоков на подшипниках качения ω = 0,02; на подшипниках скольжения ω = 0,04).
Сопротивление на верхнем блоке
Сопротивление на нижнем блоке
Выбираем двигатель АС-2-72-6/18ШЛ со следующими параметрами:
N=3,35/1,18 кВт;
n=950/275 мин-1
3.7 Расчет редуктора
В редукторах лифтовых лебедках преимущественное распространение получили червячные передачи (рис. 3.9) в силу ряда очевидных преимуществ: возможность получения больших передаточных чисел в одной паре, а также плавность и бесшумность работы [3].
Недостатком червячной передачи является сравнительно низкий КПД, повышенный износ в связи с большими скоростями скольжения в зацеплении, склонность к задирам и заеданию контактирующих поверхностей.
Рис. 3.9. Схема червячной передачи лифтового редуктора:
а) червячная передача; б) червяк цилиндрический; в) червяк глобоидный
В нашей стране отдается предпочтение глобоидным передачам. Глобоидные червячные передачи обладают повышенной нагрузочной способностью, так как в зацеплении с зубом червяка одновременно находится несколько зубьев, и линии контакта зубьев с червяком располагаются практически перпендикулярно вектору скорости скольжения, что способствует образованию непрерывной масляной пленки на трущихся поверхностях. Благоприятные условия смазки способствуют устранению заедания в червячном зацеплении.
Увеличение площади контактной поверхности позволяет использовать более дешевые сорта бронзы и дает некоторую экономию цветных металлов. Именно это обстоятельство предопределило предпочтительное применение глобоидных передач в лифтовых лебедках отечественного производства в послевоенный период. Наряду с очевидными достоинствами, глобоидные передачи имеют весьма существенные недостатки.
Значительно сложнее технология изготовления глобоидных передач. Практическое отсутствие оборудования для шлифовки глобоидного червяка исключило возможность его термической обработки, что в свою очередь, привело к снижению усталостной прочности, уменьшению КПД и повышенному износу зубьев колеса в связи с наличием существенных микронеровностей на поверхности червяка. Отсутствие аналитической теории и использование экспериментальных зависимостей существенно усложняет процесс проектирования.
Глобоидные передачи весьма критичны к точности сборки и регулировке осевого положения червяка и колеса. Снижение точности сборки и регулировки глобоидной передачи влечет за собой резкое снижение КПД и может вызвать заклинивание червячного зацепления.
К недостатку глобоидной передачи следует отнести и наличие небольших кинематических колебаний окружной скорости червячного колеса, которые могут служить одной из причин вибрации кабины.
В лифтовых лебедках применяют три способа расположения червяка редуктора: нижнее горизонтальное, верхнее горизонтальное и вертикальное.
Лебедки с верхним расположением цилиндрического червяка успешно применяются в лифтах зарубежного и отечественного производства.
Недостатком такого редуктора является ухудшение условий смазки зацепления после длительного простоя лифта. Остаточная масляная пленка не гарантирует жидкостное трение в момент пуска двигателя. Для компенсации этого недостатка и повышения несущей способности масляной пленки целесообразно увеличивать скорость скольжения контактирующих поверхностей червячного зацепления за счет применения двигателя с повышенной частотой вращения ротора.
С другой стороны в лебедках с верхним расположением червяка полностью устраняется утечка масла.
При выборе редуктора с глобоидным червяком должно обеспечиваться следующее условие:
Uр ≥ Uо;
где Uр,Uо – табличное и расчетное значение передаточного числа редуктора;
Передаточное число редуктора определяется с учетом кинематической схемы лифта по следующей формуле
, (3.21)
где D – расчетная величина диаметра КВШ, м;
nн – номинальное значение частоты вращения вала двигателя, об/мин;
V – расчетное значение величины скорости кабины, м/с.
Выбираем редуктор РГЛ-180 с передаточным числом U=35.
После выбора редуктора лебедки производится уточнение диаметра барабана (КВШ) по кинематическому условию, гарантирующему обеспечение номинальной скорости движения кабины с погрешностью не превышающей 15%.
, м, (3.22)
где Vр – рабочая скорость кабины, равная номинальной или отличающейся на 15 %, м/с;
Uр – табличное значение передаточного числа редуктора лебедки;
– номинальное значение частоты вращения вала двигателя, об/мин.
Оставляем диаметр шкива D=0,72 м, т.к. полученное значение с учетом погрешности в пределах нормы.
3.8 Расчет тормоза лебедки
Тормоз предназначен для замедления движения машины или механизма, полной остановки и надежной фиксации неподвижного состояния.
Тормоза лифтовых лебедок должны удовлетворять следующим требованиям:
– высокая надежность и безопасность работы;
– наличие механизма ручного выключения тормоза с самовозвратом в исходное состояние;
– высокое быстродействие;
–низкая виброактивность и уровень шума;
– технологичность изготовления и малая трудоемкость технического обслуживания;
– обеспечение необходимой точности остановки кабины в лифтах с нерегулируемым приводом.
В лифтовых лебедках используются колодочные тормоза нормально-замкнутого типа с электромагнитной растормаживающей системой. Тормоз замкнутого типа характеризуется тем, что затормаживает систему при выключенном приводе и растормаживает ее при включении привода.
Правила ПУБЭЛ исключают возможность применения ленточных тормозов в связи с их недостаточной надежностью.
Роль тормоза лифтовой лебедки зависит от типа привода. В лебедках с нерегулируемым приводом тормоз используется для обеспечения необходимой точности остановки и надежного удержания кабины на уровне этажной площадки, тогда как в лебедках с регулируемым приводом - только для фиксации неподвижного состояния кабины.
Для наиболее распространенных конструкций колодочных тормозов лифтовых лебедок характерно наличие независимых тормозных пружин каждой колодки, а в некоторых случаях, и независимых растормаживающих электромагнитов.
Тормозные накладки закрепляются на колодках посредством винтов, заклепок или приклеиванием термостойким клеем и обеспечивают угол обхвата шкива от 70° до 90°.
Материал накладок должен обеспечивать высокое и стабильное значение коэффициента трения в широком диапазоне температур, хорошую теплопроводность для исключения местного перегрева поверхности трения и высокую износостойкость.
Кинематические схемы колодочных тормозов весьма разнообразны. Они отличаются способом создания тормозного усилия и особенностями конструкции механизма растормаживания.
Лебедки с верхним горизонтальным расположением червяка оборудуются колодочными тормозами, изготовленными по схеме на рис. 3.10.
Тормозное усилие в этих тормозах создается цилиндрическими пружинами, тогда как выключение тормоза осуществляется электромагнитами постоянного или переменного тока, получающими электропитание в момент включения двигателя лебедки.
Рис. 3.10. Схема колодочного тормоза лифтовой лебедки с короткоходовым электромагнитом
Тормозные электромагниты различаются величиной хода подвижного сердечника (якоря) и подразделяются на короткоходовые и длинноходовые. В конструкциях колодочных тормозов зарубежного и отечественного производства чаще применяются короткоходовые электромагниты постоянного тока, так как они меньше шумят и имеют лучшие тяговые характеристики (рис. 3.11).
Недостатком электромагнитов постоянного тока является их электромагнитная инерция, связанная с большой индуктивностью катушки. Поэтому возникает возможность запуска двигателя под тормозом. Для исключения такой возможности необходимо обеспечить опережающее включение питания магнита.
Для расчета необходимого тормозного момента рассмотрим два режима: испытательный статический режим с перегрузкой и нормальный эксплуатационный режим.
Рис. 3.11. Тормоз с вертикальным расположением электромагнита постоянного тока
1 – шпилька; 2 – фасонная шайба; 3 – втулка опорная; 4 – рычаг; 5 – вилка;
6 – подставка; 7 – якорь; 8 – катушка магнита; 9 – шток; 10 – корпус магнита;
11 – пружина; 12 – двуплечий рычаг; 13 – винт регулировочный; 14 – рычаг;
15 – фиксатор колодки; 16 – колодка
Расчетный тормозной момент определяется по формуле
где
– коэффициент запаса торможения;
Wок – окружное усилие на шкиве при удержании испытательного груза, кг;
D – диаметр шкива, м;
i – передаточное отношение редуктора;
- КПД лебедки.
По табл. 3.5 [11] определяем
=1,4.
Окружное усилие на шкиве при статическом испытании
где
– коэффициент уравновешивания груза;
Rп – коэффициент перегрузки (по ПУБЭЛ Rп =1,5 для грузового малого лифта, барабанных лебедок и лебедок со звездочкой, в которых не допускается транспортировка людей, Rп=2,0 у всех остальных).
По величине тормозного момента
выбираем колодочный тормоз ТКП-200 со следующими параметрами:
– расчетный тормозной момент 122 Н·м;
– диаметр тормозного шкива 200 мм;
– потребная мощность 160 Вт;
– ток 220/380 В 50 Гц;
– тип привода МП 201;
– масса, не более 35 кг.
Расчет работоспособности колодочного тормоза рассмотрим на примере конструкции, приведенной на рис. 3.11. (необходимые размеры и обозначения указаны на схеме).
Исходные данные:
Мт – расчетный тормозной момент, Мт=114 Н·м;
μ – коэффициент трения между колодкой и шкивом, μ=0,5;
l1=0,125, l2=0,228, l3=0,291, l4=0,035, l5=0,070 – величины соответствующих плеч приложения усилий, м;
Dт – диаметр тормозного шкива, Dт = 0,2 мм.
Величина нормальной реакции тормозного шкива на давление колодки
(3.23)
Усилия сжатия тормозной пружины при включенном тормозе найдем из уравнения равновесия рычага 14 относительно центра шарнира О
(3.24)
Давление рычага 12 на регулировочный винт 13 определяем из условия равновесия рычага относительно точки О
(3.25)
Тяговое усилие электромагнита при выключенном тормозе определим из условия равновесия рычага 12 относительно точки О1
(3.26)
Ход якоря (подвижного сердечника) электромагнита рассчитываем по заданному значению радиального зазора между колодкой и шкивом ε
(3.27)
Контактное давление между колодкой и тормозным шкивом
, (3.28)
где В – ширина накладки тормозной колодки, м;
β – угол дуги охвата шкива колодкой, рад;
[р] – допускаемая величина контактного давления, зависящая от материала накладки, Н/м2.
Условие выполняется, тормоз подобран правильно.
В нормальном рабочем режиме тормоз должен обеспечивать необходимую точность остановки кабины при заданных величинах замедления. Однако тормозной путь кабины с грузом и без него будет различным. Например, при спуске тормозной путь пустой кабины будет меньше, чем тормозной путь груженой кабины, при подъеме - наоборот.
Точностью остановки кабины называется полуразность тормозных путей груженой и пустой кабины, т.е.
, (3.29)
где
– для спуска;
– для подъема.
Величина
для спуска и подъема различна, поэтому для расчета точности остановки следует брать большую величину. Тормозной путь можно рассчитать, пользуясь зависимостью между работами тормозящих, статических и инерционных сил. Если привести все эти силы к окружности шкива, то можно написать уравнение:
, (3.30)
где mп - приведенная к кабине масса всех поступательно и вращательно движущихся частей лифта;
- скорость кабины;
W0 - статическое окружное усилие на шкиве в рабочем режиме;
Wт- тормозное усилие тормоза, приведенное к окружности шкива;
S - тормозной путь кабины.
Рис. 3.12. Схемы загрузки и направление движения кабины
Знак перед статическим окружным усилием зависит от направления движения и загрузки кабины. При торможении груженой кабины на спуске (рис. 3.12, а) направление сил инерции и окружного усилия совпадает (окружное усилие направлено в сторону ее загруженной ветви). При подъеме пустой кабины (спуск более тяжелого противовеса) направление сил инерции и окружного усилия также совпадает (рис. 3.12, б). Поэтому в формуле (3.30) следует поставить знак плюс. При спуске пустой кабины (рис. 3.12, в) и при подъеме груженой кабины (рис. 3.12, г) направление окружного усилия и сил инерции не совпадает и в этом случае следует принимать знак минус.
Приведенная к кабине масса всех поступательно и вращательно движущихся частей лифта может быть определена по формуле (при движении пустой кабины Q = 0)
,
где GDл2- маховой момент вращающихся элементов лебедки, приведенной к валу двигателя, H·м2;
i - передаточное отношение лебедки;
D - диаметр шкива.
Маховой момент вращающихся элементов лебедки, приведенный к валу двигателя, можно определить по формуле
,
где Rн = 1,1...1,2 - коэффициент, учитывающий маховые моменты вращающихся деталей редуктора и шкива;
GDя2 - маховой момент якоря двигателя;
GDT2 - маховой момент тормозной муфты:
Тормозное усилие тормоза, приведенное к окружности канатоведущего шкива, определяется по формуле
,
где МТ - тормозной момент на валу двигателя.
Из уравнения (3.30) можно определить величину тормозного пути для всех четырех случаев торможения:
Найденные значения тормозного пути подставляем в формулу (3.29) и определяем точность остановки кабины.
Полученное значение точности остановки кабины не превышает норм ПУБЭЛ (±50 мм). Тормоз подобран правильно.
3.9 Электрическая часть
3.9.1 Расчет электродвигателя
Потребная мощность двигателя лебедки для обычных лифтов выбирается по условию движения полностью груженой кабины с первого этажа без учета инерционных нагрузок:
(3.31)
где
– КПД передачи (для червячной передачи η = 0,6…0,8; КПД возрастает с увеличением числа заходов червяка);
– КПД шкива или барабана (ηшк = 0,94…0,98; меньшие значения относятся к шкивам на подшипниках скольжения, большие – к шкивам на подшипниках качения).
В лифтах с противовесом окружное усилие
Сопротивление на отклоняющих блоках можно с достаточной точностью определить по формуле
, (3.32)
где Sбл - усилие в канате при набегании на отклоняющий блок, Н;
- угол обхвата блока канатами;
- коэффициент сопротивления (для блоков на подшипниках качения ω = 0,02; на подшипниках скольжения ω = 0,04).
Сопротивление на верхнем блоке
Сопротивление на нижнем блоке
Выбираем двигатель АС-2-72-6/18ШЛ со следующими параметрами:
N=3,35/1,18 кВт;
n=950/275 мин-1
3.9.2 Электрическая схема лифта
Схема выполнена для пассажирского лифта грузоподъемностью 500 кг и скоростью движения 1 м/с.
Лифт подготовляется к работе включением рубильника QB1 и автоматического выключателя QF1, после чего на электрические цепи подается ток и лифт готов к работе. Электрическая схема содержит 2 трансформатора Т1 и Т2, один из которых (Т1) обеспечивает требуемое напряжение в цепи привода дверей, а другой питает индикаторные устройства, устройства приказов пассажиров, кнопки и различные датчики внутри шахты. В качестве трансформатора Т1 допускается применить трансформатор типа НТС-0.5 380/100 В для питания электродвигателя привода дверей. На схеме можно увидеть два электродвигателя разной мощности М1 и М2. М1 предназначен для подъема и опускания кабины с противовесом, иными словами для передвижения кабины в шахте. М2 служит приводом для открывания и закрывания дверей. Электромагнит YA1 между контактами ХТ11/1 и ХТ11/2 обеспечивает разомкнутое состояние тормоза во время движения лифта. В нижней части листа расположены возможные варианты схем освещения шахты и диспетчерской связи.
Лифт работает по следующей программе:
а) при нахождении кабины на этаже с закрытыми дверями и нажатии кнопки вызова любого другого этажа кабина должна прийти в движение, выполнить остановку на заданном этаже и автоматически открыть двери;
б) при нахождении кабины на этаже с закрытыми дверями и нажатии кнопки вызова данного этажа у лифта должны открыться двери;
в) при нахождении кабины на этаже с открытыми дверями и нажатии кнопки приказа любого другого этажа двери должны закрыться и кабина направиться на заданный этаж. После остановки кабины на заданном этаже двери автоматически открываются;
г) кабина должна экстренно остановиться, если во время ее движения пассажир нажмет на кнопку «Стоп»;
д) если во время закрытия дверей произойдет защемление створками пассажира, то закрытие дверей прекращается, и они должны автоматически открыться;
е) при движении вниз кабина будет выполнять попутные остановки на этажах, с которых поступили сигналы вызова лифта;
ж) если грузоподъемность кабины составляет 90 % и более от номинальной (не более 100 %), то кабина при движении вниз не будет выполнять остановки на этажах, с которых подаются команды для вызова кабины, а достигнет требуемого этажа и откроет двери.
з) при превышении номинальной грузоподъемности двери кабины не закроются и лифт не переместится на нужный этаж, пока величина груза в кабине не уменьшится до допустимых значений.
4. Производственная безопасность
4.1 Введение
Охрана труда - это комплекс законодательных механических и организационных мероприятий, направленных на устранение травматизма и сохранение здоровья человека в процессе труда.
Охрана окружающей среды - это комплекс законодательных, организационных и механических мероприятий направленных на создание комфортных условий для человека.
Санитарные нормы и правила по охране труда подразделяются на единые, межотраслевые и отраслевые. Единые распространяются на все отрасли народного хозяйства. Межотраслевые закрепляют важнейшие гарантии обеспечения безопасности и гигиены труда в нескольких отраслях либо в отдельных видах работ, при отдельных видах производств. Отраслевые распространяются на отдельную отрасль в масштабе всей страны и учитывают специфику этой отрасли.
Безопасность производственных процессов определяется в первую очередь безопасностью производственного оборудования, которая обеспечивается с учетом требований безопасности при составлении технического задания на его проектирование при разработке технического и рабочего проекта, выпуска и испытании опасного образца и передаче его в серийное производство согласно ГОСТ 15001 - 88.
Основным требованием безопасности к техническим процессам является устранение непосредственного контакта работающих с исходными материалами, заготовками, полуфабрикатами готовой продукции и отходами производства, оказывающими вредное действие, замена технологических процессов и операций, связанных с возникновением опасных и вредных производственных факторов, процессами и операциями, при которых указанные факторы отсутствуют или обладают меньшей интенсивностью: комплексная механизация и автоматизация производства, применение дистанционного управления технологическими процессами и операциями, своевременное удаление и обезвреживание отходов производства, обеспечение пожаро- взрывобезопасности.
4.2 Анализ вредных и опасных производственных факторов при эксплуатации проектируемого оборудования
В процессе эксплуатации лифта можно выделить следующие вредные и опасные факторы:
Опасные:
-
возможность поражения электрическим током;
-
вероятность травмирования;
-
пожарная безопасность.
Вредные:
-
параметры микроклимата;
-
параметры освещения;
-
параметры вибрации;
-
параметры шума.
4.3 Мероприятия по устранению и уменьшению действия опасных и вредных факторов
-
Возможность поражения электрическим током. Лифт является устройством, работающим от сети с напряжением 380 В. Практически все его механизмы связаны с электрическим током: подъем и опускание кабины, открытие и закрытие дверей (для лифтов с автоматическими дверями), панель приказов и вызовов лифта пассажирами, индикаторные устройства, система связи с диспетчерской службой, различные датчики и другое оборудование. В связи с этим необходимо обеспечить безопасность эксплуатации проектируемого оборудования. Электросеть выполняется с изолированной нейтралью понижающего трансформатора, все кабели, панели и токоведущие части изолируются или помещаются в недоступные для пассажиров места. Все оборудование заземляется.
При выполнении технического обслуживания лифта электромеханик обязан выполнять требования правил личной и коллективной техники безопасности, несоблюдение которых может привести к травмам с тяжелыми последствиями.
-
Вероятность травмирования. Во время пользования лифтом необходимо обеспечить травмобезопасность пассажиров. Травмы могут возникнуть при падении человека в шахту лифта, взаимодействия его с различными механизмами, в том числе кабиной, поломке оборудования (например, обрыв канатов противовеса или кабины) и других ситуациях. Поэтому применяются различные конструктивные решения, исключающие или сводящие к минимуму возможность травмирования пассажира. Двери шахты - являются наиболее ответственными и важными устройствами безопасности лифтов - служат для предотвращения травм людей, которые могут возникнуть при попадании человека в шахту или столкновения его с кабиной. Двери кабины предохраняют от взаимодействия с элементами оборудования шахты в процессе движения кабины. Кроме того все двери связаны с электрическими системами безопасности, позволяющими избежать защемления пассажиров, движения кабины с открытыми дверями или открытия дверей во время движения кабины. Для исключения перегрузки кабины лифты снабжены подвижным полом, связанным с взвешивающим устройством. В случае перегрузки лифт просто не будет реагировать на команды перемещения кабины пассажирами и проинформирует о большой величине груза. Ловитель и ограничитель скорости помогут уберечь пассажиров от падения кабины в случае поломок в механической части лебедки (например, отказе тормоза, обрыве подъемных канатов или неисправности электрического оборудования). Тормозные устройства лифтов также помогут избежать падения кабины при отключении электроэнергии. В лифтовых лебедках используются колодочные тормоза нормально-замкнутого типа. Подъемные канаты подвески кабины и противовеса обладают высокой прочностью и достаточной гибкостью. Направляющие (а также башмаки) кабины и противовеса определяют положение кабины и противовеса в шахте путем ограничения перемещения их в горизонтальном направлении и обеспечивают соответствующее расположение их как между собой, так и относительно неподвижных элементов шахты. Направляющие служат также опорой для удержания кабины и противовеса в случаях посадки их на ловители. Буфера и упоры предназначены для ограничения хода кабины и противовеса в случае опускания их ниже минимального рабочего положения. Их рассчитывают на посадку кабины с нагрузкой, превышающую номинальную грузоподъемность на 10% и на посадку противовеса, движущегося с наибольшей скоростью, допускаемой ограничителем скорости.
-
Пожарная безопасность. Сборная металлическая конструкция купе является перспективным решением, отражающим отечественный и зарубежный опыт. Применение тонкостенных панелей из профилированной стали повышает пожаростойкость конструкции купе при некотором снижении материалоемкости. Повышению пожаростойкости способствует применение дверей специальной конструкции с пожароустойчивым наполнителем и окраска стен купе термостойким лаком. Кроме этого в непосредственной близости от лифта на первом этаже и в служебном помещении располагаются огнетушители.
-
Параметры микроклимата. Для поддержания требуемых норм влажности и температуры воздуха (табл. 4.1) шахты лифтов оборудуются вытяжной вентиляцией, способствующей обмену воздуха с окружающей средой.
Таблица 4.1
Допустимые значения параметров микрокламата
| Температура воздуха, °С | Влажность воздуха, % | Скорость движения воздуха, м/с | ||||||
| оптимальная | допустимая | оптимальная | допустимая, не более | оптимальная | допустимая, не более | |||
| min | max | |||||||
| 22-25 | 18 | 30 | 40-60 | 75 | 0,1 | 0,2 | ||
-
Параметры освещения. Минимальное освещение в кабине должно быть не менее 50 лк. Поэтому был произведен расчет и подобрано соответствующее осветительное оборудование (см. далее) для удовлетворения требованиям освещенности. Шахта лифта также имеет искусственное освещение, позволяющее вести механикам ремонтные работы и обслуживание оборудования.
-
Параметры вибрации. Оборудование кабины должно иметь низкую виброактивность в широком диапазоне частот. Неблагоприятное воздействие вибрации на организм человека зависит от частоты и амплитуды колебаний. Допустимая величина амплитуды колебаний в кабине лифта не должен превышать следующих значений [1]:
| амплитуда колебаний, мм | частота колебаний, Гц |
| 0,1 – 0,2 0,005 0,003 | 3 – 5 16 32 |
Для исключения недопустимых диапазонов вибраций и частот, распространяемых от лебедки по канатам в салон кабины, между канатной подвеской и каркасом, а также между каркасом и купе кабины устанавливаются амортизаторы. Кроме того, лебедка лифта располагается в нижней части здания на жесткой основе, что также резко уменьшает нежелательные вибрации.
-
Параметры шума. Все оборудование подбиралось с учетом обеспечения допустимых значений шума, т.е. не более 80 дБ. Например, использовался редуктор червячного типа, имеющий очень низкий показатель шума. А через уравновешивающие цепи был пропущен пеньковый канат, уменьшающий звон цепей. К тому же применяющиеся амортизаторы между канатной подвеской и кабиной кроме снижения вибраций также уменьшают и уровень шума. В результате этого общий уровень шума при работе лифта не превышает 40 дБ.
4.4 Инженерный расчет по обеспечению безопасных условий труда
4.3.1 Расчет заземления
Исходные данные:
Производственное оборудование напряжением 380 В. Электросеть выполнена с изолированной нейтралью понижающего трансформатора.
Заземление располагается по контуру здания углубленными на величину h=80 см трубами. Удельное сопротивление грунта
В качестве заземления используются трубы диаметром d=6 см, длиной lтр=250 см. Заземлители располагаются друг от друга на расстоянии l=500 см и соединены между собой соединительной полосой шириной b=4 см.
Анализ шахты показывает, что она опасна по условиям поражения электрическим током. Согласно ПУБЭЛ устанавливаемое производственное оборудование в данном случае подлежит заземлению.
Нормативное значение величины сопротивления защитного заземления применительно к прилагаемым условиям
r3 ≤ 4 Ом (4.1)
Определяем сопротивление одного трубчатого заземлителя
(4.2)
где
– удельное сопротивление грунта, Ом·см;
- длина трубчатого заземлителя, см;
d - диаметр трубчатого заземлителя, см;
t - глубина, см.
(4.3)
Определяем необходимое количество трубчатых заземлителей
, (4.4)
где
– номинальное значение величины сопротивления защитного заземления, Ом;
- коэффициент использования вертикальных заземлителей;
=0,68.
Определяем величину сопротивления соединительной полосы
, (4.5)
где
- суммарная длина соединительной полосы, см.
– глубина заложения полосы, см.
(4.6)
(4.7)
Определяем величину сопротивления всего заземляющего устройства
, (4.8)
где
– коэффициент использования соединительной полосы,
=0,4.
Так как 2,73 Ом < 4 Ом, то выполняется условие Ry < rз. Следовательно, схема заземления подходит - задача выполнена.
4.3.2 Расчет освещения
Суммарное действие ближайших светильников создает в контрольной точке освещенность
. Действие остальных источников света учитывается коэффициентом μ=1,1…1,2. Тогда для получения в данной точке заданной освещенности Е световой поток каждого светильника определяется по формуле:
где Е=50 лк – освещенность;
Зная высоту лифта h=2,1 м по графику 4 [13] определяем значение
По величине Ф из приложения 1 [13] выбираем 2 лампы Б 215-223-60 мощностью по 60 Вт каждая.
5. Экономическая часть
5.1 Оценка технической целесообразности конструкции лифта
Сравнительный анализ проектируемого изделия на техническом уровне является первым этапом оценки и отбора лучших вариантов. Его цель:
– установить техническую целесообразность спроектированной конструкции на основе сравнения с аналогом по основным группам функционально-технических показателей;
– обеспечить расчет лимитной цены изделия.
5.1.1 Выбор перечня показателей, оценки технического уровня конструкции
Таблица 5.1
Перечень показателей технического уровня и качества изделий
| Показатели | Единица измерения | Проектируемое изделие | Базовое изделие |
| 1. Мощность двигателя | кВт | 3,35 | 5 |
| 2. Масса редуктора | кг | 165 | 175 |
| 3. Диаметр шкива | м | 0,72 | 1,2 |
| 4. Скорость передвижения кабины | м/с | 1 | 0,63 |
| 5. КПД лебедки | 0,8 | 0,7 | |
| 6. Срок службы | лет | 15 | 20 |
| 7. Надежность | отказ/год | 6 | 8 |
| 8. Точность остановки | мм | 45 | 50 |
| 9. Сложность конструкции | балл | 30 | 24 |
| 10. Трудоемкость | н-час | 7560 | 6632 |
5.1.2 Оценка весомости (значимости) показателя
Оценка весомости показателей лифта осуществляется на основе экспертных оценок. Наиболее простым методом индивидуальной экспертизы, используемой для оценки весомости показателей, является метод попарных сравнений.
Результаты экспертизы представлены в виде матрицы (табл. 5.2), в которой на пересечении строки и столбца зафиксированы индексы тех показателей, которые являются более важными в оценке качества изделия при их попарном сравнении.
Таблица 5.2
Матрица попарного сравнения показателей
| j i | Индексы показателей | | | ||||||||||||||
| 1 | 2 | 3 | 4 | 5 | 6 | 7 | 8 | 9 | 10 | ||||||||
| Индексы показателей | 1 | 1 | 1 | 4 | 5 | 1 | 7 | 1 | 1 | 1 | 6+1 | 0,127 | |||||
| 2 | 1 | 3 | 4 | 5 | 6 | 7 | 2 | 9 | 10 | 1+1 | 0,036 | ||||||
| 3 | 1 | 3 | 4 | 5 | 3 | 7 | 3 | 3 | 3 | 5+1 | 0,109 | ||||||
| 4 | 4 | 4 | 4 | 4 | 4 | 7 | 4 | 4 | 4 | 8+1 | 0,164 | ||||||
| 5 | 5 | 5 | 5 | 4 | 5 | 7 | 5 | 5 | 5 | 7+1 | 0,145 | ||||||
| 6 | 1 | 6 | 3 | 4 | 5 | 7 | 6 | 9 | 10 | 2+1 | 0,055 | ||||||
| 7 | 7 | 7 | 7 | 7 | 7 | 7 | 7 | 7 | 7 | 9+1 | 0,182 | ||||||
| 8 | 1 | 2 | 3 | 4 | 5 | 6 | 7 | 8 | 10 | 1+1 | 0,036 | ||||||
| 9 | 1 | 9 | 3 | 4 | 5 | 9 | 7 | 8 | 9 | 3+1 | 0,073 | ||||||
| 10 | 1 | 10 | 3 | 4 | 5 | 10 | 7 | 10 | 9 | 3+1 | 0,073 | ||||||
| | 55 | 1 | |||||||||||||||
Количественное представление весомости (значимости) показателей может быть получено по формуле:
где
— количество предпочтений i - го показателя.
5.1.3 Расчет комплексного показателя технического уровня и качества конструкции
Комплексный показатель позволяет дать обобщенную оценку совокупной технической ценности изделия.
Комплексный показатель рассчитывается по формуле:
где
– безразмерный (относительный) показатель качества по i-му параметру;
– коэффициент весомости i-го параметра, причем
n – число единичных показателей качества.
Относительный показатель качества по i-му параметру может быть рассчитан с помощью формул:
(5.1)
(5.2)
где
,
- количественные значения i-го показателя соответственно сопоставляемых вариантов и эталонного значения.
Первая формула используется для показателей, при увеличении абсолютных значений которых возрастает обобщающий показатель, в противном случае вторая формула.
Сопоставление комплексных показателей качества по потенциально возможным вариантам конструкции позволяет сделать вывод о технической целесообразности новой разработки, определить коэффициент изменения качества при сравнении лифта с аналогом
где
,
- комплексные показатели качества проектного и базового вариантов. Данный коэффициент используется при определении лимитной цены проектируемого лифта.
Расчеты сведем в табл. 5.3.
Таблица 5.3
Оценка технической целесообразности конструкции
| Наименование показателей по группам | Коэффициент значимости показателя | Оценка значения показателя | Оценка вклада показателя | |
| 1. Мощность двигателя | 0,127 | 0,67 | 0,085 | |
| 2. Масса редуктора | 0,036 | 0,94 | 0,034 | |
| 3. Диаметр шкива | 0,109 | 0,6 | 0,065 | |
| 4. Скорость передвижения кабины | 0,164 | 1,6 | 0,262 | |
| 5. КПД лебедки | 0,145 | 1,143 | 0,166 | |
| 6. Срок службы | 0,055 | 1,3 | 0,072 | |
| 7. Надежность | 0,182 | 0,85 | 0,137 | |
| 8. Точность остановки | 0,036 | 0,9 | 0,032 | |
| 9. Сложность конструкции | 0,073 | 1,25 | 0,091 | |
| 10. Трудоемкость | 0,073 | 1,14 | 0,083 | |
| Коэффициент изменения качества W | 1,27 | |||
5.2 Расчет трудоемкости ОКР
Выбираем основные узлы лифта:
-
Рама противовеса;
-
Каркас кабины;
-
Лебедка;
-
Взвешивающее устройство кабины.
Таблица 5.4
Исходные данные для расчета трудоемкости ОКР
| Характеристика объектов | Объекты изделия | |||||
| Общая схема | Узел 1 | Узел 2 | Узел 3 | Узел 4 | ||
| Сложность схемы лифта | № группы | 4 | - | - | - | - |
| К0 | 1,4 | - | - | - | - | |
| Новизна конструкции | № группы | - | 2 | 2 | 3 | 1 |
| | - | 1,5 | 1,5 | 2,0 | 1 | |
| Сложность узла по количеству кинематических пар | Количество | - | 2 | 4 | 6 | 3 |
| К1 | - | 1,2 | 1,6 | 1,9 | 1,6 | |
| К2 | - | 1,2 | 1,4 | 1,4 | 1,2 | |
| Насыщенность оригинальными деталями | Количество | - | 2 | 2 | 6 | 1 |
| | - | 3 | 3 | 5 | 3 | |
| Объем конструкции по внешним контурам | Дм3 | - | 0,61 | 3,73 | 0,96 | 0,02 |
| К3 | - | 1,13 | 1,43 | 1,13 | 1 | |
| Насыщенность сложными деталями | Количество | - | 1 | 3 | 5 | 3 |
| К4 | - | 1,05 | 1,1 | 1,2 | 1,1 | |
Осуществляем расчет показателей.
Показатель объема работ первой группы по узлу i определяется по формуле:
где
- нормативное значение объема работ, (первой группы в баллах), выбираемое в зависимости от группы новизны узла;
K1 - корректирующий коэффициент, учитывающий влияние сложности узла по числу кинематических пар.
Показатель объема работ второй группы по узлу i определяется по формуле:
где
– нормативное значение объема работ второй группы в баллах, выбираемое в зависимости от количества оригинальных деталей в узле;
– корректирующие коэффициенты, учитывающие влияние группы сложности по числу кинематических пар, группы объемности по внешним контурам, насыщенности узла сложными деталями соответственно.
Суммарная трудоемкость ОКР определяется по формуле
,
где
– норматив удельной трудоемкости, чел.-дни /бал;
К0 – коэффициент, учитывающий сложность и степень автоматизации управления объектом в целом.
Расчет производим в табличной форме (табл. 5.5).
Таблица 5.5
Расчет трудоемкости ОКР
| Группы работ | Объем работ по группам в баллах | ||||||||
| Показатели Узлы | Расчетно-аналитические | Чертежно-графические | |||||||
| | K1 | | | K2 | K3 | K4 | | ||
| Узел 1 | 1,5 | 1,2 | 1,8 | 3 | 1,2 | 1,13 | 1,05 | 4,3 | |
| Узел 2 | 1,5 | 1,6 | 2,4 | 3 | 1,4 | 1,43 | 1,1 | 6,6 | |
| Узел 3 | 2,0 | 1,9 | 3,8 | 5 | 1,4 | 1,13 | 1,2 | 9,5 | |
| Узел 4 | 1 | 1,6 | 1,6 | 3 | 1,2 | 1 | 1,1 | 4 | |
| | | ||||||||
| | 34 | ||||||||
| Норматив удельной трудоемкости на 1 балл, чел-дн | 25 | ||||||||
| Коэффициент сложности схемы К0 | 1,4 | ||||||||
| Трудоемкость ОКР | чел-дн чел-час | 1190 9520 | |||||||
5.3 Расчет временных и стоимостных затрат на проектирование лифта
Важными показателями, используемыми при технико-экономическом анализе лифта, являются стоимостные затраты на разработку и срок реализации проекта.
Тип производства выбираем мелкосерийный (МС).
Трудоемкость при разработке технического задания, эскизного и технического проектирования:
Трудоемкость рабочего проектирования:
Трудоемкость технической подготовки:
Нормативная длительность цикла технического и рабочего проектирования
ТЗ, ЭП, ТП – 3,5 мес.;
РП – 3,5 мес.
Длительность цикла технологической подготовки производства определяем по формуле:
мес.
Определяем потребную численность исполнителей по стадиям проектирования:
,
где
– месячный фонд времени работника (165 часов);
– коэффициент выполнения нормы,
=1,1 – 1,2
человек
человек
человек
Определяем фонд заработной платы на разработку проекта
,
где
– средняя месячная заработная плата исполнителей i-й стадии,
;
– коэффициент отчисления на социальные нужды,
= 36,3.
Определяем полные затраты на разработку проекта
,
где
– удельный вес заработной платы в общей структуре себестоимости, выбирается по статистическим данным,
=0,35–0,4;
Оценка срока реализации проекта
где
- коэффициент параллельности, учитывающий величину совмещения стадий,
= 0,7.
мес.
Расчет сведем в табл. 5.6.
Таблица 5.6
Расчет временных и стоимостных затрат на проектирование лифта
| Стадии Показатели | ОКР | ТПП | |
| ТЗ, ЭП, ТП | РП | ||
| Соотношение трудоемкости стадий проектирования, % | 40 | 35 | 25 |
| Трудоемкость, нормо-час | 5077 | 4443 | 3173 |
| Длительность производственного цикла, мес. | 3,5 | 3,5 | 2,5 |
| Потребное количество исполнителей, чел. | 8 | 7 | 7 |
| Средняя заработная плата исполнителей, руб. | 5700 | 5500 | 5000 |
| Фонд заработной платы по стадиям, руб. | 190820 | 183664 | 135959 |
| Общий фонд заработной платы на проектирование, руб. | 510443 | ||
| Оценка затрат на разработку проекта, руб. | 1276108 | ||
| Оценка срока реализации проекта, мес. | 6,7 | ||
5.4 Прогнозирование себестоимости лифта
На стадии конструкторской подготовки производства, когда отсутствуют необходимые технологические документы и нормативы для расчета себестоимости приходится применять различные методы прогнозирования: удельных весов и коэффициентов приведения, известной структуры себестоимости аналогов.
Прямыми статьями, определяющими себестоимость конструкции, являются:
- затраты на основные материалы;
- затраты на комплектующие покупные изделия;
- заработная плата производственных рабочих.
5.4.1 Расчет затрат на основные материалы
Расчет затрат на основные материал можно выполнять с помощью метода коэффициентов приведения. Согласно этому методу проектируемое изделие расчленяется на блоки и узлы, по одному из которых, принятому за базовый, возможен прямой расчет затрат на материалы. Затраты по остальным узлам определяются через коэффициенты приведения, рассчитанные методом экспертных оценок с учетом их конструктивно-технологических особенностей.
Затраты на основные материалы по базовому узлу можно рассчитать по формуле:
где
– применяемость i детали в j узле;
– масса детали i в соответствии с чертежом, кг;
Ц М – цена материала, руб.;
ЦО – цена отходов, руб.;
kОТХ – средний процент реализуемых отходов (30%);
kТЗ – коэффициент транспортно-заготовительных расходов,
kТЗ=1,03-1,07
Затраты на материалы для остальных узлов
определяются по формуле:
где
– коэффициент приведения затрат j-го узла к базовому узлу, определяемый на основе экспертных оценок.
Стоимость основных материалов определяется на основе норм расхода каждого вида материала и прейскурантных цен за вычетом стоимости отходов.
За базовый узел выбираем каркас кабины лифта.
Расчет сведем в табл. 5.7.
Таблица 5.7
Расчет затрат на основные материалы по базовому узлу.
| Деталь | Применяемость | Материалы | Норма расхода, кг | Цена, руб | Сумма, руб | Возвратные отходы | Общая сумма | |||||||
| Деталь | Узел | Норма, % | Цена, руб | Сумма, руб | ||||||||||
| Балка | 2 | Ст3пс | 100 | 200 | 20 | 4000 | 0,30 | 2 | 120 | 3880 | ||||
| Стойка | 2 | Ст3пс | 80 | 160 | 20 | 3200 | 0,30 | 2 | 96 | 3104 | ||||
| Балки горизонтальной рамы | 4 | Ст3пс | 60 | 240 | 20 | 4800 | 0,30 | 2 | 144 | 4656 | ||||
| Итого по базовому узлу, руб. | 11640 | |||||||||||||
| С расчетом транспортно-заготовительных расходов | 11989 | |||||||||||||
5.4.2 Расчет затрат на комплектующие покупные
Затраты на комплектующие покупные для лифта сведем в табл. 5.8.
Таблица 5.8
Расчет затрат на комплектующие покупные изделия и полуфабрикаты
| Наименование | Техническая характеристика | Применяемость | Цена за единицу, руб. | Сумма, руб. | |
| 1. Валы и оси | 22 | 150 | 3300 | ||
| 2. Электродвигатель | АС-2-72-6/18 ШЛ | 1 | 18000 | 18000 | |
| 3. Редуктор | РГЛ-180 | 1 | 20000 | 20000 | |
| 4. Тормоз | ТКП-200 | 1 | 10500 | 10500 | |
| 5. Канаты | ЛК-Р 6х19 ГОСТ 2680-80 | L=1000 м | 15 | 15000 | |
| 6. Шкив | 1 | 900 | 900 | ||
| Итого по комплектующим узлам, руб. | 67700 | ||||
| С учетом транспортно-заготовительных расходов, руб | 69731 | ||||
5.4.3 Расчет затрат на основные материалы в целом по лифту
Расчет сведем в табл. 5.9.
Таблица 5.9
Расчет затрат на основные материалы в целом по лифту
| Статьи затрат Части лифта | Основные материалы | |
| | Затраты, руб. | |
| 1.Каркас кабины | 1 | 11989 |
| 2. Каркас противовеса | 0,9 | 10790 |
| 3. Лебедка | 1,3 | 15586 |
| 4. Взвешивающее устройство кабины | 0,03 | 350 |
| Итого по лифту | | 38725 |
5.4.4 Расчет затрат на заработную плату производственных рабочих
Расчет сведем в табл. 5.10.
Таблица 5.10
Расчет заработной платы (основной и дополнительной) производственных рабочих.
| Показатель | Формула расчета | Обозначение | Расчет (условные данные) |
| Трудоемкость изделия | | G – масса проектируемой конструкции, кг | |
| Трудоемкость годового выпуска | | | |
| Потребное количество основных производственных рабочих | | | |
| Годовой фонд ЗП основной и дополнительной | | | |
| ЗП с учетом отчислений на социальные нужды | | НСН – коэффициент расходов на социальные нужды | |
5.4.5 Расчет полной себестоимости лифта
Расчет полной себестоимости лифта осуществляется по формуле
где
- нормативы соответственно общепроизводственных, общехозяйственных и отчисления на социальные нужды, %,
;
НВП - норматив внепроизводственных расходов, %, НВП = 7%.
- основная заработная плата производственных рабочих на единицу изделия.
руб.
руб.
5.5 Определение лимитной цены лифта
Лимитная цена выражает предельно допустимый уровень цены проектируемого лифта с учетом улучшения потребительских свойств замещаемого лифта, при котором обеспечивается относительное удешевление его для потребителя.
Лимитная цена определяется по формуле
где
– плановая себестоимость лифта;
nР – плановый уровень рентабельности к себестоимости лифта, пР = 25 %
руб.
5.6 Расчет уровня капитальных вложений в НИОКР и освоение производства
В условиях ограничения финансовых ресурсов технический и коммерческий успех проекта во многом определяется величиной новых капитальных вложений при его разработке и реализации. Капитальные затраты на всех этапах жизненного цикла лифта являются важной оценкой экономической эффективности новых проектов.
Единовременные затраты в сфере производства включают предпроизводственные затраты КППЗ и капитальные вложения в производственные фонды завода изготовителя КПФ.
Расчет капитальных вложений в производственные фонды завода производится по формуле:
;
где КОБ – капитальные вложения в оборудование и оснастку;
КОС – капитальные вложения в оборотные средства.
При этом
где
– лимитная цена лифта;
- прогнозируемый годовой объем выпуска;
- отраслевой норматив удельных капитальных вложений в оборудование на один рубль объема реализации новых изделий,
= 1,1 руб.;
- коэффициенты, учитывающие соответственно годовой объем производства в стоимостном выражении и тип производства,
.
руб.
руб.
руб.
руб.
5.7 Оценка экономической эффективности конструкции
,
где П – прибыль на один лифт в проектном варианте,
;
- удельные капиталовложения в производство,
– нормативный коэффициент экономической эффективности.
руб.
5.8. Сводные показатели оценки экономической целесообразности конструкции
Таблица 5.11
| Наименование показателя | Единица измерения | Проектный вариант | |||||
| Прогнозируемый объем выпуска | шт | 100 | |||||
| Единовременные капитальные вложения | Предпроизводственные затраты | руб. | 1276108 | ||||
| Вложения в производство | руб. | 171077892 | |||||
| Всего | руб. | 172354000 | |||||
| Текущие издержки на производство лифта | На материалы | руб. | 108456 | ||||
| На заработную плату | руб. | 272832 | |||||
| Полная себестоимость | руб. | 1477319 | |||||
| Прибыль на единицу лифта | руб. | 369330 | |||||
| Лимитная цена | руб. | 1846649 | |||||
| Экономический эффект | руб. | 11079900 | |||||
| Срок реализации проекта | год | 0,6 | |||||
Вывод: проведенное технико-экономическое обоснования производства лифта выявило перспективность осуществления данного проекта. Проектируемое изделие по ряду технических и экономических показателей превосходит существующие аналоги. Проведенные экономические расчеты себестоимости и цены лифта позволяют определить планируемую прибыль и рентабельность, а также годовой экономический эффект при производстве проектируемого изделия. Рассчитанный срок возврата капитальных вложений невелик, что подтверждает перспективность данного проекта.
Библиографический список
1. Волков Д.П. Лифты. – М.: Изд-во АСВ, 1999. – 480 с.: ил.
2. Архангельский Г.Г., Вайнсон А. А., Ионов А. А. Эксплуатация и расчет лифтовых установок. – М.: МИСИ, 1980.
3. Архангельский Г.Г., Ионов А.А. Основы расчета и проектирования лифтов. – М.: МИСИ, 1985.
4. Правила устройства и безопасной эксплуатации лифтов. – М.: Госгортехнадзор, 1992.
5. Крагельский И. В., Михин Н. М. Узлы трения машин. – М.: Машиностроение, 1984.
6. Волков Д.П., Ионов А.А., Чутчиков П.И. Атлас конструкций лифтов. – М.: Машиностроение, 1984. – 60 с.: ил.
7. Трояновская Г.И., Зеленская М.Н. «О расчете силы трения между полимером и металлом» статья в книге Теоретические и прикладные задачи трения, износа и смазки машин. – М.: «Наука», 1982.
8. Чутчиков П.И. Ремонт лифтов. – М.: Стройиздат, 1983
9. Лобов Н.А. Пассажирские лифты. – М.: Изд-во МГТУ
им. Н.Э. Баумана, 1999
10. Полковников В.С., Лобов Н.А., Грузинов Е.В. Монтаж и эксплуатация лифтов. Пятое издание. – М.: Высшая школа, 1987.
11. Подъемники: Учеб. пособие/А.П. Баранов, В.А. Голутвин. – Тула: Изд-во ТулГУ, 2004.- 150 с.
12. Анурьев В.И. Справочник конструктора-машиностроителя: В 3 т. – 8-е изд., перераб. и доп. Под ред. И.Н. Жестоковой. – М.: Машиностроение, 2001
13. Средства защиты в машиностроении: Расчет и проектирование: Справочник / С.В. Белов, А.Ф. Козьяков, О.Ф. Партолин и др.; Под ред. С.В. Белова. – М.: Машиностроение, 1989. – 368 с.: ил.
3>















