124182 (592897), страница 3
Текст из файла (страница 3)
Грузонесущей основой подвижного пола является горизонтальная рама 19 каркаса кабины.
Щитовая конструкция пола через стойки 20 шарнирами опирается на рычаги полых валов 8 и 22, которые с помощью подшипников закреплены на неподвижных осях 17, 23, установленных на горизонтальной раме. Вилки рычагов 13 и 21 охватывают подшипники рычагов 15, 18 ступицы 16, которая установлена на оси 17. Такая конструкция обеспечивает вертикальное поступательное перемещение пола независимо от положения груза в кабине.
На рычагах 5 и 14 ступиц 1 и 16 закреплены грузы взвешивающего устройства 6 и 12 Между грузами 12 и 6 имеется односторонняя связь посредством пальца 11, взаимодействующего со скобой, закрепленной на конце рычага 14.
Для контроля 10 % перегрузки кабины, кроме груза 6, используется цилиндрическая пружина 7 Под рычагами 5 и 14 установлены микровыключатели 2, 3, 4.
При отсутствии пассажиров в кабине, груз 12, установленный на рычаге 14, уравновешивает силу тяжести подвижного пола 24. При этом рычаг 14 воздействует на микровыключатель 2
При появлении груза в кабине массой более 15 кг равновесие системы нарушается и рычаг 14 с грузом 12 поднимается вверх. Срабатывает контактное устройство 2, сигнализируя системе управления о наличии груза.
Дальнейшее увеличение загрузки кабины сопровождается дополнительным подъемом рычага 14. Связанная с ним скоба поднимает палец 11 вместе с грузом 6, поворачивая рычаг 5 против часовой стрелки.
Если груз в кабине достигает 90 % номинальной грузоподъемности, дальнейший подъем рычага 5 приводит к срабатыванию контактного устройства 4. При этом система управления лифта перестает реагировать на попутные вызовы с этажных площадок.
При превышении номинальной нагрузки более чем на 10 %, рычаг дополнительно поднимается вверх сжимая предварительно сжатую пружину 7 срабатывает контактное устройство 3 и отключается двигатель механизма подъема. Момент срабатывания контактного устройства устанавливается регулировкой силы предварительного сжатия пружины 7.
В лифтах с распашными дверями кабины применяется более простая система подвижного пола с петлевым креплением одной его стороны и опорой другой на пружину. При такой конструкции чувствительность контроля нагрузки зависит от положения пассажира по отношению к петлевой подвеске пола.
Рассматриваемая конструкция является вариантом системы контроля нагрузки с пружинным уравновешиванием. Роль грузовой платформы взвешивающего устройства выполняет купе кабины, которое имеет возможность вертикальных, поступательных перемещений относительно каркаса кабины (рис. 2.4. а).
Отличительной особенностью данной конструкции является очень небольшая величина вертикальных перемещений пола купе, который остается практически неподвижным.
При отсутствии пассажиров в кабине, сила тяжести купе уравновешивается усилием предварительно деформируемой двухопорной балки 1. Установка величины предварительной деформации осуществляется регулировочным болтом 4 относительно неподвижной втулки 5 (рис. 2.4 б).
Увеличение нагрузки купе приводит к дополнительной деформации балки и увеличению угла ее поворота
на опорах. Благодаря этому, консольная часть балки, с винтом 6 на конце, поворачивается против часовой стрелки. Винт 6 действует на рычаг 7, который поднимается вверх, преодолевая усилие пружины 8, и перестает действовать на приводной механизм контактов микровыключателя 10 по достижению определенного, контролируемого уровня нагрузки купе кабины.
Рис. 2.4. Система контроля загрузки кабины с плавающей установкой купе
а) схема установки взвешивающего устройства: 1 – каркас, 2 – подвеска, 3 – купе,
4 – направляющие ролики вертикального перемещения купе,
5 – взвешивающее устройство;
б) схема устройства контроля нагрузки: 1 – упругая предварительно деформированная балка, 2 – устройство передачи нагрузки от пола купе на балку, 3 – направляющая втулка, 4 – болт регулировки предварительной деформации балки, 5 – упорная втулка,
6, 12 – винт регулировочный, 7 – балка рычажного передаточного механизма,
8, 11 – пружина, 9 – рычаг подвески микровыключателя,
10 – микровыключатель, 13 – упор
Взвешивающее устройство оборудовано тремя комплектами элементов 6 – 12 и их настройка позволяет контролировать три уровня загрузки кабины, включая перегрузку.
Винты 6 и 12 используются для регулировки нагрузки срабатывания каждого из 3-х микровыключателей 10. Под балкой установлен упор 13 для защиты ее от перегрузки, при посадке кабины на буфер или ловители.
Определяем параметры взвешивающего устройства.
Прогиб балки в середине пролета:
, (2.6)
где l – пролет балки, м;
I – момент инерции поперечного сечения балки, м4;
P – расчетная нагрузка, Н;
Е – модуль упругости материала балки, Н/м2.
0,0009 м
Угол упругого поворота оси балки на опоре при прогибе в середине пролета
(2.7)
0,0022 рад
Тангенциальное перемещение болта 6 составит величину
, м, (2.8)
где r – радиус поворота рычага.
=0,00027 м
Перемещение конца рычага 7 в точке контакта с конечным выключателем
, м (2.9)
= 0,0007 м.
Соотношение плеч рычажной системы соответствует величине перемещения приводного элемента микропереключателя.
2.1.4 Расчет направляющих башмаков
Для центрирования относительно направляющих кабин (противовесов) и неизменности расстояний между подвижными и неподвижными частями лифта на несущих каркасах устанавливаются башмаки. С каждой стороны кабины (противовеса) устанавливается по два башмака, в верхней и нижней ее части.
Конструкция башмаков охватывает головку направляющей с трех сторон, так, чтобы обеспечить действие нормальных сил, уравновешивающих опрокидывающие моменты, вызванные эксцентриситетом положения центра масс груза, кабины и смещением центра подвески.
Принимаем направляющие башмаки скользящей конструкции.
Площадь поверхности вкладыша определяем в зависимости от допустимого контактного напряжения материала:
- для боковой поверхности
, (2.10)
где
– расчетная нагрузка на башмак в поперечном направлении (рис. 2.5);
– допустимое напряжение смятия материала вкладыша из капрона.
- для торцевой поверхности
, (2.11)
где Nн – расчетная нагрузка на башмак в торцевом направлении (см. рис. 2.5);
Силы нормального давления, действующие на башмаки в плоскости направляющих и в перпендикулярном к ним направлении, определим из уравнений равновесия кабины:
∑Мх = 0, ∑Мy = 0 (2.12)
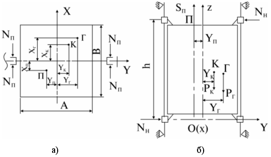
Рис. 2.5. Схемы к расчету опорных реакций башмаков кабины:
а) схема горизонтальной проекции кабины;
б) схема вертикальной проекции кабины.
На рис. приняты следующие обозначения: А, В - ширина и глубина кабины, м; h - расстояние между башмаками по вертикали, м; П - обозначение точка подвески кабины; Хп, Yп - продольное и поперечное смещение точки подвески кабины относительно центра пола, м; S - натяжение тяговых канатов, кН; К - положение центра масс кабины; Г - положение центра масс расчетного груза; Хв, Yв - продольное и поперечное смещение центра масс кабины относительно центра пола, м; Хг, Yг - продольное и поперечное смещение центра масс расчетного груза, м; Nп, Nн - нормальные реакции в зоне контакта башмаков с направляющими, которые действуют перпендикулярно и параллельно плоскости направляющих; Рк, Рг - сила тяжести кабины и груза, соответственно, кН.
Из уравнений равновесия определяем соответствующие нормальные реакции
, (2.13)
, (2.14)
где Рг = Qр·10-2 – величина силы тяжести массы расчетного груза, кН (для пассажирского лифта Qр=0,5·Qс, где Qс – грузоподъемность из условия свободного заполнения кабины);
Рк – сила тяжести массы кабины, кН;
Хп, Yп – координаты смещения точки подвески кабины, принимаются по конструктивным соображениям от 0,03 до 0,1 м;
Хк, Yк – величина продольного и поперечного смещения центра масс кабины, зависящая от конструкции дверей кабины, может приниматься в пределах от 0,02 до 0,1 м;
Хг,=В/6, Yг=А/6 - определяются в предположении, что расчетный груз равномерно распределен по треугольной площадке, составляющей 50 % площади пола кабины, отделенной диагональю прямоугольного контура.
2.2 Расчет направляющих
Направляющими называются неподвижно установленные в шахте стальные рельсы, расположенные по боковым сторонам кабины (противовеса), которые гарантируют прямолинейное движение без поперечного раскачивания и обеспечивают постоянство безопасных зазоров между подвижными и неподвижными частями оборудования в шахте лифта.
В аварийных режимах посадки на ловители направляющие служат прочной основой для плавного торможения и надежного удержания кабины (противовеса) до момента снятия с ловителей. Возникающие при этом значительные динамические нагрузки непосредственно воспринимаются направляющими и устройствами их крепления в шахте.
В нормальных рабочих режимах направляющие воспринимают силы нормального давления башмаков, которые обусловлены смещением центра масс груза и кабины относительно канатной подвески или процессом загрузки кабины средствами напольного транспорта.
От прочности, жесткости и точности установки направляющих зависит надежность и безопасность работы лифта. В связи с этим раздел 5.3 ПУБЭЛ предъявляет ряд специальных требований к конструкции направляющих [4].
Прочностной расчет направляющих производится с учетом нагрузок действующих в рабочем режиме и при посадке на ловители (рис. 2.6).
Примем следующие обозначения:
l, lр – величина пролета крепления направляющей и ее расчетный пролет;
е – эксцентриситет приложения продольной силы R относительно центра тяжести сечения направляющей;
Nн, Nп – нагрузка, действующая в плоскости направляющих и перпендикулярном к ней направлении;
R – расчетная величина тормозной силы ловителя;
Мн, Мп, МR – изгибающие моменты в опасном сечении направляющей.
Рис. 2.6. Расчетные схемы направляющих
а) многоопорная балка; б) двухопорная балка
Направляющая рассматривается как неразрезная многопролетная балка, загруженная в одном пролете поперечными, нормальными силами и продольной тормозной силой при посадке кабины (противовеса) на ловители.















