124041 (592889)
Текст из файла
Министерство образования и науки Российской Федерации
Федеральное агентство по образованию
Государственное образовательное учреждение ВПО
«ОРЕНБУРГСКИЙ ГОСУДАРСТВЕННЫЙ УНИВЕРСИТЕТ»
Аэрокосмический институт
Кафедра систем автоматизации производства
Дипломный проект
на тему: Разработка системы автоматического контроля технологических параметров газоперекачивающего агрегата
Пояснительная записка
ОГУ 220301.65.1409.5ПЗ
Зав. кафедрой САП Н.З. Султанов
«Допустить к защите»
«____»__________________2009 г.
РуководительЮ.Р. Владов
Дипломник П.Ю. Кадыков
Консультанты по разделам:
Экономическая часть О.Г. Гореликова-Китаева
Безопасность труда Л.Г. Проскурина
Нормоконтролер Н.И. Жежера
РецензентВ.В. Турков
Оренбург 2009
Кафедра____САП_____________________
Утверждаю: Зав. кафедрой_____________
«______»_____________________200____г.
ЗАДАНИЕ
ПО ДИПЛОМНОМУ ПРОЕКТИРОВАНИЮ
СТУДЕНТ Кадыков Павел Юрьевич
1. Тема проекта (утверждена приказом по университету от «26» мая 2009 г. № 855-С) Разработка системы автоматического контроля технологических параметров газоперекачивающего агрегата
2. Срок сдачи студентом законченного проекта «27» мая 2009 г.
3. Исходные данные к проекту
Технические характеристики компрессорной установки 4ГЦ2-130/6-65; описание режимов работы компрессора 4ГЦ2-130/6-65; правила разборки и сборки компрессорной установки 4ГЦ2-130/6-65; руководство по эксплуатации комплекса средств контроля и управления МСКУ-8000.
4. Содержание расчетно-пояснительной записки (перечень подлежащих разработке вопросов)
1 анализ режимов работы газоперекачивающего агрегата 4ГЦ2
2 описание действующей системы автоматики
3 сравнительный анализ существующих программно-технических комплексов автоматизации газоперекачивающих агрегатов
4 обзор и описание технологии ОРС
5 выбор значимых технологических параметров ГПА, для которых рекомендуется использование системы автоматического контроля по отклонению в сторону граничных значений
6 описание разработанной программной системы автоматического контроля технологических параметров
7 разработка и описание схемы лабораторного стенда для испытаний разработанной программной системы автоматического контроля технологических параметров
5. Перечень графического материала (с точным указанием обязательных чертежей)
Редуктор и приводная часть компрессора, ФСА (А1)
Сравнительные характеристики существующих САУ ГПА, таблица (А1)
Система автоматического контроля технологических параметров, схема функциональная (А1)
Изменение технологического параметра во времени и принцип обработки текущих данных, теоретическая диаграмма (А2)
Аппроксимация и вычисление прогнозируемого времени, формулы (А2)
Программный модуль автоматического контроля технологических параметров, схема программы (А2)
Программный модуль автоматического контроля технологических параметров, листинг программы (А2)
Система автоматического контроля технологических параметров и панель управления оператора, экранные формы (А1)
Нормальный останов ГПА, схема программы (А2)
Аварийный останов ГПА, схема программы (А2)
Стенд для лабораторных исследований, схема электрическая принципиальная (А2)
Стенд для лабораторных исследований, схема структурная (А2)
6. Консультанты по проекту (с указанием относящимся к ним разделом проекта)
О.Г. Гореликова-Китаева, экономическая часть
Л.Г. Проскурина, безопасность труда
Дата выдачи задания «20» февраля 2009 г.
Руководитель ____________________________________ (подпись)
Задание принял к исполнению «20» февраля 2009 г.
_____________________________ (подпись студента)
Примечания: 1. Это задание прилагается к законченному проекту и вместе с проектом предоставляется в ГЭК.
2. Кроме задания, студент должен получить от руководителя календарный график работы над проектом на весь период проектирования (с указанием сроков выполнения и трудоемкости отдельных этапов).
Содержание
Введение
1 Общая характеристика производства
2 Характеристики центробежного компрессора 4ГЦ2-130/6-65
2.1 Общие характеристики
2.2 Система смазки
2.3 Панель управления СГУ
2.4 Патрон СГУ
2.5 Система буферного газа
2.6 Азотная установка
3 Описание технологического процесса и технологической схемы объекта
4 Порядок технического обслуживания процесса
5 Описание действующей системы автоматики
5.1 Обзор технологии OPC
6 Сравнение существующих готовых решений САУ ГПА
6.1 Программно-технический комплекс АСКУД-01 НПК «РИТМ»
6.2 Программно-технический комплекс САУ ГПА СНПО «Импульс»
7 Выбор значимых технологических параметров
8 Описание разработанной системы автоматического контроля технологических параметров
8.1 Функциональное назначение программы
8.1.1 Область применения
8.1.2 Ограничения применения
8.1.3 Используемые технические средства
8.2 Специальные условия применения
8.3 Руководство пользователя
9 Лабораторный стенд
9.1 Описание лабораторного стенда
9.2 Структура лабораторного стенда
9.3 Принципиальная электрическая схема лабораторного стенда
10 Обоснование экономического эффекта от применения САК
10.1 Расчет затрат на создание САК
10.2 Расчет экономического эффекта от применения САК
11 Безопасность труда
11.1 Анализ и обеспечение безопасных условий труда
11.2 Расчет категории тяжести труда
11.3 Возможные чрезвычайные ситуации
11.4 Расчет продолжительности эвакуации из здания
Заключение
Список использованных источников
Введение
Проблему контроля технологических параметров газоперекачивающих агрегатов (ГПА) существующие системы автоматизации решают только частично, сводя ее к комплексу условий в виде граничных значений для каждого параметра, при достижении которых происходит строгая последовательность действий АСУ. Чаще всего при достижении каким-либо параметром одного из своих граничных значений, происходит лишь автоматическая остановка самого агрегата. Каждая такая остановка вызывает существенные потери материальных и экологических ресурсов, а также повышенный износ оборудования. Такую проблему можно решить введением системы автоматического контроля технологических параметров, которая могла бы динамически отслеживать изменение технологических параметров ГПА, и заблаговременно выдавать сообщение оператору о стремлении какого-либо из параметров к его граничному значению.
Поэтому актуальной и значимой задачей является разработка инструментальных средств, способных оперативно отслеживать изменения технологических параметров и заблаговременно сообщать на автоматизированное рабочее место оператора информацию о положительной динамике какого-либо параметра в отношении его граничного значения. Такие инструментальные средства могут помочь предотвратить часть остановок ГПА.
Цель дипломной работы: повышение эффективности функционирования газоперекачивающего агрегата 4ГЦ2.
Основные задачи:
- разработка программной системы автоматического контроля технологических параметров;
- разработка фрагмента ФСА газоперекачивающего агрегата с указанием значимых технологических параметров, подлежащих автоматическому контролю.
1 Общая характеристика производства
Оренбургский газоперерабатывающий завод (ОГПЗ) является одним из самых крупных заводов в России по переработке углеводородного сырья. В 1974 году Государственная приемочная комиссия СССР приняла в эксплуатацию пусковой комплекс первой очереди ОГПЗ с выработкой готовой товарной продукции. Далее последовали введение в работу второй и третьей очередей ОГПЗ.
Основными товарными продуктами при переработке сырого газа на газоперерабатывающем заводе являются:
сухой очищенный газ, который далее подается в Единую систему газоснабжения страны через систему магистральных газопроводов «СОЮЗ»;
стабильный газовый конденсат и фракция углеводородная многокомпонентная, которая транспортируется на дальнейшую переработку на Салаватский и Уфимский нефтеперерабатывающие заводы Республики Башкортостан;
сжиженные углеводородные газы (смесь пропан-бутана технического), которые используются в качестве топлива для коммунально-бытовых нужд и в автомобильном транспорте, а также для дальнейшей переработки в химических производствах; направляются потребителю в железнодорожных цистернах;
сера жидкая и комковая – поставляется на предприятия химической промышленности для производства минеральных удобрений, фармацевтической промышленности, сельского хозяйства; отправляется потребителям железнодорожным транспортом в вагонах-цистернах (жидкая) и в полувагонах (комковая);
одорант (смесь природных меркаптанов) применяется для одорирования природного газа, поступающего в коммунально-бытовую сеть.
Вся товарная продукция добровольно сертифицирована, соответствует требованиям действующих государственных, отраслевых стандартов, технических условий и контрактов, конкурентно способна на внутреннем и внешнем рынках. Все виды осуществляемой на заводе деятельности лицензированы.
Организационная структура Газоперерабатывающего завода представлена на рисунке 1.
Рисунок 1 – Организационная структура Оренбургского газоперерабатывающего завода
В состав ОГПЗ входят основные технологические цеха № 1, № 2, № 3, которые занимаются очисткой и осушкой газа от сернистых соединений, а также получением одоранта, стабилизацией конденсата, регенерацией аминов и гликолей. Также в каждом цеху есть установки получения серы и очистки отходящих газов.
У такого крупного предприятия имеется большое количество вспомогательных цехов к ним относятся: ремонтно-механический (РМЦ), электроцех, цех по ремонту и обслуживанию контрольно-измерительных приборов и автоматики (КИПиА), центральная заводская лаборатория (ЦЗЛ), а также водоцех, обеспечивающий все производство паром и водой.
Немаловажное значение на таком производстве отводится и автотранспортному цеху (АТЦ), так как все грузоперевозки внутри завода и за его пределами осуществляется своим автотранспортом.
2 Характеристики центробежного компрессора 4ГЦ2-130/6-65
2.1 Общие характеристики
Центробежный компрессор 4ГЦ2-130/6-65 331АК01-1(331АК01-2) предназначен для компремирования высокосернистых газов расширений (выветривания) и стабилизации, вырабатываемых в процессе переработки нестабильного конденсата I, II, III очередей завода, экспанзерных газов, газов стабилизации и выветривания с установок 1,2,3У-70; У-02,03; 1,2,3У-370; У-32; У-09.
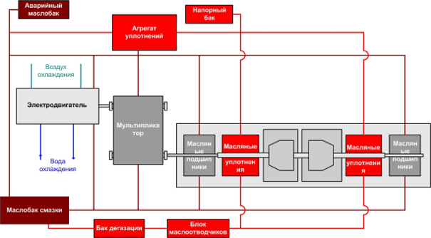
Компрессорная установка (рисунок 2) установлена в помещении цеха, подключена к существующим цеховым системам газо-, водо-, воздухоснабжения, электрической сети, САУ цеха (таблица 1.1). Состав установки согласно таблице 1.2.
Рисунок 2 – Компрессорная установка с масляной системой концевых уплотнений
Сжатие газа осуществляется центробежным компрессором 4ГЦ2-130/6-65 (1.495.004 ТУ, ОКП 3643515066, далее по тексту «Компрессор»).
Компрессор спроектирован ЗАО «НИИТурбокомпрессор» им.В.Б.Шнеппа в 1987 г., изготовлен и поставлен в 1989-1991 г., в эксплуатации с 2003 г. (№1 с 22.03.2003, №2 с 5.05.2003 г.). Наработка на начало реконструкции: №1 – 12 678 часов, №2 – 7 791 час (20.06.2006). Гарантийный срок завода-изготовителя истек.
Таблица 1 – Расшифровка маркировки компрессора:
| Составляющая маркировки | Расшифровка |
| 4 | Номер базы типоразмерного ряда корпусов с вертикальным разъемом |
| ГЦ | Компрессор газовый центробежный |
| 2 | Двухсекционный с расположением секций «спина к спине» |
| 130 | Производительность при начальных условиях, м3/мин |
| 6 | Давление начальное абсолютное, кг/см2 |
| 65 | Давление конечное абсолютное, кг/см2 |
Приводом компрессора служит синхронный электродвигатель СТДП-6300-2Б УХЛ4 6000 мощностью 6.3 МВт и скоростью вращения ротора 3000 об/мин.
Характеристики
Тип файла документ
Документы такого типа открываются такими программами, как Microsoft Office Word на компьютерах Windows, Apple Pages на компьютерах Mac, Open Office - бесплатная альтернатива на различных платформах, в том числе Linux. Наиболее простым и современным решением будут Google документы, так как открываются онлайн без скачивания прямо в браузере на любой платформе. Существуют российские качественные аналоги, например от Яндекса.
Будьте внимательны на мобильных устройствах, так как там используются упрощённый функционал даже в официальном приложении от Microsoft, поэтому для просмотра скачивайте PDF-версию. А если нужно редактировать файл, то используйте оригинальный файл.
Файлы такого типа обычно разбиты на страницы, а текст может быть форматированным (жирный, курсив, выбор шрифта, таблицы и т.п.), а также в него можно добавлять изображения. Формат идеально подходит для рефератов, докладов и РПЗ курсовых проектов, которые необходимо распечатать. Кстати перед печатью также сохраняйте файл в PDF, так как принтер может начудить со шрифтами.














