123439 (592823)
Текст из файла
Введение
Обработка металла давлением (ОМД) является основой многих прогрессивных ресурсосберегающих технологий. Для реализации большинства технологических процессов ОМД необходимо реализовать давление инструмента или какой-либо среды на часть заготовки или нескольких определенным образом расположенных заготовок.
Холодная объемная штамповка (ХОШ) широко используется в штамповочном производстве. Применение ХОШ совместно с другими штамповочными операциями позволяет получить законченные детали, не требующие или почти не требующие дальнейшей механической обработки. Штампованные детали отличаются повышенной точностью и чистотой поверхности, четким контуром, а также повышенной прочностью и жесткостью в результате упрочнения при холодной деформации. Осадка является одной из наиболее часто используемых операций свободной ковки.
Актуальность работы. Анализ процесса кольцевых образцов плоско-параллельными плитами представляет большой теоретический и практический интерес. Этот процесс относится к числу недостаточно изученных. Недостаток фундаментального знания о процессе может стать причиной длительной разработки процесса, и будет затруднять нововведение операции. Предсказание свойств изделий полученных осадкой, а также проект и реализация процесса производится в большинстве случаях эмпирическим способом. Аналитические модели доступны, но не способны полностью охватить все явления. Численное моделирование – возможный ключ, чтобы получить большее количество знаний о процессе. Устойчивость кольцевых заготовок не может быть точно предсказана эмпирическими моделями, потому что этот фактор, главным образом, определен пластическим разрушением. С производственной точки зрения – это наиболее важный параметр.
В данной работе рассматривается реальная картина течения материала, с использованием метода конечных элементов. Также наибольшее внимание уделяется напряженно-деформированному состояния заготовки.
Целью работы является создание математической конечно-элементной модели осадки кольцевой заготовки, описывающей механизм осаживания заготовки между плоскими шероховатыми плитами, позволяющей прогнозировать устойчивость заготовки.
Научная новизна состоит в разработке математической модели осадки кольцевой заготовки и в изучении особенностей пластического формоизменения в процессе осадки кольца.
Методы исследования. Поведение материала при деформировании описывалось при помощи метода конечных элементов, аппарата математической статистики и метода планирования многофакторного эксперимента.
Автор защищает:
-
Математическую конечно-элементную модель осадки кольцевых заготовок.
-
Результаты теоретических исследований напряженного и деформационного состояния заготовки при осадки.
Содержание работы.
Первая часть работы посвящена обзору осадки кольцевых заготовок. Также в первом разделе уделяется внимание рассмотрению одной из наиболее универсальных методик решения задач ОМД – метода конечных элементов.
Во второй части магистерской диссертации представлены основные соотношения и уравнения конечно-элементной модели, которые послужили базой для создания программного пакета.
Третья часть содержит методику математического моделирования осадки кольцевых заготовок и результаты исследований данного процесса.
1 Обзор осадки кольцевых заготовок
1.1 Основные способы осадки
Осадкой называется основная кузнечная операция, при которой увеличиваются размеры поперечного сечения заготовки за счет уменьшения ее высоты (рисунок 1.1). При осадке заготовку устанавливают вертикально, и деформирование происходит вдоль оси заготовки.
Рисунок 1.1. Схема осадки
Осадку применяют в следующих случаях:
-
для получения поковок с большими поперечными размерами из заготовок меньшего поперечного сечения (поковки фланцев, шестерен, дисков);
-
как предварительную операцию перед прошивкой для выравнивания торцов и увеличения диаметра при изготовления полых поковок, например, поковок типа колец, барабанов, муфт;
-
как предварительную операция перед протяжкой для наибольшего разрушения литой дендритной структуры и уменьшения неравномерности свойств в поперечном и продольном направлениях;
-
для повышения укова, если площадь наибольшего поперечного сечения выбранного слитка не обеспечивает требуемого укова;
-
вместе с протяжкой для деталей типа шестерен, дисков, и др.;
-
для повышения механических характеристик в тангенсальном и радиальном направлениях в поковках типа шестерен и др.;
-
вместе с протяжкой для равномерного распределения и измельчания карбидов в сталях карбидного класса (быстрорежущие, высокохромистые), что повышает износостойкость [44].
Осадка является наиболее простой и весьма распространенной операцией объемной штамповки. В сочетании с последующими операциями обрезки и зачистки осадка применяется для изготовления различных деталей с односторонними и двусторонними выступами (рисунок 1.2) [1,5,29,39,44].
Рисунок 1.2. Детали с односторонними и двусторонними выступами, изготовляемые холодной объемной штамповкой
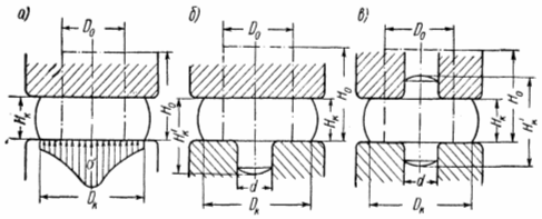
Операция осадки может быть выполнена одним из следующим способом [5]:
-
между плоскими плитами (рисунок 1.3а);
-
между плоской и кольцевой плитами (рисунок 1.3б);
-
между двумя кольцевыми плитами (рисунок 1.3в).
Каждый из этих способов имеет различный характер распределения нормальных напряжений, различную степень неравномерности напряженного и деформированного состояния, предельную степень деформации и величину сопротивления деформации.
Различный характер деформации этих трех схем осадки может быть охарактеризован различным коэффициентом торможения, представляющим собой отношение поверхности трения (контакта с инструментом) к поверхности свободного истечения [39]
Чем больше поверхность трения, тем выше коэффициент торможения, а следовательно, тем затруднено течение металла и тем больше требуемое усилие.
Коэффициент торможения больше для первой схемы осадки и меньше для третьей. Осадка между плоскими плитами допускает меньшую степень деформации, чем осадка кольцевыми плитами.
Рисунок 1.3. Основные схемы осадки
Степень деформации при осадке определяется отношением [39]
где Н0 и Нк – начальная и конечная высота заготовки в
.
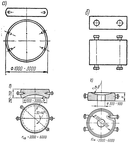
Основным инструментом для осадки являются осадочные плиты. Осадочные плиты применяются только на прессах (рисунок 1.4). Верхняя плоская осадочная плита показана на рисунке 1.4а, а нижняя на рисунке 1.4б. Верхняя и нижняя сферические плиты для осадки с хвостовиком крупных слитков показана на рисунке 1.4в, г. На рисунке 1.4д представлена нижняя осадочная плита для мелких слитков. Плита снабжена рычагами для кантовки на 900 [44].
Рисунок 1.4. Осадочные плиты
1.2 Осадка цилиндрических заготовок
Экспериментально-теоретические решения задачи по определению приближенного соотношения между удлинением и уширением при осадке даны И.Я. Тарновским [52,53].
Напряженное состояние металла при осадке цилиндрических заготовок на плоских плитах определяется, прежде всего, условиями внешнего трения и фактором формы заготовки
или
(отношение высоты к диаметру) и фактором тонкостенности заготовки S/H (отношение толщины к высоте), которые в совокупности определяют граничные условия.
При отсутствии сил внешнего трения или при очень малой или величине напряженное состояние металла при осадке характеризуется схемой линейного сжатия (рисунок 1.5а) или близкой к нему и не зависит от фактора формы заготовки.
При наличии внешнего трения схема напряжений в различных участках объема поковки неодинакова. При этом она сильно изменяется от формы заготовки (рисунок 1.5б, в).
Рисунок 1.5. Схемы напряжений при осадке цилиндрических заготовок:
а – равномерная осадка; б – неравномерная осадка при
; в – то же при
Схема объемного сжатия появляется в результате действия сил внешнего трения. Однако при осадке высоких заготовок действие сил внешнего трения в соответствии с принципом Сен-Венана затухает по мере удаления от контактных поверхностей. Эти объясняется тот факт, что при осадке высоких заготовок в середине высоты заготовки имеется схема линейного напряженного состояния. При осадке низких заготовок почти весь объем поковки находится под действием всестороннего неравномерного сжатия. При этом, чем меньше высота заготовки по отношению к диаметру, тем более резко выражена схема объемного сжатия и тем больше абсолютная величина среднего гидростатического давления.
Изменение граничных условий, сопровождаемое изменением напряженного и деформированного состояния, подтверждает целесообразность разделительного анализа деформации цилиндрических заготовок с различным соотношением
, а именно:
-
Высокие заготовки при
> 1,5-2. Отличительной особенностью процесса осадки таких цилиндров является двойное бочкообразование при отсутствии смазки. -
Заготовки умеренной высоты при 0,3-0,4 <
< 1,5-2. Для этих заготовок характерно одинарное бочкообразование. При осадке на сухих шероховатых плитах почти вся контактная поверхность представляет собой зону прилипания. -
Низкие заготовки при
< 0,3-0,4. При осадке на сухих шероховатых плитах в этом случае также имеет одинарное бочкообразование. Однако на значительной части контактной поверхности развивается скольжение, а у очень тонких цилиндров скольжение практически охватывает всю контактную поверхность.
Из работы Л.А. Шофмана [67,68] следует, что траектория перемещение любой точки при однородном сжатии представляет собой ветвь кубической гиперболы, уравнение которой
Известно, что при пластическом сжатии в реальных условиях деформация неоднородна. Поэтому гипотеза плоских сечений, принимаемая при теоретическом анализе неправомерна, а следовательно, неправомерно условие
.
Рисунок 1.6. Напряжения на боковой поверхности цилиндрического образца при осадке плоскими плитами.
Результаты экспериментов, приведенные на рисунке 1.6, показали, что неоднородность деформации при пластическом сжатии цилиндрического тела приводит к тому, что на свободной бочкообразной поверхности тела возникают окружные (тангенсальные) растягивающие напряжения
, которые имеют наибольшую величину посередине высоты деформированного тела. Осевые напряжения
на этом участке имеют наименьшее значение.
Чем больше неоднородность деформации, тем при прочих равных условиях больше бочкообразность осаженной заготовки, а следовательно, больше и величина тангенсальных растягивающих напряжений, которые возникают на свободных поверхностях тела, и тем вероятнее нарушение сплошности металла.
Средние удельные давления при осадке цилиндрических заготовок представлены в виде диаграммы на рисунке 1.7 по Е.П. Унксову [61].
Характеристики
Тип файла документ
Документы такого типа открываются такими программами, как Microsoft Office Word на компьютерах Windows, Apple Pages на компьютерах Mac, Open Office - бесплатная альтернатива на различных платформах, в том числе Linux. Наиболее простым и современным решением будут Google документы, так как открываются онлайн без скачивания прямо в браузере на любой платформе. Существуют российские качественные аналоги, например от Яндекса.
Будьте внимательны на мобильных устройствах, так как там используются упрощённый функционал даже в официальном приложении от Microsoft, поэтому для просмотра скачивайте PDF-версию. А если нужно редактировать файл, то используйте оригинальный файл.
Файлы такого типа обычно разбиты на страницы, а текст может быть форматированным (жирный, курсив, выбор шрифта, таблицы и т.п.), а также в него можно добавлять изображения. Формат идеально подходит для рефератов, докладов и РПЗ курсовых проектов, которые необходимо распечатать. Кстати перед печатью также сохраняйте файл в PDF, так как принтер может начудить со шрифтами.















