123359 (592803), страница 4
Текст из файла (страница 4)
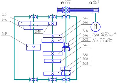
Pэд.= 5,5 кВт
nэд.= 1450 мин –1
Определение общего диапазона регулирования привода
Общий диапазон регулирования привода Rn, определяется по формуле:
, (3.1)
где nmax – наибольшее число двойных ходов ползуна в минуту;
nmin – наименьшее число двойных ходов ползуна в минуту.
Подставив известные значения nmax и nmin, получим:
Определение общего числа ступеней скорости
Для геометрического ряда частот вращения число ступеней скорости z, может быть определено из соотношения:
(3.2)
Вычисленная по этой формуле величина z округляется до целого числа, что приводит к некоторому изменению действительного диапазона регулирования Rn.
Выбор конструктивных вариантов привода
При настройке последовательно включенными групповыми передачами число ступеней скорости z может быть представлено в виде:
(3.3)
где pk – число отдельных передач в каждой группе;
m – число групп передач.
При выбранном числе ступеней частот вращения шпинделя z количество групп передач, количество передач в каждой группе и порядок расположения групп может быть различным.
Число конструктивных вариантов привода Nкон состоящего из m групп передач, определяется по формуле:
, (3.4)
где q – число групп с одинаковым числом передач.
Определение числа возможных кинематических вариантов
Если частоты вращения шпинделя изменяются по геометрическому ряду, то передаточные отношения передач в группах образуют геометрический ряд со знаменателем х, где х – целое число, называемое характеристикой группы передач. Для последовательного получения частот вращения шпинделя сначала переключают передачи одной группы, затем другой и т.д.
В зависимости от принятого порядка переключений группа может быть:
а) основной, характеристика, которой определяется по формуле:
х0 = 1, (3.5)
б) первой переборной группой, для которой характеристика определяется по формуле:
х1 = р1, (3.6)
где р1 – число передач в основной группе.
в) второй переборной группой, для которой характеристика определяется по формуле:
х2 = р1 р2, (3.7)
где р2 – число передач в первой переборной группе.
Основной и различными по номеру переборными группами может быть любая группа передач в приводе. Для определенного конструктивного варианта число кинематических Nкин будет равно числу перестановок из m групп передач:
Nкин. = m!, (3.8)
Определение максимальных передаточных отношений по группам передач
Общее максимальное передаточное отношение привода umax, определяется по формуле:
(3.9)
Поученное передаточное отношение может быть представлено в виде:
(3.10)
где Н – показатель степени, определяющий величину общего передаточного отношения.
Определение максимальных передаточных отношений в группах производится путем разбиения общего передаточного отношения на передаточные отношения групп, для чего вычисляется показатель степени Н и выражается в виде:
, (3.11)
где hk – показатель степени, характеризующий величину максимального передаточного отношения k-той группы передач;
m – число групп передач.
При этом выбранные значения hk должны быть целыми числами и должны удовлетворять условию:
hk hk+1 … hm. (3.12)
Максимальное передаточное отношение в группе umaxk, определится по формуле:
. (3.13)
При этом должно быть обеспечено выполнение следующего условия:
. (3.14)
Так как показатель степени Н, как правило, не является целым числом, он не может быть точно представлен суммой целых чисел. Поэтому для сохранения величины общего максимального передаточного отношения вводится дополнительная передача от вала электродвигателя на входной вал, передаточное отношение которой, определится по формуле:
, (3.15)
. (3.16)
3.3 Построение структурной сетки
Структурная сетка (рисунок 10) строится в соответствии с выбранной формулой структуры привода. В ней находит отражение относительная связь между передаточными отношениями в группах, поэтому лучи для каждой группы проводятся симметрично, а количество интервалов между их концами численно равно характеристике группы, определяемой в соответствии со структурной формулой.
3.4 Построение графика частот вращения
График частот вращения (рисунок 11) отражает частоты вращения всех валов привода, включая валы одиночных передач, необходимых для его компоновки. Построение начинают с цепи редукции, обеспечивающей снижение частоты вращения электродвигателя nэд. до nmin на шпинделе. Для дальнейшего построения используется структурная сетка.
Рисунок 10 – Структурная сетка
Рисунок 11 – График числа двойных ходов ползуна
3.5 Определение передаточных отношений в группах передач
Для определения передаточных отношений используются построенные графики частот вращения.
Передаточное отношение передачи u, определяется выражением:
u = k, (3.17)
где k – число интервалов между горизонталями, перекрытых лучами, соединяющими отметки частот вращения на соседних валах.
3.6 Определение чисел зубьев передач
При определении чисел зубьев исходят из постоянства межосевого расстояния и числа зубьев, определяют по следующим формулам:
, (3.18)
, (3.19)
, (3.20)
(3.21)
где z1 и z2 – числа зубьев ведущего и ведомого колес;
z0 – сума чисел зубьев сопряженных колес;
f – числитель передаточного отношения;
g – знаменатель передаточного отношения;
K – наименьшее кратное сумм (f + g);
Е – целое число;
zmin= 18 – минимальное число зубьев.
В соответствии с полученными числами зубьев передач, вычерчивается вариант кинематической структуры (рисунок 12).
Рисунок 12 – Кинематическая структура коробки скоростей
3.7 Определение крутящих моментов на валах коробки скоростей
Крутящие моменты на валах Т, Н·м, могут быть найдены по формуле:
(3.22)
где Рэд. – мощность на валу двигателя, кВт;
– КПД участка кинематической цепи от двигателя до рассчитываемого вала;
n – расчетная частота вращения вала, об/мин.
Кинематический расчет коробки скоростей выполнен с использованием программы «SIRIUS 2». Результаты расчета находятся в приложении А.
3.8 Расчет прямозубой эвольвентной передачи
Определение модуля зубчатой передачи расчетом на контактную выносливость зубьев
Для прямозубой цилиндрической передачи модуль mн, мм, определяется по формуле:
(3.23)
где Kd – вспомогательный коэффициент; для прямозубых передач Kd = 770;
z1 – число зубьев шестерни;
T1 – вращающий момент на шестерне, Нм;
u – передаточное отношение передачи;
НР – допускаемое контактное напряжение, МПа;
KH – коэффициент, учитывающий распределение нагрузки по ширине венца;
(3.24)
где b – рабочая ширина венца зубчатой передачи;
d1 – делительный диаметр шестерни.
Определение модуля зубчатой передачи расчетом на выносливость зубьев при изгибе
Для прямозубой цилиндрической передачи модуль mF, мм, определяется по формуле:
(3.25)
где Km – вспомогательный коэффициент; для прямозубых передач Km = 14;
KF – коэффициент, учитывающий распределение нагрузки по ширине венца при изгибе;
FP – допускаемое изгибное напряжение, МПа;
YF1 – коэффициент учитывающий форму зубьев шестерни.
Определение стандартного модуля зубчатой передачи
Из полученных расчетных значений mH и mF выбирается наибольшее значение и округляется в сторону увеличения до стандартного модуля по ГОСТ 9563 – 60. При этом должно выполняться следующее условие:
m1 m2 … mk, (3.26)
где m1 – модуль зубчатых передач группы, расположенной первой от электродвигателя;
mk – модуль зубчатых передач группы, расположенной последней от электродвигателя.
Определение межосевого расстояния зубчатой передачи
Для прямозубой цилиндрической передачи межосевое расстояние А, мм, определяется по формуле:
(3.27)
где m – стандартный модуль передачи, мм;
z2 – число зубьев зубчатого колеса, сопряженного с шестерней.
При определении межосевых расстояний по группам передач должно выполняться следующее условие:
Aw1 Aw2 … Awk, (3.28)
где Aw1 – межосевое расстояние передач группы, расположенной первой от электродвигателя;
Awk – межосевое расстояние передач группы, расположенной последней от электродвигателя.
Расчет прямозубой эвольвентной передачи выполнен с использованием программы «SIRIUS 2». Результаты расчета находятся в приложении Б.
3.9 Расчет клиноременной передачи
С использованием программы «SIRIUS 2» произведем полный расчет клиноременной передачи с двумя шкивами без натяжного ролика при передаваемой мощности не более 30 кВт.
Окружная скорость ремня V, мин -1, определяется по формуле:
, (3.29)
где d1 – расчетный диаметр шкива, мм;
n1 – мощность, передаваемая передачей, кВт.
Расчетная длина ремня L, мм, определяется по формуле:
, (3.30)
где d2 – расчетный диаметр шкива, мм;
А – приблизительное межцентровое расстояние, мм.
Число ремней z определяется по формуле:
, (3.31)
где N – мощность, передаваемая передачей, кВт;
N0 – мощность, передаваемая одним ремнем, кВт;
К1 – поправочный коэффициент, зависящий от угла обхвата;
СР – коэффициент режима работы.
Коэффициенты К1 и СР определяются по формулам:















