123250 (592789), страница 7
Текст из файла (страница 7)
Крок №2 Шток пневмоциліндра 1.0 висувається по команді датчика.
Крок №3 Шток пневмоциліндра 2.0 повертається по команді датчика.
Для наьору пакету по висоті (в нашому випадку 5 ярусів) ми повторюємо цей цикл відповідно ще чотири рази.
Крок №20 Шток пневмоциліндра 4.0 висувається по команді датчика.
Крок №21 Шток пневмоциліндра 3.0 висувається по команді датчика.
Крок №22 Шток пневмоциліндра 3.0 повертається по команді датчика
Крок №23 Шток пневмоциліндра 4.0 повертається по команді датчика.
Цикл повторюється з першого кроку.
Для визначення типу датчика та його функцій складаємо таблицю 5.
Таблиця 5
| №п/п | Позначення | Елемент | Функції |
| 1 | S1 | ролик | Наявність шару на рухомій площині т ависування штоку пневмоциліндра 2.0 |
| 2 | S2 | геркон | Висування штоку пневмоциліндра 1.0 |
| 3 | S3 | ролик | Повернення штоку пневмоциліндра 2.0 |
| 4 | S4 | ролик (ламаний) | Повернення штоку пневмоциліндра 1.0 |
| 5 | S5 | ролик | Висування штоку пневмоциліндра 3.0 |
| 6 | S6 | ролик | Повернення штоків пневмоциліндра 3.0, 4.0 |
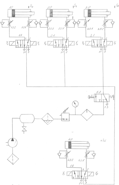
Опис роботи пневматичної схеми.
Для вмикання розподільника 2.1 спрацьовує електромагніт Y3. Стиснене повітря починає надходити з магістралі через отвори 1-4 в поршневу порожнину пневмоциліндра 2.0. Під тиском стисненого повітря поршень починає рухатися. Повернення в початковий стан відбувається за рахунок переміщення електромагніту Y2, який перемикає розподільник 2.1 в інше положення. При цьому отвір 1 з’єднується з отвором 4, а отвір 2 з 3. Стиснене повітря поступає в штокову порожнину і одночасно з цим з поршневої порожнини виходить в атмосферу.
Для зміни швидкості поршня під час руху використовується дросель із зворотним клапаном (рис. 9).
Рис. 9 - Пневматична схема
Швидкість руху поршня змінюється за рахунок опору повітря, яке залишається в штоковій порожнині і виходить в атмосферу через дросель, отвір якого менший за отвори пневмоциліндра.
При розходженні стулок вмикається електромагніт який переміщує розподільник 1.1 і стиснене повітря 3 через його отвори потрапляє в пневмоциліндр 1.0 і змушує шток висуватися. Для повернення штоку в початковий стан вмикається електромагніт Y4, який повертає розподілювач 1.1 в початковий стан. Для зменшення швидкості руху та плавного ходу в обох напрямках біля отворів пневмоциліндра встановлені дроселі із зворотніми клапанами 1.0.1 та 1.0.2.
Таким чином за допомогою пневмоциліндрів 1.0 та 2.0 та їх виконавчих органів формується пакет упаковок.
Для подачі ящика під завантаження вмикається електромагніт Y7 та перемикається розподільник 4.1. Стиснене повітря з магістралі через отвори розподільника 4.1 попадає в поршневу порожнину пневмоциліндра 4.0 і примушує його шток подавати ящик до завантаження. Повернення штоку за наступним ящиком відбувається при вмиканні електромагніта Y8. Для плавності руху та зменшення швидкості переміщення ящика біля отворів пневмоциліндра 4.0 ставляться дроселя із зворотнім клапаном 4.0.1 та 4.0.2.
Завантаження шару упаковок в ящик відбувається при вмиканні електромагніту Y5 та перемиканні розподілювача 3.1. Стиснене повітря з магістралі через отвори 3.1 поступає в пневмоциліндр 3.0. Шток пневмоциліндра приводить в рух зіштовхувач, який в свою чергу зіштовхує пакет в ящик. Повернення штоку пневмоциліндра в початковий стан відбувається при спрацюванні електромагніта Y6 та перемиканні розподілювача 3.1.
Швидкість переміщення шару регулюється за допомогою дроселів із зворотними клапанами 3.0.1 та 3.0.2, які ставляться біля отворів пневмоциліндрів 3.0.
Для чіткої роботи пневматичної схеми складається діаграма “Крок-переміщення”, яка показує взаємодію всіх пневмоциліндрів між собою; також для покращення роботи всіх пневмоциліндрів встановлюємо вузол підготовки стисненого повітря.
Робота електричної схеми починається в момент, коли на рухому площадку попадає шар упаковок, про що сповіщає кінцевий вимикач (ролик) S1, контакт якого замикається і струм подається на реле K2. Контакт реле К1.2 замикається і запускає електромагніт Y3 розподілювача 2.1. Команда повного розкриття стулок фіксується герконом S2, команда якого вмикає реле K3. Контакт реле К3.1 замикається і запускає електромагніт Y1 розподілювача 1.1, який з’єднує отвори так, що за допомогою пневмоциліндра формується пакет. Крайнє витягнуте положення штоку пневмоциліндра 1.0 фіксується за допомогою ролика S3, електричний сигнал якого вмикає реле K4. Контакт реле К4.1замикається і запускає елкетромагніт Y4, який повертає розподілювач 2.1 в початковий стан – стулки сходяться. Закриття стулок фіксує вимикач S3 (ламаний ролик), який спрацьовує лише при закритті стулок, контакт вимикача S4 вмикає реле К5, через контакт якого К5.1 вмикається електромагніт Y2 розподілювача 1.1 та відбувається його перемикання в початкове положення, що приводить до повернення штоку пневмоциліндра 1.0 в початковий стан. Цикл формування пакету повторюється. Кількість шарів в пакеті рахує лічильник. Коли кількість шарів досягне заданого числа, то в лічильнику замикається контакт, який подає електричний сигнал на котушку реле К6, яка містить два контакти: нормально відкритий К6.2 та нормально-закритий К6.1. Нормально відкритий контакт К6.2 вмикає електромагніт Y7, розподілювача 4.1, який змушує пневмоциліндр 4.0 подати ящик до місця завантаження.
Рис. 10 - Електрична схема
Нормально закритий контакт К6.1 розмикає коло 3, що запобігає вмиканню пневмоциліндрів 1.0 та 2.0 при наявності шару упаковок на рухомій площині. Наявність ящика на позиції завантаження фіксується кінцевим вимикачем S5, контакт якого вмикає котушку реле К7; через контакт катушки К7.1 електромагніта Y5 розподільника 3.1 в результаті чого пакет пачок переміщується в ящик за допомогою штоку пневмоциліндра 3.0 крайнього висунутого положення, яке фіксується вимикачем S6, контакт якого вмикає котушку реле К8. Реле К8 містить два нормально відкритих контакта К8.1 та К8.2. Контакт К8.1 подає струм на електромагніти Y6 і Y8. Команди електромагнітів перемикають розподільники 3.1 та 4.1 в початкове положення, що приводить до втягнення штоків пневмоциліндрів 3.0 та 4.0. Контакт К8.2 подає струм на котушку лічильника R, яка обнулає його значення та повертає його в початковий стан. Живлення на котушку реле К6 припиняється, що приводить до відновлення роботи пневмоциліндра 1.0 та 2.0 за рахунок закривання контакту К6.1. Цикл повторюється.
В електричній схемі передбачено аварійне відключення її у випадку припинення подачі живлення на обладнання або збій в його роботі. Для даної мети схема містить дві кнопки “Пуск” і “Стоп”. При натисканні на кнопку “Пуск” коло 1 замикається і струм подається на котушку реле К1. Реле має два контакти К1.1 та К1.2. Контакт К1.1 є утримуючий, а К1.2 – основний. При подачі живлення на котушку дані контакти замикаються, в результаті чого живлення через контакт К1.2 поступає в решту частин схеми, а катушка К1 отримує паралельну лінію живлення 2, що дозволяє утримувати подачу струму на котушку при відпусканні кнопки “Пуск”.
В разі вимкнення або аварійної зупинки роботи схеми необхідно натиснути кнопку “Стоп”. Живлення на катушку К1 припиняється, контакт К1.1 та К1.2 розмикаються, подача струму в схему припиняється.
Обслуговування та ремонт електро- та пневмосистеми.
Поточний контроль за функціонуванням схем лежить на операторі. Нескладні поломки оператор усуває самостійно. Для більш складного ремонту викликають наладчика або ремонтну службу. Всі несправності необхідно записувати в спеціальному журналі.
При введенні в експлуатацію обладнання з пневматикою необхідно дотримуватись таких вимог:
-
подати стиснене повітря в магістраль та переконатись, що вся система працює під тиском;
-
перевірити в якому стані знаходяться розподілювачі;
-
провести пробний пуск машини без заготовок; з заготовками;
-
перевірити додаткові умови роботи обладнання: аварійний “Стоп”, режими “автоматичний-ручний”.
10. Науково-дослідна робота по дослідженню операції переміщення пачок з вафлями в гофрокартонні ящики
В процесі пакування пачок з вафлями в гофрокартонні коробки існують операції, в результаті виконання яких пачки контактують з робочими органами. При цьому під час контакту виникають зусилля від дії робочих органів, які можуть призвести до деформації пачок, а отже до втрати ними споживчих якостей.
Проектування якомога більш продуктивних пакувальних машин вимагає переміщення пачок з максимальними швидкостями, прискореннями, а отже і силами дії по переміщенню виробів.
Для оцінки допустимих значень прискорень та швидкостей необхідно визначитись із зусиллями від дії робочих органів машини на пачки, які не викликають втрату виробами своїх геометричних розмірів, тобто допутимих зусиль.
Задачею даного експерименту є визначення допустимого тиску на пачки з вафлями вагою 100 гр, розмірами 110*58*40 мм.
Планування експерименту.
-
Відбираємо 10 пачок з вафлями із неушкодженими геометричними розмірами і цілими вафлями;
-
Проводимо дослідження на експериментальній установці т азнімаємо результати.
Рушійною силою є сила від дії штовхача, в якості якого використовується пневмоциліндр.
Сила опору включає в себе дві складові: силу інерції, яка виникає в момент контакту штовхача з пачками та силу тертя між пачками та поверхнею.
Прилади, які необхідні для проведення експерименту: дослідна установка, штангенциркуль, лінійка, набір різноваг, пластина.
10.1 Порядок виконання досліду
Встановлюємо пачку з вафлями на стіл установки і накриваємо пластиною. За допомогою лінійки встановлюємо стрілку на нульову відмітку. Змінюючи навантаження на пачку знімаємо величину переміщення стрілки. Дослід припиняємо в момент розкривання обгортки. Виконуємо все це для 3-х положень пачки.
| Вантаж, кг | Тиск, Па | 1 | 2 | 3 | 4 | 5 | 6 | 7 | 8 | 9 | 10 | |
| 0,5 | 2112 | - | - | - | - | - | - | - | - | - | - | |
| 1,0 | 4224 | - | - | 0,5 | - | - | - | 0,5 | - | - | 0,8 | |
| 1,5 | 6336 | 1,0 | 1,1 | 1,5 | 1,1 | 0,8 | 0,8 | 1,0 | 1,5 | 1,1 | 1,9 | |
| 2,0 | 8448 | 3,0 | 3,1 | 3,6 | 3,0 | 2,9 | 3,6 | 3,0 | 3,1 | 3,9 | 3,1 | |
| 2,5 | 10560 | 4,0 | 4,2 | 4,5 | 4,1 | 3,7 | 4,0 | 4,7 | 4,0 | 4,1 | 4,8 | |
| 3,0 | 12672 | повне розкриття | ||||||||||
S1=40*58 мм
| Вантаж, кг | Тиск, Па | 1 | 2 | 3 | 4 | 5 | 6 | 7 | 8 | 9 | 10 | |
| 1,0 | 2227 | - | - | - | - | - | - | - | - | - | - | |
| 2,0 | 4455 | - | - | - | - | - | - | - | - | - | - | |
| 3,0 | 6682 | - | 0,6 | - | - | - | 0,7 | - | - | - | - | |
| 4,0 | 8909 | 1,5 | 1,3 | 1,1 | 1,0 | 0,9 | 1,0 | 1,2 | 1,5 | 1,5 | 1,1 | |
| 5,0 | 11161 | 3,1 | 3,0 | 3,4 | 3,1 | 3,2 | 3,0 | 3,5 | 3,1 | 3,5 | 3,3 | |
| 6,0 | 13364 | 4,2 | 4,0 | 4,5 | 4,1 | 4,2 | 3,9 | 4,0 | 4,3 | 4,0 | 3,8 | |
| 7,0 | 15591 | повне розкриття | ||||||||||
S1=110*40 мм
| Вантаж, кг | Тиск, Па | 1 | 2 | 3 | 4 | 5 | 6 | 7 | 8 | 9 | 10 |
| 6 | 9216 | - | - | - | - | - | - | - | - | - | - |
| 7 | 10752 | - | - | - | - | - | - | - | - | - | - |
| 8 | 12298 | - | 0,6 | - | - | 0,8 | - | - | 0,75 | - | - |
| 9 | 13824 | 1,5 | 1,0 | 1,0 | 1,0 | 0,9 | 1,3 | 1,3 | 1,2 | 1,0 | 1,5 |
| 10 | 15360 | 3,3 | 3,2 | 3,2 | 3,5 | 3,2 | 3,3 | 3,6 | 3,4 | 3,5 | 3,3 |
| 11 | 15689 | 3,9 | 4,0 | 4,0 | 4,5 | 4,3 | 4,1 | 4,2 | 4,0 | 4,2 | 4,0 |
| 12 | 18433 | повне розкриття | |||||||||
S1=110*58 мм















