109027 (590975), страница 3
Текст из файла (страница 3)
Х/2 = х2
= 345,08 ∙10-6
= 4,846
Относительное значение
Х/2*= х/2
= 4,846
= 0,17
1.10. Расчет потерь для 2р=4
Потери в стали основные
Рст. осн = ρ1,0 150 (
)β∙(Kда∙В2а∙ma+KдZ∙В2Z1∙mZ1)=2,5∙(
)1,6∙ (1,6∙0,732∙19,23 + 1,8∙1,7862∙3,055) = 84,78 Вт
[ρ1,0 150 = 2,5 Вт/кг для стали 2013 по табл.9.28]
ma = 19,23 кг; Kда = 1,6; KдZ = 1,8; ВZ1 = 1,786 Тл; Ва = 0,73 Тл
m1 = 3,055кг
Поверхностные потери в роторе
Рпов2= рпов2(tZ2- bш2)∙Z2∙ℓст2 = 92,8∙(18,74-1,5)∙10-3∙18∙0,1754= 5,05 Вт
рпов2 = 0,5К0,2(
)1,5 (В0,2 ∙tZ1∙103)2 = 0,5∙1,5(
)1,5 (0,2997 ∙ 0,0142 ∙103)2 = 92,8 Вт/м2,
В0,2 = β0,2 ∙Кδ∙ Вδ = 0,35∙ 1,204 ∙ 0,7111 = 0,2997 Тл
β0,2 = f(bШ1/0,5) = 50(3,5/0,5)∙ 10-3 = 0,35 м
Поверхностные потери в статоре.
Рпов1= рпов1(tZ1- bш1)∙Z1∙ℓст1 = 19,273∙(14,2-3,5)∙10-3∙24∙0,1754= 0,87 Вт
рпов1 = 0,5К0,1(
)1,5 (В0,1∙tZ2∙103)2 = 0,5∙15(
)1,5 (0,13∙0,01874 ∙103)2 = 19,273 Вт/м2
В0,1 = β0,1 ∙Кδ∙ Вδ = 0,15∙ 1,204 ∙ 0,7111 = 0,13 Тл
β0,1 = f(bШ2/δ) = 0,15 м
Пульсационные потери в зубцах ротора.
Рпул2 = 0,11(
)2 mZ2 = 0,11(
) ∙ 2,668 = 3,653 Вт
Впул2 =
=
= 0,098 Тл
ВZ2ср = 1,8 (п.59 расчета); γ1= 4,083 mZ2 = 2,668 кг
Пульсационные потери в зубцах статора.
Рпул1 = 0,11(
)2 mZ1 = 0,11(
)2 ∙ 3,055 = 0,307 Вт
Впул1 =
=
= 0,0354
γ2 =
= 1,125
ВZ1ср = 1,786 из п. 58 расчета mZ1 = 3,055 кг
Сумма добавочных потерь в стали
Рст. доб. = Рпов1 + Рпул1+ Рпов2 + Рпул2 = 0,87 +0,307+5,05+3,653 =9,88 Вт
Полные потери в стали
Рст. = Рст. осн. + Рст. доб = 84,78 + 9,88 = 94,66 Вт
Механические потери
Рмех = Кт(
)2 ∙ (10∙Dвент)3 = 2,9 (
)2 ∙(10∙0,197)3 = 49,886 Вт
Холостой ход двигателя.
IХ.Х. =
=
= 4,168 А
IХ.Х.а =
=
= 0,301 А
Рэ1хх = m∙ I2μ∙r1 = 3∙4,1572 ∙1,044 = 54,123 Вт
Cosφx.x. = IХ.Х.а / IХ.Х. = 0,301 / 4,168 = 0,0722
1.11. Расчет рабочих характеристик для 2р=2
Параметры:
r12 =
=
= 2,266 Ом
Х12 =
=
- 3,18 = 34,28 Ом
С1 = 1 +
= 1+
= 1,093
Используем приближенную формулу, т.к.
< 10
γ = arctg
= arctg
=
<10
Активная составляющая тока синхронного холостого хода.
I0a =
=
= 0,5108 А
а/ = с21 = 1,0932 = 1,195
а = с1 ∙ r1 = 1,093 ∙ 0,522 = 0,5705
b= с1(х1+с1х/2) = 1,093(3,18+1,093∙1,046) = 4,725 Ом
Потери, не изменяющиеся при изменении скольжения.
Рст + Рмех = 283,135 + 199,544 = 482,679 Вт
Рассчитываем рабочие характеристики для скольжения 0,005; 0,01; 0,015; 0,02; 0,025; 0,0275; 0,03. После построения уточнения значение номинального скольжения Sном = 0,0234.
Расчеты сведены в таблице 1.1.
Таблица 1.1.
| № п/п | Расчетная формула | размерность | Скольжение S | |||||||
| 0,005 | 0,01 | 0,015 | 0,02 | 0,025 | 0,0275 | 0,03 | Sком = 0,0234 | |||
| 1 | а/r/2/S | Ом | 78,353 | 39,18 | 26,12 | 19,56 | 15,67 | 14,246 | 13,06 | 16,742 |
| 2 | R = a+ а/r/2/S | Ом | 78,89 | 39,714 | 26,654 | 20,124 | 16,205 | 14,78 | 13,594 | 17,276 |
| 3 | X= b+ b/r/2/S | Ом | 2,293 | 2,293 | 2,293 | 2,293 | 2,293 | 2,293 | 2,293 | 2,293 |
| 4 | Z = | Ом | 78,92 | 39,78 | 26,8 | 20,254 | 16,37 | 14,957 | 13,79 | 17,428 |
| 5 | I//2 = U1ном/Z | А | 2,79 | 5,53 | 8,209 | 10,862 | 13,44 | 14,709 | 15,954 | 12,623 |
| 6 | Cosφ/2 = R/Z | - | 0,9996 | 0,999 | 0,9946 | 0,9936 | 0,9899 | 0,9882 | 0,9858 | 0,9913 |
| 7 | Sin φ/2 = X/Z | - | 0,0291 | 0,058 | 0,0856 | 0,1132 | 0,1401 | 0,1533 | 0,1633 | 0,13157 |
| 8 | I1a = I0a + I//2 cosφ/2 | А | 3,226 | 5,962 | 8,602 | 11,23 | 13,74 | 14,97 | 16,165 | 12,95 |
| 9 | I1p = I0p + I//2 sinφ/2 | А | 5,954 | 6,194 | 6,576 | 7,103 | 7,756 | 8,13 | 8,526 | 7,534 |
| 10 | I1 = | А | 6,772 | 8,597 | 10,83 | 13,29 | 15,78 | 17,04 | 18,28 | 14,983 |
| 11 | I/2 = c1 ∙I//2 | А | 2,878 | 5,705 | 8,468 | 11,204 | 13,863 | 15,172 | 16,457 | 13,021 |
| 12 | Р1 = 3 ∙U1номI1a10-3 | кВт | 2,13 | 3,935 | 5,68 | 7,412 | 9,07 | 9,882 | 10,67 | 8,547 |
| 13 | Pэ1 = 3∙ I21r1 ∙10-3 | кВт | 0,072 | 0,116 | 0,1837 | 0,2766 | 0,39 | 0,455 | 0,5233 | 0,3515 |
| 14 | Pэ2 = 3∙(I/2)2r/2 ∙10-3 | кВт | 0,0092 | 0,036 | 0,0792 | 0,1387 | 0,2123 | 0,2543 | 0,2992 | 0,1873 |
| 15 | Pдоб = 0,005 ∙Р1 | кВт | 0,01065 | 0,0198 | 0,0284 | 0,03706 | 0,04535 | 0,04941 | 0,05335 | 0,04274 |
| 16 | ∑Р = Рст+Рмех+Рэ12 + Рэ1+Рдоб. | кВт | 0,5744 | 0,6544 | 0,7739 | 0,935 | 1,13025 | 1,2413 | 1,3584 | 1,0642 |
| 17 | Р2 = Р1 - ∑Р | кВт | 1,556 | 3,28 | 4,91 | 6,48 | 7,94 | 8,641 | 9,312 | 7,483 |
| 18 | η = 1- ∑P / P1 | - | 0,7303 | 0,8337 | 0,864 | 0,874 | 0,8754 | 0,8744 | 0,8727 | 0,8755 |
| 19 | Cos φ = I1a/ I1 | - | 0,4704 | 0,6935 | 0,7943 | 0,845 | 0,8708 | 0,8787 | 0,8843 | 0,8644 |
1.12. Расчет пусковых характеристик для 2р = 2
а) расчет токов с учетом влияния изменения параметров под влиянием эффекта вытеснения тока (без учета влияния насыщения от полей рассеяния).
81. Активное сопротивление обмотки ротора с учетом влияния эффекта вытеснения тока.
ξ = 2πhc
= 63,61hc
= 63,61∙14,55∙10-3 = 0,9255
hc = hn2 – (hШ2 +h/Ш) = 15,3 –(0,75+0) = 14,55 мм
по рис. 9.57 для ξ = 0,9255 находим φ= 0,89∙ξ4, т.к. ξ<1
r/a = rc = 82,95∙10-6 Ом
φ= 0,89∙0,92554 = 0,65306
Глубина проникновения тока
hr =
=
= 8,8 мм
КД = φ/ = 0,96 (по рис. 9.58 для ξ = 0,9255 φ/ = 0,96)
так как (0,5∙9,1) ≤ 8,8 ≤ (6,6 +9,1∙0,5)
qr =
=
= 68,05 мм2
br = b1 -
= 9,1 -
= 7,62
Кr = qc / qr = 103,15 / 68,05 = 1,516
КR = 1+
= 1+
= 1,361
r2 = 118,6∙10-6 Ом; rс = 82,95 ∙10-6 Ом;
r/2ξ = КR∙ r/2 = 1,361∙0,3682 = 0,5011Ом
Индуктивное сопротивление обмотки ротора с учетом влияния эффекта вытеснения тока.
(по рис. 9.58) для ξ = 0,9255 φ/ = КД = 0,96
Кх =
=
= 0,9926
λn2ξ = λn2- Δλn2 ξ= 1,2376-0,029506 = 1,208
Δλn2 ξ= λ/n2 (1-КД) = [
] (1-КД) =
= [
] (1-0,96) = 0,029506
Х/2ξ = Х/2 ∙Кх = 1,046 ∙ 0,9926 = 1,03826
Пусковые параметры
Х12n = Kμ ∙ X12 = 1,463∙36,316 = 53,13
Х12 =
-Х1 =
-1,144 = 36,316
С1n = 1+
= 1+
= 1,0215
Расчет токов с учетом влияния эффекта вытеснения тока для S= 1
Rn = r1 +c1n∙r/2ξ / S = 0,522 +1,0215∙0,5011/1 = 1,034
Хn = X1+c1n∙ X/2ξ= 1,144+1,0215∙1,03826 = 2,2046
I/2n =
=
= 90,35 А
I1n = I/2
= 90,35
= 92,135
Результаты расчетов для S= 1 и других скольжений сведены в табл. 1.2., 1.3
Таблица 1.2
| № п/п | Расчетная формула | размерность | Скольжение S | |||||
| 1 | 0,8 | 0,5 | 0,2 | 0,1 | Sком = 0,3449 | |||
| 1 | ξ=2πhc | - | 0,9255 | 0,828 | 0,6544 | 0,41 | 0,2927 | 0,5435 |
| 2 | φ (ξ) | - | 0,65306 | 0,4183 | 0,1633 | 0,0261 | 0,0065 | 0,0777 |
| 3 | hr =hc / (1+φ) | мм | 8,8 | 10,26 | 12,51 | 14,18 | 14,456 | 13,501 |
| 4 | Kr = qc /qr | - | 1,516 | 1,31 | 1,097 | 1 | 1 | 1,0314 |
| 5 | KR = 1 + | - | 1,361 | 1,217 | 1,068 | 1 | 1 | 1,022 |
| 6 | r/2ξ = KR ∙r/2 | Ом | 0,5011 | 0,4481 | 0,3932 | 0,3682 | 0,3682 | 0,3763 |
| 7 | KД = φ/(ξ) | - | 0,96 | 0,965 | 0,97 | 0,98 | 0,99 | 0,975 |
| 8 | λn2ξ = λn2 – Δλn2ξ | - | 1,21 | 1,212 | 1,2155 | 1,223 | 1,2302 | 1,21916 |
| 9 | Kx = Σλ2ξ/Σλ2 | - | 0,9926 | 0,9936 | 0,9944 | 0,9963 | 0,9981 | 0,99536 |
| 10 | X/2ξ = Kx ∙ X/2 | Ом | 1,0383 | 1,039 | 1,04 | 1,042 | 1,044 | 1,041 |
| 11 | Rn = r1 +c1n | Ом | 1,034 | 1,094 | 1,3254 | 2,403 | 4,283 | 1,6365 |
| 12 | Xn = x1 + c1n∙x/2ξ | Ом | 2,2046 | 2,20534 | 2,20636 | 2,2084 | 2,21045 | 2,2074 |
| 13 | I/2n = | А | 90,35 | 89,363 | 85,475 | 67,415 | 45,644 | 80,062 |
| 14 | I1n=I/2n | А | 92,135 | 91,131 | 87,176 | 68,804 | 46,682 | 81,67 |
Таблица 1.3
| № п/п | Расчетная формула | размерность | Скольжение S | |||||
| 1 | 0,8 | 0,5 | 0,2 | 0,1 | Sком = 0,3449 | |||
| 1 | Кнас = | - | 1,3 | 1,25 | 1,2 | 1,15 | 1,1 | 1,18 |
| 2 | Fn cp = 0,7 | 2524,985 | 2401,414 | 2205,307 | 1668,02 | 1082,513 | 2031,587 | |
| 3 | В= Fn ∙cp∙10-6/(1,6∙δ∙Cn) | Тл | 3,33 | 3,17 | 2,908 | 2,2 | 1,43 | 2,68 |
| 4 | Kδ = f (Bфδ) | - | 0,66 | 0,7 | 0,74 | 0,85 | 0,93 | 0,78 |
| 5 | С1 = (tz1 –bш1)(1-Кδ) | мм | 3,638 | 3,21 | 2,782 | 1,605 | 0,749 | 2,354 |
| 6 | λn1нас = λn1 – Δλn1нас | - | 0,7442 | 0,7623 | 0,7824 | 0,8505 | 0,9168 | 0,8047 |
| 7 | λД1нас = Кδ ∙ λД1 | - | 1,679 | 1,781 | 1,883 | 2,162 | 2,366 | 1,984 |
| 8 | X1нас = x1 Σλ1нас/Σλ1 | Ом | 0,8452 | 0,8774 | 0,9101 | 1,0035 | 1,076 | 0,9434 |
| 9 | С1nнас = 1+ Х1нас/Х12n | - | 1,016 | 1,0165 | 1,01713 | 1,0189 | 1,0203 | 1,01776 |
| 10 | С2 = (tz2 –bш2)(1-Кδ) | мм | 5,862 | 5,172 | 4,482 | 2,586 | 1,207 | 3,793 |
| 11 | λn2насξ = λn2ξ – Δλn2нас | - | 0,8119 | 0,8244 | 0,8409 | 0,9066 | 1,0072 | 0,8609 |
| 12 | λД2нас = Кδ ∙ λД2 | - | 1,716 | 1,82 | 1,924 | 2,21 | 2,418 | 2,028 |
| 13 | X/2насξ = X/2 ΣХ2насξ/ Σλ2 | Ом | 0,7015 | 0,7321 | 0,7638 | 0,8563 | 0,9375 | 0,7964 |
| 14 | Rnнас = r1 +c1n нас r/2ξ/S | Ом | 1,031 | 1,091 | 1,322 | 2,398 | 4,279 | 1,632 |
| 15 | Xnнас= X1нас+ С1nнас∙ X/2насξ | Ом | 1,558 | 1,622 | 1,687 | 1,876 | 2,0325 | 1,754 |
| 16 | I/2нас = U1/ | А | 117,754 | 112,552 | 102,646 | 72,262 | 46,445 | 91,816 |
| 17 | I1nнас= I/2нас | А | 119,32 | 1144,127 | 104,152 | 73,496 | 47,407 | 93,233 |
| 18 | К/нас = I1нас / I1n | - | 1,29 | 1,25 | 1,195 | 1,068 | 1,0155 | 1,1416 |
| 19 | I1* = I1нас / I1ном | - | 7,965 | 7,62 | 6,953 | 5 | 3,165 | 6,224 |
| 20 | M* = ( | 2,605 | 2,66 | 3,106 | 3,603 | 2,977 | 3,45 | |
1.13. Расчет пусковых характеристик с учетом влияния вытеснения тока и насыщения полей рассеяния для 2р= 2
Расчет проведен для точек характеристик соответствующих
S = 1; 0,8; 0,5; 0,2; 0,1; Sкр = 0,3449
Sкр =
=
= 0,3449
Индуктивное сопротивление обмоток.
Принимаем Кнас = 1,3
Fn.ср =
=
= 0,7
(0,625 + 0,7343 ∙ 0,7598
) = 2524,985 А
СN = 0,64+2,5
= 0,64+2,5
= 0,948
ВФδ =
=
= 3,33 Тл
по рис. 9.61 для ВФδ = 3,33 Тл Кδ = 0,66
Сэ1 = (tZ1+bШ1)(1-Кδ) = (14,2-3,5)(1-0,66) = 3,638 мм
Δλn1нас =
=
= 0,2484
[hк =
=
= 2,8 мм]
Δλn1нас = λn1- Δλn1нас = 0,9926 – 0,2484 = 0,7442
Коэффициент магнитной проводимости дифференциального рассеяния обмотки статора с учетом влияния насыщения:
λД1нас = λД1 ∙Кδ = 2,544 ∙ 0,66 = 1,679
Х1нас = Х1
= Х1
=
= 1,144
= 0,8452
Х1нас – индуктивное сопротивление фазы обмотки статора с учетом влияния насыщения.
Коэффициент магнитной проводимости пазового рассеяния обмотки ротора с учетом влияния насыщения и вытеснения тока:
Δλn2нас =
=
= 0,3981
Сэ2 = (tZ2+bШ2)(1-Кδ) = (18,74 - 1,5)(1-0,66) = 5,8616 мм
λn2насξ = λn2ξ - Δλn2нас = 1,21 – 0,3981 = 0,8119
Коэффициент магнитной проводимости дифференциального рассеяния ротора с учетом влияния насыщения:
λД2нас = λД2 ∙ Кδ = 2,6 ∙ 0,66 = 1,716
Приведенное индуктивное сопротивление фазы обмотки ротора с учетом влияния эффекта вытеснения тока и насыщения:
Х/2ξ = Х/2
= Х/2
=
=
= 0,7015
С1nкас = 1 +
=
= 1,016
Расчет токов и моментов.
Rn = r1 + C1nнас
;
Rn = 0,522 + 1,016
= 1,0311 Ом
Хn = Х1 нас + С1nнас ∙ Х/2насξ = 0,8452 + 1,016 ∙0,7015 = 1,558 Ом
I/2нас =
=
= 117,754 А
I1nнас = I/2нас
=
= 117,754
= 119,32 А
Кратность пускового тока с учетом влияния вытеснения тока и насыщения.
In*=
=
= 7,965
Кратность пускового момента с учетом влияния вытеснения тока и насыщения.
μn* = (
)2 ∙КR
= (
)2 ∙1,361
= 2,605
Полученный в расчете коэффициент насыщения
К/нас =
=
= 1,29
Отличается от принятого от 0,77%, что удовлетворяет требованиям.
Принимаем при
S = 0,8 Кнас = 1,25
S = 0,5 Кнас = 1,2
S = 0,2 Кнас = 1,15
S = 0,1 Кнас = 1,1
S = 0,3449 Кнас = 1,18
Расчеты сведены в таблице 3.
Расчет рабочих характеристик для 2р = 4.
Рассчитываем рабочие характеристики для скольжений
S = 0,005; 0,01; 0,015; 0,02; 0,025; 0,03; 0,035; 0,04; Sном = 0,038
Результаты расчета сведены в таблицу 1.4
Таблица 1.4
| № п/п | Расчетная формула | размерность | Скольжение S | |||||||||
| 0,005 | 0,01 | 0,015 | 0,02 | 0,025 | 0,03 | 0,035 | 0,04 | Sком = 0,038 | ||||
| 1 | а/r/2/S | Ом | 29,095 | 145,48 | 97 | 72,74 | 58,191 | 48,5 | 41,565 | 36,37 | 38,282 | |
| 2 | R = a+ а/r/2/S | Ом | 293,164 | 147,694 | 99,214 | 74,954 | 60,405 | 50,714 | 43,78 | 38,584 | 40,496 | |
| 3 | X= b+ b/r/2/S | Ом | 8,64 | 8,64 | 8,64 | 8,64 | 8,64 | 8,64 | 8,64 | 8,64 | 8,64 | |
| 4 | Z = | Ом | 293,291 | 147,973 | 99,59 | 75,45 | 61,02 | 51,445 | 44,62 | 39,54 | 41,41 | |
| 5 | I//2 = U1ном/Z | А | 0,7501 | 1,487 | 2,21 | 2,916 | 3,6054 | 4,28 | 4,931 | 5,564 | 5,313 | |
| 6 | Cosφ/2 = R/Z | - | 0,9996 | 0,9984 | 0,9962 | 0,9934 | 0,9899 | 0,9858 | 0,9812 | 0,976 | 0,9779 | |
| 7 | Sin φ/2 = X/Z | - | 0,02946 | 0,0584 | 0,08676 | 0,1145 | 0,1416 | 0,168 | 0,1936 | 0,2185 | 0,2085 | |
| 8 | I1a = I0a + I//2 cosφ/2 | А | 1,0423 | 1,777 | 2,5 | 3,19 | 3,861 | 4,512 | 5,131 | 5,723 | 5,49 | |
| 9 | I1p = I0p + I//2 sinφ/2 | А | 4,1791 | 4,244 | 4,35 | 4,491 | 4,668 | 4,88 | 5,112 | 5,373 | 5,286 | |
| 10 | I1 = | А | 4,307 | 4,601 | 5,02 | 5,509 | 6,06 | 6,65 | 7,243 | 7,85 | 7,607 | |
| 11 | I/2 = c1 ∙I//2 | А | 0,7953 | 1,577 | 2,343 | 3,092 | 3,823 | 4,54 | 5,23 | 5,9 | 5,6334 | |
| 12 | Р1 = 3 ∙U1номI1a10-3 | кВт | 0,688 | 1,173 | 1,65 | 2,1054 | 2,55 | 2,978 | 3,39 | 3,78 | 3,6234 | |
| 13 | Pэ1 = 3∙ I21r1 ∙10-3 | кВт | 0,1162 | 0,1326 | 0,1579 | 0,1901 | 0,23 | 0,277 | 0,3286 | 0,386 | 0,625 | |
| 14 | Pэ2 = 3∙(I/2)2r/2 ∙10-3 | кВт | 0,0025 | 0,0097 | 0,02132 | 0,0371 | 0,057 | 0,08 | 0,1062 | 0,1351 | 0,1232 | |
| 15 | Pдоб = 0,005 ∙Р1 | кВт | 0,00344 | 0,0059 | 0,00825 | 0,01053 | 0,01275 | 0,0149 | 0,01695 | 0,0189 | 0,01812 | |
| 16 | ∑Р = Рст+Рмех+Рэ12 + Рэ1+Рдоб. | кВт | 0,2667 | 0,29272 | 0,33202 | 03823 | 0,4443 | 0,51645 | 0,5963 | 0,68455 | 0,64837 | |
| 17 | Р2 = Р1 - ∑Р | кВт | 0,4213 | 0,8803 | 1,318 | 1,723 | 2,106 | 2,462 | 2,794 | 3,1 | 2,975 | |
| 18 | η = 1- ∑P / P1 | - | 0,6124 | 0,7504 | 0,7988 | 0,8184 | 0,8258 | 0,8266 | 0,8241 | 0,8189 | 0,82106 | |
| 19 | Cos φ = I1a/ I1 | - | 0,242 | 0,3862 | 0,498 | 0,5791 | 0,6371 | 0,6785 | 0,7084 | 0,729 | 0,7217 | |
1.14. Расчет пусковых характеристик для 2р=4
Расчет токов в пусковом режиме с учетом влияния эффекта вытеснения тока.
Активное сопротивление обмотки ротора с учетом влияния эффекта вытеснения тока.
[υрасч = 115 0С, ρ115 = 10-6 / 20,5 Ом ∙м, f1 = 50 Гц]
ξ=
= 63,61∙ hc
= 63,41 ∙14,55 ∙ 10-3 = 0,9255
hc = 14,55 мм; r/c = rc = 82,95 ∙10-6 Ом
φ = 0,89 ∙0,92554 = 0,65306, так как ξ < 1
hr =
=
= 8,8 мм
КД = φ/ = 0,96 (по рис. 9.58 для ξ = 0,9255).
qr = 68,05 мм2 ,
где br = b1 -
(hr -
) = 9,1 -
(8,8-
) = 7,62 мм
qr =
=
= 68,05 мм2
Кr = qc / qr = 103,15 ∙ 10-6 / 68,05 ∙10-6 = 1,516
КR = 1 +
∙( Кr-1) = 1 +
(1,516-1) = 1,4645,
где r2 = 92,14 ∙10-6 Ом
Приведенное сопротивление ротора с учетом влияния эффекта вытеснения тока.
r/2ξ = КR ∙ r/2 = 1,465 ∙ 1,294 = 1,896
Индуктивное сопротивление обмотки ротора с учетом влияния эффекта вытеснения тока.
Кх =
=
= 0,9924
λn2ξ = λn2 - Δ λn2ξ = 1,238 – 0,0295 = 1,2085
Δ λn2ξ = λ/n2 (1-КД) = [
] (1- КД) = 0,0295
х/2ξ = х/2 ∙ Кх = 4,85 ∙0,9924 = 4,813
С1n = 1 +
= 1+
= 1,0546
Х12 =
- х1 =
-3,18 = 49,743 Ом
Х12n = Х12
= Кμ∙х12 = 1,1714 ∙49,743 = 58,27 Ом
Sкр ≈
=
= 16,46
Расчет токов с учетом влияния вытеснения тока.
Rn = r1 + C1n ∙ r/2ξ / S = 2,088 + 1,0546 ∙1,294 / 1 = 2,903
Хn = х1 + C1n ∙ х/2ξ = 3,18+ 1,0546 ∙4,813 = 8,256
I/2n =
=
= 25,14 А
I1n = I/2n
= 25,14
= 27,242 А
Подробный расчет приведен для S= 1.
Данные расчета остальных точек сведены в таблице 1.5.
| № п/п | Расчетная формула | размерность | Скольжение S | |||||
| 1 | 0,8 | 0,5 | 0,2 | 0,1 | Sком = 0,1646 | |||
| 1 | ξ= 63,61hc | - | 0,9255 | 0,828 | 0,6544 | 0,414 | 0,2927 | 0,3755 |
| 2 | φ (ξ) | - | 0,6531 | 0,4183 | 0,1632 | 0,0261 | 0,0065 | 0,0177 |
| 3 | hr =hc (1+φ) | мм | 8,8 | 10,26 | 12,51 | 14,18 | 14,46 | 14,3 |
| 4 | Kr = qc /qr | - | 1,516 | 1,31 | 1,1 | 1 | 1 | 1 |
| 5 | KR = 1 + | - | 1,465 | 1,28 | 1,09 | 1 | 1 | 1 |
| 6 | r/2ξ = KR ∙r/2 | Ом | 1,896 | 1,656 | 1,41 | 1,294 | 1,294 | 1,294 |
| 7 | KД = φ/(ξ) | - | 0,96 | 0,965 | 0,97 | 0,98 | 0,99 | 0,985 |
| 8 | λn2ξ = λn2 – Δλn2ξ | - | 1,21 | 1,212 | 1,2155 | 1,223 | 1,2302 | 1,2265 |
| 9 | Kx = Σλ2ξ/Σλ2 | - | 0,9924 | 0,9936 | 0,9944 | 0,9963 | 0,9981 | 0,9972 |
| 10 | X/2ξ = Kx ∙ X/2 | Ом | 4,813 | 4,819 | 4,823 | 4,832 | 4,841 | 4,836 |
| 11 | Rn = r1 +c1n | Ом | 2,903 | 3,8 | 4,82 | 8,9 | 15,7 | 10,21 |
| 12 | Xn = x1 + c1n∙x/2ξ | Ом | 8,256 | 8,077 | 8,08 | 8,091 | 8,1 | 8,095 |
| 13 | I/2n = | А | 25,14 | 24,646 | 23,38 | 18,3 | 12,453 | 16,9 |
| 14 | I1n=I/2n | А | 27,242 | 26,653 | 25,31 | 19,94 | 13,821 | 18,466 |
1.15. Расчет пусковых характеристик с учетом эффекта вытеснения тока и насыщения от полей рассеяния для 2р=4
Индуктивное сопротивление обмоток.
Принимаем Кнас = 1,05.
Fпр. ср. =
(К/β+ Ку
) =
=
∙(1+1
)= 1027,841 А
СN = 0,64 +2,5
= 0,948
ВФδ =
=
= 1,355
по рис. 9.61 для В = 1,355 Кδ = 0,95
Коэффициент магнитной проводимости пазового рассеяния обмотки статора с учетом влияния насыщения:
Сэ1 = (tZ1 – bш1)(1-Кδ) = (14,2-3,5)(1-0,95) = 0,535
Δ λn1нас =
∙
=
= 0,08255,
где hк = 2,8 мм
λn1нас = λn1- Δ λn1нас = 1,121 -0,08255 = 1,038455
Коэффициент магнитной проводимости дифференциального рассеяния обмотки статора с учетом влияния насыщения:
λД1нас = λД1 ∙ Кδ = 4,57 ∙0,95 = 4,3415
Индуктивное сопротивление фазы обмотки статора с учетом влияния насыщения:
Х1нас = Х1
= 3,18
= 3,013051
Коэффициент магнитной проводимости пазового рассеяния обмотки ротора с учетом влияния насыщения и вытеснения тока:
Δ λn2нас =
∙
=
= 0,1825
Сэ2 = (tZ2 – bш2)(1-Кδ) = (18,44- 1,5)(1-0,95) = 0,862
λn2насξ = λn2ξ - Δ λn2нас = 1,21 – 0,1825 = 1,02753
Коэффициент магнитной проводимости дифференциального рассеяния ротора с учетом насыщения:
λД2нас = λД2 ∙ Кδ = 2,6 ∙0,95 = 2,47
Приведенное индуктивное сопротивление фазы обмотки ротора с учетом влияния эффекта вытеснения тока и насыщения:
Х/2насξ = Х/2
= 4,846
= 4,42054
С1nнас = 1 +
= 1 +
= 1,05171
где Х12 = 58,27
Расчет токов и моментов:
Rnнас = r1 + C1nнас
= 2,088 +1,05171
= 4,082
Хnнас = Х1нас + C1nнас ∙ Х/2насξ = 3,013051+1,05171 ∙4,42 = 7,662
I/2нас =
=
= 25,341 А
I1nнас = I/2нас
= 25,341
= 27,316
Краткость пускового тока с учетом влияния эффекта вытеснения тока и насыщения:
In*=
=
= 3,6
Кратность пускового момента с учетом влияния вытеснения тока и насыщения.
μn* = (
)2 ∙КR
= (
)2 ∙1,465
= 1,1265
Полученный в расчете коэффициент насыщения
К/нас =
=
= 1,025
Отличается от принятого К/нас = 1,05 на 0,5%, что удовлетворяет требованиям.
Для расчета других точек характеристики задаемся Кнас уменьшенным в зависимости от тока I1.
Принимаем при
S = 0,8 Kнас = 1,04
S = 0,5 Kнас = 1,03
S = 0,2 Kнас = 1,02
S = 0,1 Kнас = 1,01
S кр= 0,1646 Kнас = 1,0165
Данные расчета сведены в таблицу 1.6.
| № п/п | Расчетная формула | размерность | Скольжение S | |||||
| 1 | 0,8 | 0,5 | 0,2 | 0,1 | Sком = 0,1646 | |||
| 1 | Кнас = | - | 1,05 | 1,04 | 1,03 | 1,02 | 1,01 | 1,0165 |
| 2 | Fn cp = 0,7 | А | 1027,841 | 996,04 | 936,757 | 730,841 | 501,601 | 674,5 |
| 3 | В= Fn ∙cp∙10-6/(1,6∙δ∙Cn) | Тл | 1,355 | 1,313 | 1,235 | 0,9637 | 0,6614 | 0,8894 |
| 4 | Kδ = f (Bфδ) | - | 0,95 | 0,955 | 0,96 | 0,97 | 0,99 | 0,98 |
| 5 | С1 = (tz1 –bш1)(1-Кδ) | мм | 0,535 | 0,4815 | 0,428 | 0,321 | 0,107 | 0,214 |
| 6 | λn1нас = λn1 – Δλn1нас | - | 1,038455 | 1,046 | 1,0537 | 1,06957 | 1,10317 | 1,086042 |
| 7 | λД1нас = Кδ ∙ λД1 | - | 4,3415 | 4,36435 | 4,3872 | 4,433 | 4,524 | 4,479 |
| 8 | X1нас = x1 Σλ1нас/Σλ1 | Ом | 1,05171 | 1,052 | 1,052705 | 1,05284 | 1,054 | 1,05341 |
| 9 | С1nнас = 1+ Х1нас/Х12n | - | 3,01305 | 3,0294 | 3,0458 | 3,07881 | 3,146 | 3,1122 |
| 10 | С2 = (tz2 –bш2)(1-Кδ) | мм | 0,862 | 0,7758 | 0,6896 | 0,5172 | 0,1724 | 0,3448 |
| 11 | λn2насξ = λn2ξ – Δλn2нас | - | 1,0275 | 1,04155 | 1,05803 | 1,0948 | 1,17866 | 1,13305 |
| 12 | λД2нас = Кδ ∙ λД2 | - | 2,47 | 2,483 | 2,496 | 2,522 | 2,574 | 2,548 |
| 13 | X/2насξ = X/2 ΣХ2насξ/ Σλ2 | Ом | 4,4205 | 4,45435 | 4,49123 | 4,5698 | 4,7397 | 4,65014 |
| 14 | Rnнас = r1 +c1n нас r/2ξ/S | Ом | 4,082 | 4,2656 | 5,0566 | 8,89986 | 15,7268 | 10,37 |
| 15 | Xnнас= X1нас+ С1nнас∙ X/2насξ | Ом | 7,66218 | 7,71535 | 7,774 | 7,89 | 8,1418 | 8,0107 |
| 16 | I/2нас = U1/ | А | 25,741 | 24,9546 | 23,7226 | 18,497 | 12,423 | 16,79 |
| 17 | I1nнас= I/2нас | А | 27,316 | 26,918 | 25,616 | 20,252 | 13,96 | 18,77 |
| 18 | К/нас = I1нас / I1n | - | 1,025 | 1,021 | 1,02 | 1,0187 | 1,0153 | 1,016463 |
| 19 | I1* = I1нас / I1ном | - | 3,6 | 3,54 | 3,37 | 2,66 | 1,835 | 2,47 |
| 20 | M* = ( | 1,1265 | 1,193 | 1,47 | 2,04845 | 1,85 | 2,05 | |
2. Тепловой расчет
102. Превышение температуры внутренней поверхности сердечника над температурой воздуха внутри двигателя.
Δυпов1 = К
= 0,22
= 9,430С
[по табл. 9.35 К = 0,22; Р/эп1 = Кр∙Рэ1
]= 1,07∙351,5
= 198,3 Вт, где из табл. 1 для S= Sном Рэ1 = 0,3515 кВт, по (рис.9.67а) α1= 169 Вт/ (м2∙0С); Кр = 1,07 (класс F)].
103. Перепад температуры в изоляции пазовой части обмотки статора:
Δγиз.n1=
=
∙10-3= 2,860С
[Пп1 = 2hnк+b1+b2 = 2∙13,16+9,1+12,55 = 47,97 мм]
λэкв = 0,16 Вт/ (м2∙0С) для изоляции класса нагревостойкости F;
находим λ/экв (по рис.9,69) для d/dиз = 1,32/1,405 = 0,9395
λ/экв = 1,3 Вт/ (м2∙0С);
104. Перепад температуры по толщине изоляции лобовых частей:
Δυиз.л1=
=
∙10-3= 0,5180С
[Р/эл1 = Кр ∙РЭ1
=1,07∙ 351,5
= 177,82 Вт
Пл1 = Пп1 = 0,04797 м; bиз.л1 max = 0].
105. Превышение температуры наружной поверхности лобовых частей над температурой воздуха внутри двигателя:
Δυпов.л1=
=
= 8,550С
106. Среднее превышение температуры обмотки статора над температурой воздуха внутри двигателя.
Δυ/1 =
=
=
= 10,770С
107. Превышение температуры воздуха внутри двигателя над температурой окружающей среды:
ΔυВ =
=
= 54,80С
[ΣР/в = ΣР/- (1-К)(Р/эп1 + Рст.осн) – 0,9Рмех = 1101,89-(1-0,22)(198,3+234,43) = 764,36Вт.
ΣР = 1064,173 из табл.1 для S = Sном; Sкор = 0,6064 м2
Sкор = (πD+8Пр)(1+2ℓвыл) =
= (π∙0,197-8∙0,22)(0,1754+2∙0,039747) = 0,6064 м2
где (по рис. 9.70) Пр = 0,22 м для h = 112 мм;
(по рис. 9.67 а) αВ = 23 В/(м2∙0С) для Da = 0,197 м].
Рэ2 = 187,3 Вт из табл. 1 для S = Sном
ΣР/ = ΣР- (Кр- 1)(Рэ1 + Рэ2) = 1064,173-(1,07-1)(351,5+187,3) = 1101,89Вт.
108. Среднее превышение температуры обмотки статора над температурой окружающей среды:
Δυ1 = Δυ/1 + ΔυВ = 10,77+54,8 = 65,570С
109. Проверка условий охлаждения двигателя.
Требуемый для охлаждения расход воздуха:
Qв =
=
= 0,0801 м3/с
Км = m/
= 2,6
= 6,32
Расход воздуха, обеспечиваемый наружным вентилятором:
Q/В = 0,6 D3A
= 0,6∙ 0,1973
= 0,1376 м3/с
Нагрев частей двигателя находится в допустимых пределах.
Вентилятор обеспечивает необходимый расход воздуха.
Вывод: спроектированный двигатель отвечает поставленным в техническом задании требованиям.
Примечание: выше приведенные расчеты приведены лишь для большей частоты вращения.
3. Механический расчет вала
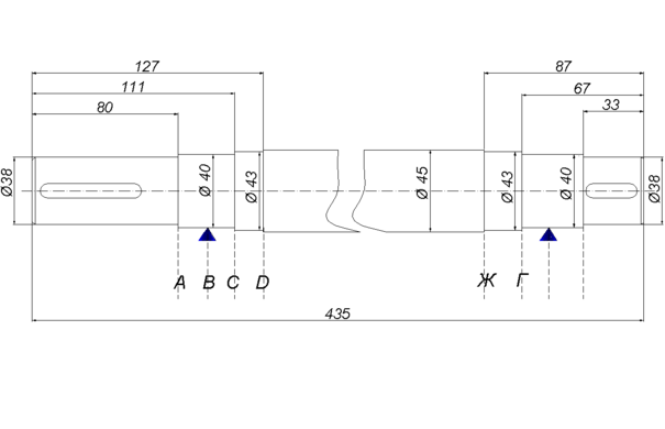
Самым нагруженным в механическом отношении элементом проектируемого асинхронного двигателя является вал. Ниже представлены результаты механического расчета вала на прочность и жесткость, проведенные по методике, изложенной в §8.3 [1]
На рисунке представлен эскиз рассматриваемого вала. Эскиз полностью аналогичен рис. 8.14 [1]. Геометрические размеры вала приведены в миллиметрах. Расчет параметров участков вала, входящих в формулу 8.16 /1/, выполнен в соответствии с табл. 8.3 [1] и сведены в табл. 3.1.
1. Прогиб вала посредине магнитопровода под давлением силы тяжести ротора.
fG =
(Sb∙a2 + Sa ∙b2) =
∙ (468,414∙102∙182∙10-4+ 327,408 ∙102∙20,62∙10-4) = 413 ∙10-8 м
[Sb = 468,414 ∙102м-1 и Sa = 327,408 102 м-1взяты из табл. 3.1
Gp = 9,81∙mp = 9,81∙ 13,15 = 129Н; mp= 6500∙D22∙ℓ2 = 6500(107,4∙10-3)2∙175,4∙10-3 = 1,15 кг]
2. Прогиб вала посредине магнитопровода ротора от поперечной силы муфты:
fn =
[(
ℓ∙S0- Sв)∙а +Sab] =
∙ [(
38.8∙10-2∙25,4∙104 – 468,414 ∙102)∙18,4∙10-2+327,408∙102∙20,6∙10-2] = 668,5 ∙10-8 м
[Fn = Kn ∙Mком /R = 0,3 ∙23,875/0,5∙84∙10-3 = 170,536 Н]
Dм – диаметр по центрам пальцев муфты = 84 мм
Мком = 9550 Рном/nном = 9550
=23,875 Н∙м
3. Первоначальное смещение ротора.
е0 = 0,1∙δ + fc1 + fn = 0,1∙0,5∙10-3 + 413∙10-8 + 668,5∙10-8 = 0,0060815∙10-2м
4. Начальная сила одностороннего магнитного притяжения:
Т0 = 2,94D2 ∙ℓ2
∙105 = 2,94∙107,4∙10-3∙175,4∙10-3
∙105=673,631 Н
D2 – диаметр ротора; ℓ2 – длина ротора без радиальных каналов.
5. Прогиб от силы Т0.
fТ = fa ∙T0 / Gp =
= 0,00215666∙10-2 м
6. Установившийся прогиб вала от одностороннего магнитного притяжения
fм =
=
= 0,00334172∙10-2 м
где m = fT/e0 = 0,00215666∙ 10-2/0,0060815∙10-2 = 0,35462633
7. Суммарный прогиб посредине магнитопровода ротора.
f = fм+ fa+ fn = 0,00334172 +413∙10-8 + 668,5 ∙10-8 = 4423,22∙10-8 м
т.е. составляет 8,85 %, что допустимо.
8. Критическая частота вращения.
nкрит = 30
= 30
= 11859,103
11860 > 1,3 nном
9. В расчете на прочность принимаем коэффициент перегрузки К = 2, α=0,6.
Напряжение на свободном конце вала в сечении А.
МиА = К ∙Fn ∙Zi = 2∙170,536 ∙6,7 ∙10-2 = 22,865 Нм
Wa = 0,1 ∙d3 = 0,1∙(2,8∙10-2)3 = 2,2 ∙10-6 м3
GпрА =
=
= 166,616 ∙105 Па
10. Напряжение в сечении Б.
МиБ = К ∙Fn ∙Zi = 2∙170,536 ∙13,5 ∙10-2 = 46,072 Нм
Wa = 0,1 ∙d3 = 0,1∙(3∙10-2)3 = 2,7 ∙10-6 м3
GпрА =
=
= 200,94 ∙105 Па
11. Напряжение в сечении Е.
МиЕ = К ∙Fn ∙С∙(1-
)+(Ср+Т)
= 2∙170,536 ∙18 ∙10-2(1-
) + (129+1043,784)
= 78,14 Нм;
где Т = Тс/(1-m) = 673,631/(1-0,3546) = 1043,784 Н
WЕ = 0,1 ∙d3 = 0,1∙(3,7∙10-2)3 = 5,0653 ∙10-6 м3
GпрЕ =
=
= 164,3075 ∙105 Па
12. Напряжение в сечении Д.
МиД= 2∙170,536 ∙18 ∙10-2 (1-
)+(129+1043,784)
= 60,198 Нм
WД = 0,1∙(4,1∙10-2)3 = 6,8921 ∙10-6 м3
GпрД =
= 96,731 ∙105 Па
13. Напряжение в сечении Г.
МиГ= [K∙Fn∙C + (Gp+T)b]
= [2∙170,536∙18∙10-2 (129+1043,784)∙20,6 ∙10-2]
= 23,427 Нм
WГ = 0,1∙(4∙10-2)3 = 6,4 ∙10-6 м3
GпрД =
= 57,826 ∙105 Па
14. Напряжение в сечении Ж.
МиЖ= [K∙Fn∙C + (Gp+T)b]
= [2∙170,536∙18∙10-2 (129+1043,8)∙20,6 ∙10-2]
= 71,842 Нм
WЖ = 0,1∙(4,1∙10-2)3 = 6,8921 ∙10-6 м3
GпрЖ =
= 112,221 ∙105 Па
Для стали марки 45 предел текучести равен 3600 ∙105 Па.
Из сопоставленных данных следует, что наиболее нагруженным является сечение А, для которого
Gпр = 166,616 ∙105 Па < 0,7∙3600 ∙105 Па.
Таким образом, вал удовлетворяет всем требованиям механических расчетов.
Таблица 3.1.
| № уч-ка | di, м | Ii, м4 | Уi, м | У3i, м3 | У3i - У3i-1, м3 |
| У2i, м2 | У2i – У2i-1, м2 |
| Левая часть |
| 1 | 3,7 ∙10-2 | 9,2∙10-8 | 4,2∙10-2 | 74,088∙10-6 | 74,088∙10-6 | 8,053∙102 | 17,64∙10-4 | 17,64∙10-4 | 1,9174∙104 | |
| 2 | 4,1∙10-2 | 14∙10-8 | 11,3∙10-2 | 1442,897∙10-6 | 1368,809∙10-6 | 97,772∙102 | 127,69∙10-4 | 110,05∙10-4 | 7,8607∙104 | |
| 3 | 4,5∙10-2 | 20,13∙10-8 | 20,6∙10-2 | 8741,816∙10-6 | 7298,919∙10-6 | 362,59∙102 | 424,36∙10-4 | 314,31∙10-4 | 15,614∙104 |
| № уч-ка | di, м | Ii, м4 | Хi, м | Х3i, м3 | Х3i - Х3i-1, м3 |
| Sb = Sa = S0 = | Правая часть |
| 1 | 3,7 ∙10-2 | 9,2∙10-8 | 3∙10-2 | 27∙10-6 | 27∙10-6 | 2,935∙102 | ||
| 2 | 4,1∙10-2 | 14∙10-8 | 9,2∙10-2 | 778,688∙10-6 | 751,688∙10-6 | 53,692∙102 | ||
| 3 | 4,5∙10-2 | 20,13∙10-8 | 18,4∙10-2 | 6229,504∙10-6 | 5450,816∙10-6 | 270,781∙102 |
4. Технологический процесс изготовления обмотки статора
4.1. Основные технологические операции
Фактически технологический процесс изготовления обмотки статора сводится к следующим основным операциям:
1. Пазоизолировка.
2. Намотка или укладка в пазы катушечных групп.
3. Заклеивание обмотки в пазы.
4. Бандажирование лобовых частей.
5. Пропитка.
6. Сушка.
7. Испытание.
Ниже эти операции описаны подробно.
Кроме перечисленных основных имеются заготовительные процессы. К ним принадлежат: порезка рулонов изоляционного материала на ролики для последующего изготовления из них пазовых коробов, крышек и других деталей; изготовление междуфазных прокладок; порезка трубчатых изоляционных материалов; изготовление выводов обмотки из монтажных проводов.
При ручной укладке обмотки к заготовительным процессам относят также намотку катушек.
В серии 4А весь комплекс статорообмоточных операций для двигателей мощностью до 100 кВт механизирован. Первая операция – изолирование пазов статора осуществляется на станках полуавтоматах моделей ИПС-3-4; ИПС-5М; ИПС-8; ИПС-4 отечественного производства конструкции ВНИИТэлектромаш. В станке материал формируется по форме паза и подается в паз статора. Усилие подачи коробочки в паз контролируется предохранительной муфтой. Станки легко перестраиваются на разные части пазов и на различные исполнения статоров.
Н
аиболее часто применяемая конструкция пазовой изоляции, разработанная с учетом требований машинных процессов, показана на рис. 4.1, а. Так как пазовый
Рис. 4.1 Конструкция пазовой изоляции с основными размерами.
короб 3 открытый, т. е. боковые кромки его разомкнуты, внутрь короба поверх катушки 2 устанавливают пазовую крышку 1 таким образом, чтобы боковые стороны короба и крышки взаимно перекрывались. Значение этого перекрытия выбирают из условий обеспечения требуемой электрической прочности изоляционной конструкции. Если в одном пазу находятся стороны двух катушек, их разделяют межслойной прокладкой 4.
В рассматриваемой конструкции изоляции пазовая крышка одновременно с функциями изоляционной детали выполняет роль клина, крепящего катушку в пазу, поэтому ее называют крышкой-клином, а процесс установки — заклиниванием обмотки. Пазовый короб имеет манжеты 5 (рис 4.1,б), фиксирующие его в пазу в продольном направлении. Чаще других применяют простую конструкцию с одинарными манжетами. На рис. 4.1 б, в указаны основные размеры короба, а на рис. 4.1 г – крышки.
Следующая операция- укладка обмотки в пазы статора. Станки для укладки обмотки работают по двум различным схемам: 1) непосредственная укладка проводников в паз; 2) раздельная намотка секции и пересыпка их в пазы статора. На станках непосредственной укладки провод протягивается через ролики в фильеру проводоводителя. На нем установлены специальные кольца, при помощи которых провод протаскивается в паз и забрасывается на пластины и крючья, образующие лобовые части. Проводоводитель совершает сложные возвратно-поступательные движения вдоль оси (провод проводится через паз) и вращательные вокруг оси статора (образуется лобовая часть). Пример такого станка серии WST-600 («Электромат» Германия).
Более эффективными являются станки раздельной намотки. Комплекс этого станка состоит из двух агрегатов. На первом наматываются на шаблоны секции, которые на специальной оправке переносятся на второй агрегат с установленным на нем сердечником статора. Здесь секции втягиваются в паз на один ход, после чего производится заклиновка рулонным синтетическим материалом. Примером такого оборудования служит комплекс станков НК-7 и ОСР-3, разработанных ВНИИТэлектромаш. Далее производится намотка катушечных групп электродвигателя. Шаблон размещается на планшайбе шпинделя станка. С помощью раскладчика осуществляется однородная намотка. Все операции (намотка, обрезка, пересыпание на съемник и т.д.) производятся автоматически от гидросистемы. Катушки укладывают на оправку, куда устанавливается статор, закрепленный на подвижной каретке. Происходит одновременное всыпание и заклинивание в пазах. Подвижная каретка переходит на формовочную позицию, где происходит отжим лобовых частей. Для всыпания второго яруса катушек цикл повторяется.
Опрессованые статоры бандажируются на станках типа БС, разработанных ВНИИТэлектромаш. Бандажирование производится лавсановым шнуром повышенной прочности, при этом игла проходит в просветы между катушками, делает петлю и затягивает ее. После бандажирования статор испытывают и посылают на пропитку.
Технологический процесс пропитки обмоток: электрических машин является неотъемлемой частью процесса изготовления электродвигателей. Применительно к современным электрическим машинам он должен обеспечивать:
цементацию проводников обмотки, предупреждающую вибрацию отдельных проводников и истирание изоляции;
повышение теплопередачи от проводников, лежащих в пазах, к сердечнику;
создание дополнительной защиты от увлажнения изоляции проводников и действия; агрессивных сред.
Эти условия удовлетворяются при использовании современных пропиточных составов основой которых являются главным образом синтетические смолы. Существуют различные способы введения пропиточного состава в обмотки. Выбор способа диктуется конструктивными особенностями пропитываемых изделий, применяемым пропиточным составом, характером производства изделий.
Пропитка статоров двигателей с высотами оси вращения до 180 мм осуществляется капельным (струйным) методом пропиточными составами без растворителей на специальных роторных установках УПС конструкции ВНИИТэлектромаш. К основным преимуществам капельного метода относятся:
значительное сокращение длительности процесса пропитки и термообработки обмоток;
* отсутствие необходимости в зачистке поверхностей пакетов от наплывов пропиточного состава;
* очень малые потери пропиточного состава;
* хорошее заполнение обмотки смолой при однократной пропитке;
* хорошая цементация витков обмотки;
* компактное технологическое оборудование, требующее небольших производственных площадей; * возможность автоматизации процесса пропитки и термообработки;
* снижение трудоемкости процесса пропитки и термообработки;
* снижение расхода электроэнергии, особенно при токовом нагреве обмоток;
* малое выделение летучих, отсутствие взрывоопасной среды, что дает возможность встраивать технологическое оборудование в поточно-механизированные линии изготовления сердечников статоров или якорей.
Основное преимущество составов без растворителей в том, что процесс их полимеризации протекает в течении 15-30 мин, в то время как полимеризация основы лаков с растворителями требует 8-10 ч. Поскольку лаки с растворителями содержат до 50 % (основы) смолы, а без растворителей – около 100%, заполнение обмоток смолой при применении последних в 2 раза больше, чем при пропитке лаками с растворителями, т.е. улучшается качество пропитки, увеличивается теплопроводность системы изоляции, повышается надежность обмотки. При пропитке лак подается регулируемой струйкой из сопла на лобовую часть обмотки, статор в этот момент медленно вращается, ось его наклонена в вертикальной плоскости. Лак растекается по проводникам лобовой части, затекает в паз. Статор при этом нагревается пропускаемым по обмотке током промышленной частоты, что способствует вначале процессу повышения жидкотекучести лака, уменьшению его вязкости, а затем – отверждению. После пропитки обмотку сушат. Чем выше температура сушки, тем быстрее удаляется влага из обмотки, однако нельзя превышать температуру, определяемую нагревостойкостью изоляции, во избежание ее ускоренного старения. Значительно скорее происходит сушка под вакуумом. Перед вакуумной сушкой обмотки прогревают при атмосферном давлении. После сушки обмотку подвергают контрольным испытаниям.
При испытаниях обмотка подвергается действию повышенных напряжений, токов, скоростей вращения. Обмотки контролируют и испытывают после изготовления элементов обмотки, после укладки обмотки в пазы, после сборки машины и в процессе эксплуатации.
После изготовления элементов обмотки их контролируют и испытывают, чтобы не допустить укладки в пазы заведомо негодных катушек. Уложив обмотку в пазы, выявляют ослабления и нарушения изоляции, происходящие в процессе укладки обмоток в пазы, так как это нельзя проверить в собранной машине. При испытаниях собранной машины проверяют надежность обмоток при повышенных скоростях вращения и под нагрузкой.
4.2. Стандартизация
На современном уровне промышленного развития без широкого применения унификации и стандартизации невозможна организация рентабельного производства и эксплуатации электрических машин. Стандартизацией решаются задачи уменьшения затрат на производство и эксплуатацию электрических машин, а также задачи минимизации затрат общественного труда на генерирование, передачу электрической энергии и ее преобразование в механическую. Для достижения этой цели с позиций потребителя желательно для каждого конкретного механизма иметь специальную электрическую машину. С позиций производителя желательно в максимальной мере сохранить номенклатуру выпускаемых электрических машин и получить минимум затрат труда при их производстве, а также эксплуатационном обслуживании и ремонте.
Исходя из этого, стандартизация электрических машин имеет ряд особенностей. Потребителю стандартизация должна обеспечить возможность получения электрических машин с необходимыми электромеханическими характеристиками, возможность подключения электрической машины к электрическим сетям, ее сопрягаемость с производственными механизмами и возможность ее замены при необходимости другой однотипной машиной, изготовленной другими фирмами или заводами.
Производителю электрических машин стандартизация должна обеспечить возможность выпуска большего разнообразия машин при минимальной перестройке технологии и оснащения для сохранения при этом массового или крупносерийного характера производства.
Для удовлетворения этих требований стандартизация электрических машин строится по иерархическому принципу. Основу этой системы составляют группы стандартов верхнего, среднего и нижнего уровней.
Группа стандартов верхнего уровня, так называемые, основополагающие, распространяется на все виды и типы машин. Ряд групп стандартов, распространяющихся на отдельные виды машин, относятся к среднему уровню, и ряд стандартов на конкретные совокупности машин - к нижнему уровню.
В группу основополагающих стандартов входят ГОСТ, обеспечивающие конструктивную совместимость с производственными механизмами и взаимозаменяемость машин, ряды номинальных напряжений, частот тока и частот вращения, с которыми разрешается проектировать и изготовлять электрические машины. В эту же группу входят ГОСТ, устанавливающие единую терминологию, единые методы испытаний, единые требования стойкости к внешним воздействиям.
Стандартизация электрических машин базируется на нескольких принципах:
1) должно быть сгруппировано для унификации и последующей стандартизации все то, что прямо не препятствует получению любых необходимых потребителям характеристик электрических машин;
2) должны быть стандартизированы конструктивные параметры, обеспечивающие максимальную выгоду как производителю, так и потребителю за счет конструктивной взаимозаменяемости составных частей и машины в целом;
3) должны быть созданы ограничительные стандарты, исключающие возможность создания электрических машин с очень близкими или совпадающими по основным параметрам характеристиками.
Разработка и установление технических нормативов и норм на конкретные группы и виды электрических машин осуществляется на основе объединения их в группы однородной народнохозяйственной продукции – продукции, обладающей одинаковыми принципами действия и свойствами, общими значениями основных конструктивно - технологических параметров и одинаковым или подобным целевым ( функциональным) назначением.
5. Шум и вибрация электрических машин
Человеческий организм подвергается воздействию смешанных нагрузок, а в традиционных электрических машинах – шума и вибрации. Воздействие шума повышенного уровня громкости на человеческий организм может отрицательно сказывается на нервной системе человека в целом, а также может повредить слуховой аппарат. Сильная кратковременная вибрация оказывает физическое и физиологическое воздействие на человека. многочисленные наблюдения показывают, что работа, и особенно отдых, при повышенных уровнях громкости шума приводит к повышению кровяного давления и раздражительности. Общее самочувствие ухудшается, а трудоспособность, особенно при умственном труде, понижается.
Источниками являются:
а) Электромагнитные силы. Эти силы действуют в воздушном зазоре между статором и ротором и имеют характер вращающихся или пульсирующих силовых волн. Их величина зависит от электромагнитных загрузок и некоторых конструктивных и расчетных параметров активного ядра машины. Вызывая электромагнитными силами вибрация зависит от характеристик статора как колебательной системы. В большинстве типов электрических машин значение магнитной вибрации в диапазоне 100-4000 Гц.
б) Подшипники качения. Интенсивность звука этого источника зависит от следующих факторов: от качества изготовления самих подшипников; от точности обработки мест под посадку подшипников и замков в щитах для их фиксации относительно корпуса машины; от свойств подшипниковых щитов, которые при неудачных конструктивных формах могут быть интенсивными излучателями шума, возбуждаемого подшипниками;
в) Аэродинамические силы. Интенсивность звука вентиляторов и вентиляционных каналов электрической машины зависит от того, насколько хорошо с точки зрения аэродинамики и акустики они сконструированы. Особое внимание здесь уделяется также конструированию тонкостенных воздуховодов, которые могут являться интенсивными излучателями шума. Хорошо выполненная в аэродинамическом отношении электрическая машина не содержит в спектре шума дискретных составляющих;
г) Механическая несбалансированность роторов. Ротор возбуждает ощутимые вибрации особенно в быстроходных машинах с частотами вращения 3000 об/мин и выше. Уменьшение небаланса ротора достигается динамическим уравновешиванием ротора на балансировочном станке или, в особых случаях, в собранной машине. Чрезвычайно важным является процесс изготовления ротора, при котором была бы достигнута максимальная монолитность вращающихся обмоток;
д) Трение щеток о коллектор или контактные кольца. Возбуждаемый трением шум является преимущественно высококачественным, особенно проявляется в крупных машинах постоянного тока с большим щеточным аппаратом.
Методика расчета вибрации электрической машины во многом зависит от характера сил и мест их приложения. Например, причинами низкочастотной вибрации (от 1 до 100 Гц) в машинах с частотой вращения до 3000 об/мин являются: небаланс ротора; несоосность приводов отдельных агрегатов; нарушение геометрии цапф; двойная жесткость ротора. Динамическая модель для исследования таких колебаний состоит обычно из 2-3 сосредоточенных масс, связанных между собой упругими безынерционными элементами. Вся машина рассматривается как единая упругая система, исследование свойств которой производится обычно методами прикладной теории колебаний.
В диапазоне средних и высоких частот вибрация возбуждается электромагнитными силами и подшипниками качения. Динамическая модель представлена в виде совокупности радиальных каналов, по которым колебания распространяются от точек приложения сил к выбранным точкам наблюдения. Наибольшую интенсивность имеет вибрация, возбуждаемая основной волной вращающегося магнитного поля. Частота этой вибрации равна удвоенной частоте питающей сети.
Вибрация отдельных элементов конструкции электрической машины может быть рассчитана методом электромеханической аналогии. Сущность метода в том, что любые механические колебательные системы могут быть заменены эквивалентными электрическими цепями. В качестве основы для построения аналогии между механическими и электрическими системами используются дифференциальные уравнения, которые описывают колебательные процессы, происходящие в указанных системах.
Вибрация статоров асинхронных машин, возбуждаемая электромагнитными силами
Основным источником магнитного шума являются не колебания зубцов или полюсов, непосредственно к которым приложено электромагнитные силы, а колебания ярма статора. При расчетах ярмо статора представляется в виде цилиндрической оболочки, на которую воздействует система с r числом волн, периодически изменяющихся во времени и симметрично распределенных по окружности радиальных и тангенциальных сил.
При r = 0 статора вибрирует, как пульсирующий цилиндр (растяжение- сжатие). Частота собственных колебаний кольца статора ω0 =
.
При r = 1 все силы, возбуждающие этот вид колебаний, приводятся к одной вращающейся результирующей силе, приложенной в центре тяжести машны.
ω0 = f(α)
.
При r ≥ 2 (наиболее часто встречающихся в практике) частота собственных колебаний ярма статора машин переменного тока может быть рассчитана по формулам:
при
≤ 1,0;
ω0 = r(r2 -1)
при
> 1,0;
где Х = h2/ (12R2c)
m – масса, приходящаяся на 1 см2 средней цилиндрической поверхности ярма;
h – высота спинки статора, см;
Rc – средней радиус ярма, см;
Е – модуль упругости, Н/см2.
Параметры колебательной системы, эквивалентной статору: колеблющаяся масса (в кг).
mc = Мc / (2πRc ∙ℓt),
где Мc – полная масса пакета железа статора с обматкой или станины с полюсами;
ℓt – активная длина ярма;
приведенная податливость статора равна:
для колебаний при r = 0 λс = R2c / (Eh);
для колебаний при r ≥ 2
при
≤ 1,0;
λс =
(1+3r2X) при
> 1,0
Полное механическое сопротивление статора при частоте ω возбуждающих сил Zc = ω mc -1 / (ωλc).
Скорость колебаний на поверхности сердечника статора у = р0/Zc, здесь р0 = р01R0 /Rc,
где р01 - удельная сила, действующая в воздушном зазоре, Н/см2;
R0 – радиус расточки статора, см.
При жестком креплении машины к фундаменту пространственные формы колебаний статора искажаются. Поэтому при исследованиях виброакустических характеристик машин принята методика, при которой машина устанавливается на амортизаторы, чем исключается влияние фундаментов.
В машинах переменного тока пакет железа статора преимущественно жестко крепится в корпусе, поэтому необходимо учесть сопротивление корпуса:
Zк = ω mc -1 / (ωλк).
При этом колебательная скорость на поверхности корпуса
2 = р0/(Zc +Zк).
Величины mк и λк рассчитываются аналогично расчету mс и λс.
Влияние режима работы на уровень громкости магнитного шума.
Расчет радиальных сил в режиме холостого хода может быть произведен по формулам:
Р1 = 20В2δ и Рυμ = 40Вυ ∙Вμ
1) Основная волна магнитного поля при переходе от нагрузки к режиму холостого хода практически не меняет свою величину;
2) Высшие гармоники обмотки статора Вυ и ротора Вμ меняют свою величину пропорционально I1/I0r и I/2/I0r соответственно. Поэтому уровень вибрации, возбуждаемой этими гармониками полей, при переходе от нагрузки к режиму холостого хода должен понизиться на значение
ΔL = 20lg
-20lg
Аэродинамический шум
Основные причины возникновения:
1. Шум вентилятора, обусловленный срывающимися вихрями от рассечения воздушной струи кромками лопаток и дисками вентилятора.
2. Шум вращения ротора, обусловленный срывом вихрей с его поверхности от рассечения воздушной струи головками обмоток ротора или выступающими концами стержней беличьей клетки короткозамкнутых роторов.
3. Шум воздушных потоков, вызываемых срывом вихрей с неподвижных препятствий в вентиляционных путях. Например, на решетках входных и выходных окон, с ребер статора, лобовых частей обмоток статора и др.
4. Звуки, вызываемые тем, что воздушный поток на выходе с вентиляторного колеса встречает на своем пути препятствия в виде ребер, проходных шпилек и др. деталей.
5. Тональные звуки дискретной частоты, вызванные периодическими колебаниями давления на отдельных участках аэродинамической цепи. Например, при пульсациях потока воздуха, выходящего из радиальных вентиляционных каналов ротора и входящего в радиальные вентиляционные каналы статора.
Общие уровни громкости шума электрических машин на расстоянии 0,5 м от корпуса в точке с максимальным уровнем рассчитывают по следующим приближенным формулам: L = 10lgP +20lgn +5, машины защищенного исполнения с самовентиляцией, где Р – мощность машины, кВт; n – частота вращения, об/мин;
машины с замкнутой самовентиляцией:
L = 10lgP +20lgn;
машины закрытые с водяным охлаждением:
L = 10lgP +20lgn -10;
машины с независимой вентиляцией, шум которых определяется шумом вентилятора:
L = 14lgP +80, где Р – мощность вентилятора, кВт.
Колебания ротора.
Колебания вала с одной сосредоточенной массой сердечника ротора вызывают дополнительные нагрузки на подшипниковые опоры и соответственно шум и вибрацию.
Проблема математического описания колебания роторов чрезвычайно сложна, поэтому здесь не рассматривается.
Уравновешивание роторов
Одной из основных причин вибрации вращающегося ротора и всей машины в целом является неуравновешенность ротора (небаланс). Три возможных случая его небаланса:
Статический – центробежная сила небаланса вызывает на опорах одинаковые по значению и совпадающие по фазе вибрации: А1= А2;
Динамический – пара центробежных сил небаланса вызывает на опорах одинаковые по значению и противоположные по фазе вибрации: А1 = -А2;
Смешанный – остаточный небаланс ротора приводит к паре сил и к радиальной силе, приложенной в центре тяжести ротора; вибрации опор здесь различаются как по значению, так и по фазе: А1 ≠ А2.
Наиболее распространенный в практике – смешанный. Эти виды небаланса могут быть устранены путем установки добавочных грузов, которые привели бы к компенсации. Обычно грузы устанавливают в двух плоскостях ротора, в специальных круговых канавках с радиусом r. Например, при статическом небалансе mнеб = (e /r) М,
где М – масса ротора, е – смещение центра тяжести ротора.
= Мω2е /Zм – скорость колебания опор.
А1 = Мωе /Zм = mнеб(ω r/ Zм) = mнеб∙ К – амплитуда вибрации,
где Zм = механическое сопротивленииемашины.
Величина ω r/ Zм = К характеризует балансировочную чувствительность машины.
Тепловой небаланс вызывается неравномерным нагревом или охлаждением активной зоны ротора и встречается в турбогенераторах с воздушным и непосредственным водяным охлаждением.
Вибрация машин, возбуждаемая небалансом
Роторы различных типов электрических машин имеют свои конструктивные особенности, поэтому поддаются уравновешиванию с различной степенью тяжести.
Самая высокая точность может быть достигнута в асинхронных двигателях с короткозамкнутым ротором. Роторы этих машин термически стабильны во времени и практически не меняют свой небаланс в эксплуатации.
Якоря машин постоянного тока и явно полюсные роторы синхронных машин имеют более высокий остаточный небаланс. Стабильность вибрации указанных машин достигается особой технологией формовки и запечки коллекторов и обмоток роторов.
Самые высокие вибрации наблюдаются в машинах с гибкими роторами, у которых рабочая частота вращения выше первой и второй критической. Роторы этих машин особенно чувствительны к тепловой несимметрии и требуют дополнительной балансировки ротора в собранной машине.
При разработке норм на допустимый остаточный небаланс роторов электрических машин и вызываемые им вибрации исходят из необходимости выполнения следующих требований:
1) обеспечить отсутствие усталостных разрушений в течение установочного срока службы машины;
2) уровень вибрации электрических машин не должен отражаться на качестве технологических процессов;
10>1>
, м-1
, м-2
,м-1















