108936 (590970), страница 2
Текст из файла (страница 2)
где mn – модуль передачи, mn=2 мм;
Z1– число зубьев шестерни, Z1=30;
– косинус угла наклона зубьев,
=0,984.
d1=
60,98 мм
Делительный диаметр колеса:
, (22)
где Z2– число зубьев колеса, Z2= 93 .
d2=
=189,02 мм
Проверяем межосевое расстояние:
aw=
мм
Определим диаметры вершин зубьев:
, (23)
da1=60,98 +2·2=64,98 мм;
da2=189,02 +2·2=193,02 мм.
Определим диаметры впадин зубьев:
df1 = d1 -2,5 mn.
df1 =60,98-2,5·2=55,98 мм;
df2=189,02-2,5·2=184,02 мм.
Определяем ширину колеса:
, (24)
где
– коэффициент ширины венца,
=0,4;
аω– межосевое расстояние, аω=125 мм.
b2=0,4·125=50 мм.
Определяем ширину шестерни:
, (25)
b1=50+5=55 мм.
Определяем коэффициент ширины шестерни по диаметру:
, (26)
ψba=
.
Определяем окружные скорости и значения степени точности изготовления шестерни и колеса.
υ=
, (27)
где n1– частота вращения шестерни,
n1=967 об/мин, (ПЗ, п.1);
d1 – делительный диаметр шестерни, d1=60,98 мм .
υ =
=3,09 м/с.
При такой скорости для косозубых колес принимаем 8-ю степень точности, [1, с. 32].
Определяем коэффициент нагрузки, проверяем зубья на контактное напряжение
, (28)
где KHB – коэффициент, учитывающий неравномерность
распределения нагрузки по ширине венца, KHB=1 ,[1, табл. 3.5];
KHα- коэффициент, учитывающий неравномерность
распределения нагрузки между зубьями, KHα=1,12, [1, табл. 3.5];
KHV – динамический коэффициент, KHV=1,1, [1, табл. 3.6].
Кн=1·1,12·1,1=1,23.
Проверяем зубья на контактные напряжения:
(29)
где aω – межосевое расстояние, aω=125 мм;
M2 – передаваемый момент, M2=156,2 Н·м, (ПЗ, п.1);
b2 -ширина колеса, b2=50 мм;
U1 – передаточное число редуктора, U1=3,1;
270-коэффициент для непрямозубых колес (для прямозубых зубчатых передач 310)
σH=
=352,81МПа<
=410 МПа.
<
.
Определяем силы, действующие в зацеплении.
Определяем окружную силу:
Ft=
, (30)
где M1– вращающий момент на валу шестерни, M1= 52,2 H·м;
d1– делительный диаметр шестерни, d1=60,98 мм .
Ft=
= 1712 Н
Определяем радиальную силу:
, (31)
где
- угол зацепления в нормальном сечении,
= 20° , [1, с. 29];
- угол наклона зубьев,
= 10° 26´ .
Fr=
=633 Н
Определяем осевую силу:
, (32)
Fa=1712·tg10º26´=295 Н.
(Для прямозубых и шевронных передач Fa=0)
Полученные данные приведем в таблице.
Таблица 2
| Наименование параметров и единица измерения | Обозначение параметров и числовое значение | |
| Материал, вид термической обработки, твердость: шестерни колеса Допускаемое контактное напряжение, МПа: шестерни колеса Расчетное допускаемое контактное напряжение, МПа Межосевое расстояние, мм Нормальный модуль зацепления, мм Суммарное число зубьев Число зубьев: шестерни колеса Угол наклона зубьев Передаточное число редуктора Делительный диаметр, мм: шестерни колеса Диаметр вершин зубьев, мм шестерни колеса Диаметр впадин зубьев, мм шестерни колеса | ||
Продолжение таблицы 2
| Наименование параметров и единица измерения | Обозначение параметров и числовое значение |
| Ширина, мм шестерни колеса Коэффициент ширины шестерни по диаметру Окружная скорость, м/c Степень точности изготовления Коэффициент нагрузки Окружная сила, Н Радиальная сила, Н Осевая сила, Н | b1=55 b2=50 ψba=1,23 υ=3,09 8 KH=1,123 Ft=1712 Fr=633 Fa=295 |
Методические указания
Разница твердости зубьев шестерен и колеса для прямозубых передач 25
30 HB, для косозубых передач и шевронных 30
50 HB.
Фактическое передаточное число должно отличаться от заданного не более чем на 3%.
Значения межосевого расстояния и нормального модуля рекомендуется выбирать из первого ряда. Угол наклона зубьев рассчитать с точностью до одной минуты, а для этого cosβ рассчитать до пятого знака после запятой.
Диаметры шестерни и колеса рассчитать с точностью до сотых долей мм. Ширину зубчатых колес округлить до целого числа. Окружная скорость для прямозубой передачи должна быть не более 5м/с. Контактные напряжения, возникающие в зацеплении должны быть в пределе до 5% -перегрузка и до 20% недогрузка.
3 Предварительный расчет валов, подбор муфты
Расчет выполняем на кручение по пониженным допускаемым напряжениям, с учетом действия на вал изгибающего момента.
Ведущий вал:
Диаметр выходного конца при допускаемом напряжении [τк]=20 МПа вычисляется мо формуле:
, (33)
где Mк1– крутящий момент на ведущем валу, Mк1=50,39 Н·м, (ПЗ, табл. 1);
[τк]– допускаемое напряжение на кручение, [τк]=20 МПа, [1, с. 160].
dв1=
=23,7 мм.
Принимаем dв1=32 мм из стандартного ряда [1, с.162].
Так как вал редуктора соединен муфтой с валом электродвигателя, то необходимо согласовать диаметры вала двигателя dдв и вала dв1. У подобранного электродвигателя диаметр вала dдв=38 мм, [1,с391. табл.П2] . Выбираем муфту упругую втулочно-пальцевую МУВП по ГОСТ 21424-75 , с допускаемым моментом [T]=125Н·М, d=28 мм, длина полумуфты на вал редуктора
ℓм =60мм,[1,с.277] расточкой полумуфты под вал двигателя dдв=38 мм и
dв1=32 мм, [1, с277].
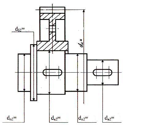
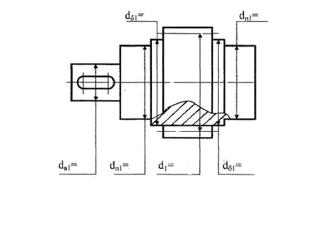
Принимаем диаметр вала под подшипники dп1=40 мм, диаметр буртика dб1=45 мм. Шестерню выполняем за одно целое с валом.
Рисунок 2 - Конструкция ведущего вала
Ведомый вал:
Принимаем материал вала сталь 45, термическая обработка улучшение, твердость HB 16…170
Учитывая влияние изгиба вала от натяжения цепи, принимаем [τк2]=16 МПа.
Диаметр выходного конца вала:
, (34)
где Мк2=156,2 Н·м – крутящий момент на ведомом валу, (ПЗ, табл.1).
dв2 =
= 36,7мм.
Принимаем ближайшее значение из стандартного ряда: dв2=38 мм. Принимаем под подшипниками диаметр вала dп2=45 мм. Принимаем диаметр вала под зубчатым колесом dk2=50 мм, диаметр буртика dб2=55 мм.
Рисунок 3 - Конструкция ведомого вала
[1,с161
162, 296
297].
Методические указания
Допускаемое напряжение на кручение принимать с учетом действия напряжений изгиба и условий работы вала в интервале
[τк]=15
25 МПа.
Диаметры ступеней принимать из стандартного ряда, [1, с 161
162], разница диаметров ступеней 4
6 мм.
Диаметры цапф вала под подшипники качения выбирать из стандартного вала [1, с.393].
Разница диаметров полумуфт для соединения валов двигателя и редуктора не более 10 мм.
4 Конструктивные размеры шестерни и колеса
Шестерню выполняем за одно целое с валом, ее размеры определены выше:
d1=60,98 мм, da1=64,98 мм, b1=55 мм. (ПЗ, табл.2)
Так как у нас колесо цилиндрическое, стальное, диаметр менее 500 мм, то выбираем кованное колесо. Его размеры были определены выше:
Определяем диаметр ступицы колеса:
, (35)
где dк2– диаметр вала под зубчатое колесо, dк2=50 мм.
dсm=1,6 ·50=80 мм.
Определяем длину ступицы:
ℓст=(1,2 ÷1,5)·50=60÷75 мм.
Принимаем ℓcт =60 мм.
Определяем толщину обода:
, (36)
где mn – нормальный модуль зацепления, mn=2 мм.
мм.
Принимаем толщину обода δ0=8 мм, так как он не может быть меньше 8мм, [1, с. 233].
Определяем толщину диска:
, (36)
50=15 мм.
Принимаем с=15 мм.
Определяем внутренний диаметр обода:
. (37)
D0=184,02-2·8=168 мм, принимаем D0=170мм.
Определяем размеры фаски:
(38)
мм.
Определяем диаметр центровой окружности
Dотв=0,5(D0+dсm) ,
Dотв=0,5 (170+80)=125 мм.
Определяем диаметр отверстия
dотв=0,25·(D0-dсm) ,
dотв=0,25(170-80)
22мм.
Таблица 3
| Наименование параметров и единица измерения | Обозначение параметров и числовое значение |
| Диаметр ступицы колеса, мм Длина ступицы колеса, мм Толщина обода колеса, мм Толщина диска колеса, мм Диаметр отверстий, мм Фаска, мм | dСт=80 lCт=60 δ0=8 с=15 dотв=22 n=1 |
[1,с161
162, 296
297].
Методические указания
Конструктивные размеры колеса округлять до целых чисел и согласовать со стандартным рядом. Зубчатые колеса с диаметром вершин dа2≤125 принимать без отверстий dотв.
5 Конструктивные размеры корпуса и крышки редуктора
Корпус редуктора изготавливается из чугуна СЧ15. Определяем толщину стенок корпуса редуктора:
, (39)
где аω– межосевое расстояние, аω=125 мм, (ПЗ,п.2).
мм.
Принимаем δ=8 мм.
Определяем толщину стенок редуктора:
(40)
мм.
Принимаем δ1=8 мм.
Определяем толщину верхнего пояса корпуса:
(41)
мм.
Определяем толщину нижнего пояса корпуса:
(42)
мм.
Принимаем р=19 мм.
Определяем толщину нижнего пояса крышки корпуса:
(43)
мм.
Определяем толщину ребер основания корпуса:
(44)
мм.
Принимаем m=7 мм.
Определяем толщину ребер крышки:
(45)
мм.
Принимаем m1=7 мм.
Определяем диаметр фундаментальных болтов:
(46)
мм.
Принимаем болты с резьбой М16.
Определяем диаметр болтов, крепящих крышку к корпусу у подшипников:
(47)
мм.
Принимаем болты с резьбой М12.
Определяем диаметр болтов, соединяющих крышку с корпусом:
(48)
мм.
Принимаем болты с резьбой М8.
Основание корпуса и крышку фиксируют относительно друг друга двумя коническими штифтами, установленными без зазора до расточки гнезд под подшипники.
Определяем диаметр штифта:
мм. (49)
Определяем длину штифта:
(50)
мм.
Принимаем штифты типа l длинной lш=30 мм, диаметром dш=8 мм.
Размер, определяющий положение болтов d2:
(51)
мм.
Принимаем е=14 мм.
Так как межосевое расстояние мало, то принимаем закладные крышки подшипников.
Полученные данные сводим в таблицу.
Таблица 4
| Наименование параметров и единицы измерения | Обозначение параметров и числовое значение |
| Толщина стенок корпуса редуктора, мм Толщина стенок крышки редуктора, мм Толщина верхнего пояса корпуса, мм Толщина нижнего пояса крышки корпуса, мм Толщина нижнего пояса корпуса, мм Толщина ребра основания корпуса, мм Толщина ребер крышки, мм Фундаментальные болты Болты, соединяющие крышку с корпусом Диаметр штифта, мм Длина штифта, мм Размер, определяющий положение болтов d2, мм Болты, крепящие крышку к корпусу подшипников | δ=8 δ=8 b=12 b1=12 р=19 m=7 m1=7 М16 M8 dш=8 lш=30 e=14 М12 |
[1,с240
243, 298].
Методические указания
Толщина стенки корпуса и крышки не должна быть меньше 8 мм.
Ребра корпуса и крышки принимать для редукторов с аω ≥200 мм.
Диаметры болтов выбирать из стандартного ряда, [1, с.242].
Длину штифтов принимать из стандартного ряда, [1, с.243].
Крышки подшипников принимать согласно индивидуального задания,
(ПЗ, задание)
Конструкцию крышек принимать согласно, [1,с. 198].
Для крепления крышек подшипников принять болты d4 , [1,с.242]. Для определения положения болтов d4 рассчитать расстояние q, [1,с.241].
6 Расчет цепной передачи
Выбираем приводную роликовую однорядную цепь по ГОСТ 13568 - 75, так как она наиболее приемлема для применения в приводах общего назначения, где необходимо понизить частоту вращения приводного вала.
Определяем число зубьев ведущей и ведомой звездочек и фактическое передаточного число
Число зубьев ведущей звездочки:
, (52)
где Uц – передаточное число цепной передачи , Uц = 3,23, (ПЗ, п.1).
Z 3=31-2·3,23=24,54.
Принимаем Z 3 =25
Число зубьев ведомой звездочки:
Z 4=Z3·Uц , (53)
Z4=25·3,23=80,75.
Принимаем Z4=81
Фактическое передаточное число:
Uцф =
.
Uцф=
=3 ,24
Определяем процентное расхождение
∆U =
·100%, (54)
∆U=
=0,31 %, допускается до 3%.
Определяем расчетные коэффициенты нагрузки
, (55)
где КД -динамический коэффициент при спокойной нагрузке (передача к ленточному конвейеру, Кд=1, [1,с.149];
Кα- коэффициент, учитывающий влияние межосевого расстояния, при α=(30÷50)·t , Кα=1, [1,с.150];
Кн- коэффициент, учитывающий влияние наклона цепи, при α =0° КН=1;
Кр- коэффициент, учитывающий способ регулирования натяжения цепи, при периодическом Кр=1,25;
Ксм- коэффициент, учитывающий способ смазки цепи, при периодической ручной Ксм=1;
Кп- коэффициент, учитывающий периодичность работы передачи, при работе в одну смену Кп=1,[1, с.150].
Кэ=1·1·1,25·1·1=1,25.
Определяем шаг цепи
Для определения шага цепи необходимо знать допускаемое давление [Р] в шарнирах цепи. Так как в таблице допускаемое давление [P] задано в зависимости от шага t и частоты вращения ведущей звездочка [Р] задаем ориентировочно .
Ведущая звездочка имеет частоту вращения n2=307 об/мин.,(ПЗ, п.1).
Принимаем [Р]=22 МПа.
, (56)
где М2- вращающий момент на валу ведущей звездочки, М2=156,2 Н·м;
Кэ– коэффициент, учитывающий условия эксплуатации и монтажа
цепной передачи, Кэ=1,25;
Z3=25 – число зубьев ведущей звездочки;
m - число рядов цепи , m=1.
t=2, 8·
=16, 54 мм.
Подбираем цепь ПР-19,05-31,8 по ГОСТ 13568-75, имеющую шаг t=19,05 мм;
разрушающую нагрузку Q=31,8 кН; масса одного метра цепи q=1,9 кг/м;
проекция опорной поверхности шарнира Аоп=105,8 мм2, [1,с .147]
Определяем окружную скорость цепи
, (57)
где Z3– число зубьев ведущей звездочки, Z3=25;
t– шаг цепи, t=19,05 мм;
n3– частота вращения ведущей звездочки, n3=307 об/мин.
υ=
=2,44 м/с.
Определяем окружную силу, передаваемую цепью
, (58)
где М2-вращающий момент на валу звездочки, М2=156,2 Н·м;
ω2 – угловая скорость вала ведущей звездочки, ω2=32,12 1/с;
υ – окружная скорость цепи, υ=2,44 м/с.
Fтц =
=2054 Н.
Определяем силы давления в шарнирах и проверяем цепь на износостойкость
, (59)
где FТЦ – окружная сила, FТЦ=2054 Н;
Кэ – коэффициент, учитывающий условия эксплуатации и монтажа
цепной передачи, Кэ=1,25;
АОП – проекция опорной поверхности шарнира, АОП=106 мм2.
P=
=24МПа
Уточняем допускаемое давление:
[P]=22·[1+0,01(Z3-17)], [1,с.150]
[P]=22·[1+0,01(25-17)]
24 МПа;
Условие Р< [Р] выполнено.
Определяем число звеньев цепи
, (60)
где
=[30÷50]·t – межосевое расстояние;
t – шаг цепи, t=19,05 мм.
Принимаем
=50·t мм, тогда
(61)
Определяем суммарное число зубьев звездочек:
, (62)
где Z3– число зубьев ведущей звездочки ,Z3=25;
Z4 – число зубьев ведомой звездочки, Z4=81;
ZΣ=25+81=106
. (63)
∆=
=8,92
Определяем число звеньев в цепи:
, ( 64) Lt=2·50+0,5·106+
=154,59.
Округляем до четного числа Lt=154.
Уточняем межосевое расстояние
, (65)
где t– шаг цепи, t=19,05 мм;
Lt – число звеньев цепи , Lt=154;
ZΣ– суммарное число зубьев звездочек , ZΣ=106;
Δ=8,92.
ац=0,25·19,05[154-0,5·106 +
]=946 мм.
Для свободного провисания цепи предусматриваем возможность уменьшения межосевого расстояния на 0,4%, т.е. на 946·0,004
4мм.
Определяем размеры звездочек
Определяем диаметр делительной окружности:
, (66)
где t– шаг цепи, t=19,05 мм;
Z3 –число зубьев ведущей звездочки , Z3=25.
dдз=
=152 мм.
dд4=
=491 мм.
Определяем силы, действующие на цепь
Окружная сила FТЦ – определена выше, FТЦ=2054 Н .
Определяем центробежную силу:
, (67)
где q– масса одного метра цепи, q=1,9 кг/м ;
υ– окружная скорость цепи, υ=2,44 м/с .
Fv=1, 9· 2,442=11Н.
Определяем силу от провисания цепи:
, (68)
где Кf – коэффициент, учитывающий расположение цепи, при горизонтально расположенной цепи, Кf=1,5 [1, с. 151];
=946 мм – межосевое расстояние,
=946 мм.
Ff=9,81·1,5·0,949=26Н.
Определяем расчетную нагрузку на валы:
, (69)
Fв=2054+2·26
2100Н.
Определяем коэффициент запаса прочности цепи
, (70)
где Q – разрушающая нагрузка ,Q=31,8 кН;
FТЦ – окружная сила, FТЦ=2054 кН;
КД- динамический коэффициент, КД=1;
Fv – центробежная сила ,Fv=11 H;
Ff– сила от провисания цепи, Ff=26 H.
S=
=15,2.
[S] – нормативный коэффициент запаса, [S]
8,9, [1,с.151, табл.7.19],
условие S>[S] выполнено.
Определяем конструктивные размеры ведущей звездочки
Диаметр ступицы звездочки:
, (71)
где dв2– диаметр выходного конца ведомого вала, dв2=38 мм, (ПЗ, п.3).
dст=1,6·38=60 мм.
Длина ступицы звездочки:
(72)
lCТ=(1,2÷1,6) · 38=45÷60мм
Принимаем lCТ=55 мм
Толщина диска звездочки:
С=0,93·ВВН, (73)
где ВВН=12,7 мм – расстояние между пластинками внутреннего звена, ВВН=12,7 мм, [1, ст.147, табл. 7.15].
С=0,93·12,7=12 мм
Таблица 5
| Наименование параметра и единицы измерения | Обозначение параметров и числовое значение |
| Число зубьев звездочек: ведущей ведомой Фактическое передаточное число Расчетный коэффициент нагрузки Шаг цепи, мм Разрушающая нагрузка, кН Масса одного метра цепи, кг/м Проекция опорной поверхности шарнира, мм2 Окружная скорость цепи, м/с Окружная сила, Н Сила давления в шарнирах, МПа Допускаемое давление в шарнирах цепи, МПа Суммарное число зубьев звездочек Δ Число звеньев цепи Межосевое расстояние, мм Диаметр делительной окружности ведущей звездочки, мм Сила от провисания цепи, Н Расчетная нагрузка на валы, Н Коэффициент запаса прочности Центробежная сила, Н Диаметр ступицы звездочки, мм Длина ступицы звездочки, мм Толщина диска звездочки, мм | Z3=25 Z4=81 UЦ=3,24 Кэ=1,25 t=19,05 Q=31,8 q=1,9 АОП=106 υ=2,44 FТЦ=2054 Р=24 [P]=24 ZΣ=106 Δ=8,92 Lt=154 aЦ=946 dд3=152 Ff=26 Fв=2100 S=15,2 FV=11 dCТ=60 lСТ=55 12 |
[1,с240
243, 298].
Методические указания
При выборе коэффициента нагрузки необходимо учитывать, что цепная передача открытая, расположена горизонтально, нагрузка спокойная, работа односменная, (ПЗ, задание).
При определении числа звеньев цепи принять четное число, для удобства соединения звеньев.
7 Первый этап эскизной компоновки редуктора
Компоновочный чертёж выполняем в масштабе 1:1. Вычерчиваем упрощенно шестерню и колесо в виде прямоугольников; шестерня выполнена за одно целое с валом.
Очерчиваем внутреннюю стенку корпуса:
Определяем зазор между торцом шестерни и внутренней стенкой корпуса:
, (74)
где δ– толщина стенок корпуса редуктора, δ=8 мм .
мм.
Принимаем А1=10 мм.
Принимаем зазор от окружности вершин зубьев колеса до внутренней стенки корпуса A=δ=8 мм.
Принимаем расстояние между наружным кольцом подшипника ведущего вала и внутренней стенкой корпуса А=δ=8 мм.
Предварительно намечаем радиальные шарикоподшипники легкой серии; габариты подшипников выбираем по диаметру вала в месте посадки подшипников dп1=40 мм и dп2=45 мм, (ПЗ,п.3), [1,с.293].
Таблица 6
| Условное обозначение подшипника | Размеры, мм | Грузоподъемность, кН | |||
| d | D | B | C | Co | |
| 208 | 40 | 80 | 18 | 32 | 17,8 |
| 209 | 45 | 85 | 19 | 33,2 | 18,6 |
Применяем для подшипников пластичный смазочный материал.
Для предотвращения вытекания смазки внутрь корпуса и вымывания пластичного смазочного материала жидким маслом из зоны зацепления устанавливаем мазеудерживающие кольца. Их ширина определяется размером У.
Принимаем у=10 мм.
Измерением находим расстояния на ведущее валу ℓ1=55,5 мм, ℓ 2=58,5 мм. Принимаем ℓ 1=ℓ 2=59 мм.
Определяем глубину гнезда подшипника 209:
. (75)
ℓ г=1,5·19
30 мм.
Устанавливаем зазор между закладной крышкой и торцом соединительного пальца цепи в 10 мм. Длину пальца ℓ принимаем на 5 мм больше шага t. Таким образом
, (76)
где t=19,05 мм – шаг цепи.
l=19,05+5=24,05 мм.
Измерением устанавливаем расстояние, l3=60 мм, определяющее положение звездочки относительно ближайшей опоры ведомого вала.
[1,с.301
303]; [2,с.105
106].
Методические указания
При наличии у зубчатого колеса зазор ступицы А, берется с торца ступицы.
Подбор подшипников рекомендуется начинать с легкой серии. Для прямозубой передачи целесообразно принять шариковые радиальные подшипники. Для косозубой передачи при небольшом значении осевой силы можно принять также шариковые радиальные подшипники. При значительной осевой силе – шариковые радиально-упорные.
У шевронной передачи осевая сила отсутствует. Однако из-за неточности изготовления и сборки в зацеплении может входит один шеврон; при этом возникает осевая сила , которая стремится переместить вал-шестерню вдоль оси . Поэтому быстроходный вал делают плавающим, устанавливая его на радиальных роликовых подшипниках с короткими цилиндрическими роликами . Вал колеса можно установить на радиальных шариковых подшипниках легкой серии, [1, с.196].
8 Подбор шпонок и проверочный расчет шпоночных соединений
Для соединения деталей с валами выбираем шпонки призматические со скругленными концами, изготовленные из стали 45.
Размеры сечений шпонок, пазов и длины подбираем по ГОСТ 23360-78, [1,с.169, табл.8.9]
Шпонки проверяем на смятие из условия прочности :
σсм =
<[ σсм], (77)
где М1- вращающий момент на данном валу, (ПЗ, п.2);
dв – диаметр выходного конца вала, ( ПЗ, п.3);
b – ширина шпонки;
h – высота шпонки;
t1 – глубина паза вала;
ℓ – длина шпонки.
Ведущий вал:
Шпонка под полумуфтой:
Исходные данные
М1=52,2 Н·м;
dв1=32 мм. ;
b =10 мм.;
h =8 мм. ;
t1 =5 мм.;
ℓ =45 мм, при длине полумуфты ℓм1=60 мм, (ПЗ,п.3).
[ σсм]=50 МПа, при чугунной полумуфте и возможности легких толчков.
σсм =
=36 МПа
Условие σсм <[ σсм] выполнено
Ведомый вал.
Шпонка под ступицей ведущей звездочки.
Исходные данные:
М2=156,2 Н·м;
dв2=38 мм
b=10 мм;
h=8 мм;
t1=5 мм;
ℓ=45 мм, при длине ступицы звездочки, ℓст=55 мм, (ПЗ, п.6);
[σсм]=90 МПа, при стальной ступице и возможности легких толчков.
Определяем напряжение смятия для шпонки под ступицей ведущей звездочки, так как она более нагружена:
σсм =
=78,3 МПа
Условие σсм <[ σсм] выполнено
Шпонка под зубчатым колесом.
Исходные данные:
dк2=50 мм ;
b=14мм;
h=9мм ;
t1=5,5 мм;
ℓ =50 мм., при длине ступицы колеса ℓст=60 мм, (ПЗ, п.2).
Полученные данные сводим в таблицу.
Таблица 7
| Положение шпонки | Размеры, мм | Номер ГОСТа | ||||
| b | h | t1 | ℓ ш | ГОСТ 23360-78 | ||
| Под полумуфтой | 10 | 8 | 4,5 | 45 | ||
| Шпонка под зубчатым колесом | 10 | 8 | 5 | 45 | ||
| Шпонка под ведущей звездочкой | 14 | 9 | 5,5 | 50 | ||
[1,с.169
220, 310].
Методические указания
Шпонки устанавливаемые на концах валов можно принять с одним скруглением , тогда проверку на смятие произвести по формуле:
σсм =
≤[ σсм].
При выборе допускаемого напряжения смятия учитывать материалы ступицы и характер нагрузки.
9 Подбор подшипников для валов
Расчет подшипников выполняем для более нагруженного вала (второй вал).
Исходные данные:
Мк=М2– крутящий момент на втором валу, М2=156,2 Н∙м, (ПЗ, п.1);
Fa – осевая сила, Fa=295 Н;
Ft– окружная сила , Ft=1712 Н;
Fr – радиальная сила, Fr=633Н ;
d2 – делительный диаметр колеса, d2=189мм, (ПЗ, п.2);
Fв=2100 Н, (ПЗ, п.6);
l2, l3– расстояния на ведомом валу, l2=59мм , l3=60 мм;
С– динамическая грузоподъемность, С=33,2 Кн;
С0– статическая грузоподъемность, С0=18,6 кН, (ПЗ, п.7);
n2- частота вращения вала , n2=302 об/мин, (ПЗ, п.1).
Определяем реакции опор от сил, действующих в горизонтальной плоскости.
Rх1= Ry1 =
=
=860 Н.
Определяем суммарную радиальную нагрузку на подшипники 1 и 2.
Из двух подшипников более нагруженным является подшипник 2, для него и ведем расчет.
Отношение
=295/18600=0,0159; этой величине соответствует е=0,195, [1, с. 212, табл. 9.18].
Определяем отношение
=
=0,077< е=0,195.
Определяем эквивалентную нагрузку
Pэ=V·Pr2·Kб·Kт , (78)
где V– коэффициент при вращении внутреннего кольца V=1;
Кб – коэффициент безопасности, Кб=1,3, [1, с. 214, табл. 9.19];
Кт– температурный коэффициент, Кт=1, [1, с. 214].
P э=1·3818·1,3·1=4963 H.
Определяем расчетную долговечность в часах:
Lh=
·
, (79)
Lh=
=162544 ч, долговечность приемлемая.
Строим эпюру крутящих моментов.
Мк=М2=156,2 Н·м, (ПЗ, п1).
Строим эпюру изгибающих моментов от сил, действующих в вертикальной плоскости:
Ми.х.1=0;
Ми.х.3лев= R1y· ℓ 2=-987·0,059=-58,2 Н·м;
Ми.х.3прав.= R1y· ℓ 2 +
= -987·0,059 + 295 ·
=-30,4Н·м;
Ми.х 2= -Fв· ℓ 3.= -2100·0,06=-126 Н·м;
Ми.х.4=0.
Строим эпюру изгибающих моментов в горизонтальной плоскости:
Ми.у.1=0;
Ми.у3=. R1х· ℓ2=860·0,059=50,7 Н·м;
Ми.у.2=0;
Ми.у4=0;
Определяем суммарный изгибающий момент под колесом:
Mи=
, (80)
Mи=
=77,2 Н·м.
-Fr·ℓ 2 - Fa·
+ R2y· 2ℓ2 -Fв (2ℓ2+ ℓ3)=0,
R2y=
=
=3720 Н.
∑М2=0,
- ·R1y ·2ℓ 2 +Fr·ℓ 2 - Fa·
-Fв∙ℓ 3=0,
R1y=
=
= -987 Н.
Проверка
∑Fy= R1y- Fr + R2y - Fв= -987 -633+3720 -2100=0
R r 1=
=
=1309 H.
R r 2=
=
=3818 H.
[1,с211
215,304
307]
Рисунок 4 – Расчетная схема ведомого вала
10 Второй этап эскизной компоновки редуктора
Для предотвращения заклинивания тел качения, вызываемого температурным удлинением валов редуктора или неточностью изготовления деталей подшипникового узла, применяем схему установки подшипников с фиксированной и плавающей опорой, [1,c.180-181].
Для свободного перемещения внешнего кольца подшипника в корпусе редуктора предусматриваем температурный зазор а=0,2
0,5мм.
Принимаем крепление подшипников на валу и в корпусе при помощи упорных стопорных пружинных колец прямоугольного сечения. Их размеры принимаем по, [1,c.191,194]. Пример установки колец по, [1,c.197,рис. 9.29].
(В тех случаях, когда на подшипник не действует осевая нагрузка – прямозубая передача, и необходимо предотвратить только случайное смещение подшипника, осевое крепление на валу осуществляется соответствующей посадкой без применения дополнительных устройств).
(В передачах с шевронными колесами осевое усилие отсутствует. Однако из-за неточности изготовления и сборки в зацепление может входить только один шеврон; при этом в нем возникает осевая сила, которая стремится переместить вал-шестерню вдоль оси. В связи с этим ведущий вал делают плавающим, для этого вала применяют радиальные роликоподшипники с короткими цилиндрическими роликами, [1, c.397]. При этом подшипники фиксируют на валу и в корпусе при помощи упорных стопорных пружинных колец прямоугольного сечения, [1,c.197]).
Для предотвращения вытекания смазки внутрь корпуса и вымывания пластичного смазочного материала жидким маслом из зоны зацепления ранее были выбраны мазеудерживающие кольца,(ПЗ,п.7). Их конструкцию принимаем по, [1,c.207, рис. 9.39].
(По заданию могут быть установлены маслоотражательные кольца. Их конструкция, [1,c.207, рис. 9.38] ).
Для уплотнения сквозных крышек подшипников принимаем на ведущем валу войлочное уплотнение. Его конструкцию определяем по, [3,c.120]. На ведомом валу манжета резиновая армированная. Манжету устанавливаем снаружи крышки, [1,.208, рис 9.41]. Размеры манжеты, [1,c.209],[3,c.118, 119].
По заданию может быть предусмотрено щелевое уплотнение. Его конструкцию принять по, [1,c.210, рис. 9.46],[3,c.120].
Так как в задании нет особых требований к качеству редуктора принимаем подшипники качения 6-го класса точности, [1,c.200].
Для слива масла принимаем пробку с шестигранной головкой. Её конструкция по, [1,c.254].
Для выравнивания давления внутри корпуса редуктора с атмосферным принимаем пробку-отдушину, которую устанавливаем в крышке смотрового отверстия. Её конструкция по, [1,c.246, рис. 10.21]. (Если межосевое расстояние редуктора аw < 125мм – отдушину можно не устанавливать, если она не указана в задании).
Для заливки масла и осмотра редуктора предусматриваем в крышке редуктора смотровое отверстие. Его конструкция по, [1,c.244].
(Если межосевое расстояние в редукторе аw < 100мм – заливку масла и осмотр редуктора осуществляем при снятой крышке редуктора, если смотровое отверстие не предусмотрено заданием).
Для транспортировки редуктора в корпусе предусматриваем приливы в виде крюков. Их конструкция по, [1,c.239, 240, 244].
(По заданию могут быть предусмотрены петли, [1,c.244] или рым-болт, [3,c.178] ).
Для удобства снятия крышки редуктора, в поясе крышки устанавливаем отжимной болт с резьбой М10.
Вторая эскизная компоновка, (ПЗ, приложение Б).
Методические указания.
При принятии различных конструктивных решений, они должны быть обоснованы и соответствовать индивидуальному творческому заданию.
11 Проверочный (уточненный) расчет валов
Производим расчет ведомого вала только в одном сечении – под зубчатым колесом.
Материал вала – сталь 45 нормализованная, предел прочности
σв=570МПа, [1, с. 34, табл. 3.3].
Определяем предел выносливости при симметричном цикле изгиба:
, (81)
МПа.
Определяем предел выносливости при симметричном цикле касательных напряжений:
(82)
МПа.
Исходные данные:
dк2– диаметр вала под зубчатым колесом, dк2=50 мм, (ПЗ,п3);
М2 – крутящий момент на втором валу, М2=156,2 Н·м, (ПЗ,п1) ;
Mи – суммарный изгибающий момент под колесом, Mи=77,2 Н·м .
Концентрация напряжений обусловлена наличием шпоночной канавки, поэтому коэффициенты Кσ=1,59 и Кτ=1,49, [1, с. 165, табл. 8.5].
Масштабные факторы εσ=0,82 и ετ=0,70, [1, с.166, табл. 8.8].
Коэффициенты ψσ=0,15 и ψτ=0,1, [1, с.163, 166].
Определяем момент сопротивления кручению:
(83)
где b – ширина шпонки , b=14 мм;
t1=5,5 мм – глубина паза вала, [1,с.169].
Wкнетто= 3,14·503/16 – 14·5,5(50-5,5)2 /2·50=23000 мм3
Определяем момент сопротивления изгибу:
(84)
Wнетто= 3,14·503/32 – 14·5,5(50-5,5)2 /2·50=10740 мм3
Определяем амплитуду и среднее напряжение цикла касательных напряжения:
, (85)
τv=156,2·103/2·23000=3,4 МПа
Определяем амплитуду нормальных напряжений изгиба:
(86)
σv=77,2·103/10740=7,19 МПа.
Среднее напряжение σm=0.
Определяем коэффициент запаса прочности по нормальным напряжениям:
(87)
Sσ=246/(1,59·7,19/0,82)=17,6.
Определяем коэффициент запаса прочности по касательным напряжениям:
(88)
Sτ=
18,73.
Определяем результирующий коэффициент запаса прочности:
S=
, (89)
S==
=12,8.
Допускаемый коэффициент запаса прочности [S]=2,5, [1, с. 162]. Условие S ≥ [S] выполнено.
[1,с162
166, 311
317]
Методические указания
При расчете ведомого вала выполнить расчёт в месте установки более нагруженного подшипника, [1,с.314
315].
12 Подбор посадок основных деталей редуктора
Выбираем посадки внутреннего и наружного колец подшипников. Нагружение наружных колец местное, поэтому для более равномерного износа кольца необходимо обеспечить незначительное проворачивание кольца, т.е. выбрать посадку с зазором. Поэтому выбираем посадку Н7/10. Нагружение внутренних колец подшипников циркуляционное, поэтому для исключения проворачивания по посадочной поверхности вала необходимо выбрать посадку с гарантированным натягом. Принимаем посадку внутреннего кольца подшипника на вал редуктора L0/k6.
Посадка зубчатого колеса на вал редуктора Н7/р6.
Посадка звездочки цепной передачи на вал редуктора Н7/h6.
Посадка полумуфты на ведущий вал редуктора Н7/р6.
Выбираем посадку закладной крышки в корпусе редуктора Н7/h7.
Выбираем посадки мазеудерживающих колец на валы редуктора H7/k6.
Выбираем посадку распорной втулки на вал редуктора Н7/р6.
Выбираем отклонение вала в месте установки манжеты h10.
Выбираем отклонение диаметра отверстия в закладной крышке для установки манжеты Н9.
Выбираем отклонение наружного диаметра шайбы для демонтажа манжеты h7.
Выбираем отклонение диаметра отверстия в закладной крышке для установки войлочного уплотнения Н12.
Выбираем отклонение ширины отверстия в закладной крышке для установки войлочного уплотнения Н12.
Выбираем отклонения вала в месте установки войлочного уплотнения h11.
Выбираем отклонение диаметра отверстия в сквозной крышке в месте прохождения через нее вала Н12.
[1,с.263,317,318].
13 Смазка зацепления и подшипников редуктора
Смазывание зубчатого зацепления осуществляется окунанием зубчатого колеса в масло, заливаемое внутрь корпуса до уровня, обеспечивающего погружение колеса примерно на 10 мм.
Определяем объем масляной ванны:
, (90)
где Ртр – требуемая мощность, Ртр=5,28 кВт, (ПЗ, п.1).
V=0,25·5,28=1,32 дм3.
Определяем высоту масляной ванны:
, (91)
где а=276 мм – длина масляной ванны;
b=74 мм – ширина масляной ванны, (ПЗ, прилож. Б).
h=
=65 мм.
Определяем марку масла
Исходные данные :
Окружная скорость в зацеплении :
υ=3,09м/с;
Допускаемое контактное напряжение: σН=353 МПа, (ПЗ, п.2).
При такой скорости и контактном напряжении рекомендуемая вязкость масла должна быть примерно равна 28·106 м2/с, [1, с.253, табл. 10.8].
Принимаем по ГОСТ 20799-75 масло индустриальное И-30А,
[1, с.253, табл. 10.10].
Камеры подшипников заполняем смазочным материалом УТ-1, [1,с.203,табл. 9.14], периодически пополняя его при осмотре редуктора.
Список литературы
Для подготовки данной работы были использованы материалы с сайта http://referat.ru/
















