63920 (589063)
Текст из файла
Министерство образования Республики Беларусь
Учреждение образования «Гомельский государственный дорожно-строительный колледж имени Ленинского комсомола Белоруссии»
Специальность: 2400202
Группа: ЭВС-42
Пояснительная записка к дипломному проекту
НА ТЕМУ: «Измеритель напряжённости и градиента магнитного поля »
Разработал учащийся: В.Т. Тихоненко
Руководитель дипломного проекта: Д.С. Минин
Руководитель цикловой комиссии: А.В. Кривицкий
Руководитель экономической части: Л.П.Дворак
Гомель 2010
Содержание
Введение
1 Расчетно-проектировочный раздел
1.1 Назначение и область применения
1.2 Разработка структурной схемы
1.3 Разработка принципиальной схемы
1.3.1 Расчет узлов и блоков
1.3.2 Выбор элементной базы1
1.3.3 Описание принципа действия
1.3.4 Расчет потребляемой мощности
1.4 Разработка блока (системы) электропитания
2 Конструкторско-технологический раздел
2.1 Выбор и обоснование способа изготовления печатной платы
2.2 Компоновка устройства
2.3 Поиск и устранение неисправностей
3 Экономический раздел
4 Энерго- и материалосбережение
5 Охрана труда
6 Охрана окружающей среды
Заключение
Литература
Введение
Написание дипломного проекта и последующая его защита является заключительной стадией обучения в средних специальных учебных заведениях. Дипломный проект является обобщающей проверкой всех знаний накопленных за время учебы в техникуме. Он охватывает такие предметы как: экономика, схемотехника ЭВМ, экология, энергосбережение и некоторые другие предметы, характерные для отделения «Электронные вычислительные средства». Темой дипломного проекта является разработка, какого либо электронного устройства, в данном случае – измерителя напряжённости и градиента магнитного поля. Для разработки устройства требуются знания теории, подкрепленной практическим опытом. Разработка устройства включает в себя:
-
Выбор и обоснование элементной базы.
-
Разработка структурной схемы.
-
Разработка принципиальной схемы.
-
Расчет узлов и блоков.
-
Выбор ИМС и радиоэлектронных элементов.
-
Расчет потребляемой мощности.
-
Расчет быстродействия.
Для практического исполнения устройства требуются практические навыки, полученные при прохождении практик:
-
Электромонтажная.
-
Электроизмерительная.
-
Производственно-технологическая.
-
Преддипломная.
Навыки, полученные при прохождении электромонтажной практики (пайка, нанесение печатного монтажа на платы, травление плат) нужны для изготовления печатной платы устройства и припаивания микросхем и радиоэлементов к печатному монтажу.
Навыки, полученные при прохождении электроизмерительной практики нужны для поиска и устранения неисправностей в готовом устройстве.
Навыки, полученные при прохождении производственно-технологической практики, требуются для изготовления и проверки на работоспособность устройства, но с использованием знаний опытных инженеров-электроников, что позволяет сократить затрачиваемое время на изготовление устройства и поиск неисправностей в нем.
Преддипломная практика требуется в основном для сбора и подготовки материалов к дипломному проекту.
После написания и защиты дипломного проекта молодые специалисты могут приступать к трудовой деятельности.
1. Расчетно-проектировочный раздел
1.1 Назначение проектируемого устройства и выбор области его применения
Разрабатываемый мною прибор предназначен для оперативного измерения и контроля величины напряжённости постоянного магнитного поля, а также градиента магнитной индукции, с помощью двух магниторезистивных датчиков типа HMC1022.
Возможные области применения прибора:
1.Прямые измерения напряжённости и градиента магнитной индукции слабых постоянных магнитных полей (сравнимых с магнитным полем Земли).
2.Работа в качестве металлоискателя или металлодетектора при поиске и обнаружении достаточно крупных ферромагнитных объектов (трубопроводов, техники, свалок, кладов, оружия и т. п.).
3.Построение маршрутов прокладки трасс подземных и подводных трубопроводных коммуникаций, приблизительная оценка их состояния.
4.Измерение полей рассеяния постоянных магнитов и магнитных систем при их конструировании, обслуживании и ремонте.
5.Оценка качества размагничивания стальных изделий.
6.Оценка магнитной обстановки.
7.Составление магнитных карт местности и магнитных образов объектов (магнитная паспортизация).
8.Построение различных измерительных установок и комплексов.
Прибор имеет автономное питание - аккумуляторную батарею, подзарядка которой может осуществляться сетевым зарядным устройством , и ручку для переноски. Штанга с датчиками может крепиться к корпусу прибора в четырех различных положениях.
1.2 Разработка структурной схемы проектируемого устройства
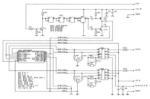
В данном разделе нужно представить структурную схему (Приложение 1) разрабатываемого устройства измерения градиента и напряжённости магнитного поля.
Структурной называется схема, которая определяет основные функциональные части изделия и связи между ними. Структурная схема лишь в общих чертах раскрывает назначение устройства и его функциональных частей. Она определяет основные функциональные части изделия, их назначение и взаимосвязи, и служит лишь для общего ознакомления с изделием.
Составные части проектируемого устройства изображаются упрощенно в виде прямоугольников произвольной формы, т. е. с применением условно-графических обозначений. Внутри каждого прямоугольника, функционального узла устройства, указаны наименования.
Устройство измерения напряжённости и градиента магнитного поля можно разбить на следующие функциональные узлы:
-блок питания- подаёт напряжение номиналом +5В, +12 В, +2.5 В;
-аккумуляторная батарея- источник питания +12.6 В 7 А-час;
-блок управления- генерирует сигналы сброса/установки;
-левый и правый датчик- магниторезистивные преобразователи;
-вычитатели- сравнивают данные левого и правого датчиков, на выходе образуется напряжение пропорциональное градиенту магнитного поля;
-вольтметр- измерят напряжение на выходах датчиков и вычитателей, пропорциональное напряжённости и градиенту магнитного поля;
1.3 Разработка и обоснование принципиальной схемы проектируемого устройства
-
Расчет узлов и блоков проектируемого устройства
Главным элементом схемы является магниторезистивный датчик HMC1022.
Магниторезистивные датчики отличаются высокой чувствительностью и позволяют измерять самые малые изменения магнитного поля. Они применяются в магнитометрии для решения различных задач: определения угла поворота, положения объекта относительно магнитного поля земли, измерения частоты вращения зубчатых колес и др.
Рис.1.3.1.1
Принцип работы магниторезистивных датчиков основан на изменении направления намагниченности внутренних доменов слоя пермаллоя (NiFe) под воздействием внешнего магнитного поля. В зависимости от угла между направлением тока и вектором намагниченности изменяется сопротивление пермаллоевой пленки. Под углом 90° оно минимально, угол 0° соответствует максимальному значению сопротивления.
Конструкция магниторезистивных датчиков Honeywell состоит из четырех пермаллоевых слоев, которые организованы в мостовую схему. Кроме того, на плату датчика добавлены две катушки: SET/RESET и OFFSET. Катушка SET/RESET создает легкую ось, которая необходима для поддержания высокой чувствительности датчика, катушка OFFSET предназначена для компенсации воздействия паразитных магнитных полей (созданных, например, каким-либо ферромагнитным объектом или металлическими предметами).
Датчики позволяют измерять самые слабые магнитные поля (от 30 мкГаусс) с последующим их преобразованием в выходное напряжение. В конструкции датчика могут быть объединены несколько мостовых схем, образуя, таким образом, двух- и трехосевые сенсоры.
К числу преимуществ магниторезистивных датчиков можно отнести:
• отсутствие зависимости от расстояния между магнитом и датчиком;
• широкий диапазон рабочих температур (от –55 до 150°С);
• датчики зависят только от направления поля, а не его интенсивности;
• долгий срок службы, независимость от магнитного дрейфа.
Для усиления выходного сигнала с датчиков производителем рекомендовано использовать аналоговые усилители на микросхемах AMP04 (DA1-DA4).
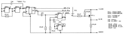
Для формирования сигналов служит генератор на микросхемах К561ЛЕ5.
Рекомендрванная схема включения датчика HMC1022 и аналогового усилителя AMP04 приведена на рисунке 1.3.1.2
рисунок1.3.1.2
Для установки нулевого сигнала в отсутствии магнитного поля на выходах DA1-DA4 используются цепочки R4R5R6, R7R8R9, R10R11R12,R13R14R15.
R4,R6,R7,R9,R10,R12,R13,R15= 100 кОм
R5,R8,R11,R14= 10 кОм
Коэффициент усиления DA1-DA4 усилителей (соответствующий коэффициент потребления 1В/Гс или 10мВ/Тл) задаётся с помощью резисторов R17,R20,R23,R26
R17,R20,R23,R26=470 Ом
Резисторы на выходах усилителей R29,R30,R31,R32 являются токоограничивающими
R29,R30,R31,R32= 100 Ом
Конденсаторы С19-С22 обеспечивают фильтрацию питания. Их величину выбираем из типовой схемы подключения DD3, DD4
Для формирования сигналов сброса-установки (S/R) служит генератор на микросхемах К561ЛЕ5, К561ИЕ16.
В состав генератора входит RS-тригегер.
RS-тригегеры в общем случае имеют три входа: S-для установки 1, R- для установки нуля и С для приёма тактируемых импульсов. Состояния RS-триггера, соответствующие различным сочетаниям сигналов на его входах R и S, приведены в таблице 1.
Особенности RS- триггеров заключается в том , что при подаче одновременно
На выходы R и S сигнала 1 состояния триггера на выходе становится неопределённым: схема начинает генерировать или вчение воздействия входных сигналов неоднократно переходя из одного состояния в другой. Для нормальной работы триггера необходимо устранить данное сочетание сигналов.
| tn | tn+1 | ||||
| R | S | C | Qn +1 | Qn+1 | |
| 0 1 0 1 | 0 0 1 1 | 1 1 1 1 | Qn 0 1 н/о | Q 1 0 н/о | |
Таблица 1
Состояние выходов триггера Qn Qn являющиеся составляющей функции элемента памяти и управляющих входов X1X2…Xm.
Рекомендованная схема включения генератора приведена на рисунке 1.3.1.3
Рисунок 1.3.1.3
Конденсатор С1 выбираем из типовой схемы подключения DD1 обычно имеет емкость 0,022 мкФ.
Рассчитаем времязадающие элементы R, С для генератора DD2. Т.к. требуется импульсы тока длительностью около 1 мксек, то из t=RC получаем следующие номиналы элементов:
R54,R55,R56,R57 = 10 кОм;
С11,C12,C13,C14 = 0,1 мкФ.
резисторы R35-R44,R51,R52
Рекомендованная схема включения вычитателя на базе микросхемы LM324N
Представлена на рисунке 1.3.1.4
Рисунок 1.3.1.4
Из рекомендованной изготовителем схемы подключения аналоговой микросхемы DA5 берём значения резисторов R35-R42,R51,R52.
Характеристики
Тип файла документ
Документы такого типа открываются такими программами, как Microsoft Office Word на компьютерах Windows, Apple Pages на компьютерах Mac, Open Office - бесплатная альтернатива на различных платформах, в том числе Linux. Наиболее простым и современным решением будут Google документы, так как открываются онлайн без скачивания прямо в браузере на любой платформе. Существуют российские качественные аналоги, например от Яндекса.
Будьте внимательны на мобильных устройствах, так как там используются упрощённый функционал даже в официальном приложении от Microsoft, поэтому для просмотра скачивайте PDF-версию. А если нужно редактировать файл, то используйте оригинальный файл.
Файлы такого типа обычно разбиты на страницы, а текст может быть форматированным (жирный, курсив, выбор шрифта, таблицы и т.п.), а также в него можно добавлять изображения. Формат идеально подходит для рефератов, докладов и РПЗ курсовых проектов, которые необходимо распечатать. Кстати перед печатью также сохраняйте файл в PDF, так как принтер может начудить со шрифтами.















