63265 (588922), страница 3
Текст из файла (страница 3)
Присоединение GSM сотовых операторов к телефонной сети общего пользования (ТФОП/PSTN). Соединение с телефонной сетью общего пользования осуществляется MSC по линии связи 2 Мбит/с в соответствии с системой сигнализации SSN7. Электрические характеристики 2 Мбит/с интерфейса соответствуют Рекомендациям МККТТ G.732.
Типовая схема присоединения GSM (MSC) сотового оператора к AXE-10 телефонной сети общего пользования (ТФОП) соответствует рисунку 2.1.
ЕТ155, SDH AXE/CME20 Ericsson терминал. В качестве оптимального решения для присоединения сети связи GSM оператора к сети электросвязи общего пользования компанией "РИМКО XXI" предлагается блок ЕТ 155 Ericsson, который соответствует рисунку 2.2.
ET155 Ericsson является 155 Мб/с STM-1 для 63 x 2 Мб/с потоков PDH (Плезиохронной цифровой иерархической системы) терминалом обмена SDH (Синхронной цифровой иерархической системы) поддерживающим стандарт ETSI (Системы ввода с разделением времени) и интегрированным в AXE/CME20. Блок ET155 является полностью интегрированной частью АХЕ/CME20, поэтому кроме физической интеграции в АХЕ/CME20, производится управление и техобслуживание также системой АХЕ/CME20. В результате этого, техническое обслуживание всей транспортной иерархии PDH и SDH, можно произвести из станции.
Рисунок 2.1 – Схема присоединения MSC (GSM-MSC) к ТФОП
Рисунок 2.2 – ET155, SDH AXE/CME20 терминал
Присоединение между различным оборудованием сетей GSM. Интерфейс между MSC и BSS (А-интерфейс) обеспечивает передачу сообщений для управления BSS, передачи вызова, управления передвижением. А-интерфейс объединяет каналы связи и линии сигнализации. Последние используют протокол SS N7 МККТТ.
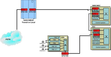
В соответствии с рисунком 2.3, ET155 AXE/CME 20 может быть применен в архитектуре GSM сети:
- BTS (Base Transceiver System) – BSC (Base Station Controller);
- BSC – Mobile Services Switching Centre (MSC);
- MSC – TE (Transit Exchange);
- MSC – ISC (International Switching Centre);
- MSC – LE (Local Exchange).
Рисунок 2.3 – Применение ET155,SDH AXE/CME20 терминала в GSM сети
Преимущества Цифровой коммутационной системы AXE-10. Преимущества предложенного решения:
- сильно упрошенная архитектура GSM сети – телекоммуникационная система AXE/CME20 напрямую подсоединяется к SDH сети или к телекоммуникационной системе AXE ТФОП;
- значительное уменьшение аппаратных средств – 63 терминала, емкостью 2048 кбит/с, плюс магазины и шкафы заменяются на один блок ЕТ155;
- 126 (63 x 2) электрических кабелей емкостью 2048 кбит/с заменяются на два оптических, либо два электрических кабеля;
- большой цифровой кросс (DDF) заменяется на небольшой DDF, или на оптический кросс ODF для установления двух электрических, либо оптических связей;
- не требуются SDH мультиплексоры;
- ET155 связывает каналы для нагрузки между STM-1 155Мбит/с и Групповой Ступенью (ГИ) станции AXE/СME20;
- ET155 передает 63 сигнала 2048кбит/с преобразующихся в контейнерах SDH.
Базовая станция Ericsson RBS 2206. Базовая станция – RBS 2206 размещается внутри зданий и поддерживает до двенадцати трансиверов на один шкаф. Она может быть сконфигурирована с одним, двумя или тремя секторами в одном шкафу. RBS 2206 поддерживает повышенные скорости передачи данных для системы EDGE.
Основные характеристики:
- полная поддержка режима передачи данных: 14,4 кбит/с, HSCSD, GPRS;
- поддержка EDGE на 12 трансиверов во всех временных интервалах;
- поддержка всех речевых кодеков: HR, FR и EFR;
- расширенный радиус действия – 121 км;
- дуплексор и поддержка TMA для всех конфигураций;
- поддержка программно задаваемого увеличения мощности;
- четыре порта передачи, поддерживающие скорость до 8 Мбит/с.
Технические характеристики базовой станции RBS 2206 приведены в таблице 2.1.
Таблица 2.1 – Технические характеристики станции RBS 2206
| Диапазон частот Передача Прием | GSM 900 925-960 МГц 880-915 МГц | GSM 1800 1805-1880 МГц 1710-1785 МГц |
| Размеры | 1900 х 600 х 400 мм | |
| Вес | 230 кг при полном оснащении | |
| Мощность, поступающая в фидер антенны | 35 Вт/45,5 дБм (GSM 900) 28 Вт/44,5 дБм (GSM 1800) | |
| Чувствительность приемника | -110 дБм (без TMA) | |
| Электропитание | 120-250 В переменного тока, 50/60 Гц -48 - -72 В постоянного тока, +20,5 - +29 В постоянного тока | |
| Диапазон рабочих температур | +5°С - +40°С | |
Сеть передачи данных Mini-Link Е. Применение Mini-Link Е в сети сотовой связи ТОО "GSM Казахстан". MINI-LINK E и E Micro обеспечивают микроволновую передачу точка-точка с пропускной способностью от 2 до 34+2 (17х2) Мбит/с в частотных диапазонах от 7 до 38 ГГц. Ниже дана краткая характеристика этих систем.
MINI-LINK E содержит модуль доступа, расположенный в помещении, и наружный радиоблок с антенной. Такая конструкция обеспечивает гибкость и достаточную пропускную способность, как на маленьких, так и на больших многотерминальных сайтах. Терминалы могут быть сконфигурированы для различных типов сетей: в виде звезды, дерева или кольца. Для обеспечения резервирования они могут быть сконфигурированы либо как системы 1+1, либо в виде кольца.
Мобильные сети связи в настоящее время являются наиболее обычной сферой использования MINI-LINK E и E Micro, в соответствии с рисунком 2.4, где они развертываются в сетях радиосвязи с невысокой производительностью.
Рисунок 2.4 – Пример мобильной сети, в которой аппаратура MINI-LINK осуществляет связь базовых станций с центрами коммутации
В соответствии с рисунком 2.5, производится использование аппаратуры MINI-LINK E и E Micro в сетях различной топологии.
Несколько терминалов MINI-LINK E могут быть интегрированы в один общий модуль доступа, в соответствии с рисунком 2.6. Это позволяет сделать чрезвычайно компактными сайты сети, а также эффективно распределить между разными терминалами такие ресурсы, как мультиплексоры, интерфейсы служебных каналов и системы поддержки.
Состав оборудования многотерминальных сайтов соответствует рисунку 2.7.
Маршрутизация трафика и его переадресация в пределах сайта могут выполняться при минимальном количестве внешних кабелей. Маршрут трафика задается с помощью программного и конфигурируется во время установки станции. Терминал может быть сконфигурирован как нерезервируемый (1+0) или резервируемый (1+1); резервирование может быть также обеспечено сетью кольцевого типа. Каждый терминал обеспечивает скорость трафика до 17x2 (34+2) Мбит/с.
Конфигурация терминалов. Нерезервируемый терминал (1+0). Терминал типа 1+0 содержит как минимум:
- один радиоблок (RAU);
- одну антенну;
- один магазин модуля доступа (AMM 1U);
- один блок модема (MMU);
- один соединяющий коаксиальный кабель.
Для трафика со скоростью 8x2, 17x2 и 4x8 Мбит/с требуется также блок ключей/мультиплексоров (SMU). В магазин модуля доступа может быть также добавлен блок служебных каналов (SAU), что обеспечивает дополнительные интерфейсы для управления и аварийной сигнализации, служебных каналов и других специфических потребностей клиента.
Рисунок 2.5 – Пример топологии сети
Рисунок 2.6 – Многотерминальный сайт MINI-LINK E
Резервируемый терминал (1+1). Терминал типа 1+1, как минимум, включает:
- два радиоблока (RAU);
- две антенны или одну антенну и делитель мощности;
- один магазин модуля доступа (AMM) с двумя MMU и одним SMU;
- два соединительных коаксиальных кабеля.
Радиоблоки могут иметь индивидуальные антенны или могут быть подключены к общей антенне. Если используется одна общая антенна, то два радиоблока подключаются волноводами к делителю мощности, установленному на антенне, имеющей одну поляризацию.
Автоматическое переключение может использоваться как при горячем, так и при рабочем резервировании (с разносом по частоте). Переключение приемников в системах с разносом по частоте обеспечивает бесперебойную передачу данных.
При горячем резервировании работает один передатчик, а второй находится в резерве (он не передает сигнала, но находится в состоянии постоянной готовности к передаче и включается при сбое в работе активного передатчика). Оба радиоприемника принимают сигналы. MMU выбирает наилучший сигнал в зависимости от приоритета неисправностей, подает его сначала на SMU для демультиплексирования, а затем к внешнему оборудованию.
Рисунок 2.7 – Состав оборудования многотерминального сайта
Компоненты системы MINI-LINK E. MINI-LINK E состоит из располагаемого внутри помещения модуля доступа, находящегося снаружи радиоблока с антенной и монтажного комплекта. Радиоблок соединяется с внутренним оборудованием одним коаксиальным кабелем и может комбинироваться с разнообразными антеннами для раздельной и совместной установки.
Радиоблоки независимы от пропускной способности трафика, т.е. рабочая частота определяется только радиоблоком. Она устанавливается на сайте. Это осуществляется с помощью управляющего программного обеспечения или переключателя на находящемся в помещении модеме.
Радиоблок имеет защищенный от атмосферных воздействий корпус серого цвета с ручкой для переноски и подъема. Он подключается к волноводному порту антенного блока. Радиоблок имеет два крюка и захваты, что облегчает процедуры монтажа или съема блока при его совместном монтаже с антенной.
Радиоблоки доступны для работы в различных частотных диапазонах, рекомендуемых ITU-R и ETSI.
Частота контролируется синтезатором. Каждый радиоблок занимает некоторую полосу частот определенного частотного диапазона и имеет фиксированное дуплексное расстояние (разнос между излучаемой и принимаемой частотами). Ширина полосы, занимаемой той или иной версией радиоблока различна для разных частотных диапазонов, как показано в таблице 2.2.
Таблица 2.2 – Ширина полосы
| Тип радиоблока | Частотный диапазон, ГГц | Ширина полосы, МГц |
| 7-E | 7.1 – 7.7 | 60 |
| 8-E | 7.7 – 8.5 | 89 |
| 15-E | 14.4 – 15.35 | 110 |
| 18-E | 17.7 – 19.7 | 300 |
| 23-E | 21.2 – 23.6 | 560 |
| 26-E | 24.5 – 26.5 | 450 |
| 38-E | 37.0 – 39.5 | 280 |
В компании ТОО "GSM Казахстан" нашли применение следующие типы радиоблоков: 7-E, 15-E, 23-E.
Радиоблок состоит из корпуса, рамы, соединительного блока, микроволнового блока и фильтра.
Соединительный блок выполняет функции нижней части корпуса радиблока, на нем расположены индикаторы неисправностей (светодиоды), разъемы интерфейса трафика, заземления, источника постоянного напряжения, а также разъем порта юстировки антенны. Соединительный блок оборудован защитой от разрядов молнии.
Микроволновый блок представляет собой схемную сборку с радиоплатой и двумя MCM (многокристальными модулями, Multi-chip Module) передающей и принимающей частей радиоблока, в соответствии с рисунком 2.8. Высокочастотные компоненты MCM защищены алюминиевыми экранами. Кроме того, микроволновый блок имеет интерфейс кабеля, преобразователь DC/DC, компоненты для обеспечения функций управления и контроля и обработки сигнала промежуточной частоты.
Интерфейс кабеля к внутренним блокам представляет собой 50-омный разъем N-типа. Фильтр состоит из двух разветвляющих фильтров с
















