63206 (588913), страница 4
Текст из файла (страница 4)
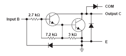
Рисунок 21 Мікросхема ULN2803А
Рисунок 22 Схема пари Дарлингтона
Входи даної мікросхеми під’єднуються до відповідних виходів мікроконтролера через резистори номіналом в 22 Ком. Ці резистори понижають силу струму до необхідної величини, яку можуть витримувати світлодіоди інформаційного табло. Ця частина схема індикації (схема 2) буде відповідати за подачу від’ємної напруги на інформаційне табло.
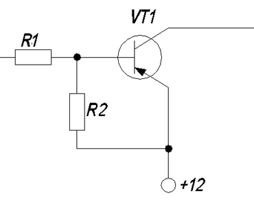
Далі на кожен індикатор створюємо транзисторний ключ який зображено на рисунку 23.
Рисунок 23 Транзисторний ключ інформаційного табло
Резистор R2 відповідає силу струму що надходить на базу транзистора відповідаючи таким чином за сулу відкриття – закриття електронного ключа. Резистор R1 відповідає за проходження сили струму на інформаційне табло.
ВИСНОВОК
Виходячи з вище зазначеного можна зробити висновки, що дійсно мікроконтролери AVR фірми Atmel, тобто 8-бітні RISC-мікроконтролери для вбудованих додатків являються, мабуть, найбільш цікавим напрямком цієї фірми. Вони дійсно представляють потужний інструмент, чудову основу для створення сучасних високопродуктивний та економічно вмонтованих контролерів багатоцільового призначення.
Слід зазначити, що. Мікроконтролери сімейства Mega мають найбільш розвинену периферію, найбільші серед всіх мікроконтролерів AVR об’єми пам’яті програм та даних. Вони призначенні для використання в мобільних телефонах, в контролерах різних периферійних приладах (таких, як принтер, сканер, сучасні дискові накопичувачі, приводи CD-ROM/DVD-ROM і так далі).
В даному проекті була побудована мікросхема на базі мікроконтролера сімейства Mega для годинника і табло, що в свою чергу дає можливість відображати час, дату, температуру повітря на вулиці та в приміщенні. Причому приділена увага уникненню збою роботи даного пристрою.















