63121 (588904)
Текст из файла
-
Зміст
1 Вступ
2 Аналіз ТЗ
3 Принцип функціонування
4 Обґрунтування конструкції
4.1 Варіант №1
4.2 Варіант №2
4.3 Варіант №3
4.4 Вибір варіанту конструкції
5 Вибір компонентів
5.1 Вибір резисторів
5.2 Вибір конденсаторів
6 Обґрунтування конструкційних матеріалів
6.1 Вибір матеріалу корпусу
6.2 Вибір матеріалу друкованої плати
7 Проектування оригінального вузла
7.1 Вихідні дані для розрахунку випрямляча
7.2 Розрахунок випрямляча вторинної обмотки
7.2.1 Розрахунок згладжуючого конденсатора
7.3 Вибір елементної бази
7.4 Конструкційний розрахунок трансформатора
7.4.1 Вихідні дані для розрахунку трансформатора
7.4.2 Вибір типу та матеріалу магнітопроводу
7.4.3 Розрахунок кількості витків обмоток
7.4.4 Розрахунок струму холостого ходу
7.4.5 Перевірка правильності вибору магнітопроводу
7.4.6 Розрахунок діаметрів провідників
7.4.7 Розрахунок геометричних розмірів обмоток
7.4.8 Розрахунок теплового режиму трансформатора
7.4.9 Розрахунок опорів обмоток трансформатора та падіння напруг
7.4.10 Перерахунок кількості витків
7.4.11 Перерахунок геометричних розмірів обмоток
7.4.12 Перерахунок теплового режиму трансформатора
7.4.13 Розрахунок опорів обмоток трансформатора та падіння напруг
8 Проектування деталей
8.1 Розрахунок друкованої плати
8.1.1 Визначення розмірів ДП
8.1.2 Розрахунок кількості шарів плати
8.1.3 Визначення технологічних параметрів
9 Розрахунки, що підтверджують працездатність
9.1 Електромагнітна сумісність
9.1.1 Визначення паразитної ємності
9.1.2 Визначення паразитної індуктивності
9.2 Тепловий режим
9.3 Механічні впливи
9.3.1 Розрахунок вібраційної та ударної міцності плати
9.4 Надійність за раптовими
10 Висновки
Література
Додатки
-
-
Вступ
Розроблюваний в даному курсовому проекті, сенсорний вимикач з пультом дистанційного керування (ПДК), призначений для сенсорного (безконтактного) вмикання та вимикання освітлення, а також для вмикання та вимикання освітлення за допомогою ПДК. Областю застосування даного приладу є будь-яке жиле або нежиле приміщення, в якому потрібен доступ до неприродного освітлення.
Основною технічною задачею, що виконується приладом є вмикання та вимикання освітлення.
По функціональному признаку розроблюваний прилад є РЕП( Радіо електронний пристрій). По конструкційному – блоком. По конструкторскому – складальною одиницею.
Розроблюваний блок є новою розробкою.
-
-
Аналіз ТЗ
Розглянемо основні обмеження на проектування. Даний пристрій повинен знаходитись в приміщеннях в стаціонарному режимі. Тому немає великих запитів на віброміцність та удароміцність, але для забезпечення вимог до транспортування необхідна наявність упаковки пристрою. В якості матеріалу корпусу краще застосовувати пластмасу для зменшення маси корпусу. Для забезпечення умов стандартизації та уніфікації в пристрої необхідно використовувати стандартні та уніфіковані деталі. Для забезпечення умов безпеки у пристрої повинні бути відсутні гострі кромки, а всі частини пристрою які знаходяться під струмом захищені корпусом, при цьому користувач повинен мати доступ тільки до органів індикації, які знаходяться на передній панелі корпусу. При розгляді схеми електричної принципової будемо намагатися використовувати вітчизняну елементну базу. Пристрій повинен відповідати вимогам до електромагнітної сумісності до індустріальних радіозавад. Пристрій не має елементів, для яких необхідно було б використовувати штучні системи охолодження.
-
-
Принцип функціонування
Передавач.
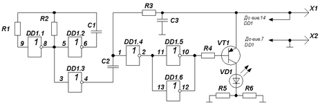
На рис.1 приведена схема випромінювача коротких імпульсів. Що дозволяє зменшити споживаний передавачем струм від джерела живлення, а значить продовжити термін служби на одній батареї живлення. На елементах DD1.1, DD1.2 зібраний генератор імпульсів, слідуючих з частотою 30...35 Гц. Короткі, тривалістю 13...15 мкс, імпульси формує диференціюючий ланцюг C2R3. Елементи DD1.4-DD1.6 і нормально закритий транзистор VT1 утворюють імпульсний підсилювач з ІЧ діодом VD1 в навантаженні.
рис.1
Приймач (з вбудованим передавачем).
Приймач зібраний по класичній схемі прийнятій в російській промисловості (зокрема в телевізорах Рубін, Темп і т.п.). Його схема приведена кресленні РВ12.464311.001Е3. Імпульси ІЧ-випромінювача потрапляють на ІЧ фотодіод VD1, перетворяться в електричні сигнали і підсилюються транзисторами VT3, VT4, які ввімкнкні по схемі із загальним емітером. На транзисторі VT2 зібраний емітерний повторювач, що узгоджує опір динамічного навантаження фотодіода VD1 і транзистора VT1 з вхідним опором підсилювального каскаду на транзисторі VT3. Діоди VD2,VD3 оберігають імпульсний підсилювач на транзисторі VT4 від перевантажень. Всі вхідні підсилювальні каскади приймача охоплені глибоким зворотним зв'язком по струму. Це забезпечує постійне положення робочої точки транзисторів незалежно від зовнішнього рівня освітлення, особливо це важливо при роботі приймача в приміщеннях з штучним освітленням або на вулиці при яскравому денному світлі, коли рівень сторонніх ІЧ-випромінювань дуже високий.
Далі сигнал проходить через активний фільтр з подвійним Т-мостом, що зібраний на транзисторі VT5, резисторах R12-R14 і конденсаторах C7-C9. Транзистор VT5 повинен мати коефіцієнт передачі струму Н21э=30, в іншому випадки фільтр може почати збуджуватися. Фільтр очищає сигнал передавача від перешкод мережі змінного струму, які випромінюються електричними лампами. Лампи створюють модульований потік випромінювання з частотою 100 Гц і не тільки видимої частини спектру, але і в ІЧ області. Відфільтрований сигнал кодової посилки формується на транзисторі VT6. В результаті на його колекторі з'являються короткі імпульси (якщо поступали із зовнішнього передавача) або пропорційні з частотою 30...35 Гц (якщо поступали від вбудованого передавача).
Імпульси, що поступають з приймача, поступають на буферний елемент DD1.1, а з нього на випрямний ланцюг. Випрямний ланцюг VD4, R19, C12 працює так: коли на виході елементу логічний 0, то діод VD4 закритий і конденсатор С12 розряджений. Як тільки на виході елементу виникають імпульси, конденсатор починає заряджати, але поступово (не з першого імпульсу), а діод перешкоджає його розрядці. Резистор R19 вибраний так, щоб конденсатор встиг заряджати до напруги рівного логічною 1 тільки з 3...6 імпульсу, що приходить з приймача. Це ще один захист від перешкод, коротких ІЧ спалахів (наприклад, від фотоспалаху фотоапарата, розряду блискавки і т. п.). Розряд конденсатора відбувається через резистор R19 і займає за часом 1...2 секунди. Це дозволяє запобігти довільному ввімкнення і вимкненню світла. Далі встановлений підсилювач DD1.2, DD1.3 із зворотним зв'язком (C3) для отримання на його виході різких прямокутних спадів (при ввімкненні і вимкненні). Ці перепади поступають на вхід тригера дільника на 2 зібраного на мікросхемі DD2. Не інверсний його вихід підключений до підсилювача на транзисторі VT10, який управляє тиристором VS1, і транзистора VT9. Інверсний подано на транзистор VT8. Обидва ці транзистора (VT8, VТ9) служать для засвічення відповідного кольору на світлодіоді VD6 при ввімкненні і вимкненні світла. Він виконує ще і функцію "маяка" при вимкненому світлі. На вхід R трігера дільника підключений RC ланцюг, який здійснює скидання. Він потрібен для того, щоб якщо відключили напруги в квартирі, то після ввімкнення світло випадково не запалилося.
Вбудований передавач служить для ввімкнення світла без пульта дистанційного керування (при піднесенні долоні до вимикача). Він зібраний на елементах DD1.4-DD1.6, R20-R23, C14, VT7, VD5. Вбудований передавач є генератором імпульсів з частотою слідування 30...35 Гц і підсилювач в навантаження каторгою ввімкнений ІЧ світлодіод. ІЧ світлодіод встановлюється поряд з ІЧ фотодіодом і повинен бути направлений з ним в одну сторону, і вони повинні бути розділені світлонепроникною перегородкою. Резистор R20 підбирається так, щоб відстань спрацьовування, при підносі долоні, була рівна 50...200 мм. Блок живлення зібраний по класичній схемі на КРЕН9Б і вихідна напруга рівна 9В. Він включає DA1, C15-C18, VD12-VD15, T1. Конденсатор С19 служить для захисту пристрою від стрибків напруги в електромережі.
-
-
Обґрунтування конструкції
Для обґрунтування конструкції скористаємося рейтинговою системою, в якій по кожному признаку найкращому варіанту конструкції присвоюється 1 бал, а найгіршому 3 балів (бо розглядаємо 3 варіанти конструкції). Варіант конструкції, що за оцінками набере найменшу кількість балів будемо вважати найкращим для застосування.
-
-
Варіант №1
Опис варіанту:
-
Тансформатор живлення закріплюємо круглою шайбою, яка накриває його зверху і кріпиться у гвинтом, трансформатор розміщено у центрі плати;
-
Плата розміщена вертикально і прикріплена до каркасу гвинтами.
Ескіз варіанту №1 показано на рис. 2.
рис. 2
-
Варіант №2
Опис варіанту:
-
Тансформатор живлення закріплюємо круглою шайбою, яка накриває його зверху і кріпиться у гвинтом, трансформатор розміщено у центрі верхньої бокової сторони плати;
-
Плата розміщена вертикально і прикріплена до каркасу гвинтами.
Ескіз варіанту №2 показано на рис. 3.
рис. 3
-
Варіант №3
Опис варіанту:
-
Трансформатор живлення закріплюємо двома скобами до каркасу. Це покращує технологічність виробу, бо відпадає необхідність робити додаткові елементи каркасу, а також покращує теплообмін трансформатора з середовищем, трансформатор розміщено у центрі заглиблення, за платою;
-
Плата розміщена вертикально і прикріплена до каркасу гвинтами.
Ескіз варіанту №3 показано на рис. 4.
рис. 4
-
Вибір варіанту конструкції
Аналіз вищезазначених варіантів конструкції зведемо в табл. 1
Таблиця 1
Аналіз варіантів конструкції
| варіант №1 | варіант №2 | варіант №3 | |
| Тепловий режим | 2 | 3 | 1 |
| Вібраційна та ударна міцність | 3 | 2 | 1 |
| Складність виконання | 1 | 1 | 3 |
| Масогабарити | 3 | 3 | 1 |
| ∑ | 9 | 9 | 6 |
Отже, за даними порівняння найкращим є варіант конструкції №3.
-
-
Вибір компонентів
-
Вибір резисторів
При виборі резисторів враховуємо наступні показники:
- електричні характеристики;
- вартість;
- надійність;
- конструктивні характеристики;
- гранична температура;
- шуми.
Оцінку проводимо за методикою викладеною у [7].
Так як жоден тип резисторів не переважає над іншими за всіма показниками, то при виборі оптимального типу резистора варто керуватися компромісним варіантом. Кожному показнику привласнюється вага в залежності від важливості критерію, кожному типу резистора привласнюється бал. Оцінку робимо за десятибальною шкалою. Результати оцінок зібрані в таблицю 2.
Таблиця 2 Результати оцінок резисторів
| Параметр | Вагов. коеф. | Тип резистора | |||||
| С1-4 | С2-23 | С4-1 | |||||
| Вартість, гр/шт | 0,2 | 0,12 | 5 | 0,1 | 6 | 0,14 | 4 |
| Напрацювання на відмову мін. год. | 0,2 | 30000 | 4 | 30000 | 4 | 30000 | 4 |
| Габарити(для 0,125 Вт), мм | 0,2 | 7,3 х2,4 | 5 | 6х2 | 7 | 11х5 | 3 |
| Маса, г | 0,15 | 1,5 | 5 | 1 | 7 | 1,8 | 4 |
| Максимально допустима напруга, В | 0,05 | 350 | 8 | 250 | 6 | 220 | 5 |
| Рівень шумів, мкВ/В | 0,15 | 5 | 5 | 1 | 7 | 10 | 3 |
| Максимальна робоча температура, °С | 0,05 | 125 | 4 | 155 | 5 | 350 | 8 |
| Сумарна кількість балів | 4,9 | 6,05 | 3,9 | ||||
Таким чином, згідно сумарного коефіцієнту ефективності вибираємо резистори типа С2-23, що набрали найбільшу кількість балів. Це металодіелектричні резистори, призначені для роботи в колах постійного, змінного та імпульсного струму.
-
Вибір конденсаторів
Так як не існує неелектролітичних конденсаторів, котрі перекривають весь необхідний нам діапазон, то будемо вибирати неелектролітичні конденсатори різних типів. Результати оцінок неелектролітичних конденсаторів приведені в таблицях 3, 4. Так як існують ектролітичні конденсатори, котрі перекривають весь необхідний нам діапазон, то будемо вибирати ектролітичні конденсатори одного типу. Результати оцінок ектролітичних конденсаторів приведені в таблиці 5.
Характеристики
Тип файла документ
Документы такого типа открываются такими программами, как Microsoft Office Word на компьютерах Windows, Apple Pages на компьютерах Mac, Open Office - бесплатная альтернатива на различных платформах, в том числе Linux. Наиболее простым и современным решением будут Google документы, так как открываются онлайн без скачивания прямо в браузере на любой платформе. Существуют российские качественные аналоги, например от Яндекса.
Будьте внимательны на мобильных устройствах, так как там используются упрощённый функционал даже в официальном приложении от Microsoft, поэтому для просмотра скачивайте PDF-версию. А если нужно редактировать файл, то используйте оригинальный файл.
Файлы такого типа обычно разбиты на страницы, а текст может быть форматированным (жирный, курсив, выбор шрифта, таблицы и т.п.), а также в него можно добавлять изображения. Формат идеально подходит для рефератов, докладов и РПЗ курсовых проектов, которые необходимо распечатать. Кстати перед печатью также сохраняйте файл в PDF, так как принтер может начудить со шрифтами.
















