63076 (588894), страница 6
Текст из файла (страница 6)
Местная нагрузка от абонентов УАТС распределяется по двум направлениям:
-
По станциям городской сети (ГТС г. Петропавловск) и к узлу спецслужб.
-
По станциям своей железнодорожной сети.
Распределение нагрузки по станциям сети имеет случайный характер, зависящий от неподдающейся учету взаимной заинтересованности абонентов в переговорах. Поэтому, точное определение межстанционных потоков нагрузки при проектирование АТС невозможно. Это можно сделать лишь после введения станции в эксплуатацию путем анализа проведенных измерений.
При проектировании УАТС (АТС) достаточно знать возникающую местную нагрузку каждой станции сети.
Найдём нагрузку Y/уатс, Эрл, на входе КП (DSN) проектируемой УАТС ст. Петропавловск подлежащую распределению между всеми АТС (в том числе и проектируемой). С этой целью из возникающей нагрузки Y//уатс вычитают нагрузку, направляемую к узлу спецслужб Y/сп, которая принимается равной 3% от Y/уатс1:
(3.4)
Одна часть нагрузки
замыкается внутри станции
, а вторая образует потоки к действующим АТС.
Внутристанционная нагрузка Y/п,п, Эрл, определяется по формуле:
(3.5)
где η – доля или коэффициент внутристанционного сообщения,
(3.6)
определяется по значению коэффициента веса ηс, который представляет собой отношение нагрузки
проектируемой станции к аналогичной нагрузке всей сети:
(3.7)
где m – число станций на ГТС г. Петропавловск и железнодорожной сети, включая проектируемую.
Если принять, что величины возникающих нагрузок пропорциональны емкостям станций, то получим:
(3.8)
(3.9)
Зависимость коэффициента внутристанционного сообщения η (т.е. доля нагрузки, замыкающейся внутри станции) от коэффициента веса ηс приведена в таблице 2 Приложения Б.
С помощью таблицы 2 (Приложение Б) находим коэффициент внутристанционного сообщения η = 19,4%.
Тогда внутристанционная нагрузка:
Нагрузка на входе КП (DSN) проектируемой АТСЭ, которая будет направлена к другим станциям Y/исх.,п, Эрл, определяется по формуле:
(3.10)
Эта нагрузка должна быть распределена пропорционально доле исходящих потоков этих станций в их общем исходящем сообщении. Значит, необходимо найти на всех действующих АТС ГТС и железнодорожной сети нагрузки Y/j,Y/j,j и Y/исх.j по формулам (3.8), (3.5), (3.10).В нашем случае достаточно нагрузку делить на две группы:
1. К группе абонентов городской сети (через АТС53/54 ГТС г. Петропавловск с общей емкостью 63000 номеров);
-
К группе абонентов железнодорожной сети (с общей емкостью 12048 номеров).
Исходящая нагрузка каждой станции Y/исх.j определяется аналогично исходящей нагрузке проектируемой станции Y/исх.j.уатс. Результаты расчета сведены в таблицу 3.3.
Таблица 3.3 Внутристанционные и исходящие нагрузки
| Обозначение АТС | Ёмкость | Y/j,Эрл | ηс,% | η,% | Y/j,j,Эрл | Y/исх.j,Эрл |
| УАТС | 2000 | 99,38 | 2,7 | 19,4 | 19,93 | 82,52 |
| ГТС | 75000 | 2526,98 | 83,95 | 90,0 | 2274,28 | 252,7 |
| Железнодорожная сеть | 10048 | 403,51 | 13,38 | 31,5 | 127,11 | 278,4 |
Если n-я станция обслуживает большинство центральных учреждений города, к которым предполагается значительное тяготение абонентов проектируемой АТС, то направляемая к ней нагрузка может быть увеличена путём умножения У`ИСХ.u в числителе и знаменателе формулы (3.10) на коэффициент 1,2+1,4.
Расчёт межстанционных потоков упрощается, если пользоваться не абсолютными величинами средней длительности занятия выхода и входа ступени, а их отношением, т.е. коэффициентами К (учитывается когда, встречная станция координатная или электронная) и Д(учитывается когда, встречная станция декадно-шаговая) [11].
Значения коэффициентов К и Д зависят в основном от доли состоявшихся разговоров РР и их продолжительности Тi , числа знаков номере и в коде станции. При существующих нормах на РР и Тi можно считать:
- для пятизначной нумерации, когда n=5 и n1=1: К=0,89; Д=0,95;
- для шестизначной нумерации, когда n=6 и n1=2: К=0,88;Д=0,94.
- для семизначной нумерации, когда n=7 и n1=3: К=0,87;Д=0,93.
С учетом специфики нашей проектируемой станций, где внутри железнодорожной сети применяется пятизначная нумерация, а в при выходе к ГТС применяется шестизначная нумерация формула приобретает вид:
- внутристанции (применяется пятизначная нумерация):
УПК=0,89 * У`ПК (3.11)
УПК=0,89 * 19,93 =17,74 Эрл
- в направлении спецслужб следует вычислять, пользуясь коэффициентом К, тогда:
Уусс=0,89 * 3,1 =2,76 Эрл
- внутри железнодорожной сети (учитывается только К=0,89, так как декадно-шаговые станции отсутствуют);
- к абонентам ГТС (учитывается только К=0,88, так как опорная станция РАТС 53/52 цифровая типа S-12 и n=6, n1=2);
Для определения нагрузку между проектируемой УАТС и узловыми районами (в нашем случае ГТС с УВС и железнодорожная сеть с узлообразованием) применяется следующая формула:
(3.12)
где Арn – интенсивность нагрузки между УАТС и УС; U1 – емкость всех АТС i-го узлового района; Nc – суммарная емкость сети.
Полученные нагрузки с учетом потерь принимает вид:
- внутри железнодорожной сети:
Ууатс-жс =0,89 * 10,62=9,45 Эрл
Для ГТС:
Ууатс-ГТС=0,88 * 66,61= 58,62 Эрл
Полученные расчетные данные нагрузки с учетом потерь проектируемой УАТС по исходящему и внутристанционному направлению для наглядности приведем в виде таблицы 3.4.
Таблица 3.4 - Нагрузка с учетом потерь по исходящему и направлению внутристанционному направлению
| Направление | УАТС-УАТС | УАТС-УСС | УАТС-ГТС | УАТС -Железнодорожная сеть (ЖС) |
| У, Эрл | 17,74 | 2,76 | 58,62 | 9,45 |
-
Определение входящих потоков нагрузки
Расчёт потоков нагрузки, поступающих по входящим СЛ на ступень ГИ (ЦКП) УАТС от существующих АТС или узлов ГТС (в нашем случае от ГТС РАТС 53/54 и железнодорожной сети), производится по методике, изложенной в предыдущем разделе 3.1.1.
Если нагрузка с выхода ступени РАТС по пути к проектируемой станции проходит транзитом ещё через ступень искания, то за счёт большей продолжительности занятия входа ступени по сравнению с продолжительностью занятия её выхода она будет уменьшаться. Если это ступень электронной или координатной системы, то принимают, что нагрузка на выходы составляет 0,99 нагрузок на входы [11]:
Укn = 0,99Укn (3.13)
где Укn - нагрузка возникающая на станциях в направлении УАТС с учетом потерь (с таблицы 3.3)
УК,ГТС-УАТС= 0,99*58,62=58,03 Эрл
УК,ЖС-УАТС= 0,99*9,45=9,4 Эрл
-
Междугородная и международная нагрузка
Междугородную исходящую нагрузку, т.е. нагрузку на заказно-соединительные линии (ЗСЛ) от одного абонента можно считать равной 0,003 Эрл [11]:
Узсл =N*0,003 (3.14)
Узсл,уатс=2000*0,003 = 6 Эрл
Входящую на станцию по междугородным соединительным линиям (СЛМ) нагрузку принимают равной исходящей по ЗСЛ нагрузке Узсл =Услм, тогда:
Узсл =Услм = 6 Эрл
Вследствие большой продолжительности разговора (Т=200+400 с) уменьшением междугородной нагрузки при переходе со входа любой ступени искания на её выход обычно пренебрегают. Иначе говоря, величину междугородной нагрузки на всех ступенях искания принимают одинаковой величины.
Поскольку для обслуживания междугородной связи в АТСК не предусмотрены отдельные пучки внутристанционных соединительных путей, то при расчёте числа обслуживающих внутристанционных ИКМ линий необходимо к местной нагрузке прибавить междугородную нагрузку [11].
3.1.4 Распределение внутристанционной нагрузки
Общая местная внутристанционная нагрузка УВН складывается из возникающей нагрузки, пересчитанной на выходы ступени ГИ (ЦКП) и поступающей от других АТС сети к абонентам проектируемой станции:
УВН= Ууатс-уатс +
+Услм(jn) (3.15)
УВН= 17,74+58,03 +9,4+ 6 = 91,17 Эрл
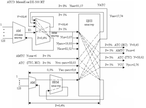
Распределение внутристанционной, исходящей и входящей нагрузки на проектируемой УАТС показана на рисунке 3.1
Рисунок 3.1 - Распределение внутристанционной, исходящей и входящей нагрузки на проектируемой УАТС МиниКом-DX-500 ЖТ
3.1.5 Расчет числа исходящих и входящих соединительных линий
Исходными данными для расчета числа СЛ являются величины нагрузок, поступающих на пучки СЛ и нормы вероятности потерь. Число соединительных линий определяется по первой формуле Эрланга для полнодоступных пучков линий [13]:
(3.16)
При расчетах можно воспользоваться вспомогательной таблицей результатов расчета интенсивности поступающей нагрузки Y (в Эрлангах) для пучка емкостью V линий и величины потерь Р [13].
Результаты расчетов записываются в таблицу 3.5.
Таблица 3.5 - Количество соединительных линии
| АТС | Емкость, номеров | Увн,``Эрл. | V икм, линий | Y'исхкГТС,Эрл. | V икм | Y'исхк ЖС | V икм | У эсл, Эрл. | V икм | У слм, Эрл. | V икм | У вх, Эрл. | V икм * |
| УАТС | 2000 | 91,17 | 131 | 58,62 | 86 | 9,45 | 20 | 6 | 14 | 6 | 14 | 68,07 | 85/13 |
* Примечание: V икм 85/13- 85-ИКМ линии для организации связи с ГТС, а 13-для организации местной железнодорожной связи.
Из таблицы 3.5 видно, что существующие системы ИКМ-30 (2 системы- 60 каналов) для организации местной (исходящая и входящая) и междугородной связи (исходящая и входящая) не обеспечивает обслуживанию трафика. Например для организации связи с ГТС и АМТС требуется 200 ИКМ линий. Нехватка каналов составляет - 70%.
При организации связи в направлении железнодорожной связи нехватка каналов не осуществляется, наоборот процент незадействованных каналов очень высок.
Поэтому при реконструкции УАТС ст. Петропавловск с применением оборудования «МиниКом DX-500ЖТ» необходимо рассмотреть вопросы по увеличению количества СЛ между РАТС 53/54 (ГТС).
3.1.6 Комплектация оборудования















